Buon pomeriggio e buona domenica a tutti...
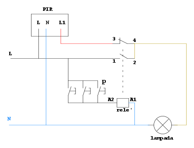
avevo in mente di risistemare l'impianto elettrico del garage e la mia idea è quella di avere un sistema che funzioni sia come movimento+crepuscolare (PIR) che come luce fissa, qualora volessi la luce sempre accesa.
Curiosando su youtube sono arrivato alla conclusione che posso cablare il sistema come in foto (fatto da me, quindi se ci sono errori vi prego di farmeli notare), adoperando un deviatore.
Se io volessi avere accensioni da più punti e soprattutto adoperare un relè, che mi evita il passaggio di molti più fili, come posso fare?
In rete non trovo nulla... sapete aiutarmi?
Impianto garage PIR + deviatore (o relè)
Moderatori:
g.schgor,
IsidoroKZ
12 messaggi
• Pagina 1 di 2 • 1, 2
0
voti
nanuc86 ha scritto:Se io volessi avere accensioni da più punti e soprattutto adoperare un relè, che mi evita il passaggio di molti più fili, come posso fare?
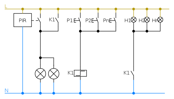
Utilizzare un relè ad impulsi con doppio contatto,(sostituiscon oil deviatore) un contatto NO ed un contatto NC, la serie finder credo che sia il modello 20.23 (o 26.03) ovviamente con bobina alla tensione nominale di 230 V.
Il relè a sua volta comandato da n..pulsanti, ad ogni pressione del pulsante il relè commuta i due contatti, cambiando il loro stato pertanto invertendo lo stato di alimentazione della lampada, passando dall'accensione diretta al controllo con il sensore pir , a seguire lo schema di collegamento, il numero di pulsanti è funzione dei punti di comando necessari ..
Il relè si presenta cosi..
I circuiti sono controcorrente. Seguono sempre la massa
-Per rispondere utilizza il tasto [RISPONDI] e non il tasto [CITA], grazie.-
-Per rispondere utilizza il tasto [RISPONDI] e non il tasto [CITA], grazie.-
1
voti
Grazie 1000... super chiarissimo!
Vi farò sapere del risultato.
PS Che programmino hai adoperato per creare lo schema?
Vi farò sapere del risultato.
PS Che programmino hai adoperato per creare lo schema?
0
voti
L'unica piccola seccatura che vedo nello schema di mir è che si potrebbe non riuscire a capire se il passo passo è nella posizione acceso o automatico, almeno finché non si aspetta a vedere se le luci si spengono da sole. Infatti finché il PIR è attivo entrambe le posizioni del passo passo danno luce accesa. Si potrebbe aggiungere un secondo relé monostabile (non passo passo) con funzione di "memoria stato spegnimento". Dopo lo spegnimento, quando il PIR si disattiva, la memoria si "azzera" e si ritorna in automatico:
Ultima modifica di
djnz il 3 gen 2021, 19:59, modificato 1 volta in totale.
Una domanda ben posta è già mezza risposta.
1
voti
Io propongo una soluzione più semplice, adottando un passo-passo bipolare come il Finder 26.02, in modo che un contatto comandi l'illuminazione in parallelo al PIR, l'altro contatto comanderebbe gli indicatori luminosi Hx dei vari pulsanti, quindi non si avrebbero dubbi sullo stato del comando manuale:
1
voti
nicsergio ha scritto:l'altro contatto comanderebbe gli indicatori luminosi Hx dei vari pulsanti, quindi non si avrebbero dubbi sullo stato del comando manuale
Eh si, bella anche questa e più semplice. Si potrebbe usare un 26.03 con il contatto NC per avere le spie accese in modalità automatica invece che manuale (così i pulsanti si vedono al buio).
Una domanda ben posta è già mezza risposta.
0
voti
nanuc86 ha scritto:PS Che programmino hai adoperato per creare lo schema?
FidocadJ, trovi piú informazioni così come il link per scaricarlo qui:
https://www.electroyou.it/darwinne/wiki/fidocadj
Boiler
1
voti
Grazie mille a tutti... anche per aver risposto alla curiosità sul programma!
Ho già ordinato un finder 26.03.
Appena ho tempo faccio prima una prova sul banco da lavoro e vi aggiorno.
Buona serata
Claudio
Ho già ordinato un finder 26.03.
Appena ho tempo faccio prima una prova sul banco da lavoro e vi aggiorno.
Buona serata
Claudio
0
voti
nanuc86 ha scritto:PS Che programmino hai adoperato per creare lo schema?
il mitico FidocadJ, un semplice e potente software di disegno, leggerissimo nell'installazione molto versatile ed intuitivo,
I circuiti sono controcorrente. Seguono sempre la massa
-Per rispondere utilizza il tasto [RISPONDI] e non il tasto [CITA], grazie.-
-Per rispondere utilizza il tasto [RISPONDI] e non il tasto [CITA], grazie.-
12 messaggi
• Pagina 1 di 2 • 1, 2
Torna a Elettrotecnica generale
Chi c’è in linea
Visitano il forum: Nessuno e 38 ospiti

Elettrotecnica e non solo (admin)
Un gatto tra gli elettroni (IsidoroKZ)
Esperienza e simulazioni (g.schgor)
Moleskine di un idraulico (RenzoDF)
Il Blog di ElectroYou (webmaster)
Idee microcontrollate (TardoFreak)
PICcoli grandi PICMicro (Paolino)
Il blog elettrico di carloc (carloc)
DirtEYblooog (dirtydeeds)
Di tutto... un po' (jordan20)
AK47 (lillo)
Esperienze elettroniche (marco438)
Telecomunicazioni musicali (clavicordo)
Automazione ed Elettronica (gustavo)
Direttive per la sicurezza (ErnestoCappelletti)
EYnfo dall'Alaska (mir)
Apriamo il quadro! (attilio)
H7-25 (asdf)
Passione Elettrica (massimob)
Elettroni a spasso (guidob)
Bloguerra (guerra)









