Salve e buon nuovo anno tutti,
Commetto sicuramente degli errori nella risoluzione di questa tipologia di esercizi
tralasciando le condizioni iniziali che ho calcolato con il metodo dei fasori e mi vengo entrambe
IL0 e Vc0 -> 1/20
Quando passo allo studio per t>0
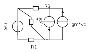
applicando il metodo sistematico e il teorema di sostituzione il circuito risolutivo diventa questo?
a questo punto quali sono l'equazioni di stato?
Grazie...
Scusate se non usato fidocad per il testo per questioni di tempo ho allegato sotto il compito.
Problema risoluzione esercizio generatori sinosoidale
Moderatori:
g.schgor,
IsidoroKZ
10 messaggi
• Pagina 1 di 1
0
voti
Ultima modifica di
RenzoDF il 3 gen 2013, 15:17, modificato 1 volta in totale.
Motivazione: Usare il pulsante "Inserisci in linea con il testo", grazie.
Motivazione: Usare il pulsante "Inserisci in linea con il testo", grazie.
-

theverin90
1 4 - New entry

- Messaggi: 73
- Iscritto il: 9 ott 2012, 16:28
1
voti
theverin90 ha scritto:... a questo punto quali sono l'equazioni di stato?
Per esempio "sovrapponendo" e/o facendosi aiutare da Millman
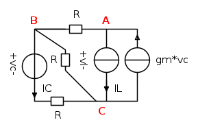
Usando il teorema del caro vecchio Jacob infatti, possiamo direttamente scrivere le due seguenti equazioni pseudo-caratteristiche

dove per la prima si è sottintesa la semplificazione del GIT e dei tre resistori sinistri, mentre per la seconda, la semplificazione dei GIC e del resistore serie.
"Il circuito ha sempre ragione" (Luigi Malesani)
0
voti
a me hanno insegnato di scrivere:
un metodo sistematico che il mio prof vuole che usi
scrivo l albero proprio e le due equazioni per la ic dove sono tutti rami e una corda

per la vl alla maglia dove sono tutti rami e c'è induttore

anche a te vengono cosi ?
un metodo sistematico che il mio prof vuole che usi
scrivo l albero proprio e le due equazioni per la ic dove sono tutti rami e una corda

per la vl alla maglia dove sono tutti rami e c'è induttore

anche a te vengono cosi ?
-

theverin90
1 4 - New entry

- Messaggi: 73
- Iscritto il: 9 ott 2012, 16:28
0
voti
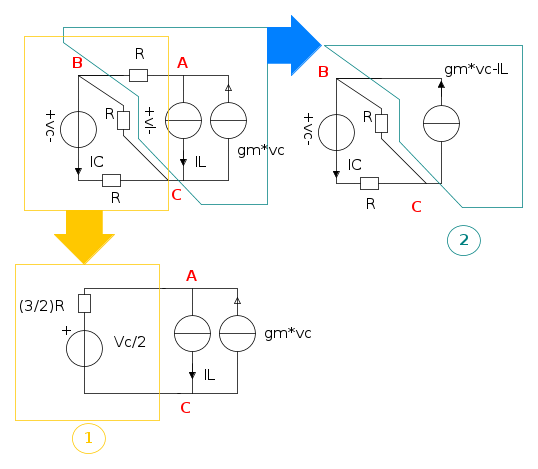
Altra piccolo dubbio nel circuito posso andare a sommare i due generatori di corrente in parallelo
sostituendone uno solo dal valore gm*vc-il il verso però quale???
se si può fare poi posso trascurare il valore della resistenza messo in serie al generatore di corrente giusto?
sostituendone uno solo dal valore gm*vc-il il verso però quale???
se si può fare poi posso trascurare il valore della resistenza messo in serie al generatore di corrente giusto?
-

theverin90
1 4 - New entry

- Messaggi: 73
- Iscritto il: 9 ott 2012, 16:28
2
voti
theverin90 ha scritto:... a me hanno insegnato di scrivere: ...un metodo sistematico che il mio prof vuole che usi
Ognuno ha i suoi metodi, non pretendere che io conosca quello del tuo professore
theverin90 ha scritto: ... scrivo l albero proprio e le due equazioni per la ic dove sono tutti rami e una corda
Su questo non so aiutarti, ... Io sugli alberi ci salgo per mangiarmi le ciliegie
... e la corda la uso per saltare, ... prima di salire sul surf!
"Il circuito ha sempre ragione" (Luigi Malesani)
0
voti
si ok vedo se riesco ad ottenere le tue stesse equazioni con quel metodo la :)
-

theverin90
1 4 - New entry

- Messaggi: 73
- Iscritto il: 9 ott 2012, 16:28
0
voti
scusami ancora ma provando a sostituire i valori alle tue equazioni le frequenze naturali mi vengono una positiva e l altra negativa per il risultato attesso non dovrebbero anche venirmi complesse?
-

theverin90
1 4 - New entry

- Messaggi: 73
- Iscritto il: 9 ott 2012, 16:28
1
voti
Semplificando le due relazioni ricavate con Millman in [2], il sistema si semplifica come segue

derivando la prima equazione

facendo uso della seconda

derivando ancora

e quindi l'equazione caratteristica e le relative soluzioni dovrebbero essere

Non tralasciamole, saremmo più che curiosi di sapere come le hai calcolare, se ti va di dircelo ovviamente.

derivando la prima equazione

facendo uso della seconda

derivando ancora

e quindi l'equazione caratteristica e le relative soluzioni dovrebbero essere

theverin90 ha scritto:... tralasciando le condizioni iniziali che ho calcolato con il metodo dei fasori e mi vengo
entrambe IL0 e Vc0 -> 1/20
Non tralasciamole, saremmo più che curiosi di sapere come le hai calcolare, se ti va di dircelo ovviamente.
"Il circuito ha sempre ragione" (Luigi Malesani)
0
voti
ove per la prima si è sottintesa la semplificazione del GIT e dei tre resistori sinistri, mentre per la seconda, la semplificazione dei GIC e del resistore serie.
posso avere qualche delucidazione su queste semplificazioni...
-

theverin90
1 4 - New entry

- Messaggi: 73
- Iscritto il: 9 ott 2012, 16:28
2
voti
10 messaggi
• Pagina 1 di 1
Torna a Elettrotecnica generale
Chi c’è in linea
Visitano il forum: Nessuno e 150 ospiti

Elettrotecnica e non solo (admin)
Un gatto tra gli elettroni (IsidoroKZ)
Esperienza e simulazioni (g.schgor)
Moleskine di un idraulico (RenzoDF)
Il Blog di ElectroYou (webmaster)
Idee microcontrollate (TardoFreak)
PICcoli grandi PICMicro (Paolino)
Il blog elettrico di carloc (carloc)
DirtEYblooog (dirtydeeds)
Di tutto... un po' (jordan20)
AK47 (lillo)
Esperienze elettroniche (marco438)
Telecomunicazioni musicali (clavicordo)
Automazione ed Elettronica (gustavo)
Direttive per la sicurezza (ErnestoCappelletti)
EYnfo dall'Alaska (mir)
Apriamo il quadro! (attilio)
H7-25 (asdf)
Passione Elettrica (massimob)
Elettroni a spasso (guidob)
Bloguerra (guerra)




