potenziometro di kelvin varley
Moderatori:
g.schgor,
IsidoroKZ
17 messaggi
• Pagina 1 di 2 • 1, 2
1
voti
scasate raga sapete qualè la tensione di uscita di questo circuito e potete spiegrarmi i passaggi grazie. 
- Allegati
-
- questo è il circuito in formato pdf
- kelvar.gif (7.66 KiB) Osservato 5573 volte
0
voti
Ciao
danyy.
Per facilitare le risposte e rendere note le tue conoscenze su questo argomento, dovresti indicare la strada che percorreresti per arrivare alla soluzione del tuo problema, indicando i punti a te poco chiari; per illustrare i vari passaggi matematici usa LATEX, al seguente link trovi una guida all' uso:
http://www.electroyou.it/mrc/wiki/intro ... o-di-latex
Inoltre ti suggerisco, per agevolare le spiegazioni, di disegnare ed allegare ad un post lo schema elettrico utilizzando fidocadj, ai seguenti link trovi delle guide all' uso:
http://www.electroyou.it/elettrodomus/w ... -per-tonni
http://www.electroyou.it/darwinne/wiki/fidocadj
Leggi le regole del forum.
Per facilitare le risposte e rendere note le tue conoscenze su questo argomento, dovresti indicare la strada che percorreresti per arrivare alla soluzione del tuo problema, indicando i punti a te poco chiari; per illustrare i vari passaggi matematici usa LATEX, al seguente link trovi una guida all' uso:
http://www.electroyou.it/mrc/wiki/intro ... o-di-latex
Inoltre ti suggerisco, per agevolare le spiegazioni, di disegnare ed allegare ad un post lo schema elettrico utilizzando fidocadj, ai seguenti link trovi delle guide all' uso:
http://www.electroyou.it/elettrodomus/w ... -per-tonni
http://www.electroyou.it/darwinne/wiki/fidocadj
Leggi le regole del forum.
0
voti
danyy ha scritto:sapete qualè la tensione di uscita di questo circuito e potete spiegrarmi i passaggi grazie.
A me pare che sia:
[...]
----------------------------------------------------
EDIT: come non detto! (avevo detto una cavolata!)
2
voti
Hai dimenticato di dare l'informazione più importante di tutte, per studiare quel circuito, che certamente non sfuggirà a chi è abituato a vedere le reti ad occhio, e cioè che

Dopodichè la rete è banale.
Se ancora non ci arrivi, fammi un fidocadj del circuito e io te lo modifico con equivalenti e tensioni.
Ciao,
Pietro.
PS: fai fisica? Gli ingegneri credo facciano cose più moderne

Dopodichè la rete è banale.
Se ancora non ci arrivi, fammi un fidocadj del circuito e io te lo modifico con equivalenti e tensioni.
Ciao,
Pietro.
PS: fai fisica? Gli ingegneri credo facciano cose più moderne
-

PietroBaima
90,7k 7 12 13 - G.Master EY

- Messaggi: 12206
- Iscritto il: 12 ago 2012, 1:20
- Località: Londra
1
voti
ciao comunque sono uno studente di ingegneria elettronica , ma per essere sinceri il dubbio sul circuito nasce dal risultato che il mio prof. di misure elettroniche ha scritto che secondo me è errato. Comunque per essere più sicuri ti mando il potenziometro in FidoCadJ
2
voti
Ti ringrazio, così non devo ridisegnarmelo da capo
Appena lo mandi ti spiego come funziona.
Ciao,
Pietro.
Appena lo mandi ti spiego come funziona.
Ciao,
Pietro.
-

PietroBaima
90,7k 7 12 13 - G.Master EY

- Messaggi: 12206
- Iscritto il: 12 ago 2012, 1:20
- Località: Londra
4
voti
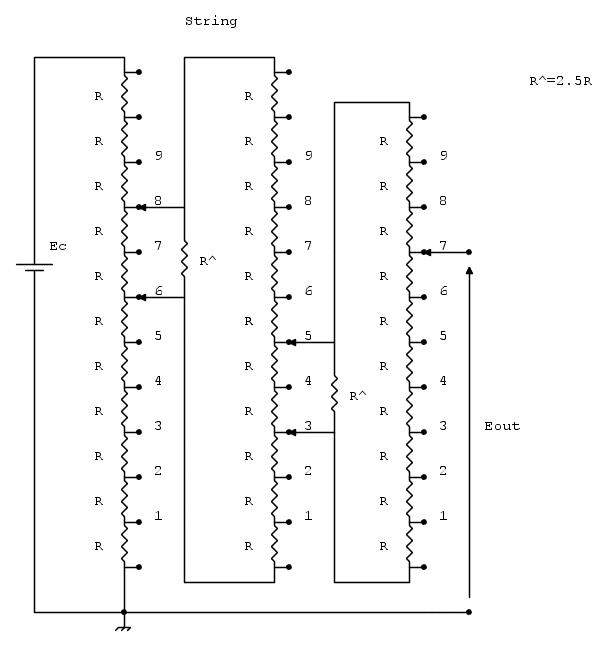
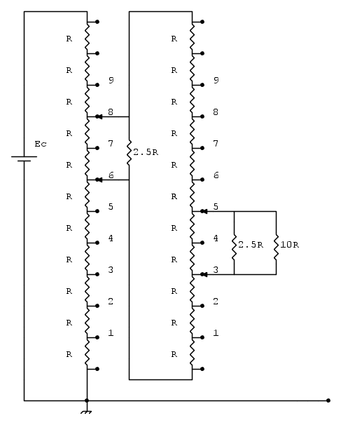
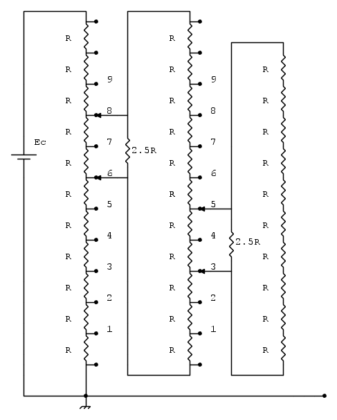
il circuito è questo: bisogna trovare la tensione di uscita Eout
0
voti
Mi sono permesso di darti un po' di punti, per il fidocadj disegnato.
Ti scrivo la risposta e torno tra una decina di minuti
stay tuned
Ti scrivo la risposta e torno tra una decina di minuti
stay tuned
-

PietroBaima
90,7k 7 12 13 - G.Master EY

- Messaggi: 12206
- Iscritto il: 12 ago 2012, 1:20
- Località: Londra
4
voti
Partiamo... dal fondo.
Le ipotesi per il buon funzionamento di questo potenziometro (o partitore multiplo) sono che l'uscita non venga caricata.
Modelliamo quindi il circuito a valle del potenziometro di kelvin varley come un circuito aperto.
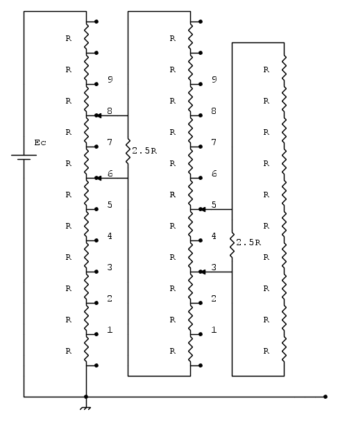
Le 10 resistenze dell'ultimo partitore sono quindi tutte in serie: le sostituisco con un'unica Req=10R
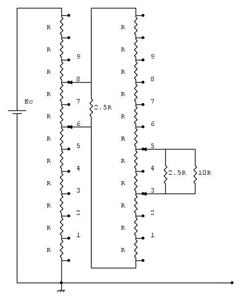
10R//2.5R=2R
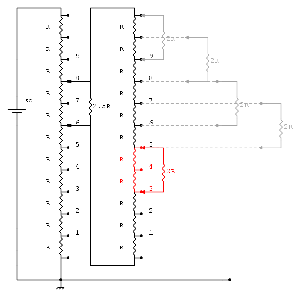
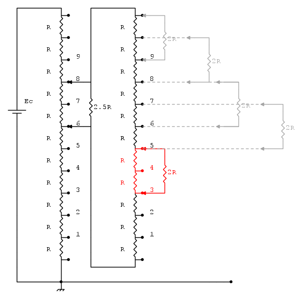
Ora, qualunque sia la posizione dei due cursori mobili accoppiati, si ha una resistenza equivalente di valore pari a 2R in parallelo ad due resistenze in serie di valore pari ad R ciascuna.
E' chiaro che l'equivalente del circuito evidenziato in rosso è nuovamente una resistenza equivalente pari ad R:
Le resistenze sono quindi nuovamente 10 tutte in serie fra loro, e il loro equivalente è nuovamente posto in parallelo ad una resistenza di valore pari a 2.5R e ad una resistenza di valore pari a 2R (formata dalle due resistenze in serie di valore R del partitore precedente).
Il circuito è quindi equivalente ad un partitore con 10 resistenze, tutte di valore R.
Se il cursore più in basso è nella posizione n (chiamiamola così, con n che va da 0 a 10 compresi) la tensione in quel punto è:

applicando la regola del partitore di tensione per resistenze.
La tensione sul morsetto successivo sarà quindi

Per cui, indipendentemente dalla posizione, il partitore successivo riceverà una tensione pari a

Adesso vediamo quanto vale la tensione V:
Sarà data dalla tensione presente nel punto n più la tensione presente tra punto n e punto m

che chiaramente vale:

Ora posso ripetere questo ragionamento tal quale per lo stadio successivo.
L'ultimo stadio avrà solamente 10 resistori e non 11.
In definitiva, avendo tre stadi, si ha che:

Il primo stadio stabilisce quindi la cifra delle decine, il secondo delle centinaia e il terzo delle migliaia.
Infatti questo circuito viene anche chiamato potenziometro decadico.
Se tu mettessi una tensione di ingresso pari a 10V, con i selettori impostati come da disegno originale, avresti in uscita 6.37V
Ciao,
Pietro.
Le ipotesi per il buon funzionamento di questo potenziometro (o partitore multiplo) sono che l'uscita non venga caricata.
Modelliamo quindi il circuito a valle del potenziometro di kelvin varley come un circuito aperto.
Le 10 resistenze dell'ultimo partitore sono quindi tutte in serie: le sostituisco con un'unica Req=10R
10R//2.5R=2R
Ora, qualunque sia la posizione dei due cursori mobili accoppiati, si ha una resistenza equivalente di valore pari a 2R in parallelo ad due resistenze in serie di valore pari ad R ciascuna.
E' chiaro che l'equivalente del circuito evidenziato in rosso è nuovamente una resistenza equivalente pari ad R:
Le resistenze sono quindi nuovamente 10 tutte in serie fra loro, e il loro equivalente è nuovamente posto in parallelo ad una resistenza di valore pari a 2.5R e ad una resistenza di valore pari a 2R (formata dalle due resistenze in serie di valore R del partitore precedente).
Il circuito è quindi equivalente ad un partitore con 10 resistenze, tutte di valore R.
Se il cursore più in basso è nella posizione n (chiamiamola così, con n che va da 0 a 10 compresi) la tensione in quel punto è:

applicando la regola del partitore di tensione per resistenze.
La tensione sul morsetto successivo sarà quindi

Per cui, indipendentemente dalla posizione, il partitore successivo riceverà una tensione pari a

Adesso vediamo quanto vale la tensione V:
Sarà data dalla tensione presente nel punto n più la tensione presente tra punto n e punto m

che chiaramente vale:

Ora posso ripetere questo ragionamento tal quale per lo stadio successivo.
L'ultimo stadio avrà solamente 10 resistori e non 11.
In definitiva, avendo tre stadi, si ha che:

Il primo stadio stabilisce quindi la cifra delle decine, il secondo delle centinaia e il terzo delle migliaia.
Infatti questo circuito viene anche chiamato potenziometro decadico.
Se tu mettessi una tensione di ingresso pari a 10V, con i selettori impostati come da disegno originale, avresti in uscita 6.37V
Ciao,
Pietro.
-

PietroBaima
90,7k 7 12 13 - G.Master EY

- Messaggi: 12206
- Iscritto il: 12 ago 2012, 1:20
- Località: Londra
0
voti
pertanto dal circuito originalmento che ti ho impostato verrebbe Eout=(6/10+3/100+7/1000)*Ec
17 messaggi
• Pagina 1 di 2 • 1, 2
Torna a Elettrotecnica generale
Chi c’è in linea
Visitano il forum: Nessuno e 110 ospiti

Elettrotecnica e non solo (admin)
Un gatto tra gli elettroni (IsidoroKZ)
Esperienza e simulazioni (g.schgor)
Moleskine di un idraulico (RenzoDF)
Il Blog di ElectroYou (webmaster)
Idee microcontrollate (TardoFreak)
PICcoli grandi PICMicro (Paolino)
Il blog elettrico di carloc (carloc)
DirtEYblooog (dirtydeeds)
Di tutto... un po' (jordan20)
AK47 (lillo)
Esperienze elettroniche (marco438)
Telecomunicazioni musicali (clavicordo)
Automazione ed Elettronica (gustavo)
Direttive per la sicurezza (ErnestoCappelletti)
EYnfo dall'Alaska (mir)
Apriamo il quadro! (attilio)
H7-25 (asdf)
Passione Elettrica (massimob)
Elettroni a spasso (guidob)
Bloguerra (guerra)




pigreco]=π





