Ciao ragazzi
A lezione abbiamo fatto l'analisi del dominio del tempo, non riesco però a capire come fare ed a capire il funzionamento generale.
Mi spiego meglio, la docente ha disegnato un circuito, ed ha spiegato come ottenere la varie tensioni o correnti ai vari istanti t<0t>0 t=0.
Non capisco come procedere però, intendo generalmente
Analisi nel dominio del tempo
Moderatori:
g.schgor,
IsidoroKZ
18 messaggi
• Pagina 1 di 2 • 1, 2
2
voti
Sai che cosa sono le variabili di stato? Che materia e` per quale corso di studi?
Non c'e` una situazione generale. Di solito quei problemi hanno un generatore a gradino che si attiva a t=0 oppure un interruttore che si apre o si chiude a t=0. Quanto segue non funziona se c'e` anche un generatore sinusoidale gia` attivo per tempi negativi.
In generale bisogna calcolare le tensioni e correnti per t=0- e poi come si evolvono a partire da t=0+ in avanti, fino a infinito.
Per trovare tensioni e correnti a t=0- supponendo di essere nelle condizioni di prima, si considerano generatori e interruttori nella condizione di t<0, e si calcola la rete in continua, considerando tutti i transitori esauriti, il che vuol dire che tutti i condensatori sono circuiti aperti e tutti gli induttori sono dei corticircuiti. Si trovanto tutte le tensioni e correnti che interessano, in particolare servono sempre tutte le tensioni sui condensatori e tutte le correnti negli induttori.
Per trovare le grandezze a t=0+ devi cambiare la posizione degli interrutti, le tensioni e correnti generate dai generatori dopo che si sono attivati, e tenere costanti le tensioni sui condensatori e le correnti negli induttori al valore che avevano a t=0-. In pratica per trovare tensioni e correnti a t=0+ (ammesso che servano) metti le condizioni giuste per interruttori e generatori e al posto dei condensatori metti una batteria con il valore che c'era a t=0-, e al posto degli induttori un generatore di corrente continua del valore di corrente che c'era nell'induttore a t=0-.
Da notare che non sempre e` necessario calcolare tutte le grandezze a t=0+, basta tirarsi dietro i valori che c'erano a t=0- per condensatori e induttori.
Poi si scrivono le equazioni differenziali e si risolvono.
Infine per verificare il comportamento a t->oo, si usano generatori e interruttori nella configurazione per t positivi, si aprono i condensatori e si cortocircuitano gli induttori: in pratica si fa lo stesso conto per t=0- ma questa volta con la configurazione per t positivi. Nota che se ci sono generatori non a gradino (sinusoidi, rampe...) le cose si complicano.
Non c'e` una situazione generale. Di solito quei problemi hanno un generatore a gradino che si attiva a t=0 oppure un interruttore che si apre o si chiude a t=0. Quanto segue non funziona se c'e` anche un generatore sinusoidale gia` attivo per tempi negativi.
In generale bisogna calcolare le tensioni e correnti per t=0- e poi come si evolvono a partire da t=0+ in avanti, fino a infinito.
Per trovare tensioni e correnti a t=0- supponendo di essere nelle condizioni di prima, si considerano generatori e interruttori nella condizione di t<0, e si calcola la rete in continua, considerando tutti i transitori esauriti, il che vuol dire che tutti i condensatori sono circuiti aperti e tutti gli induttori sono dei corticircuiti. Si trovanto tutte le tensioni e correnti che interessano, in particolare servono sempre tutte le tensioni sui condensatori e tutte le correnti negli induttori.
Per trovare le grandezze a t=0+ devi cambiare la posizione degli interrutti, le tensioni e correnti generate dai generatori dopo che si sono attivati, e tenere costanti le tensioni sui condensatori e le correnti negli induttori al valore che avevano a t=0-. In pratica per trovare tensioni e correnti a t=0+ (ammesso che servano) metti le condizioni giuste per interruttori e generatori e al posto dei condensatori metti una batteria con il valore che c'era a t=0-, e al posto degli induttori un generatore di corrente continua del valore di corrente che c'era nell'induttore a t=0-.
Da notare che non sempre e` necessario calcolare tutte le grandezze a t=0+, basta tirarsi dietro i valori che c'erano a t=0- per condensatori e induttori.
Poi si scrivono le equazioni differenziali e si risolvono.
Infine per verificare il comportamento a t->oo, si usano generatori e interruttori nella configurazione per t positivi, si aprono i condensatori e si cortocircuitano gli induttori: in pratica si fa lo stesso conto per t=0- ma questa volta con la configurazione per t positivi. Nota che se ci sono generatori non a gradino (sinusoidi, rampe...) le cose si complicano.
Per usare proficuamente un simulatore, bisogna sapere molta più elettronica di lui
Plug it in - it works better!
Il 555 sta all'elettronica come Arduino all'informatica! (entrambi loro malgrado)
Se volete risposte rispondete a tutte le mie domande
Plug it in - it works better!
Il 555 sta all'elettronica come Arduino all'informatica! (entrambi loro malgrado)
Se volete risposte rispondete a tutte le mie domande
0
voti
IsidoroKZ ha scritto:Sai che cosa sono le variabili di stato? Che materia e` per quale corso di studi?
nel condensatore è la tensione e nell'induttore è la corrente, giusto??
Studio per il corso di Elettrotecnica in ingegneria elettronica
Non c'e` una situazione generale. Di solito quei problemi hanno un generatore a gradino che si attiva a t=0 oppure un interruttore che si apre o si chiude a t=0. Quanto segue non funziona se c'e` anche un generatore sinusoidale gia` attivo per tempi negativi.
In generale bisogna calcolare le tensioni e correnti per t=0- e poi come si evolvono a partire da t=0+ in avanti, fino a infinito.
Per trovare tensioni e correnti a t=0- supponendo di essere nelle condizioni di prima, si considerano generatori e interruttori nella condizione di t<0, e si calcola la rete in continua, considerando tutti i transitori esauriti, il che vuol dire che tutti i condensatori sono circuiti aperti e tutti gli induttori sono dei corticircuiti. Si trovanto tutte le tensioni e correnti che interessano, in particolare servono sempre tutte le tensioni sui condensatori e tutte le correnti negli induttori.
quindi analizzo il sistema come se avessi un circuito aperto dove ho i condensatori??
In poche parole cortocircuito gli induttori e "apro" i condensatori?
Grazie della risposta, se posso mostrare un circuito basilare e passo passo lo analizzo , mi potresti dire se sto ragionando nel modo giusto?
-

Phabloshablo
10 2 - Messaggi: 16
- Iscritto il: 8 mar 2016, 19:52
0
voti
In condizioni di regime stazionario, tutti i transistori esauriti, i condensatori sono circuiti aperti e gli induttori corticircuiti. Questo vale sia per t=0- e per t->oo. Sempre se non ci sono generatori sinusoidali, rampe e variazioni varie.
Certamente puoi postare il tuo esempio e la tua soluzione. Per gli schemi usa fidocadj, qui e qui trovi come usarlo.
Certamente puoi postare il tuo esempio e la tua soluzione. Per gli schemi usa fidocadj, qui e qui trovi come usarlo.
Per usare proficuamente un simulatore, bisogna sapere molta più elettronica di lui
Plug it in - it works better!
Il 555 sta all'elettronica come Arduino all'informatica! (entrambi loro malgrado)
Se volete risposte rispondete a tutte le mie domande
Plug it in - it works better!
Il 555 sta all'elettronica come Arduino all'informatica! (entrambi loro malgrado)
Se volete risposte rispondete a tutte le mie domande
1
voti
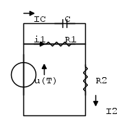
Questo è il circuito,
utilizzando il suo metodo dovrei, per trovare t<0, aprire il circuito dove c'è il condensatore, trovando cosi la relazione ingresso uscita a t<0. giusto?
-

Phabloshablo
10 2 - Messaggi: 16
- Iscritto il: 8 mar 2016, 19:52
0
voti
Giusto.
Ma quale è l'uscita? I1, I2, VR2 ? tutte?.
u(T) ?, U(t) é un gradino: U= 0 per t<0 ? e U =Vcostante per t>0 ?
Una volta il simbolo "T" era usato per la temperatura e il "t" per il tempo, ma penso sia ancora valido oggi.
a Isidoro
Ma quale è l'uscita? I1, I2, VR2 ? tutte?.
u(T) ?, U(t) é un gradino: U= 0 per t<0 ? e U =Vcostante per t>0 ?
Una volta il simbolo "T" era usato per la temperatura e il "t" per il tempo, ma penso sia ancora valido oggi.
a Isidoro0
voti
Come uscita voglio considerare la tensione sul condensatore.
Faccio un ragionamento.
Prima Dell accensione del circuito ovvero al tempo 0-
Il condensatore risulta scarico con tensione quindi pari a 0.
A tempo t alimento il circuito quindi la relazione ingresso uscita in Vc (tensione sul condensatore) sarà????
Faccio un ragionamento.
Prima Dell accensione del circuito ovvero al tempo 0-
Il condensatore risulta scarico con tensione quindi pari a 0.
A tempo t alimento il circuito quindi la relazione ingresso uscita in Vc (tensione sul condensatore) sarà????
-

Phabloshablo
10 2 - Messaggi: 16
- Iscritto il: 8 mar 2016, 19:52
0
voti
..sempre zero perché la tensione ai capi di un condensatore varia lentamente,
poi raggiungerà il valore finale uguale a quello del circuito con condensatore aperto (assente) .
poi raggiungerà il valore finale uguale a quello del circuito con condensatore aperto (assente) .
0
voti
posso pubblicare un altro circuito da analizzare "teoricamente" assieme=?
-

Phabloshablo
10 2 - Messaggi: 16
- Iscritto il: 8 mar 2016, 19:52
0
voti
Puoi pubblicare tutti i circuiti che vuoi, non devi preoccuparti nel farlo.
Magari prova a mettere direttamente un esercizio con dei veri valori, così si può ragionare su qualche cosa di concreto e non solo teorico.
Sto seguendo pure io con interesse la discussione

Magari prova a mettere direttamente un esercizio con dei veri valori, così si può ragionare su qualche cosa di concreto e non solo teorico.
Sto seguendo pure io con interesse la discussione

Il futuro appartiene a coloro che credono nella bellezza dei propri sogni.
Formule LaTeX
Uso di LaTeX sul forum
⋮ƎlectroYou
Formule LaTeX
Uso di LaTeX sul forum
⋮ƎlectroYou
18 messaggi
• Pagina 1 di 2 • 1, 2
Torna a Elettrotecnica generale
Chi c’è in linea
Visitano il forum: Nessuno e 19 ospiti

Elettrotecnica e non solo (admin)
Un gatto tra gli elettroni (IsidoroKZ)
Esperienza e simulazioni (g.schgor)
Moleskine di un idraulico (RenzoDF)
Il Blog di ElectroYou (webmaster)
Idee microcontrollate (TardoFreak)
PICcoli grandi PICMicro (Paolino)
Il blog elettrico di carloc (carloc)
DirtEYblooog (dirtydeeds)
Di tutto... un po' (jordan20)
AK47 (lillo)
Esperienze elettroniche (marco438)
Telecomunicazioni musicali (clavicordo)
Automazione ed Elettronica (gustavo)
Direttive per la sicurezza (ErnestoCappelletti)
EYnfo dall'Alaska (mir)
Apriamo il quadro! (attilio)
H7-25 (asdf)
Passione Elettrica (massimob)
Elettroni a spasso (guidob)
Bloguerra (guerra)





