Cos'è ElectroYou | Login Iscriviti

ElectroYou - la comunità dei professionisti del mondo elettrico

Perché questo LED si illumina?

Elettronica lineare e digitale: didattica ed applicazioni

Moderatori: Foto Utentecarloc, Foto Utenteg.schgor, Foto UtenteBrunoValente, Foto UtenteIsidoroKZ

0
voti

[1] Perché questo LED si illumina?

Messaggioda Foto Utentequartostato » 7 ott 2017, 23:36

Ciao a tutti,

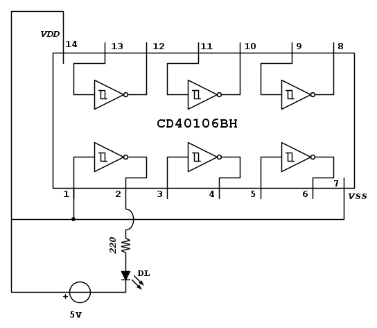
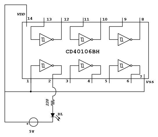
volevo iniziare a fare qualche circuito semplice con il trigger Schmitt (CD40106BCN) e ho quindi voluto inizialmente verificare che se in ingresso ho corrente, in uscita non devo averne. Ho quindi messo in uscita una resistenza e un LED in serie, ma contrariamente a quello che mi aspettavo il LED si accende. Perché?

Questo è il circuito, alimentato con tensione continua da 5V:

EDIT: Scusate ho trovato un errore! Il filo verde non andava a terra ma di nuovo alla corrente :roll: E infatti il LED adesso è spento. Ora vorrei mandare in loop accensione e spegnimento mettendo un condensatore parallelo alla resistenza, se non riesco mi faccio risentire :-P

led trigger di schmitt.jpg
Ultima modifica di Foto Utentequartostato il 7 ott 2017, 23:51, modificato 1 volta in totale.
Avatar utente
Foto Utentequartostato
13 3
pacifista
 
Messaggi: 42
Iscritto il: 31 mag 2010, 10:35

1
voti

[2] Re: Perché questo LED si illumina?

Messaggioda Foto UtentePietroBaima » 7 ott 2017, 23:51

AH, adesso arriveranno tipi strani a dirte cose strane, del tipo "se non metti uno schema elettrico possiamo solo fare ipotesi" oppure "dipende da come hai collegato il LED" oppure "non riesco a a capire come hai collegato cosa".

Non preoccuparti, sono solo dei brontoloni...
Generatore codice per articoli:
nomi
Sul forum:
[pigreco]=π
[ohm]=Ω
[quadrato]=²
[cubo]=³
Avatar utente
Foto UtentePietroBaima
90,7k 7 12 13
G.Master EY
G.Master EY
 
Messaggi: 12206
Iscritto il: 12 ago 2012, 1:20
Località: Londra

0
voti

[3] Re: Perché questo LED si illumina?

Messaggioda Foto Utentequartostato » 7 ott 2017, 23:53

Ahaha ok Pietro, posso capirlo! Hai qualche suggerimento su strumenti semplici per disegnare gli schemi?
Ultima modifica di Foto Utentewall87 il 8 ott 2017, 11:57, modificato 1 volta in totale.
Motivazione: Rimossa citazione integrale inutile del messaggio precedente. Usa il tasto rispondi per rispondere normalmente.
Avatar utente
Foto Utentequartostato
13 3
pacifista
 
Messaggi: 42
Iscritto il: 31 mag 2010, 10:35

1
voti

[4] Re: Perché questo LED si illumina?

Messaggioda Foto UtentePietroBaima » 8 ott 2017, 0:01

:D

Qui usiamo FidoCadJ. Puoi scaricartelo da GitHub da questa pagina. Vedrai che è molto intuitivo.

Quando hai fatto lo schema selezionalo con CTRL+A e mentre scrivi la tua risposta incollalo fra i tag

Codice: Seleziona tutto
[fcd][/fcd]


(bottone fcd che trovi in alto)

Vedrai che ti piace :mrgreen:

PS: mi sembra di vedere che l'integrato è alimentato da una sola connessione, sbaglio?)
Generatore codice per articoli:
nomi
Sul forum:
[pigreco]=π
[ohm]=Ω
[quadrato]=²
[cubo]=³
Avatar utente
Foto UtentePietroBaima
90,7k 7 12 13
G.Master EY
G.Master EY
 
Messaggi: 12206
Iscritto il: 12 ago 2012, 1:20
Località: Londra

0
voti

[5] Re: Perché questo LED si illumina?

Messaggioda Foto Utentequartostato » 8 ott 2017, 0:07

Ah fantastico, grazie lo scarico subito.

Sì l'integrato è alimentato sul primo pin in alto a sinistra, come da schema http://pdf1.alldatasheet.com/datasheet- ... 06BCN.html
Avatar utente
Foto Utentequartostato
13 3
pacifista
 
Messaggi: 42
Iscritto il: 31 mag 2010, 10:35

1
voti

[6] Re: Perché questo LED si illumina?

Messaggioda Foto UtentePietroBaima » 8 ott 2017, 0:09

quartostato ha scritto:Sì l'integrato è alimentato sul primo pin in alto a sinistra, come da schema http://pdf1.alldatasheet.com/datasheet- ... 06BCN.html


Mi sembra però che filo nero e filo verde siano in corto, se ho visto bene.
Generatore codice per articoli:
nomi
Sul forum:
[pigreco]=π
[ohm]=Ω
[quadrato]=²
[cubo]=³
Avatar utente
Foto UtentePietroBaima
90,7k 7 12 13
G.Master EY
G.Master EY
 
Messaggi: 12206
Iscritto il: 12 ago 2012, 1:20
Località: Londra

0
voti

[7] Re: Perché questo LED si illumina?

Messaggioda Foto Utentequartostato » 8 ott 2017, 0:11

Esatto! Infatti ho modificato il post, mi sono accorto dell'errore e il LED infatti ora non si accende più. L'idea era di inserire adesso un condensatore per accendere e spegnere il LED in loop.
Avatar utente
Foto Utentequartostato
13 3
pacifista
 
Messaggi: 42
Iscritto il: 31 mag 2010, 10:35

0
voti

[8] Re: Perché questo LED si illumina?

Messaggioda Foto UtentePietroBaima » 8 ott 2017, 0:12

Ah ok, ottimo!
Cosa vuol dire "accendere il LED in loop"?
Generatore codice per articoli:
nomi
Sul forum:
[pigreco]=π
[ohm]=Ω
[quadrato]=²
[cubo]=³
Avatar utente
Foto UtentePietroBaima
90,7k 7 12 13
G.Master EY
G.Master EY
 
Messaggi: 12206
Iscritto il: 12 ago 2012, 1:20
Località: Londra

3
voti

[9] Re: Perché questo LED si illumina?

Messaggioda Foto Utentemir » 8 ott 2017, 0:18

PietroBaima ha scritto:adesso arriveranno tipi strani...

eccomi ... :mrgreen:
dalla prima immagine ... by FidocadJ

I circuiti sono controcorrente. Seguono sempre la massa

-Per rispondere utilizza il tasto [RISPONDI] e non il tasto [CITA], grazie.-
Avatar utente
Foto Utentemir
66,0k 9 12 13
G.Master EY
G.Master EY
 
Messaggi: 21870
Iscritto il: 19 ago 2004, 21:10

0
voti

[10] Re: Perché questo LED si illumina?

Messaggioda Foto Utentequartostato » 8 ott 2017, 0:21

Perdonami la terminologia :roll:

Vorrei rendere intermittente il LED utilizzando i tempi di scarica del condensatore. Quando il condensatore è carico mi dovrebbe togliere corrente all'invertitore il quale a questo punto manda corrente al LED che si accende. Quando il condensatore è scarico apre il circuito e toglie corrente all'invertitore che quindi chiude la corrente al LED che si spegnerà. Il condensatore resta senza corrente e scarica e così all'infinito (loop).
Avatar utente
Foto Utentequartostato
13 3
pacifista
 
Messaggi: 42
Iscritto il: 31 mag 2010, 10:35

Prossimo

Torna a Elettronica generale

Chi c’è in linea

Visitano il forum: Nessuno e 35 ospiti