Salve a tutti del Forum.
Ho un problema di collegamento di due amperometri digitali su un alimentatore con uscita doppia
Positivo massa Negativo.
Con la singola alimentazione OK, se tengo svincolati da massa i due rami funzionano tutte e due, ma se necessita la massa in comune, Non è possibile il collegamento.
Come risolvere il problema. Stranamente in Joutube ci sono tutorial di collegamento solo per singola tensione. Sono io che non li collego in modo giusto?
Grazie per l'aiuto
eros
Problema collegamento Amperometri digitali
Moderatori:
carloc,
g.schgor,
BrunoValente,
IsidoroKZ
17 messaggi
• Pagina 1 di 2 • 1, 2
0
voti
0
voti
no, altrimenti non chiedevo.
Però a tensione singola " si ". Basta shiftare la massa al posto del più e il negativo usarlo come massa.
Il problema sta quando li unisci per la doppia alimentazione con massa centrale.
Strano che chi ha realizzato questi strumenti non ci ha pensato.
Oppure non sono al corrente di come collegarli per questo lavoro.
Sono i normalissimi amperometri a digitale singolo o con Voltmetro.
Però a tensione singola " si ". Basta shiftare la massa al posto del più e il negativo usarlo come massa.
Il problema sta quando li unisci per la doppia alimentazione con massa centrale.
Strano che chi ha realizzato questi strumenti non ci ha pensato.
Oppure non sono al corrente di come collegarli per questo lavoro.
Sono i normalissimi amperometri a digitale singolo o con Voltmetro.
0
voti
eros ha scritto:Ho un problema di collegamento di due amperometri digitali su un alimentatore con uscita doppia
Positivo massa Negativo.
Puoi postare lo schema di collegamento che hai utilizzato nel collegare i due amperometri ad i rispettivi circuiti utilizzando l'alimentatore che hai citato ?
Per postare lo schema puoi utilizzare FidocaJ, in modo da consentire/agevolare eventuali interventi sullo schema per chi interverrà, postando poi il disegno attraverso i tag [fcd] come meglio qui spiegato.
I circuiti sono controcorrente. Seguono sempre la massa
-Per rispondere utilizza il tasto [RISPONDI] e non il tasto [CITA], grazie.-
-Per rispondere utilizza il tasto [RISPONDI] e non il tasto [CITA], grazie.-
0
voti
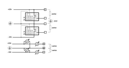
E' materiale cinese istruzioni non ne allegano, le si trovano, alcune volte anche errate, in Youtube.
Comunque allego il disegno di cosa voglio fare anche se è estremamente semplice. Uno è con il sistema analogico, come si faceva prima, l 'altro con strumenti digitali. Come lo vorrei fare.
Il problema è la massa che non si combina. Anche se metto solo uno strumento, il problema rimane.
Scusate, non ho usato Fidocaj perché non è testabile se non con lo strumento.
Grazie
eros
Comunque allego il disegno di cosa voglio fare anche se è estremamente semplice. Uno è con il sistema analogico, come si faceva prima, l 'altro con strumenti digitali. Come lo vorrei fare.
Il problema è la massa che non si combina. Anche se metto solo uno strumento, il problema rimane.
Scusate, non ho usato Fidocaj perché non è testabile se non con lo strumento.
Grazie
eros
0
voti
Se non dedichi un minimo di tempo per postare uno schema fidocad come puoi pensare che noi dedichiamo il nostro per darti una soluzione.
Saluti
Saluti
MCSA Windows Server 2012 R2
Cisco CCNA R&S - Cisco CCNA Security - Cisco CCNA Cyber Ops
CompTia A+ - CompTia Linux+ - CompTIA Systems Support Specialist CSSS
CompTia Pentest+ LPIC-1 - VCP VMware - Cisco CCNP Enterprise
Cisco CCNA R&S - Cisco CCNA Security - Cisco CCNA Cyber Ops
CompTia A+ - CompTia Linux+ - CompTIA Systems Support Specialist CSSS
CompTia Pentest+ LPIC-1 - VCP VMware - Cisco CCNP Enterprise
0
voti
eros ha scritto:Scusate, non ho usato Fidocaj perché non è testabile se non con lo strumento.
FidocadJ l'avevo indicato per rappresentare lo schema di collegamento che vuoi realizzare, non per testare il circuito, anch eperchè FidocadJ è un semplice e comodo software di disegno e non un simulatore.Comunque tornando all'alimentatore, dalle immagini che hai postato se non erro rappresentano un alimentatore con uscita : +12 V, -12 V e la connessione di terra in comune con il negativo .. ed è questo il tuo alimentatore ?
I circuiti sono controcorrente. Seguono sempre la massa
-Per rispondere utilizza il tasto [RISPONDI] e non il tasto [CITA], grazie.-
-Per rispondere utilizza il tasto [RISPONDI] e non il tasto [CITA], grazie.-
0
voti
Si è come dici, mir
Ho allegato anche l'immagine dello schema e altro, spero che si vedono.
Grazie della risposta.
eros
Ho allegato anche l'immagine dello schema e altro, spero che si vedono.
Grazie della risposta.
eros
17 messaggi
• Pagina 1 di 2 • 1, 2
Chi c’è in linea
Visitano il forum: Google Adsense [Bot] e 210 ospiti

Elettrotecnica e non solo (admin)
Un gatto tra gli elettroni (IsidoroKZ)
Esperienza e simulazioni (g.schgor)
Moleskine di un idraulico (RenzoDF)
Il Blog di ElectroYou (webmaster)
Idee microcontrollate (TardoFreak)
PICcoli grandi PICMicro (Paolino)
Il blog elettrico di carloc (carloc)
DirtEYblooog (dirtydeeds)
Di tutto... un po' (jordan20)
AK47 (lillo)
Esperienze elettroniche (marco438)
Telecomunicazioni musicali (clavicordo)
Automazione ed Elettronica (gustavo)
Direttive per la sicurezza (ErnestoCappelletti)
EYnfo dall'Alaska (mir)
Apriamo il quadro! (attilio)
H7-25 (asdf)
Passione Elettrica (massimob)
Elettroni a spasso (guidob)
Bloguerra (guerra)




