Automatizzare pompa trifase riempimento cisterna
Moderatori:
dimaios,
carlomariamanenti
0
voti
il modulo della Lovato mi era sfuggito, pensavo volevate utilizzare la tensione di rete per alimentare i comandi, pertanto come non detto. I circuiti sono controcorrente. Seguono sempre la massa
-Per rispondere utilizza il tasto [RISPONDI] e non il tasto [CITA], grazie.-
-Per rispondere utilizza il tasto [RISPONDI] e non il tasto [CITA], grazie.-
1
voti
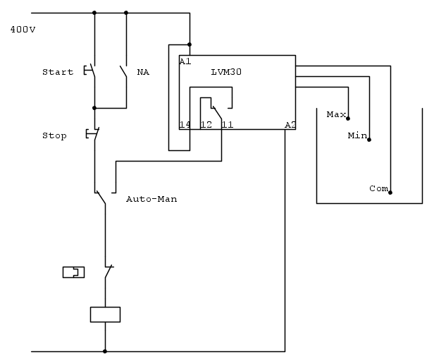
Potrebbe essere una cosa del genere, tutto quello che esce dal quadro è a tensione SELV ad opera del modulo di comando.
0
voti
Ottimo JAndrea, comincio a capire meglio sul da farsi.
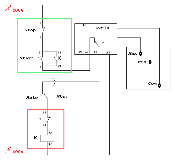
Una cosa, dallo schema da te postato, hai collegato in A2 la 400V, anche se in realtà in base al tuo messaggio n°22 mi parlavi di lasciarlo staccato e collegare la 440V su A1 e A3.
Dico bene?
Altra cosa, cosa vuol dire tensione Selv?
Una cosa, dallo schema da te postato, hai collegato in A2 la 400V, anche se in realtà in base al tuo messaggio n°22 mi parlavi di lasciarlo staccato e collegare la 440V su A1 e A3.
Dico bene?
Altra cosa, cosa vuol dire tensione Selv?
-

fotocellula
25 3 - New entry

- Messaggi: 70
- Iscritto il: 4 lug 2015, 16:13
0
voti
..
..
.. A1 = 400 V, A2 = 0V 
..
..fotocellula ha scritto:e collegare la 440V su A1 e A3.
.. A1 = 400 V, A2 = 0V I circuiti sono controcorrente. Seguono sempre la massa
-Per rispondere utilizza il tasto [RISPONDI] e non il tasto [CITA], grazie.-
-Per rispondere utilizza il tasto [RISPONDI] e non il tasto [CITA], grazie.-
0
voti
JAndrea ha scritto:A1 e A3 ti serviranno per l'alimentazione a 400V A2 resterà scollegato.
Ogni sonda ha un solo conduttore.
11 e 14 serviranno per comandare il contattore che già hai, ponendo nel mezzo il commutatore di scambio auto-man ed il relè termico.
Quando ne avrai occasione sistema le connessioni ai morsetti di alimentazione e uscita, il conduttore è spelato troppo a lungo….
Visto che il cavo è multipolare, potresti inserire due pressacavi per fermarlo, anziché lasciare le anime esposte
Io mi riferivo a quanto detto sopra, ma se mi dici di collegare A1 e A2 ok.

-

fotocellula
25 3 - New entry

- Messaggi: 70
- Iscritto il: 4 lug 2015, 16:13
0
voti
I circuiti sono controcorrente. Seguono sempre la massa
-Per rispondere utilizza il tasto [RISPONDI] e non il tasto [CITA], grazie.-
-Per rispondere utilizza il tasto [RISPONDI] e non il tasto [CITA], grazie.-
0
voti
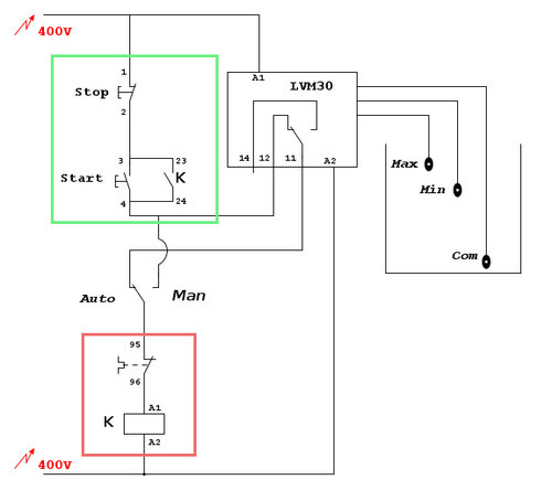
Dallo schema che mi avete postato ho cerchiato 2 parti, in verde il contattore e in rosso il relè termico è corretto?
-

fotocellula
25 3 - New entry

- Messaggi: 70
- Iscritto il: 4 lug 2015, 16:13
Torna a Automazione industriale ed azionamenti
Chi c’è in linea
Visitano il forum: Nessuno e 21 ospiti

Elettrotecnica e non solo (admin)
Un gatto tra gli elettroni (IsidoroKZ)
Esperienza e simulazioni (g.schgor)
Moleskine di un idraulico (RenzoDF)
Il Blog di ElectroYou (webmaster)
Idee microcontrollate (TardoFreak)
PICcoli grandi PICMicro (Paolino)
Il blog elettrico di carloc (carloc)
DirtEYblooog (dirtydeeds)
Di tutto... un po' (jordan20)
AK47 (lillo)
Esperienze elettroniche (marco438)
Telecomunicazioni musicali (clavicordo)
Automazione ed Elettronica (gustavo)
Direttive per la sicurezza (ErnestoCappelletti)
EYnfo dall'Alaska (mir)
Apriamo il quadro! (attilio)
H7-25 (asdf)
Passione Elettrica (massimob)
Elettroni a spasso (guidob)
Bloguerra (guerra)






