Buon giorno
ho per le mani un faretto fotovoltaico, da quando è arrivato non ha mai funzionato.
Ora lo stavo guardando l'ho aperto e messo al sole per vedere se caricava la batteria.
La batteria si sta ricaricando è arrivata a 2,8 volt +/-
Quando gli do limput di accensione i led si accendono e si spengono subito.
Ho pensato potesse dipendere perche ha il crepuscolare cosi ho oscurato il sensore ma non cambia nulla.
Chiedo? c'è la possibilità eventualmente di rifare la schedina?
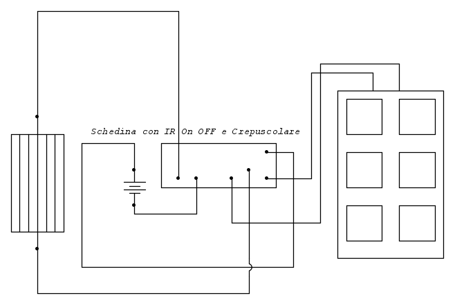
Allego schema alla buona di come è composto il circuito.
Immagine della Schedina
Faretto cinese con pann. solare
8 messaggi
• Pagina 1 di 1
0
voti
Quei "cosi" spesso sono fatti "con i piedi" (non posso scrivere in un forum pubblico con cosa in realta' sono fatti
) ... molto spesso il pannello solare non e' in grado di ricaricare a batteria (se e' una LiPo, 2.8V significa scarica, il minimo sarebbe 3.7V), per cui anche il circuito non funziona una volta che si e' scaricata.
Il sensore nell'immagine al centro e' un PIR, non un crepuscolare, e l'altro e' il ricevitore per un telecomando IR ... spesso come crepuscolare quei "cosi" usano la tensione di uscita del pannello.
Hai un link a marca e modello ?
Il sensore nell'immagine al centro e' un PIR, non un crepuscolare, e l'altro e' il ricevitore per un telecomando IR ... spesso come crepuscolare quei "cosi" usano la tensione di uscita del pannello.
Hai un link a marca e modello ?
"Sopravvivere" e' attualmente l'unico lusso che la maggior parte dei Cittadini italiani,
sia pure a costo di enormi sacrifici, riesce ancora a permettersi.
sia pure a costo di enormi sacrifici, riesce ancora a permettersi.
-

Etemenanki
9.522 3 6 10 - Master

- Messaggi: 5945
- Iscritto il: 2 apr 2021, 23:42
- Località: Dalle parti di un grande lago ... :)
0
voti
Buongiorno,
prova a sostituire la batteria con una nuova carica, così verifichi se il difetto è nella batteria o nel circuito, se non hai la batteria utilizza un alimentatore settato alla tensione nominale della batteria.
prova a sostituire la batteria con una nuova carica, così verifichi se il difetto è nella batteria o nel circuito, se non hai la batteria utilizza un alimentatore settato alla tensione nominale della batteria.
I circuiti sono controcorrente. Seguono sempre la massa
-Per rispondere utilizza il tasto [RISPONDI] e non il tasto [CITA], grazie.-
-Per rispondere utilizza il tasto [RISPONDI] e non il tasto [CITA], grazie.-
0
voti
illuminor ha scritto:La batteria si sta ricaricando è arrivata a 2,8 volt +/-
La tensione è ancora troppo bassa perché l'aggeggio funzioni correttamente.
c'è la possibilità eventualmente di rifare la schedina?
A mio avviso il problema è la batteria. Ho comprato un affare simile a 3 euro su aliexpress, sostituire la sola batteria 18650 costerebbe di più.
Se hai un alimentatore regolabile, ricarica la batteria (sperando non si sia danneggiata per la scarica eccessiva) fino a raggiungere almeno 3,7 V, probabilmente tornerà a funzionare
0
voti
Salve Edgar,
il faretto ha ripreso funzionare, probabilmente se non sicuramente è come lo hai spiegato tè.
In pratica ho solo messo il faretto al sole e dopo avere probabilmente ricaricato la batteria a 3.7 volt circa ho notato che i led rimanevano accesi e tutt ora vedo che rimangono accesi.
Evidentemente da nuovo hanno la batteria ha bisogno di una forte ricarica, per rimanere stabile.
A questo punto non capisco perche un secondo faretto installato al sole non funzioni nonostante sia sotto al sole.
Proverò tirarlo giù aprirlo e controllare se carica la batteria.
il faretto ha ripreso funzionare, probabilmente se non sicuramente è come lo hai spiegato tè.
In pratica ho solo messo il faretto al sole e dopo avere probabilmente ricaricato la batteria a 3.7 volt circa ho notato che i led rimanevano accesi e tutt ora vedo che rimangono accesi.
Evidentemente da nuovo hanno la batteria ha bisogno di una forte ricarica, per rimanere stabile.
A questo punto non capisco perche un secondo faretto installato al sole non funzioni nonostante sia sotto al sole.
Proverò tirarlo giù aprirlo e controllare se carica la batteria.
0
voti
Purtroppo le litio, incluse le lipo, se scendono sotto i 2.4V per cella circa e ci stanno per un po, perdono capacita' compessiva, e piu la tensione e' bassa e peggio e'.
"Sopravvivere" e' attualmente l'unico lusso che la maggior parte dei Cittadini italiani,
sia pure a costo di enormi sacrifici, riesce ancora a permettersi.
sia pure a costo di enormi sacrifici, riesce ancora a permettersi.
-

Etemenanki
9.522 3 6 10 - Master

- Messaggi: 5945
- Iscritto il: 2 apr 2021, 23:42
- Località: Dalle parti di un grande lago ... :)
0
voti
Il problema di questi faretti solari con batteria è che spesso per molto tempo rimangono inutilizzati sugli scaffali dei magazzini e la batteria si scarica. Inoltre, se installati all'esterno, soffrono gli sbalzi di temperatura (in particolare il freddo, che ne limitano fortemente la durata di vita (della batteria).
saluti
saluti
8 messaggi
• Pagina 1 di 1
Torna a Costruzione, riparazione, riutilizzo
Chi c’è in linea
Visitano il forum: Nessuno e 19 ospiti

Elettrotecnica e non solo (admin)
Un gatto tra gli elettroni (IsidoroKZ)
Esperienza e simulazioni (g.schgor)
Moleskine di un idraulico (RenzoDF)
Il Blog di ElectroYou (webmaster)
Idee microcontrollate (TardoFreak)
PICcoli grandi PICMicro (Paolino)
Il blog elettrico di carloc (carloc)
DirtEYblooog (dirtydeeds)
Di tutto... un po' (jordan20)
AK47 (lillo)
Esperienze elettroniche (marco438)
Telecomunicazioni musicali (clavicordo)
Automazione ed Elettronica (gustavo)
Direttive per la sicurezza (ErnestoCappelletti)
EYnfo dall'Alaska (mir)
Apriamo il quadro! (attilio)
H7-25 (asdf)
Passione Elettrica (massimob)
Elettroni a spasso (guidob)
Bloguerra (guerra)





