L'argomento dei pannelli solari è ricorrente nel Forum, ma risulta che gran parte degli utilizzatori ne ignora le caratteristiche.
L'opinione diffusa è che basti 'esporre' alla luce solare il pannello per ottenere la tensione indicata dal venditore...
Ma non è così. La tensione generata da un pannello dipende dagli angoli di incidenza (orizzontale e verticale) dei raggi solari e dal 'carico' che questo alimenta.
Anni fa è stata fatta in questo Forum una ricerca sperimentale ([1]
[2]
[3]) di un modello matematico del pannello FV (ma non mi risulta abbia avuto applicazioni).
Date le possibilità offerte dal simulatore Microcap, propongo ora un modello di facile utilizzo che permette di prevedere tensione e corrente generate in specifiche condizioni.
Indice |
Modello Microcap
Il programma di simulazione Microcap mette a disposizione generatori dipendenti con caratteristica definibile a punti. In particolare si utilizza un generatore di tensione dipendente da una serie di valori di corrente che riproduce l'andamento di un pannello FV (Component/Analog Primitives/Functions Sources/NTVofI).
Considerando ad esempio un pannello da 24Wp a 17V, la caratteristica tensione/corrente è:
In ascissa la tensione d'uscita (V) del pannello, traccia rossa la corrente (A) e quella blu la potenza generata (x10W). Come si vede, la massima potenza è ottenuta con tensione fra 16 e 18V.
Dovrebbe essere evidente che con un montaggio fisso, non si ottiene mai in pratica il funzionamento massimo, quindi bisogna tener conto dell'effettiva percentuale di irraggiamento ricevuta dal pannello.
Con un generatore di corrente dipendente (Component/Analog Primitives/Depended Sources/IofI) in aggiunta a quello di tensione prima citato, è possibile tener conto di questa percentuale- Ecco la struttura del modello:
La corrente uscente da VoltGen passa nel sensore di corrente di CurrGen che a sua volta agisce sul sensore di corrente di VoltGen.
Il coefficiente di dipendenza di CurrGen è
e il risultato è questo:
Applicazione a carico fisso
Supponiamo di alimentare col pannello un carico fisso (ad es. un ventilatore da 12V 1A, che funzioni solo per diminuire l'effetto riscaldante del sole). Per sapere quali saranno le condizioni di funzionamento, basta inserire la resistenza equivalente all'uscita del modello
e stabilire che percentuale di irraggiamento supponiamo.
Nel caso in esame il carico è 12Ω e risulta in funzionamento nominale, 12V 1A, con il 67% di irraggiamento, quindi un funzionamento regolare fra il 50 e l'80% di irraggiamento. Se c'è probabilità di superamento dell'80%, meglio prevedere un diodo (o più) in serie al carico, per diminuirne la tensione.
Carica di una batteria
E' l'utilizzo più diffuso per piccoli pannelli, spesso senza alcuna verifica tecnica di compatibilità.
Alimentare una batteria direttamente dal pannello (pur con un diodo di blocco in serie) è sconsigliabile poiché una volta carica, la batteria potrebbe essere sottoposta a sovratensioni.
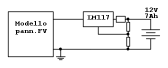
Per batterie con correnti di carica inferiori a 1A, semplici integrati come LM117, sono sufficienti a risolvere il problema e una verifica con il modello può confermarlo.
L'LM117 svolge dunque due funzioni: limita la tensione applicata alla batteria anche se quella del pannello va oltre i limiti ammessi e limita inoltre la corrente di carica.
Il simulatore mostra infatti nel caso specifico che senza limitazione, con irraggiamenti superiori al 70% si supererebbe 1A, cioè il valore massimo consigliato per quel tipo di batteria.
Conclusioni
Il modello assume che la tensione a vuoto del pannello sia costante al variare dell'irraggiamento. In realtà questa diminuisce ai bassi valori di irraggiamento ma riguardando la zona di basse potenze può essere in pratica trascurata.
Vantaggio del modello è quello di poter essere ricavato sperimentalmente misurando direttamente i valori che definiscono la curva corrente-tensione e rapportandoli ai valori nominali.
Nell'utilizzo del modello, ci può essere difficoltà a stabilire la % di irraggiamento da considerare (che dipende in gran parte dalla posizione del pannello rispetto ai raggi solari). Nel caso di pannello installato, può essere misurata la corrente massima di cortocircuito rapportandola al valore nominale dichiarato dal fornitore (se p.es. se si misura una corrente massima di cortocircuito di 1.35A su un pannello con corrente dichiarata di 1.65A, l'irraggiamento effettivo sarà l'82%).
Per eventuali ulteriori chiarimenti sulla struttura e sull'applicazione del modello, consiglio l'utilizzo del Forum.

Elettrotecnica e non solo (admin)
Un gatto tra gli elettroni (IsidoroKZ)
Esperienza e simulazioni (g.schgor)
Moleskine di un idraulico (RenzoDF)
Il Blog di ElectroYou (webmaster)
Idee microcontrollate (TardoFreak)
PICcoli grandi PICMicro (Paolino)
Il blog elettrico di carloc (carloc)
DirtEYblooog (dirtydeeds)
Di tutto... un po' (jordan20)
AK47 (lillo)
Esperienze elettroniche (marco438)
Telecomunicazioni musicali (clavicordo)
Automazione ed Elettronica (gustavo)
Direttive per la sicurezza (ErnestoCappelletti)
EYnfo dall'Alaska (mir)
Apriamo il quadro! (attilio)
H7-25 (asdf)
Passione Elettrica (massimob)
Elettroni a spasso (guidob)
Bloguerra (guerra)

