Indice |
Sommario
Un semplice esperimento con questo DAC comandato tramite un ATMEGA328
TLC7528
|
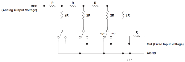
Il TLC7528 è un doppio DAC parallelo ad 8 bit di tipo R-2R invertita, CMOS compatibile, con 2 latch interni, facilmente interfacciabile con microprocessori e microcontroller. Tutto quello di cui ha bisogno oltre al bus dati di 8 bit, sono 3 segnali:
|
|
A pagina 2 il datasheet descrive la sequenza di operazioni che è molto semplice:
|
Quando
e
tornano alti il dato viene trasferito al latch e viene generato il livello di tensione in uscita.
I tempi minimi per le trasizioni di questi segnali sono dell'ordina di 50-60 nanosecondi, il micro utilizzato che lavora a 16 MHz è molto più lento del DAC quindi si possono tranquillamente omettere i vari delayMicroseconds().
Il datasheet ne descrive varie modalità di funzionamento tra cui moltiplicatore e filtro programmabile, in questo articolo descriverò una prova fatta con la modalità Voltage-Mode Operation descritto a pagina 14, ovvero la semplice conversione da digitale ad analogico. In questa modalità operativa, viene collagata la tensione di riferimento ai pin OUT ed RFB ed il valore analogico convertito dalla rete R-2R viene prelevato sul pin REF.
La conversione del dato digitale avviene secondo la formula:
Dove:
- Vo è il valore analogico convertito, presente sul pin REF
- Vo è la tensione di riferimento applicata al pin OUT
- D è il valore del dato digitale
Schema elettrico
Questo è lo schema elettrico che ho utilizzato:
Software
E questo il listato compilato con Arduino UNO:
void dac_cs( bool stato ) {
if (stato) {
PORTB = PORTB | B00000001;
} else {
PORTB = PORTB & B11111110;
}
}
void dac_wr( bool stato ) {
if (stato) {
PORTB = PORTB | B00000010;
} else {
PORTB = PORTB & B11111101;
}
}
void dac_ch( bool stato ) {
// 0 -> DACA
// 1 -> DACB
if (stato) {
PORTB = PORTB | B00000100;
} else {
PORTB = PORTB & B11111011;
}
}
void setup() {
// PORTD Bus Dati per il DAC
// PORTB0 CS DAC
// PORTB1 WR DAC
// PORTB2 DACA, DACB
// Configuro i pin:
DDRD = B11111111; // Tutti i pin come output
PORTD = B00000000;
DDRB = DDRB | B00000111;
PORTB = PORTB & B11111011; // Lascio HIGH CS e WR perchè sono attivi bassi
// Inizializzo il DAC
dac_cs(0);
dac_ch(0); // DACA
dac_wr(0);
dac_wr(1);
dac_cs(1);
dac_cs(0);
dac_ch(1); // DACB
dac_wr(0);
dac_wr(1);
dac_cs(1);
}
void loop() {
int v_DACA = 0;
int v_DACB = 0;
// Divisori di 255:
// 1, 3, 5, 17, 255
// 15, 51, 85
for(v_DACA = 0; v_DACA <= 255; v_DACA+=51) {
dac_cs(0);
dac_ch(0); // DACA
PORTD = v_DACA;
dac_wr(0);
dac_wr(1);
dac_cs(1);
for(v_DACB = 0; v_DACB <= 255; v_DACB+=1) {
dac_cs(0);
dac_ch(1); // DACB
PORTD = v_DACB;
dac_wr(0);
dac_wr(1);
dac_cs(1);
}
}
}
Quello che vorrei fare è un generatore di rampe programmabile, per un progettino che ho in mente. Ho usato vari valori nel ciclo FOR per l'incremento di v_DACB, in sostanza i vari divisori di 255 (1, 3, 5, 15, 17, 51, 85, 255) per avere anche il valore di tensione più alto corrispondente al dato 255 visibile sull' oscilloscopio.
Cablaggio
La breadboard cablata è questa:
- Con incremento di v_DACB di 1:
- Con incremento di v_DACB di 3:
- Con incremento di v_DACB di 5:
- Con incremento di v_DACB di 17:
Sicuramente con qualche filtro passa basso in uscita si può ottenere un segnale più pulito, ma mi sembra che siamo sulla strada giusta. Poi condizionando i segnali con degli operazionali andrà tutto a posto.
Versione del documento: 1.4

Elettrotecnica e non solo (admin)
Un gatto tra gli elettroni (IsidoroKZ)
Esperienza e simulazioni (g.schgor)
Moleskine di un idraulico (RenzoDF)
Il Blog di ElectroYou (webmaster)
Idee microcontrollate (TardoFreak)
PICcoli grandi PICMicro (Paolino)
Il blog elettrico di carloc (carloc)
DirtEYblooog (dirtydeeds)
Di tutto... un po' (jordan20)
AK47 (lillo)
Esperienze elettroniche (marco438)
Telecomunicazioni musicali (clavicordo)
Automazione ed Elettronica (gustavo)
Direttive per la sicurezza (ErnestoCappelletti)
EYnfo dall'Alaska (mir)
Apriamo il quadro! (attilio)
H7-25 (asdf)
Passione Elettrica (massimob)
Elettroni a spasso (guidob)
Bloguerra (guerra)
: Permette di selezionare il latch in cui inserire il dato e quindi il canale su cui si vuole operare. 0 per il canale A, 1 per il canale B.