Indice |
Introduzione
In questa appendice provo a rispondere a
dimaios che nei commenti dell'articolo [1] chiedeva di vedere anche i circuiti che sono finiti nel cestino
. Comincerò a mostrare alcuni circuiti che potrebbero funzionare, ma che per svariati motivi non sono stati utilizzati, seguiti poi da circuiti che proprio non funzionano o che non sono riuscito a far funzionare neanche in fase di progetto.
[1] IsidoroKZ - Milliamperometro a led per loop di corrente 4mA-20mA, ElectroYou Gen. 2015
Progetto industriale
Un progetto industriale richiede una organizzazione molto ben curata che il tipico "progettista elettronico" talvolta manco immagina. L'organizzazione e la gestione di un programma per la definizione di un prodotto è un lavoro immane che richiede personale specializzato e montagne di carta prodotta, fin da prima che venga pensato il primo transistor.
Sto provando a convincere PietroBaima a scrivere qualcosa in proposito all'organizzazione generale di un progetto industriale.
Anche solo la parte più tecnica del progetto richiede comunque la lettura di parecchi documenti, ad esempio gli standard che il prodotto dovrà soddisfare, i data sheet e la produzione di carta da parte dell'elettronico, se non altro la documentazione di quello che si sta facendo, documentazione che dovrà essere allegata in bella copia a completamento del progetto. Prendere nota di che cosa si sta facendo è anche fondamentale per ricordarsi che cosa si è fatto, perché sono state fatte determinate scelte. Questo perché dopo 2 settimane uno non si ricorda più perché ha preso una certa decisione di progetto!
Considerando però che questo non è un progetto industriale, ma un divertissment fine a se stesso, salterò tutta questa parte
, andando direttamente alla progettazione elettronica vera e propria.
Progetto elettronico
In fase di pensate iniziali, dopo essersi chiarito bene il problema, i suoi punti critici..., il progettista tira fuori dalla sua cassetta degli attrezzi i circuiti o gli standard block che più o meno potrebbero risolvere il problema e comincia ad analizzarne l'applicabilità.
Il contenuto del tool box del progettista deriva dallo studio "formale" fatto a scuola, dall'aggiornamento più o meno formale avuto nel corso degli anni, aggiornamento che va dal seminario organizzato da qualche produttore di semiconduttori, alla lettura di articoli, allo studio di schemi che si vedono in giro.
Una parte importante del contenuto della cassetta infine deriva dalla esperienza del progettista, che vuol dire sia circuiti simili su cui si è lavorato in precedenza sia soluzioni che sono state escogitate in passato. Ma lo strumento migliore, e il più difficile da usare, è l'inventiva, necessaria per mettere insieme un nuovo circuito.
Senza andare al "colpo di genio", che a me non è mai capitato, quello che serve è secondo me una solida conoscenza dei principi e delle idee base, da mettere poi insieme per tirare fuori un blocco circuitale che non si era mai visto in precedenza. Per questa fase servono inizialmente le idee guida, ad esempio "la retroazione negativa è tua amica", oppure "se non fai troppo rumore elettromagnetico è meglio", abitudine all'analisi a blocchi e capacità di immaginare il funzionamento del circuito.
Poi si passa allo scrivere le equazioni, a "mettere i numeri" e a simulare o montare il circuito. Ovviamente saltano fuori magagne, si scopre che alcune decisioni non andavano bene, e che bisogna cambiarle. A questo punto si itera il procedimento progettuale.
In alcuni casi fare un progetto è come fare una costruzione con il Lego. Se si ha a disposizione una grande varietà di mattoncini (i circuiti nella tool box), si riesce a fare qualcosa di ragionevole in tempi ragionevoli. Altre volte invece per giocare con il Lego bisogna anche inventarsi nuovi mattoncini che ancora non esistono: in questo caso servono le qualità di cui parlavo prima.
Fra i circuiti che vengono pensati, i più simpatici sono quelli che mostrano immediatamente la loro inadeguatezza: dicono subito che non possono funzionare. In questo modo non si perde tempo a percorrere una strada che non porta da nessuna parte e spesso si potano interi grossi rami dell'albero delle decisioni.
Talvolta si rischia di potare troppo, perdendo strade che invece potevano essere percorse con un'altra impostazione. Sfortunatamente per fare un progetto non c'è a disposizione tempo infinito né risorse infinite, e talvolta bisogna accontentarsi un un massimo locale.
Ho l'impressione che anche in questa attività ci sia una specie di principio di Pareto per cui l'80% del tempo di sviluppo lo si passa sul 20% del progetto. E secondo me non è neanche sbagliato: in un progetto ci sono parti note, conosciute, di cui si sa tutto, altre invece che sono terra incognita e quindi richiedono verifiche e pensate molto più lunghe,
Circuiti funzionanti
I circuiti di questa sezione funzionano o potrebbero funzionare sotto opportune condizioni, ma presentano inconvenienti o criticità che suggeriscono di non usarli. Altri invece sono praticamente equivalenti a quello mostrato nel precedente articolo, solo il caso, o considerazioni molto secondarie, li hanno esclusi. In questa carrellata non si terrà conto di prestazioni quali rumore, precisione, banda... perché sono parametri di scarso o nullo interesse in questa applicazione.
Sommatore di tensione invertente
La prima idea che può venire è di fare un sommatore di tensione con cui si genera una tensione data dalla somma pesata della tensione di sense e di una continua, necessaria per introdurre una soglia di accensione. I due possibili circuiti sono mostrati in figura 1. In realtà è lo stesso circuito in versione grounded negative e grounded positive.
In questo schema non si sono riportati i nomi delle resistenze e i dettagli dell'alimentazione, ma è lo stesso circuito poi utilizzato nello schema finale. La batteria rappresenta il TL431 che fornisce i 4V e la resistenza in serie è la resistenza di sense che converte la corrente di loop in tensione da misurare.
Tutti i circuiti possono essere realizzati con la resistenza di sense sul lato negativo oppure sul lato positivo della batteria. Poiché si vuole misurare la tensione di sense, non la tensione di sense più la tensione di batteria, il riferimento (ground) viene sempre messo su un lato della resistenza di sense. Si hanno perciò due circuiti duali, uno con il positivo considerato come 0V, e quindi alimentazione negativa, l'altro con il negativo considerato come 0V e quindi con alimentazione positiva.
Poiché la tensione da misurare è sempre al di fuori dal range di tensione di alimentazione, la prima idea è di utilizzare un amplificatore invertente per riportarla entro l'intervallo dell'alimentazione. L'amplificatore invertente infatti non sente direttamente la tensione di ingresso ed è quindi immune da problemi di modo comune.
Poiché interessa accendere il led con una determinata soglia, al segnale di sense bisogna aggiungere un altro segnale di polarità invertita per spostare l'accensione a correnti più alte. Fortunatamente è a disposizione la tensione di alimentazione che ha giusto il segno corretto. Il circuito è quindi un sommatore che somma Vsense con la tensione di alimentazione, opportunamente pesate. All'uscita del sommatore è collegato il led con la sua resistenza serie che permette di trasformare la tensione del sommatore in corrente. Questa resistenza inoltre limita anche la corrente massima del led a 4mA.
Il circuito grounded negative ha come inconveniente che la soglia di accensione è determinata dalla tensione di accensione del led, che non è uguale per tutti i led e neppure stabile. Inoltre questo circuito richiede un operazionale rail-to-rail in grado di fornire una corrente elevata, 4mA con tensione di uscita di quasi 4V. Esistono operazionali rail-to-rail, ma sono meno comuni e di costo maggiore rispetto al solito 324. Un 324 in questo circuito funzionerebbe male, e solo dopo aver modificato sperimentalmente la resistenza in serie al led.
La versione grounded positive ha gli stessi vantaggi e svantaggi dell'altra versione, anch'essa ha una corrente di soglia di accensione determinata dalle caratteristiche del led ed è richiesto un rail-to-rail. In questo circuito un 324 non può funzionare in nessun caso perché la tensione di modo comune è ampiamente fuori dai limiti.
Sommatore invertente con uscita in corrente
Per avere un più preciso controllo della soglia e della corrente, ci si ricorda che la retroazione migliora quasi sempre le cose e si mette il led dentro l'anello, come mostrato nei due schemi di figura 2, al solito in versione con negativo al riferimento e positivo al riferimento.
Il vantaggio di questo circuito è dato dal fatto che le caratteristiche del led non entrano nella determinazione della soglia di accensione, analogamente a quanto descritto nell'articolo precedente. Entrambi i circuiti funzionano con operazionali rail-to-rail. Il secondo ancora una volta non ha speranze di funzionare con un single supply come il 324, mentre il secondo avrebbe dei severi problemi perché la dinamica di uscita positiva dei single supply tipicamente arriva a 2V in meno della tensione di alimentazione, ed essendo questa di soli 4V non ci sarebbe verso di accendere il led.
Questi circuiti pur funzionando con operazionali particolari, sono stati scartati nell'ottica di utilizzare componenti molto comuni.
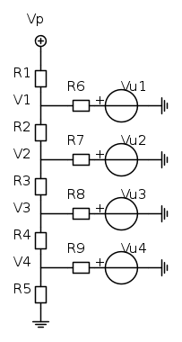
Sommatore non invertente
Poiché la scelta del sommatore invertente dà origine a circuiti che richiedono operazionali rail-to-rail, si è pensato di usare una configurazione non invertente, entrando cioè sull'ingresso non invertente. L'accensione del LED deve però sempre avvenire come prima, più corrente più luce. Per ottenere questo comportamento si sfrutta la stabilità della tensione di alimentazione per poter colleagare il LED non sul riferimento ma sull'alimentazione.
A dire il vero il ragionamento era stato fatto al contrario. Si era imposto una corrente di LED entrante nell'operazionale, e si era cercato una configurazione di ingresso che non richiedesse tensioni di modo comune troppo elevate.
Lo schema di principio, da ripetersi per le quattro celle, e` in figura, sia in versione negativo al riferimento che positivo al riferimento.
Lo svantaggio di questo tipo di circuiti, con uscita in tensione, è già stato indicato nel paragrafo precedente: la tensione di soglia di accensione dipende dal led e la corrente nel led è in anello aperto.
Inoltre la versione con positivo al riferimento richiede che l'operazionale eroghi una corrente elevata con la tensione di uscita pari alla sua tensione di alimentazione positiva (che in questo caso si chiama 0V) e questo puo` farlo solo qualche operazionale rail-to-rail.
La versione con negativo a ground, quella normalmente più leggibile per l'abitudine a questa scelta, sembrerebbe una buona scelta. Il led si accende quando la tensione di ingresso diminuisce e raggiunge il massimo con la tensione di uscita a 0V, che si ha quando la tensione di ingresso all'operazionale raggiunge anch'essa 0V.
Se si fanno i conti del rapporto delle resistenze R4 e R5 e del guadagno dato da R8 e R9 tutti i rapporti risultano ragionevoli, nessuna resistenza deve avere un valore negativo! La ragione per cui non si e` scelto questo circuito viene discussa nella sezione successiva.
Sommatore non invertente, uscita in corrente
Dato che la retroazione è amica del progettista analogico (e di tanti altri) anche in questo caso si puo` includere il led nell'anello di retroazione, svincolandosi dalla tensione di accensione del led.
Gli schemi con questa variante sono in figura 4.
Anche in questo caso valgono gli stessi pro e contro indicati in precedenza, correnti assorbite ed erogate, modo comune in ingresso... tranne che in questo circuito la tensione del led non entra nella deterninazione della soglia di accensione e della corrente di led.
Questi circuiti con somma non invertente non sono stati scelti perché ogni convertitore tensione corrente richiede 5 resistori, quindi 20 resistori in tutto, mentre la soluzione presentata nel precedente articolo ne richiede solo 17 o 18 in totale. Se si vuole fare cost reduction bisogna anche guardare a queste cose.
In realtà il motivo vero per cui ho scartato questi circuiti è che la tensione di ingresso del convertitore che lavora fra 4mA e 8mA diventa negativa quando la corrente supera i 20mA, e raggiunge -0.52V nel circuito con uscita in tensione e -0.34V nel secondo circuito. Queste tensioni non sono pericolose per l'amplificatore, sia per ampiezza che per la protezione offerta dalla resistenza R5, ma se una cosa può essere fatta bene, tensione di ingresso sempre positiva, con meno componenti, perché non scegliere quella soluzione?
Circuito con scalamento, grounded positive
Il circuito scelto, e presentato nel precedente articolo non ha gli svantaggi presentati nei precedenti circuiti. La tensione di ingresso di modo comune è sempre positiva, la corrente del led viene assorbita dall'operazionale che quindi può essere a singola alimentazione e infine non ci sono tensioni negative applicate all'ingresso degli operazionali, oltre che avere un circuito che richiede due o tre componenti in meno.
Anche per il circuito scelto esiste il duale con positivo a ground, che ha la necessita` di un operazionale rail-to-rail.
Circuiti non funzionanti
I circuiti non funzionanti sono infiniti! I circuiti pensati e non adatti per questa applicazione sono anche, suppongo, molto numerosi. I tentativi iniziali che non hanno dato risultati sono basati essenzialmente sull'amplificatore di transconduttanza, mostrato nelle solite due versioni in figura 5.
Questi amplificatori hanno semplicemente il guadagno del segno sbagliato. Quando la corrente nel loop aumenta, la tensione di ingresso diventa meno positiva e la corrente diminuisce. Anche pensando di girare il diodo, come in figura 6 si dovrebbe avere una tensione di ingresso negativa, o fuori dall'intevallo dell'alimentazione, cosa incompatibile con qualunque operazionale a singola alimentazione.
Ma visto che a pensare cercando le soluzioni piu` strane si può sempre provare, si è anche considerato di usare un operazionale come il TL081, che ha un intervallo di tensioni di modo comune sul lato positivo può andare addirittura oltre alla tensione di alimentazione. BINGO! Poteva essere una idea! Ahimé, manco questa funziona, e per motivi estremamente seri!
Consideriamo il ciruito di destra di figura 6. La tensione di modo comune in ingresso va oltre la tensione positiva (per l'operazionale) di alimentazione. Con un ingresso a p-fet la cosa potrebbe ancora funzionare, anche se siamo fuori dalle specifiche dell'operazionale.
MA, e questo è il problema, se l'ingresso non invertente e` ad esempio a +0.5V (ricordiamo che qui il potenziale di riferimento è il positivo), la tensione di uscita per accendere il LED dovrebbe essere dalle parti di 2.3V circa, più della tensione di alimentazione. E questo è definitivamente impossibile, lo vieta la termodinamica e qualche teorema fantasioso di elettrotecnica!
Infine, anche supponendo di poter imbrogliare la termodinamica, gli schemi ultimi presentati non avrebbero una limitazione di corrente a 4mA. Meglio lasciare perdere. Con questa azione di potatura dell'albero dei circuiti ho potato anche tutti i circuiti di questo tipo
Anche facendo scalamenti su potenziali vari, aggiungendo una resistenza per limitare la corrente a 4mA... il circuito continua a non funzionare. Una delle ragioni e` che nel parallelo di R8 ed R9 deve scorrere la corrente di led. Queste resistenze sono quindi di valore piccolo, e questo provoca un consumo inaccettabile della già poca corrente.
Infine un'ultima variante gia` accennata nell'articolo precedente riguardava la possibilità di fondere insieme i vari partitori che forniscono le tensioni equivalenti e le resistenze equivalenti.
Il circuito studiato e` stato questo
La complicazione di questo circuito e` che le 4 tensioni rappresentate sono le uscite di 4 operazionali, e quando un operazionale varia la sua uscita, cambia la tensione equivalente di tutti gli altri. La mia impressione è che si possa trovare una soluzione, ma ho lasciato perdere dopo svariate paginate di conti che non sembravano portare da nessuna parte.

Elettrotecnica e non solo (admin)
Un gatto tra gli elettroni (IsidoroKZ)
Esperienza e simulazioni (g.schgor)
Moleskine di un idraulico (RenzoDF)
Il Blog di ElectroYou (webmaster)
Idee microcontrollate (TardoFreak)
PICcoli grandi PICMicro (Paolino)
Il blog elettrico di carloc (carloc)
DirtEYblooog (dirtydeeds)
Di tutto... un po' (jordan20)
AK47 (lillo)
Esperienze elettroniche (marco438)
Telecomunicazioni musicali (clavicordo)
Automazione ed Elettronica (gustavo)
Direttive per la sicurezza (ErnestoCappelletti)
EYnfo dall'Alaska (mir)
Apriamo il quadro! (attilio)
H7-25 (asdf)
Passione Elettrica (massimob)
Elettroni a spasso (guidob)
Bloguerra (guerra)







