Indice |
Abstract
Si tratta dello studio di una rete lineare del secondo ordine dove si richiede il calcolo di una tensione di lato in funzione del tempo. Saranno mostrati più metodi per l'analisi del circuito, affiancati dalla verifica con programmi per la simulazione su pc.
Introduzione
L'idea di creare questo articolo (il primo di tre parti) nasce da una discussione sul forum di EY: avevo dei dubbi sulla risoluzione del problema in oggetto nel dominio del tempo, per quel che riguarda soprattutto la determinazione delle condizioni al contorno; così è nata una lunga dissertazione su come impostarlo e risolverlo negli istanti iniziali, nonchè sulla possibilità di applicare diversi metodi risolutivi sia "classici" (nel dominio del tempo, nel dominio di "s", approccio con equazioni di stato), sia "moderni" con l'ausilio dei simulatori per pc. E' doveroso ringraziare RenzoDF per la sua encomiabile disponibilità e inesauribile pazienza nel fugare i miei continui dubbi teorici ed operativi posti sul forum (riguardo tale problema, così come per molti altri), oltre che per la puntuale e rigorosa supervisione tecnica (formule, schemi, simulazioni) relativa alla stesura di questo mio primo articolo.
Parte prima
Risolveremo il quesito utilizzando l'approccio diretto nel dominio del tempo e l'approccio nel dominio di "s" con Laplace.
Testo del problema
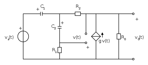
Per il circuito di figura:
determinare la forma d'onda della tensione vo(t).
Dati:
;
;
;
.
Risoluzione nel dominio del tempo
L'approccio nel dominio del tempo consiste nella determinazione diretta di un'equazione differenziale (lineare del secondo ordine, a coefficienti costanti e non omogenea) e delle condizioni iniziali, necessarie per la descrizione completa della rete da
a
, ergo risolvere il seguente problema di Cauchy:
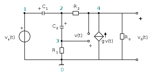
Osservando la topologia della rete, possiamo applicare, ad esempio, il metodo dei potenziali nodali; considerando lo schema elettrico di partenza, dove sono stati evidenziati e numerati i nodi:
scriviamo le KCL ai nodi (espresse in funzione delle tensioni nodali scelte rispetto al nodo di riferimento 0) e il vincolo in tensione imposto dalla variabile di controllo
del VCCS:
Riduciamo il sistema in modo da ottenere una forma più compatta; si sostituisce la prima equazione nella seconda e, considerando che
, segue
. Sostituiamo la quinta equazione nella quarta; raccogliamo a fattore comune i termini nella stessa tensione nodale incognita. Otteniamo:
Introducendo l'operatore differenziale
, il sistema è ulteriormente ridotto alla seguente forma:
Sostituendo i valori numerici dei componenti e passando alla notazione matriciale, si ha:
Scegliamo, tra i diversi metodi di risoluzione dei sistemi lineari, il metodo di Cramer; il determinante della matrice delle transammettenze (calcolato utilizzando la regola di Sarrus) risulta:
Dal momento che la grandezza di nostro interesse è la tensione applicata tra il nodo 4 e quello di riferimento, basta calcolare
, sostituendo il vettore delle sollecitazioni (nel nostro caso è un vettore nullo) nella terza colonna della matrice delle transammettenze: otterremo banalmente
.
Essendo:
sostituendo i determinanti sopra ricavati, si ha:
ossia, esplicitando l'operatore differenziale precedentemente definito:
Abbiamo quindi ricavato l'equazione differenziale del secondo ordine in termini della tensione
, che è la grandezza di lato incognita richiesta dall'esercizio; il problema di Cauchy che descrive totalmente l'evoluzione della rete per
è pertanto:
Le due condizioni iniziali sono determinabili dalla seguente considerazione: la d.d.p. ai capi dei condensatori non può essere una funzione discontinua del tempo, ragion per cui si deve avere
. Sussiste quindi un bilancio di f.e.m. sul ramo sinistro della rete, a causa della disposizione delle polarità del generatore e del condensatore
in opposizione tra loro, che si traduce in una tensione nodale nulla tra il nodo 2 e il nodo di riferimento (un cortocircuito "virtuale" tra di essi).
Per il calcolo di entrambe consideriamo anzitutto il seguente schema, dove sono meglio evidenziate le grandezze di lato di nostro interesse:
Scriviamo la KCL al nodo destro:
semplificata in
e differenziata
Scrivendo le tensioni nodali in termini di
,
,
e ricordando che dalla relazione caratteristica del condensatore si ha
, avremo:
(*)
Ricaviamo le correnti iniziali sui condensatori; ci riferiamo al seguente schema:
dove per comodità abbiamo identificato con "x" la
. Dalla rete perveniamo immediatamente alle correnti iniziali nei condensatori:
Riprendendo la (*) e sostituendo i valori ricavati per le correnti, otteniamo:
Dalla conoscenza di queste correnti potremo calcolare sia
sia
Il problema di Cauchy è quindi completamente determinato per gli istanti positivi del tempo:
Consideriamo il polinomio caratteristico associato all'equazione differenziale omogenea:
Le sue radici sono
e
; come vediamo, esse sono reali e negative, per cui la risposta nel tempo di
sarà asintoticamente stabile, del tipo:
ossia somma di un integrale generale (soluzione dell'omogenea) e di uno particolare (determinato dal termine forzante). Quest'ultimo è del tipo
e ne calcoliamo il valore studiando la rete a regime:
Essendo i condensatori assimilabili a dei circuiti aperti, non circolerà alcuna corrente nei rami capacitivi, per cui la d.d.p. sul secondo condensatore è riportata ai capi del VCCS e del resistore d'uscita, coincidente con la
da noi cercata; analiticamente:
Per quel che riguarda le costanti, adoperando le condizioni iniziali, si ha il seguente sistema:
da cui
e
; la forma d'onda definitiva della tensione
richiesta dal problema è allora:
Risoluzione nel dominio di "s"
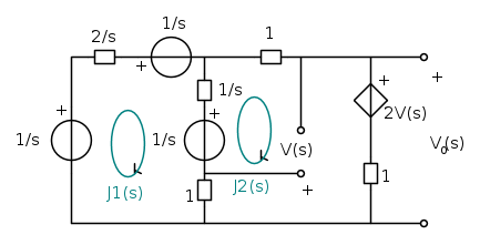
L'approccio nel dominio della variabile complessa "s" prevede l'applicazione dei risultati della trasformata di Laplace nel merito dei circuiti elettrici; nella fattispecie del nostro quesito, consideriamo il seguente circuito simbolico:
dove sono state evidenziate le correnti di maglia ed effettuata una trasformazione equivalente di Thevenin e destra della rete. Le equazioni alle maglie, ricavate per semplice ispezione visiva del circuito, sono:
Procedendo con il consueto metodo di Cramer ricaviamo:
Le correnti di maglia valgono pertanto:
A questo punto si ha:
Sostituendo le correnti di maglia otteniamo:
Semplificando:
I poli della funzione sono
e
; applicando lo sviluppo di Heaviside, possiamo esprimere la
come:
Calcoliamo i residui:
Antitrasformando, otteniamo la forma d'onda richiesta per la
:
Plottando la funzione con SpeQ, otteniamo il seguente grafico:

Elettrotecnica e non solo (admin)
Un gatto tra gli elettroni (IsidoroKZ)
Esperienza e simulazioni (g.schgor)
Moleskine di un idraulico (RenzoDF)
Il Blog di ElectroYou (webmaster)
Idee microcontrollate (TardoFreak)
PICcoli grandi PICMicro (Paolino)
Il blog elettrico di carloc (carloc)
DirtEYblooog (dirtydeeds)
Di tutto... un po' (jordan20)
AK47 (lillo)
Esperienze elettroniche (marco438)
Telecomunicazioni musicali (clavicordo)
Automazione ed Elettronica (gustavo)
Direttive per la sicurezza (ErnestoCappelletti)
EYnfo dall'Alaska (mir)
Apriamo il quadro! (attilio)
H7-25 (asdf)
Passione Elettrica (massimob)
Elettroni a spasso (guidob)
Bloguerra (guerra)





