Questo articolo, come tutti gli altri che seguiranno, nasce da una idea del nostro caro Admin di "riprendere",all'interno del forum, tutti gli esercizi svolti da RenzoDF e racchiuderli in un articolo in modo da renderli più "raggiungibili" da chi ne ha bisogno per imparare, per un esame o per cultura personale. Spesso nel forum sono di passaggio tante persone che postano un esercizio, "rubano" i primi passaggi utili e poi vanno via, lasciando chi li ha aiutati senza la giusta ricompensa. Io credo che in questo periodo dove tutto verte sul denaro e dove tutti non navighiamo nell'oro, avere almeno una "ricompensa" con un "grazie" non costi poi tanto. Qui ci sono persone che mettono a disposizione il loro sapere senza mai chiedere nulla, ma almeno dobbiamo avere la decenza di ringraziare chi, con impegno e passione, dedica del tempo a risolverci i problemi. Per questi motivi ho deciso di aiutare Admin nel recuperare il lavoro fatto in questi anni da RenzoDF in primis per ringraziarlo del "lavoro" fatto in questi anni e poi per permettere a chi è in difficoltà di "attingere" dalle sue bellissime soluzioni!
Di seguito viene postato il primo esercizio tratto da questo post, relativo al problema numero 2 della seguente prova d'esame
Indice |
Testo dell'esercizio
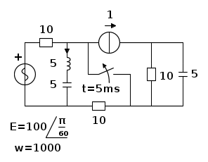
Il circuito di figura è a regime con l'interruttore chiuso. Determinare l'andamento temporale della tensione ai capi dell'interruttore a partire da 5 ms dopo che quest'ultimo viene aperto.
Lo schema con FidoCadJ è il seguente dove per 'praticità' sono stati indicati solo i valori numerici dei parametri.
Soluzione numerica
Un primo passo è stato quello di trovare la soluzione numerica con l'aiuto di LTspice dove di seguito ne viene mostrato il risultato.
Risultato confermato, per altro, da una simulazione con Vis Sim come riportato di seguito
Soluzione analitica
Prima di tutto,vista la richiesta del testo, si procede alla sua immediata semplificazione "a destra", scegliendo la corrente i del ramo LC come "elemento risolutivo" fondamentale.
A questo punto si effettua il calcolo delle condizioni a regime per t<5ms. Con l'interruttore chiuso l'unica parte della rete da studiare e' quella di sinistra.
Visto che la risonanza serie di L e C cortocircuita la resistenza inferiore, la corrente i e la tensione su C possono essere scritte come:
e quindi:
Per t>5ms, con interruttore aperto, si ha invece il seguente circuito
Si passa a scrivere l'equazione differenziale usando la KVL alla maglia di sinistra, ricordando che, per usare un nuovo riferimento per il tempo, ripartendo da zero alla chiusura dell'interruttore, si ha una e(t) sfasata di 5ms. Dunque si ha:
ed infine
L'equazione caratteristica:
risolta, porta a:
e quindi si cercherà una soluzione generale nella forma:
i(t) = iG(t) + iP(t) = (k1 + k2t)e − 1000t + k3sin(ωt + k4)
La soluzione particolare sara' quella a regime, dunque:
e quindi:
Le condizioni iniziali:
permettono di determinare le rimanenti due costanti:
ed infine:
La d.d.p. ai capi dell'interruttore è:
che si semplifica in:
come mostrato nelle precedenti simulazioni.
Risoluzione del circuito con Laplace
Si riporta, innanzitutto, lo schema completo dei generatori associati alle condizioni iniziali
Scrivendo la solita KVL "a sinistra" si ha:
che diventa
che, anche se con un giro piu' lungo, porta allo stesso risultato. I calcoli, ovviamente,vengono risparmiati.
Scorciatoia
Ci si chiede, dopo tutti questi passaggi, se siano veramente necessari tutti questi calcoli per un circuito a prima vista cosi' "innofensivo" . La risposta è: NO!
Gia' la soluzione per via differenziale doveva far "sospettare" qualcosa, ovvero che forse c'era una scorciatoia, e perfino "banale".
La sovrapposizione degli effetti avrebbe portato subito a vedere che la soluzione era in realta' molto piu' semplice. Bastava notare che la chiusura dell'interruttore non veniva ad influenzare il regime permanente sinusoidale grazie alla risonansa del ramo LC, e di conseguenza, la tensione ai capi dell'interruttore, risulta dipendente unicamente dal generatore di corrente ed e' indipendente da quello di tensione.
Si doveva cioe' semplificare gia' inizialmente come di seguito
e procedere con
con condizioni iniziali nulle per la componente continua
ed infine:

Elettrotecnica e non solo (admin)
Un gatto tra gli elettroni (IsidoroKZ)
Esperienza e simulazioni (g.schgor)
Moleskine di un idraulico (RenzoDF)
Il Blog di ElectroYou (webmaster)
Idee microcontrollate (TardoFreak)
PICcoli grandi PICMicro (Paolino)
Il blog elettrico di carloc (carloc)
DirtEYblooog (dirtydeeds)
Di tutto... un po' (jordan20)
AK47 (lillo)
Esperienze elettroniche (marco438)
Telecomunicazioni musicali (clavicordo)
Automazione ed Elettronica (gustavo)
Direttive per la sicurezza (ErnestoCappelletti)
EYnfo dall'Alaska (mir)
Apriamo il quadro! (attilio)
H7-25 (asdf)
Passione Elettrica (massimob)
Elettroni a spasso (guidob)
Bloguerra (guerra)






