INTRODUZIONE
Se siete appassionati di mame a quest'ora vi sarete senz'altro resi conto di come i vostri giochi preferiti appaiano sul monitor del Pc alquanto diversi da come ve li ricordavate in sala giochi: colori più spenti, immagini come "impastate" e confuse, grafica molto "blocchettosa" ecc. Il problema non dipende dall'emulatore in se ma proprio dal vostro schermo, la cui risoluzione è assolutamente troppo alta rispetto a quella dei monitor Arcade originali; peggio ancora se avete un LCD, la cui tecnologia è radicalmente diversa da quella del tubo catodico (col risultato di ottenere una resa ancora peggiore). Ovviamente la soluzione ideale sarebbe di disporre di un monitor arcade, peccato che non sia sempre facile trovarli, per non parlare poi del costo spesso non indifferente; esiste tuttavia una terza soluzione, diciamo un compromesso molto interessante: collegare al Pc una TV a tubo catodico, oggetto diffuso in tutte le case, facile da reperire e alquanto economico soprattutto oggi nell'era dell'LCD.
"Sì ma io l'ho già fatto, però la resa non era comunque un granché", potreste pensare... e avete ragione: usare la normale uscita tv della vostra scheda video è semplice, ma non è assolutamente la soluzione ideale: tale uscita infatti lavora in composito o al massimo in s-video, due modalità nelle quali i segnali viaggiano sotto forma di "luminanza" (le informazioni relative alla luminosità) e "crominanza" (ossia le info relative ai colori); nel caso del composito è tutto mescolato assieme (da qui il nome) mentre con l's-video (=separate video, non super video come molti pensano) la cosa migliora un po’ ma siamo ancora lontani dalla perfezione (senza contare che assieme viaggiano pure i cosiddetti segnali di sincronia, indispensabili al buon funzionamento del collegamento ma che portano ad ulteriori interferenze e conseguente degrado dell'immagine).
La soluzione? semplice, usare uno standard diverso, il famoso RGB (o RGBs). Di cosa si tratta? ebbene, all'interno di un tubo catodico le immagini nascono dalla somma di 3 diversi colori, i cosiddetti "fondamentali", che sono appunto il rosso (Red), il verde (Green) e il blu (Blue); potete verificarlo da soli osservando i fosfori del vostro televisore guardandolo molto da vicino. Ora, va da sé che un conto è mescolare questi segnali all'interno di un sistema composito o s-video ed un conto è trasmetterli direttamente al televisore (con i segnali di sincronia separati) saltando ogni circuito di elaborazione e conversione che inesorabilmente degrada l’immagine; questo è lo scopo del cavo che andremo a realizzare, e questo è pure il metodo che normalmente utilizzano i famosi monitor arcade. E qui signori viene il bello: un tv a tubo catodico è pressoché identico ad un Monitor da sala giochi, ha solo un sintonizzatore ed un circuito audio in più; l'unico vero problema è riuscire a far sì che il segnale RGB gli giunga in maniera diretta, senza conversioni dannose.
Il risultato? Colori molto più ricchi e pieni, immagini molto più definite e chiare, minori disturbi e distorsioni ed infine la possibilità di far girare i nostri giochi preferiti alle loro risoluzioni native (e qui apriamo un altro discorso): Un secondo motivo per cui i giochi arcade sul tv rendono poco, oltre alla mancanza di un segnale RGB, sta nella risoluzione: le normali uscite tv-out delle schede video usano una risoluzione fissa, solitamente 640x480, per ovvie ragioni di compatibilità (lo standard televisivo europeo, detto PAL, lavora a 756x576 pixel); poiché i giochi arcade viaggiano normalmente a livelli ben più bassi e spesso differenti tra loro (per es. 320x240, 320x200, 240x160 ecc.ecc.) la conseguenza è che il gioco deve subire una sorta di "stiramento" (in inglese "stretching") che ne pregiudica la qualità visiva, facendo perdere quel look al quale eravamo tanto affezionati in sala giochi. Ebbene, l'uso del nostro cavo RGB permette di ovviare all'inconveniente forzando il televisore a lavorare a tutte le risoluzioni che vogliamo, ivi comprese quelle native dei nostri giochi preferiti; questo fatto, aggiunto alla qualità intrinseca del segnale RGB, ci permette di ricreare finalmente quel feeling unico al quale eravamo abituati sui cabinati arcade.
AVVERTENZA
TUTTI I CONSIGLI E LE ISTRUZIONI CONTENUTE IN QUESTA GUIDA SONO FORNITI "COSI' COME SONO", SENZA ALCUNA PARTICOLARE GARANZIA: NON MI ASSUMO PERTANTO NESSUNA RESPONSABILITA' PER EVENTUALI DANNI DERIVATI DAL LORO UTILIZZO A PERSONE O COSE.
CONSIDERAZIONI TECNICHE PRELIMINARI SULLA SCELTA DEL TELEVISORE
Se avete avuto la pazienza di leggere tutta l'introduzione e da qualche parte in casa c'è una povera TV a tubo catodico (ignara delle vostre nuove idee) vi sarete senz'altro convinti di non poter assolutamente fare a meno di realizzare questo cavo; prima però è necessario fare alcune considerazioni tecniche fondamentali, che vi torneranno poi utili per comprendere le differenze tra i vari schemi che andremo ad analizzare.
Innanzitutto è consigliato possedere una TV di fabbricazione Europea o Australiana (cosa che qua da noi non dovrebbe rappresentare un problema); affinché il cavo funzioni, infatti, è fondamentale che il televisore sia dotato di una presa SCART in grado di accettare segnali in RGB, cosa che curiosamente non accade, per esempio, su molti tv di fabbricazione statunitense (specie sui modelli più economici); lo standard SCART (di origine francese) è stato concepito come una sorta di grosso "contenitore" attraverso il quale far passare una grande varietà di segnali (Composito, S-video, RGB, audio mono e stereo ecc.) quindi la sua presenza di per sé non garantisce il risultato; ad ogni modo pressoché il 100% delle TV europee dovrebbe soddisfare questo requisito.
Un altro fattore importante da considerare è il tipo di tubo catodico: il migliore è il classico 4/3 (quello più “quadrato” insomma) possibilmente NON flat (piatto) né a 100hz: tali fattori infatti migliorano la qualità delle immagini televisive (e anche la visualizzazione dello stesso windows ad essere pignoli) ma peggiorano notevolmente la resa del Mame; il classico monitor Arcade infatti lavora a 50hz, non è solitamente piatto né a 16/9; paradossalmente, dunque, un tv più economico è spesso la scelta migliore; come dimensione va bene un po’ tutto, solitamente dai 14” in su (consigliato almeno un 20” o 26”, la tipica misura dei cabinati). Nota Bene: solitamente, se la tv è dotata di più prese scart, SOLO la n.1 accetta segnali RGB; le altre normalmente sono abilitate solo al S-Video (a quanto pare i 2 segnali non convivono nella stessa presa in contemporanea) o al composito; nel dubbio fate riferimento al manuale se disponibile.
INTRODUZIONE AL CAVO VGA-SCART-RGB
Per poter capire il funzionamento dei vari schemi proposti, analizzeremo una alla volta le varie tipologie di segnale che è necessario trasmettere; poi vedremo caso per caso come vengono implementate nei vari schemi con relativi pro e contro.
Segnali base: R,G,B
Alla base del nostro cavo vi è, ovviamente, la trasmissione del segnale vero e proprio, suddiviso nelle sue componenti fondamentali Rosso (Red), Verde (Green) e Blu (Blue); fortunatamente in questo caso lo standard VGA e quello SCART sono pienamente compatibili (il segnale usato è a 0.7v con una impedenza di 75Ohm); di conseguenza è possibile collegare direttamente i pin interessati senza alcun bisogno di accorgimenti o circuiti particolari (come vedremo poi negli schemi più avanti).
Masse varie
Sia nel cavo VGA che nella presa SCART sono presenti parecchie masse, spesso già collegate tra loro all’interno del cavo stesso; normalmente è buona norma collegarle tutte (soprattutto le 3 relative alle linee RGB) al fine di ridurre al minimo i possibili disturbi; stesso discorso vale anche per l’eventuale rivestimento interno del cavo (presente soprattutto nei cavi di buona qualità) che normalmente lo scherma anche dalle interferenze esterne. (N.B. la massa, per definizione, è sempre una sola: pertanto è normale che tutte le masse risultino, in quanto tali, sempre collegate tra loro.)
Audio
Se volete sfruttare il vostro tv anche dal punto di vista audio, potete prendere un normale cavo jack 3.5mm da PC e collegarlo alla SCART; essa accetta fortunatamente segnali sia mono che stereo e anche in questo caso non servono circuiti o accorgimenti particolari dato che lo standard è il medesimo.
Segnali di Commutazione e Blanking
Come si è detto la SCART può accettare in ingresso varie tipologia si segnale; per poter dire al televisore quale di questi si sta utilizzando in un dato momento esiste un apposito pin, detto “Blanking”: dandogli una tensione in ingresso compresa fra 0 e 0.4V il tv si aspetterà un segnale composito, da 1 a 3V l’RGB; l’attivazione di questo pin è quindi fondamentale per il funzionamento del nostro progetto, e come vedremo negli schemi successivi ci sono vari metodi per ottenerlo. Un altro pin che potrebbe interessarci è quello di “commutazione”: applicandovi una tensione di 12V il TV passerà in automatico sul canale AV dove è collegato il PC (viene solitamente utilizzato dai lettori DVD e VHS); su certi televisori inoltre questo pin permette di settare il cosiddetto “aspect ratio” : applicando una tensione in ingresso da 5 a 8V attiveremo la modalità a 16/9; dai 9,5 ai 12V invece avremo i classici 4/3; quest’ultima modalità è ovviamente quella che ci interessa. In caso di assenza di segnale il televisore rimarrà nella sua condizione predefinita (e quindi dovremo scegliere manualmente il canale AV col telecomando ed eventualmente settare l’aspect ratio che desideriamo).
Segnali di Sincronia
Qui inizia la parte più difficile: i segnali di sincronia provenienti dalla scheda video di un PC sono infatti parecchio diversi da quelli utilizzati da un comune televisore, e sono necessari quindi alcuni accorgimenti per poterli rendere compatibili; la grande varietà di schemi che andremo ad analizzare tra poco è dovuta proprio alle diverse metodologie studiate per risolvere il problema. Andiamo quindi con ordine: lo standard VGA prevede l’utilizzo di due distinti segnali si sincronia, uno verticale a 60hz ed uno orizzontale a 31khz; entrambi operano in logica TTL, usando quindi un valore di picco pari a 5V; infine i segnali possono essere sia positivi che negativi a seconda della risoluzione o della modalità video utilizzate. Il TV invece necessita di un unico segnale composito (nel quale le due sincronie sono per così dire “mescolate” assieme) con un valore di picco di circa 1-3V; inoltre la frequenza di scansione orizzontale è molto più bassa, intorno ai 15khz (la verticale è invece praticamente la stessa, al massimo varia tra i 50 e i 60hz a seconda dello standard televisivo utilizzato, NTSC o PAL); infine il segnale deve essere sempre negativo. Il primo problema che affronteremo è proprio quello della sincronia orizzontale: dato che creare un circuito di conversione sarebbe molto complesso, solitamente si preferisce agire direttamente sulla scheda video, usando appositi software o addirittura delle VGA modificate (come la famosa Arcadevga) in modo da ottenere direttamente i 15khz alla fonte; di questo aspetto si parlerà estesamente nel capitolo seguente, per le altre problematiche analizzeremo i vari schemi nei paragrafi successivi.
OTTENERE UN SEGNALE DI SINCRONIA A 15KHZ
Come accennato nel paragrafo precedente, una delle principali necessità affinché il cavo funzioni è ottenere un segnale di sincronia orizzontale a 15khz; solitamente lo scopo si raggiunge modificando, perlopiù via software, le impostazioni video del PC; in alternativa si possono usare particolari schede grafiche create appositamente allo scopo, le ArcadeVga. Analizziamo ora nel dettaglio le possibili soluzioni:
Arcadevga
Si tratta di una speciale scheda video, derivata solitamente da una Ati Radeon 9250 (nel caso della versione AGP) o X550 (versione Pci-express); viene commercializzata dall'inglese Ultimarc, costa intorno ai 70/80 € (viene spedita anche in Italia) ed è i grado di fornire in uscita un segnale già a 15khz, permettendo il collegamento diretto del tv o del monitor arcade al PC; supporta alcune delle risoluzioni native più usate dai giochi emulati dal Mame ma non tutte (è una delle sue lacune principali) ma in compenso usando il TV permette di accedere al bios e alla fase di avvio del computer oltre ovviamente al normale uso sotto windows senza altri particolari accorgimenti. Esiste poi un’ulteriore versione, l’Avga2, che permette anche l’utilizzo in contemporanea di un monitor PC sfruttando l’uscita video secondaria. Volendo è anche possibile farsela in casa, partendo in tal caso da una Radeon 9200 o 9250 e flashando il bios con quello dell'Avga o modificandolo tramite un'apposita procedura; in tal caso il risparmio è notevole dato che normalmente non si va oltre i 30€ di spesa.
- Guida alla creazione di una Avga: http://dmcrew.altervista.org/avga.html
- Sito ufficiale Avga by Ultimarc: http://www.ultimarc.com/
Soft-15Khz:
Interessantissimo software a cura di una programmatrice tedesca, Sailorsat, che permette in modo molto semplice di forzare l'uscita a 15khz della propria scheda video; si installa con un click del mouse, è compatibile con la maggioranza delle schede video e molto facile da usare; permette inoltre di impostare anche svariate risoluzioni personalizzate (oltre a quelle supportate già in partenza) alla stregua di Advancemame; il rovescio della medaglia è che fino all'avvio del sistema operativo il segnale della scheda video resta a 31khz, pertanto non si potrà vedere nulla fino a quel momento (e in certi casi sarà bene fare attenzione a non danneggiare il tv o il monitor, per quanto la possibilità sia alquanto remota); ovviamente non sarà possibile accedere al BIOS del PC o vedere la fase di boot. Il software provvede infine a settare i sincronismi di uscita della VGA su valori negativi come richiesto dal televisore. Lo stesso autore propone inoltre un comodo programma utilissimo per cambiare risoluzione in tempo reale sotto windows chiamato Quickres; è sostanzialmente lo stesso che si usava all’epoca di Windows 95/98, con la differenza che permette di impostare il desktop anche alle particolari risoluzioni usate dal TV o dai giochi arcade, molto più basse della classica 800x600 di Windows (per esempio solitamente per visualizzare il desktop si utilizza la 640x480 o la 720x480).
Nota bene: non tutte le schede video sono compatibili con Soft15khz (per quanto la maggior parte sì); per maggiori approfondimenti ed eventuale download potete seguire i seguenti link:
- Discussione ufficiale su Mameitalia: http://www.mameitalia.net/index.php?showtopic=8635
- Download diretto: http://files.arianchen.de/soft15khz/soft15khz.zip
- Download Quickres: http://files.arianchen.de/soft15khz/quickres.zip
Powerstrip:
Uno dei software più potenti e completi per la modifica di tutti i parametri della scheda video, è stato anche il primo ad essere usato sotto windows per ottenere un segnale a 15 kHz; ha dalla sua parte il vantaggio di permettere un'elevata personalizzazione, ma in compenso è piuttosto ostico da configurare soprattutto per lo scopo che interessa a noi; esistono comunque alcune guide relativamente semplici realizzate appositamente. Si noti che il programma non è gratuito, può essere comunque provato nella sua versione shareware. Solitamente se ne consiglia l’uso solo se non si dispone di una Arcadevga e se il Soft15 kHz risulta incompatibile con la propria scheda video (o per ottenere configurazioni molto particolari). Di seguito un paio di link utili:
- Discussione ufficiale su Mameitalia: http://www.mameitalia.net/index.php?showtopic=4864
- Sito ufficiale per il download: http://entechtaiwan.com/util/ps.shtm
AdvanceMame
Si tratta di una particolare versione del Mame espressamente ottimizzata per l’uso con i monitor arcade, i televisori ma anche gli schermi del PC; permette una elevatissima personalizzazione delle impostazioni video grazie al fatto che il programma pilota direttamente la scheda grafica (motivo per cui è preferibile utilizzarlo in ambienti diversi da windows, solitamente si preferisce il DOS ma esistono pure varianti per linux); tra le altre cose ha ovviamente la capacità di generare un segnale a 15khz. Sfortunatamente l’Advmame è fermo alla versione 0.106, inoltre non è compatibile con tutte le schede video (e nemmeno le schede madri, che devono essere in grado di gestire l’NMI altrimenti non sarà possibile utilizzare la scheda audio sotto Dos) e la sua configurazione non è proprio semplicissima. Il risultato finale è comunque di altissimo livello (a detta di alcuni il migliore possibile) soprattutto se abbinato ad un monitor arcade o al televisore mediante il nostro cavo. Di seguito alcuni link utili:
- sito ufficiale: http://advancemame.sourceforge.net/
- forum Mameitalia: http://www.mameitalia.net/
SCHEMI VARI - REALIZZAZIONE DEL CAVO VERO E PROPRIO
Passiamo ora allo studio dei vari schemi disponibili in rete, a partire dai più semplici fino ai più complessi; iniziamo con i cosiddetti “pinout”, ossia i diagrammi ove sono illustrate le piedinature della presa VGA e della SCART; da lì partiranno ovviamente tutti gli schemi.
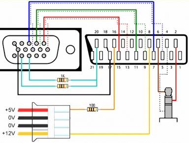
Schema n.1: Pinout delle connessioni VGA e SCART
La dicitura “solder side” ci ricorda che il cavo è visto non dal lato esterno (ossia quello che si aggancia al PC o al TV) bensì da quello interno, ossia quello dove normalmente vengono saldati i fili (state perciò attenti a non fare confusione).
Schema n.2: collegamento base con sincronismo composito (solo per ATI RADEON)
Pro: E’ molto semplice da realizzare, non richiede componentistica particolare (eccetto una resistenza)
Contro: Necessita di alimentazione esterna a 5 e 12v, funziona solo con certe schede video Ati Radeon
Eccoci di fronte al primo schema VGA-SCART; si tratta probabilmente del più semplice in assoluto. In sostanza si collegano le 3 linee RGB della VGA (pin n.1,2,3) alle rispettive della SCART (pin n.15,11,7) e le relative masse (una potrebbe bastare ma per una migliore schermatura meglio usarle tutte); dunque i pin n.6,7,8 della VGA vanno rispettivamente ai n.13,9,5 della scart.
N.B.: QUESTI COLLEGAMENTI SONO SEMPRE GLI STESSI IN TUTTI GLI SCHEMI. Il cavo grigio tratteggiato che collega il pin 10 della VGA al n.17 della scart è una ulteriore massa (quella del segnale di sincronia); il cavo nero invece collega solitamente i due “gusci” esterni dei due connettori ed è ulteriormente collegato, nei cavi di maggior qualità, ad una sottile maglia metallica che avvolgendo “a tubo” l’intero cavo schermandolo da interferenze esterne; solitamente il tutto è poi collegato alle altre masse (normalmente già all’interno del cavo stesso). Infine, il filo grigio che va dal pin 13 della VGA al n.20 della scart porta il segnale composito.
ATTENZIONE: Affinché lo schema funzioni è fondamentale che la scheda video sia in grado di mandare in uscita sul pin 13 un segnale in formato COMPOSITO, cosa che normalmente NON avviene; solo alcune schede video, appartenenti alla famiglia delle ATI RADEON, sarebbero in grado di fare ciò; tale funzione inoltre sembra debba essere attivata appositamente attraverso i driver Catalyst. Se la vostra scheda grafica non ha questa caratteristica dovrete quindi avvalervi di uno degli schemi che presentiamo più avanti.
Schema n.2b: Alimentazione esterna (da abbinare allo schema precedente)
Come detto in precedenza, affinché il televisore si accorga della presenza di un segnale di tipo RGB in ingresso nella SCART, è necessario applicare una tensione compresa fra 1 a 3v sul pin n.16; lo schema soprastante mostra come ottenerla direttamente dall’alimentazione interna del PC tramite una presa Molex (usata solitamente per alimentare Hard Disk e DVD-R); il cavo rosso veicola 5v e il giallo 12; nello schema si nota quindi la presenza di una resistenza da 100 Ohm sulla linea a 5v allo scopo di ottenere i 3v necessari (ovviamente è presente anche una connessione a massa in questo caso sul pin 18). Il secondo cavo veicola invece i 12v sul pin n.8; ciò permette come già detto di far commutare il tv sul canale AV che si sta utilizzando (come descritto nel capitolo 2); nel caso si preferisca utilizzare semplicemente il telecomando è possibile fare a meno di questo collegamento. In questi primi 2 schemi non viene presa in considerazione l’uscita audio del PC; volendo usare le casse del TV a tale scopo fate riferimento agli schemi che seguono (le connessioni audio verso la SCART usano sempre gli stessi pin e non è necessaria alcuna circuiteria ulteriore). Sembra che alcuni TV particolarmente costosi siano in grado di accorgersi della presenza di un segnale RGB in ingresso autonomamente (rendendo dunque superfluo questo circuito) ma sono comunque casi rari.
Schema n.3: Sincronia composita mediante l’uso di Diodi e Resistenze
Pro: Funziona con qualsiasi scheda video, possibilità di usare un segnale esterno di “enable”
Contro: Necessita di alimentazione esterna a 12v, richiede alcuni componenti aggiuntivi (diodi e resistenze).
Veniamo ora ad uno dei primi schemi un po’ più “complessi” : in questo caso i collegamenti delle linee R,G,B e rispettive masse è sempre lo stesso del precedente (non fatevi ingannare dalla presa scart che in figura è ribaltata rispetto alla precedente, i numeri dei pin sono comunque sempre gli stessi); la differenza qui è l’utilizzo di una scheda video classica, ossia non in grado di generare un segnale composito (quindi tutte, Radeon a parte); i segnali di sincronia provenienti dai pin n.13 e 14 della VGA vengono miscelati da alcuni diodi 1N4148 (più una resistenza da 330 Ohm) e quindi inviati al solito pin 20 della scart; anche in questo caso il pin n.8 è connesso, come nello schema n.2b, all’alimentazione a 12v allo scopo di commutare l’apparecchio sul canale AV; il pin 16, invece, anziché prendere i 5v come visto in precedenza prende direttamente i 12v; il trucco sta nella resistenza, ora più grossa (da 560 Ohm) in grado di ridurre la tensione ai soliti 3v necessari per abilitare l’ingresso RGB sul televisore; il vantaggio di questa soluzione sta ovviamente nell’utilizzo di un’unica alimentazione (12v appunto) anziché 2 (12 e 5v). Altra piccola differenza sono le masse sui pin. 17 e 18, usate solitamente dal solo segnale composito e quindi presumibilmente non indispensabili; dato che comunque una massa in più male non fa, se intendete usare questo schema nel dubbio collegatele; discorso simile per il pin n.11, che collegato a massa avvisa la scheda video della presenza di un monitor a colori (essendo oggi lo standard spesso tale pin viene posto a massa già all’interno del cavo VGA). Notiamo infine un segnale cosiddetto di “enable”: lo scopo è di abilitare il segnale di sincronia solo quando questo è effettivamente a 15khz (cosa che per es. con soft15khz o Powerstrip avviene solo dopo l’avvio del sistema operativo); a tale scopo è necessario applicare una ulteriore tensione di 5v al cavo, magari usando un apposito interruttore. Se non si è interessati a questa funzione (per esempio perché si possiede una Arcadevga) si può eliminare il diodo D4 e utilizzare il resto del circuito.
Schema n.4: Sincronia composita senza componenti né alimentazione esterna
Pro: Funziona con qualsiasi scheda video, non necessita di alcun componente extra né di alimentazione esterna
Contro: In certi casi potrebbe danneggiare il TV o la scheda Video (non dimostrato con certezza)
Questo è senza dubbio uno degli schemi più interessanti, soprattutto per il fatto che non necessita di alcun componente elettronico aggiuntivo né di alimentazione esterna ed è compatibile con tutte le schede video; il rovescio della medaglia è il rischio, per quanto remoto, di danneggiare la scheda grafica o il televisore; premetto che ho personalmente realizzato questo cavo e dopo alcuni giorni di utilizzo su due differenti TV non ho riscontrato problemi di sorta. Detto questo passiamo all’analisi dello schema: le connessioni RGB e le masse sono sempre le stesse (identiche agli schemi precedenti, occhio solo che i numeri corretti riportati sulla Scart sono quelli in piccolo tra parentesi nel caso vogliate fare confronti) mentre cambia leggermente il discorso dei sincronismi: i 2 segnali provenienti dalla Vga (pin. 13 e 14) vengono semplicemente uniti assieme (senza circuiti particolari) e collegati al solito pin 20 della Scart; inoltre tale pin è a sua volta collegato al n.16 (quello per abilitare l’ingresso RGB) evitando così l’uso di una fonte di alimentazione esterna; infine non viene considerato il collegamento del piedino n.8 (quello per commutare sul canale AV) quindi sarà necessario anche qui agire manualmente col telecomando. Possibili rischi: innanzitutto l’unione dei due segnali di sincronia senza alcun accorgimento particolare potrebbe danneggiare la scheda video (a quanto pare a causa del fatto che mentre un segnale è alto l’altro è basso ed essendo uniti assieme questo non è bene) ed in secondo luogo il livello di voltaggio del segnale di sincronia è troppo elevato (5v in uscita dalla VGA al posto di 1v usato normalmente sula scart); anche il pin per abilitare l’RGB dovrebbe ricevere un segnale non superire ai 3v al posto dei 5v suddetti. Fate dunque attenzione, molti TV e schede grafiche probabilmente funzioneranno comunque (spesso sono provviste di appositi circuiti di protezione) ma non voglio ovviamente assumermi responsabilità per eventuali danni; posso solo confermare che per ora a me funziona tutto, non so se sono stato solo fortunato o è normale. In ogni caso lo schema che segue è pensato per ovviare agli (eventuali) inconvenienti sopra riportati.
Schema n.5: Sincronia composita con due sole resistenze, alimentazione esterna e audio
Pro: Funziona con qualsiasi scheda video
Contro: Richiede almeno due resistenze, necessita di alimentazione esterna
Questo schema è un mix tra il precedente ed il primo (il 2/2b) con l’aggiunta di un paio di resistenze; ma andiamo con ordine: Oramai avrete notato come le linee R,G,B e relative masse siano sempre le stesse; discorso simile per le altre masse, qui vediamo connesse quelle dei pin 5 e 10 della Vga con i pin 17 e 18 della scart; vale sempre il consiglio di collegarle se possibile tutte per una maggior stabilità del segnale. Una prima variante la troviamo invece nei segnali di sincronia: prima di giungere al solito pin 20 del TV vengono aggiunte 2 resistenze da 1.000 Ohm ciascuna; questo risolve senz’altro il problema dell’elevata tensione, che viene abbassata da 5 a circa 1v come richiesto dalla scart; d’altro canto il pin n.8 per la commutazione automatica sul canale AV e quello per abilitare l’ingresso RGB (n.16) sono alimentati dal solito molex esterno e relativa resistenza, il che esclude l’ingresso di voltaggi troppo alti come avviene nello schema precedente. In questo schema appare anche il circuito audio, che non ha varianti di alcun genere nei vari casi ed è piuttosto semplice da realizzare; basta collegare i pin 2,4,6 della scart ad un classico jack da 3.5mm come mostrato in figura; ovviamente se non vogliamo utilizzare le casse integrate nel televisore possiamo ignorare il discorso.
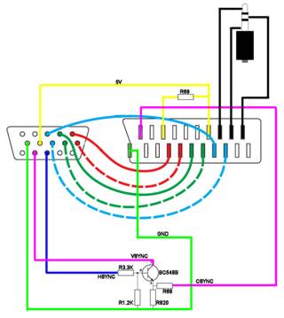
Schema n.6: Sincronia composita con transistor e resistenze + audio
Pro: Funziona con qualsiasi scheda video purché VESA, non necessita di alimentazione esterna
Contro: Richiede vari componenti, più complesso della media, non sempre la scheda grafica ha un’uscita a +5V
Eccoci di fronte ad uno degli schemi più complessi (almeno rispetto agli altri) ma neanche troppo: per miscelare i sincronismi utilizza un transistor (un BC548B) con l’aggiunta di alcune resistenze; questo garantisce sicuramente un buon risultato, anche se comporta un po’ di lavoro extra; i collegamenti delle masse e delle linee RGB sono, inutile dirlo, sempre gli stessi. Anche qui vediamo il circuito audio, ovviamente uguale a quello raffigurato nella schema precedente. Un’ulteriore variante rispetto a quanto visto fin’ora la notiamo invece a proposito del metodo usato per abilitare i pin n.16 (RGB enable) e n.20 (commutazione automatica) della Scart: anziché avvalersi di alimentazioni esterne o sfruttare il segnale di sincronia vengono presi i 5v direttamente dal pin n.9 della VGA; è doveroso notare che non tutte le schede video sono in grado di fornire tale tensione, soprattutto i quelle più datate; in ogni caso tutti i modelli recenti, conformi alle specifiche VESA 2.0, dovrebbero essere adatti; bisogna inoltre fare attenzione al fatto che il pin n.9 richiederebbe 12v per commutare sul canale AV; se invece la TV supporta la possibilità di scegliere l’aspect ratio con soli 5v dovrebbe commutare in 16:9 anziché 4:3.
Schema n.7: Sincronia composita diretta senza alimentazione esterna con una resistenza + audio
Pro: Richiede una sola resistenza, non necessita di alimentazione esterna
Contro: Funziona solo con alcune schede Ati Radeon (necessita di sync composito)
Concludiamo con uno schema piuttosto semplice, basato sullo stesso principio del n.2: anche qui infatti è fondamentale che la scheda video possa produrre direttamente un segnale composito attraverso il pin n.13 (senza utilizzare quindi il n.11) pertanto il cavo potrà funzionare solo, come già detto, con alcuni modelli di Ati Radeon. Solito discorso per il circuito audio, sempre lo stesso; anche qui, inoltre, come nello schema precedente, si sfrutta il pin n.9 della VGA per indirizzare i 5v ai pin 8 e 16 (previa solita resistenza da 75 Ohm) della scart; in particolare per il pin 8 valgono quindi le considerazioni espresse al capitolo 5.5. Rispetto ad altri schemi mancano alcune masse, come sempre possono essere aggiunte per una maggior stabilità del segnale.
ALCUNI CONSIGLI PRATICI SULLA REALIZZAZIONE DEL CAVO
Andiamo ora un po’ più sul concreto: come posso realizzare fisicamente questo cavo? In effetti esistono vari metodi: per esempio possiamo acquistare a parte i connettori VGA e SCART in un negozio di elettronica qualsiasi e quindi saldarli usando del normale cavo ethernet (sì, quello UTP usato normalmente nelle reti); molti hanno provato e sono riusciti senza problemi, per quanto questa non sia magari la soluzione perfetta; un’alternativa migliore sarebbe quella di procurarsi un cavo VGA normale, tagliarlo ad una estremità e collegarci quindi la presa scart, magari ricavandola sempre da un vecchio cavo o acquistandola appositamente; in questo caso è bene scegliere un cavo VGA schermato (cioè di quelli con le masse “avvolte” attorno ai fili R,G,B e con ulteriore guaina protettiva attorno al cavo stesso); per la parte audio basterà un qualunque cavetto jack 3.5mm senza pretese. Volendo si potrebbero scegliere prese coi connettori dorati, più costose ma di qualità superiore (soprattutto dal lato scart); nel caso il nostro schema utilizzi componentistica particolare (diodi,resistenze ecc.) dovremmo valutare se riusciamo a far stare tutto entro il “guscio” della scart (che all’interno ha un po’ si spazio) o se usare un qualche box esterno; è sempre buona noma collegare tutte le masse, specialmente quelle delle linee RGB e del guscio esterno del cavo onde ridurre al minimo le interferenze. Ovviamente tutto ciò presuppone la capacità di saper saldare, me se non è il vostro caso non disperate: personalmente ho realizzato il mio cavo senza saldature, semplicemente attorcigliando i cavetti tra loro e ricoprendoli poi con la guaina termo restringente, dei piccoli “tubicini” da inserire nel punto di giunzione che hanno la caratteristica di restringersi se riscaldati (per es. con un accendino, ma attenti a non bruciarli!) aderendo perfettamente ai fili ed isolandoli; naturalmente il massimo è sempre un buon lavoro di saldatura, confermo comunque che il mio cavo sembra funzionare senza particolari problemi. Possiamo vedere un esempio illustrato nella foto sotto (lo schema usato in questo caso è il 5.6)
SETTARE IL MAME ED IL TV PER SFRUTTARE AL MEGLIO IL CAVO RGB
Impostazioni ottimali del Mame
Per poter sfruttare al meglio il nostro cavo vga-scart è fondamentale configurare correttamente il Mame; si noti che tali settaggi sono pressoché gli stessi usati coi monitor arcade all’interno dei Mamecab. Come già accennato l’utilizzo di questo cavo permette di eseguire i nostri giochi preferiti alla loro risoluzione nativa, ottenendo così un risultato molto simile all’originale; affinché ciò avvenga sono necessari i seguenti settaggi:
# # VIDEO OPTIONS # video ddraw numscreens 1 window 0 maximize 1 keepaspect 1 prescale 1 effect none pause_brightness 0.65 waitvsync 0 syncrefresh 0 # # DIRECTDRAW-SPECIFIC OPTIONS # hwstretch 0 # # FULL SCREEN OPTIONS # triplebuffer 0 switchres 1
NOTA BENE: Poiché tramite questi settaggi ogni gioco girerà alla sua risoluzione nativa, pur avendo una resa assolutamente paragonabile ai cabinati arcade è probabile che andremo incontro a forti variazioni nella dimensione delle schermate; alcuni giochi usciranno cioè dai bordi del televisore mentre altri non saranno in grado di sfruttare tutto lo spazio a disposizione. In alternativa, abilitando l’hardware stretch e disabilitando lo switchres è possibile forzare i giochi a girare tutti alla stessa risoluzione; questo risolverà il problema di cui sopra ma peggiorerà inesorabilmente la resa visiva che sarà più lontana da quella “arcade perfect” che andiamo cercando con questo progetto… nel dubbio fate dei tentativi e valutate autonomamente i risultati che vi sembrano migliori.
Utilizzo di un Frontend
A causa della bassa risoluzione del vostro TV (solitamente si utilizza windows a 640x480 o 720x480) potrebbe essere poco pratico utilizzare il classico MameUI a causa della difficoltà di lettura dei caratteri; per questo è consigliato abbinare al Mame un cosiddetto “front-end” ossia una diversa interfaccia grafica di gestione, ottimizzata per l’uso sui monitor arcade (e quindi ideale anche per il televisore); tra i più famosi in ambito windows citiamo Mamewah, Mala e GameEX. Per avere consigli e guide sull’utilizzo di questi programmi vi rimando all’apposita sezione sul forum di Mameitalia: http://www.mameitalia.net/index.php?showforum=4
Il problema dell’Overscan
Un problema che si verifica pressoché nella totalità dei casi è quello del cosiddetto “Overscan”: in sostanza ogni televisore è programmato per fare in modo che l’immagine visualizzata “sbordi” sempre verso l’esterno; si tratta di una impostazione tipica negli standard di trasmissione televisiva PAL ed NTSC e guardando la tv normalmente non ce ne accorgiamo; al contrario nel momento in cui cerchiamo di visualizzare windows attraverso il nostro cavo RGB solitamente notiamo subito che i bordi del desktop (e spesso lo stesso menù avvio) non sono visibili; mentre i monitor arcade dispongono di appositi trimmer analogici per regolare lo schermo di volta in volta, sul tv una simile operazione è possibile solo entrando nel cosiddetto “service menu” (menù di servizio) che normalmente non è accessibile dall’utente ma solo dal centro assistenza; raramente il manuale standard riporta infatti i codici o le tecniche per accedere al menù stesso, anche perché si rischia, in caso di manovre errate, di sballare completamente i settaggi corretti del televisore; non dimentichiamo inoltre che agendo su questi parametri poi ci potremmo trovare con degli sgraditi bordi neri durante la visione dei normali programmi televisivi. Una alternativa potrebbe essere dunque la regolazione della scheda video; a tal proposito molti driver (come quelli Nvidia o Ati) prevedono espressamente questa funzione; in alternativa anche il già citato Powerstrip è perfettamente adatto allo scopo. GUIDA ALLA COSTRUZIONE DEL CAVO VGA - SCART RGB
Approfondimenti e dettagli
LA GUIDA AGGIORNATA PUO' ESSERE CONSULTATA DIRETTAMENTE DA QUI

Elettrotecnica e non solo (admin)
Un gatto tra gli elettroni (IsidoroKZ)
Esperienza e simulazioni (g.schgor)
Moleskine di un idraulico (RenzoDF)
Il Blog di ElectroYou (webmaster)
Idee microcontrollate (TardoFreak)
PICcoli grandi PICMicro (Paolino)
Il blog elettrico di carloc (carloc)
DirtEYblooog (dirtydeeds)
Di tutto... un po' (jordan20)
AK47 (lillo)
Esperienze elettroniche (marco438)
Telecomunicazioni musicali (clavicordo)
Automazione ed Elettronica (gustavo)
Direttive per la sicurezza (ErnestoCappelletti)
EYnfo dall'Alaska (mir)
Apriamo il quadro! (attilio)
H7-25 (asdf)
Passione Elettrica (massimob)
Elettroni a spasso (guidob)
Bloguerra (guerra)