Premessa
Dopo aver analizzato il Rivelatore di fase nell'articolo precedente, si passa all'analisi dei due blocchi successivi costituenti un PLL di primo tipo ovvero: Il filtro passa-basso ed il VCO considerando, come in precedenza, lo schema a blocchi riportato in figura:
Filtro passa-basso
L'uscita del Rivelatore di fase

è filtrata da un filtro passa-basso il cui scopo è quello di lasciar passare la componente continua o lentamente variabile di y(t) ed attenuare le componenti a frequenza 2kfin. Spesso viene utilizzato un semplice filtro del primo ordine la cui funzione di trasferimento è:
dove KLPF è il guadagno del filtro ed fLPF = ωLPF / 2π è la frequenza di taglio a 3dB.
Se la frequenza di taglio del filtro è molto minore del doppio della frequenza del segnale di ingresso, ovvero fLPF < < 2fimin l'uscita del filtro è approssimativamente uguale alla componente continua, yDC , in uscita dal rivelatore di fase.
Il filtro può essere realizzato con il semplice filtro R-C del primo ordine riportato in figura:
Dall'analisi del circuito si ricava:
con fLPF = ωLPF / 2π = 1 / (2πRC) e KLPF = 1
VCO
L'oscillatore controllato in tensione VCO (Voltage-Controlled Oscillator) è un dispositivo elettronico con lo scopo di produrre un'oscillazione periodica, il cui periodo, e di conseguenza la frequenza, sono determinati dal valore della tensione applicata all'ingresso di controllo,vDEM(t).
In un VCO la frequenza di uscita dipende dalla tensione di ingresso secondo la relazione:

dove fFR è una costante la cui unità di misura è [Hz] e KfVCO è il guadagno del VCO la cui unità di misura è [Hz/V].Se si considerano le pulsazioni invece che le frequenze il guadagno del VCO è KVCO = 2πKfVCO la cui unità di misura è [rad/s/V]. La frequenza fFR ed il guadagno del VCO,KfVCO , possono essere calcolati in funzione della massima e minima frequenza di uscita del VCO, dalle seguenti relazioni:
Quindi, l'uscita del VCO può essere scritta nella seguente forma:
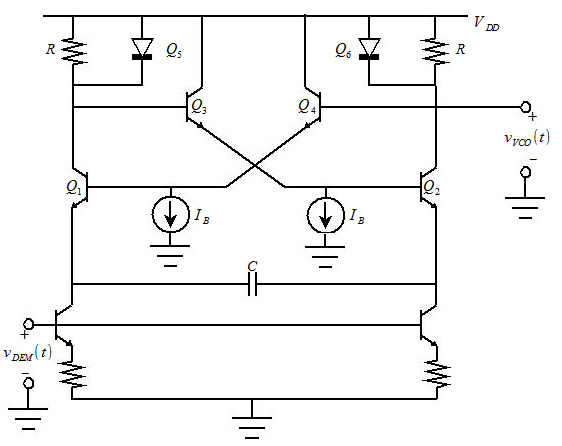
Se le frequenze non sono particolarmente elevate (massimo nell'ordine dei MHz), è possibile utilizzare come oscillatori dei multivibratori R-C basati su una coppia di dispositivi connessi ad incrocio. Un esempio è dato dal multivibratore accoppiato di emettitore mostrato in figura, in cui la corrente di carica nel condensatore varia in funzione del segnale di controllo. La frequenza di oscillazione, in tal caso, vale f = 1 / T = I1 / (4CVBE(on))

Elettrotecnica e non solo (admin)
Un gatto tra gli elettroni (IsidoroKZ)
Esperienza e simulazioni (g.schgor)
Moleskine di un idraulico (RenzoDF)
Il Blog di ElectroYou (webmaster)
Idee microcontrollate (TardoFreak)
PICcoli grandi PICMicro (Paolino)
Il blog elettrico di carloc (carloc)
DirtEYblooog (dirtydeeds)
Di tutto... un po' (jordan20)
AK47 (lillo)
Esperienze elettroniche (marco438)
Telecomunicazioni musicali (clavicordo)
Automazione ed Elettronica (gustavo)
Direttive per la sicurezza (ErnestoCappelletti)
EYnfo dall'Alaska (mir)
Apriamo il quadro! (attilio)
H7-25 (asdf)
Passione Elettrica (massimob)
Elettroni a spasso (guidob)
Bloguerra (guerra)