RENZO D.F., MEMBER, EP
Indice |
Abstract
Extension of Millman's theorem.
Premessa
Nelle scorse settimane vedendo comparire nel forum il teorema di un "Pisano", del quale non ero proprio a conoscenza, mi sono galvanizzato; pur'io in fondo due anni di Biomedica a Pisa li avevo fatti e anche se ormai non collego più i temini "scarico" ad accumulatore e "perdite" a Joule, bensì a lavandini e guarnizioni, forse uno "straccio" di teorema potevo scriverlo; mi sono messo al lavoro e, grazie ad Isidoro che mi ha dato la possibilità di prendere visione del documento originale di Millman, mi son chiesto ...
... "che sia possibile una sua estensione multinodale ?" ...
Introduzione
Viene sviluppata una relazione risolutiva volta a determinare la differenza di potenziale fra due nodi di una rete lineare, in condizione di regime stazionario, che porta ad una estensione del teorema di Millman a reti a base trinodale; l'espressione è ovviamente più complessa ma, a mio parere, ancora ingegneristicamente utile.
Il vantaggio è rappresentato dal notevole risparmio di calcolo e soprattutto di tempo rispetto alle modalità risolutive tradizionali nonchè dalla facile memorizzazione ed applicazione.
La metodologia applicativa viene illustrata attraverso alcuni esempi applicativi relativi sia a reti in corrente continua sia in corrente alternata sia, per continuità storica, al circuito equivalente di un amplificatore a triodi.
Il Teorema
Assegnati due punti H e K di una rete lineare, collegati da un ramo della rete stessa, nei quali concorrano un arbitrario numero di impedenze Zhi e Zkj, noti i potenziali dei morsetti opposti delle stesse rispetto ad un riferimento comune O, si ricava una generica relazione per la determinazione della d.d.p.
fra i suddetti punti.
Indicate con E0 e Z0 la f.e.m. e l'impedenza del ramo fra H e K, (E0 positiva se diretta da H verso K)
applicando il principio di Kirchhoff alle correnti, ai nodi ad H e K, e posto
otterremo, ricordando KCL e Norton ed usando le ammettenze Y=1/Z
che si potrà semplificare nel seguente sistema nelle incognite VH e VK
riscritto in forma matriciale corrisponderà a
ed infine, ricordando che
la relazione cercata sarà esplicitabile come
Si desidera sottolinare come, mentre a numeratore le sommatorie delle sole ammettenze abbiano indici "inferiori" i=j=1, a denominatore si abbia i=j=0, ad indicare che sono comprensive dell'elemento Yh0=Yk0=Y0.
Regola mnemonica
La regola mnemonica che si permetterà una facile applicazione sarà;
"La d.d.p. VHK è pari al rapporto fra:
- un numeratore costituito dalla differenza fra, prodotto delle "correnti di cortocircuito virtuali" dei rami collegati ad H per la somma delle ammettenze concorrenti in K (Y0 esclusa) ed il suo simmetrico relativo a K,
- un denominatore pari alla differenza fra il prodotto delle somme delle ammettenze in H e in K (Y0 compresa) ed il quadrato dell'ammettenza internodale Y0".
E' facile convincersi che, nel caso di coincidenza fra K e O, venendosi ad annullare tutte le Vkj, si viene ad annullare il secondo termine della differenza a numeratore, mentre a denominatore l'uguagliarsi delle due sommatorie (m=n) porterà a semplificare la relazione nella classica formula di Millman
che sarà quindi un caso particolare della (1).
Esempi applicativi
E veniamo alla parte più interessante dell'articolo, ovvero come si applica quel "formulone" ad una rete reale ?
Niente di più semplice, vediamone alcuni esempi:
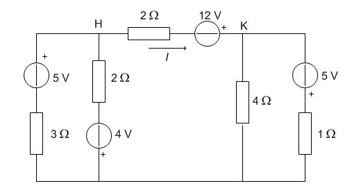
- una rete in corrente continua trinodale
Sostituendo nella formula i valori dei parametri circuitali della rete otteniamo
- una rete con ramo parallelo
In questo caso, basterà considerare l'ammettenza Y0 come somma delle due ammettenze della sottorete in verde
mentre la corrente di corto virtuale rimarra pari a 6/1= 6 A e la tensione sarà
NB Si capisce come sia, in generale, possibile estendere questo caso particolare ad un superiore numero di rami in parallelo fra H e K
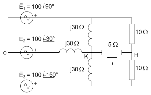
- una rete trifase pentanodale
che porta immediatamente a
e la corrente
NB Si noti come, pur essendo in presenza di cinque nodi, sia ancora possibile applicare la (1) grazie alla "virtualità" dei due nodi, superiore ed inferiore destro, della rete, eliminabili con uno sdoppiamento dei generatori E1 ed E3.
.
Un ultimo Esempio Simbolico
Come ultimo esempio, prendendo in prestito il quarto esempio applicativo (g) del documento di Millman [1], consistente in un amplificatore a doppio triodo per audio-frequenza; mettiamo alla prova la relazione (1) per ricavare il guadagno del primo stadio
la rete viene rappresentata con il seguente circuito equivalente
Millman deve ovviamente applicare per due volte in successione il suo teorema [2], e ipotizzare delle semplificazioni per non appesantire il calcolo, mentre ora con la relazione (1) potremo scrivere direttamente il guadagno K ricordando che sarà pari a
e quindi
semplificabile in
sviluppando e fatte vere le ipotesi semplificative assunte da Millman
otterremo la stessa relazione finale !
.
Bibliografia
[1] Jacob Millman, A Useful Network Theorem, 1940.
Purtroppo il documento linkato non è scaricabile gratuitamente, è comunque disponibile un breve estratto nella sezione Elettrotecnica del forum
[2] Renzo D. F. , Cos'è il teorema di Millman, 2010.

Elettrotecnica e non solo (admin)
Un gatto tra gli elettroni (IsidoroKZ)
Esperienza e simulazioni (g.schgor)
Moleskine di un idraulico (RenzoDF)
Il Blog di ElectroYou (webmaster)
Idee microcontrollate (TardoFreak)
PICcoli grandi PICMicro (Paolino)
Il blog elettrico di carloc (carloc)
DirtEYblooog (dirtydeeds)
Di tutto... un po' (jordan20)
AK47 (lillo)
Esperienze elettroniche (marco438)
Telecomunicazioni musicali (clavicordo)
Automazione ed Elettronica (gustavo)
Direttive per la sicurezza (ErnestoCappelletti)
EYnfo dall'Alaska (mir)
Apriamo il quadro! (attilio)
H7-25 (asdf)
Passione Elettrica (massimob)
Elettroni a spasso (guidob)
Bloguerra (guerra)
