In questo articolo descrivo un paio di lavoretti molto più semplici della plafoniera LED da me realizzata e descritta in altro articolo: plafoniera a LED.
Si tratta di una banale lampadina da libro e una lampada da tavolo, entrambe acquistate molti anni fa e quindi in origine dotate di lampadina a incandescenza/alogena. Entrambi i "progetti" si basano non tanto sui calcoli teorici (molto semplici) ma sulla misura e caratterizzazione dei componenti disponibili, con soluzioni tecnicamente non proprio ortodosse ma all'atto pratico semplici ed affidabili.
La lampadina da libro
Questo è un esempio proprio banale, lo riporto perchè è un lavoretto da me fatto parecchi anni fa e ancora funzionante.
La lampadina (nella foto dopo la modifica LED) in origine era alimentata da due ministilo (AAA) e portava una lampadina a incandescenza da 3V e pochi W (non ricordo esattamente quanti). Effettuai la modifica perchè le pile duravano poco e la luce era molto fioca. In quegli anni (almeno 5-6 anni fa) avevo acquistato sui ebay diversi LED discreti in package plastico, diametri 5-8-10 mm e angoli di emissione tra 40 e 140°. In questo caso decisi di usare il seguente LED bianco:
FlatHat diametro 8mm; Vf ~ 3,05(a caldo)-3,1V(a freddo) @0,3A. Angolo emissione 140°
Questi LED avevano dimostrato una scarsa affidabilità se usati a piena potenza, a causa del package plastico e della dissipazione affidata ai soli piedini del LED. Però per questa applicazione non necessitava tutta la potenza nominale del LED, quindi decisi di dimensionare la resistenza di caduta per avere una corrente max di circa 0,2A con pile ricaricabili NiMh.A causa delle tensioni tipiche delle ministilo NiMh (circa 1,3-1,4V a piena carica) per polarizzare correttamente il LED ho dovuto aggiungere una terza pila serie in un apposito contenitore aggiuntivo. Il banalissimo circuito è questo:
Inizialmente avevo inserito Rs=4 Ohm non ricordo in base a quali considerazioni di affidabilità e misure. In questi giorni a causa della rottura del vecchio portapile e della conseguente sostituzione ho effettuato una nuova misura.La resistenza di 4 Ohm risulta essere sovradimensionata, infatti ho misurato a pile cariche
Iled= 0,15A con una tensione ai capi del LED di circa 2,9V.
Ho quindi ridotto Rs a 2 Ohm e ripetuto il test dopo aver caricato le pile. Con tensione delle pile a vuoto Vo=4,1V (1,36V cad) ho misurato Vled = 3,02V e Iled = 197 mA(la tensione delle pile con il carico collegato si abbassa a circa 3,6V). La Rs così ridotta tra l'altro riduce a meno del 20% le perdite aggiuntive esterne al LED. Questo è un semplice esempio dove una Rs molto ridotta non influenza l'affidabilità del LED. La tensione delle pile ricaricabili non è soggetta a oscillazioni come quella ricavata da semplici alimentatori da rete, ma tende ovviamente a calare partendo da un valore a vuoto e a piena carica dipendente dalla chimica e quindi molto ripetitivo.
La scelta di 3 pile serie NiMh è ottimale.Infatti nell'uso in configurazioni serie delle batterie quando una delle pile esaurisce la carica tende ad andare in inversione a causa della corrente che circola nel circuito, e questo causa una drastica riduzione della durata delle batterie.In questo caso invece la luminosità del LED però decresce rapidamente sotto i 2,8V, rendendo evidente la necessità di ricaricare le pile evitandone il danneggiamento per sovrascarica.
La lampada da tavolo
E' una lampada particolare de "La Murrina", risalente quasi a 20 anni fa.
La base circolare ospita un trasformatore toroidale, da me già sostituito anni fa con uno leggermente più potente (l'originale era defunto...) I due bracci metallici portavano direttamente la 12V AC ad una lampadina alogena da 40W. Nonostante la potenza relativamente contenuta la parte superiore della lampada, decorata con una corona di vetro azzurro, raggiungeva temperature elevate, sicuramente superiori ai 50-60°C.Questo, oltre a un certo rischio di scottature, ha portato nel tempo alla ossidazione del supporto ceramico della lampadina (attacco tipo G6).
Qualche anno fa avevo fatto la prima modifica con LED simili a quello usato per la lampadina da libro; il risultato non era stato soddisfacente a causa della scarsa affidabilità termica di quei diodi e del montaggio in gruppo con circolazione d'aria limitata: dopo solo pochi mesi alcuni LED sono passati "a miglior vita"... Avevo poi modificato il tutto utilizzando ancora LED da 8mm 140° ma soli 100 mA (0,3W cadauno circa). Lo spazio disponibile mi ha permesso di montare 3 serie di 4 LED, con una Rs minima per ogni ramo e una potenza totale sui LED di circa 4W. La resa luminosa non era eccezionale, anche a causa della scarsità di luce laterale (il cono di emissione reale sembrava inferiore a 140°).L'affidabilità era sufficiente, ma il contatto col supporto ceramico era ormai compromesso e causava difficoltà di accensione.
In seguito alla recente realizzazione della plafoniera LED ho quindi deciso di modificare ulteriormente la lampada utilizzando i LED SMD 5630 avanzati dal precedente lavoro (si veda l'articolo extreme-diy-plafoniera-a-led). Si tratta di LED 5630 assiemati su striscia e alimentati a 12V CC. Misure effettuate alimentando un settore della striscia a 12V hanno riportato per ciascun LED
V=3,4 V @ I=45 mA -> P=150 mW
Questa volta ho smontato totalmente la parte superiore della lampada per eliminare il vecchio attacco G6 ed i suoi problemi di contatto. Ecco la foto della struttura conica che contiene il corpo illuminante.
Al suo interno era presente una parabola metallica riflettente, che ho eliminato perchè inutile coi LED.
Per semplicità realizzativa e per migliorare il raffreddamento dei LED ho quindi deciso di sfruttare la sede circolare che ospitava la parabola (indicata in figura dalla freccia) e montare i LED su una lamina circolare in Cu-Be delle stesse dimensioni della sede. Poichè da misure precedenti avevo ottenuto Vcc=12-13V circa (a seconda del carico) dopo il solito ponte di diodi + condensatore, la configurazione possibile era di n serie da 3 LED ciascuna con opportuna Rs. In base alle posizioni dei LED sulla striscia è stato subito evidente che avrei dovuto modificare la striscia per aumentare il numero di LED e poter arrivare a montarne un numero compreso tra 12 e 21 LED (P=1,8-3,15W sui LED). In seguito alle prime prove è poi risultata evidente la necessità, per avere luce sufficiente, di montare tutti i 21 LED modificando drasticamente il layout della striscia: ho eliminato tutte le Rs presenti sulla striscia e sfruttato le rispettive piazzole per ulteriori LED, inoltre ho ricavato ulteriori piazzole raddoppiando la "densità" cioè il numero di LED/metro. Il risultato finale, non proprio bellissimo a vedersi ma incassato nella lampada, è visibile nella foto.
Questo aumento notevole del calore da smaltire potrebbe ridurre la durata nel tempo dei LED. Ho quindi realizzato con la stessa lamina, sul retro del circuito, delle rudimentali alette tra le quali ha trovato spazio il ponte di diodi, il condensatore di livellamento e la resistenza serie.
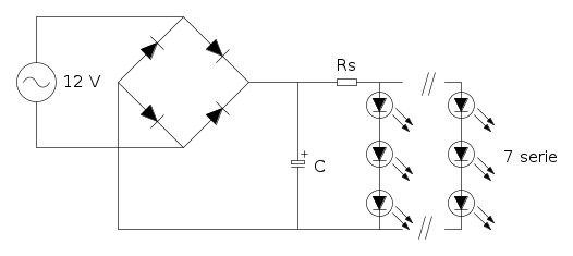
Lo schema elettrico della modifica è il seguente:
Rispetto alle classiche soluzioni con una Rs per ciascun ramo di LED questa soluzione è in generale molto meno affidabile, perchè non realizza un controllo (seppur grossolano) su ciascun ramo ma solo sulla corrente totale. Il motivo di tale scelta è doppio. Il motivo pratico è che, non avendo modo di caratterizzare in maniera semplice il toroidale con carichi variabili, ho dovuto procedere modificando (riducendo) progressivamente Rs fino ad ottenere la corrente totale media desiderata (pari a circa 50 x 7 = 350mA). Per inserire una Rs in ogni ramo avrei dovuto utilizzare una resistenza SMD da montare volante sulla striscia modificata,e quindi avrei dovuto modificare progressivamente le 7 resistenze.
Inoltre avevo già verificato, durante la realizzazione della plafoniera, una notevole uniformità nelle caratteristiche dei LED, tutti provenienti dalla stessa striscia e quindi dallo stesso lotto produttivo.
Infine confido, vista la realizzazione, in una distribuzione abbastanza uniforme della temperatura sul circuito.
Insomma...l'ottimismo è il profumo della vita!
Le successive misure mi hanno portato a ridurre Rs progressivamente da un valore iniziale cautelativo di 12 Ohm fino al valore finale Rs=3 Ohm.
Valore molto sperimentale, perchè dipendente oltre che dal toroidale e dalla corrente assorbita, anche dai diodi e dall'elettrolitico impiegati (tutto materiale ovviamente “di recupero”).
Con questo valore ho ottenuto a caldo Vled=10,2V e Itot=0,37A -> circa 52 mA medi per ramo.
L'effetto luminoso è visibile nelle foto seguenti
La luminosità è risultata più che sufficiente e molto uniforme. Il cono di luce ampio ha diminuito molto l'effetto “tristezza per favore vai via” degli esperimenti precedenti. Poichè su Rs cadono circa 0,37 x 3= 1,11V, oltre le perdite sui diodi del ponte solo il 10% circa della potenza viene “sprecata” su Rs. Ovviamente la bontà di questa scelta discutibile verrà confermata solo dal tempo, e se dovessero verificarsi rotture premature dei LED provvederò a inserire la più sicura resistenza serie su ciascun ramo.
CONCLUSIONI
Il mercato offre ormai numerose soluzioni di illuminazione a LED a prezzo ragionevole. Però spesso prevale la voglia di realizzare qualcosa con le proprie mani, anche per ovviare alla mancanza di un prodotto specifico o alla scarsa qualità di molte realizzazioni industriali low-cost. In questo articolo ho seguito un approccio molto pratico, a volte necessario quando si comprano componenti in rete (caratterizzati poco e male) o si vogliono utilizzare componenti già disponibili.
Il messaggio che voglio dare è che si può giocare, per lo meno con applicazioni a bassa tensione, senza grosse conoscenze e strumentazione purchè si operi con un minimo di criterio e valutando bene ogni aspetto importante del progetto.

Elettrotecnica e non solo (admin)
Un gatto tra gli elettroni (IsidoroKZ)
Esperienza e simulazioni (g.schgor)
Moleskine di un idraulico (RenzoDF)
Il Blog di ElectroYou (webmaster)
Idee microcontrollate (TardoFreak)
PICcoli grandi PICMicro (Paolino)
Il blog elettrico di carloc (carloc)
DirtEYblooog (dirtydeeds)
Di tutto... un po' (jordan20)
AK47 (lillo)
Esperienze elettroniche (marco438)
Telecomunicazioni musicali (clavicordo)
Automazione ed Elettronica (gustavo)
Direttive per la sicurezza (ErnestoCappelletti)
EYnfo dall'Alaska (mir)
Apriamo il quadro! (attilio)
H7-25 (asdf)
Passione Elettrica (massimob)
Elettroni a spasso (guidob)
Bloguerra (guerra)

