Basta con articoli scolastici; ora un bel ACCROCCO CASALINGO!
Con queste cose è d'obbligo il proverbiale don't try this at home; qui non si rispettano norme CE ed in confronto i manufatti cinesi sono uno splendore.
Ma bando alle ciance, cominciamo...
Indice |
Introduzione
Questo è il primo di una serie di articoli dedicati alla realizzazione del mio impianto di illuminazione LED, che in un secondo tempo sarà collegato ad un impianto solare tutto fatto in casa.
Ovviamente non sarei in grado di fare tutto ciò da solo; infatti questi progetti vengono da me sviluppati con tutta la comunità del forum di ElectroYou in questo Post.
L'alimentazione delle lampade è stata realizzata tramite la modifica di un alimentatore per computer, sulla quale pubblicherò un articolo/manuale il prima possibile.
Da tempo mi interesso di LED (Light Emitting Diode); affascinato dalle loro incredibili possibilità, consumi irrisori, vita lunghissima (60.000 ore e più), flessibilità della forma dell'apparecchio illuminante, ecc...
C'è solo un problema però; il costo. In negozio una striscia a led raggiunge prezzi esorbitanti.
Allora mi sono messo a cercare ed ho trovato delle ottime offerte per dei led singoli da 5 mm con luce bianco freddo; così mi sono detto, perché non illuminarci casa?
Progettazione
Per tutto quello che riguarda la teoria dietro questo progetto, rimando allo splendido articolo di IsidoroKZ, "stringhe di led 1 - alimentazione con resistori".
I led da me scelti hanno le seguenti caratteristiche:
- Valori di tensione ai capi comprese tra 3 e 3.2 V;
- Corrente di riferimento 20 mA;
- Angolo di emissione 120 - 140°;
- Emissione luminosa di 16 - 20 Candele.
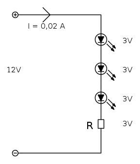
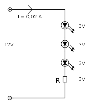
Avendo scelto come alimentazione un valore di 12 V, erogata come precedentemente descritto, si ricava facilmente lo schema della singola serie di led.
Applicando la legge di Ohm si ricava immediatamente il valore della resistenza necessaria per il circuito:

La caduta di tensione ai capi della resistenza è:
; mentre la corrente che attraversa la stessa è la corrente I del ramo pari a
; da cui

Ora, per decidere il numero di led necessari per l'illuminazione da noi desiderata, bisogna tener conto che eguagliare le candele emesse da una comune lampada ad incandescenza con quelle di un certo numero di led non è sufficiente, ma bisogna invece eguagliare il flusso luminoso emesso.
Anche per chiarire questo concetto vi rimando ad un paio di articoli del nostro mitico admin:
Per un rapido calcolo consiglio il tool di posta10100 al seguente link.
Io ho deciso di illuminare "debolmente" parte della mia stanza in modo da ottenere una luce di passaggio per accedere, attraverso una scala, ad un altro ambiente. Per ottenere questo genere di illuminazione, una volta svolti i calcoli, risultano sufficienti 30 - 35 led di questo tipo.
Se invece si desidera un'illuminazione pari ad una lampada alogena da 150 watt saranno necessari circa 77 led (vedi post correlato).
Ovviamente il paragone non è per la potenza consumata, bensì per avere un termine di paragone con lampade normalmente usate; tra l'altro il consumo di una lampada composta da 75 di questi led con debita resistenza alimentati a 12 V dà un consumo di 6 W - alimentatore escluso ovviamente.
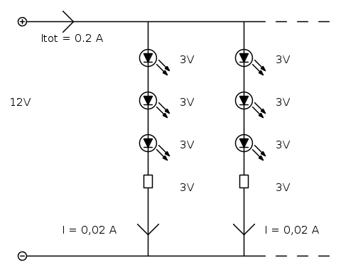
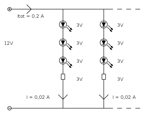
Preso atto del numero di led necessari, in questo caso specifico 30, si passa al calcolo della corrente e del numero di paralleli necessari per realizzare la lampada.


Con
ho indicato la corrente del K-esimo ramo.
Una volta dimensionati i cavi per la corrente che dovrà circolarvi siamo pronti per iniziare!
Realizzazione
Prima di tutto ho montato sulla breadboard una singola fila di led con relativa resistenza per testare se il tutto funzionava; questo per il fatto che 98 volte su 100 la teoria ci prende, ma si può sempre cadere in quel misero 2%...
Come si può vedere dall'immagine ho scelto di utilizzare dei cavi telefonici rossi (positivo) e bianchi (negativo), in quanto sono a basso costo e solitamente costituiti da un'unica anima di rame ottima per la conduzione in continua.
Mi scuso per la scarsa qualità delle immagini che seguono, ma la mia macchina fotografica è ottimizzata per le foto in esterno per cui le immagini risulteranno spesso buie, come questa del circuito sotto tensione.
Ora, verificato che nulla esploda, passiamo alla realizzazione del corpo illuminante. Come prima cosa bisogna procurarsi un supporto per i led, nel mio caso un paraspigoli in plastica termoindurente.
La mia scelta non è stata casuale, difatti con questo supporto si possono creare delle strisce di led applicabili come cornici per controsoffitti o soppalchi; inoltre smussando uno dei due lati (L1), accorciandolo, si può facilmente decidere l'inclinazione da dare all'apparecchio: ponendo i led sul lato (L2) e variando la lunghezza di L1 si modifica l'orientamento della lampada e di conseguenza la zona illuminata.
Inoltre, tagliando lo stesso lato come indicato nell'immagine sottostante, è possibile curvare la stringa per eseguire un motivo o seguire il profilo di una parete curva.
Una volta scelto il passo dei led si può procedere alla foratura del lato L2 del supporto. Consiglio di effettuarlo con una vite di grandi dimensioni o meglio ancora con il trapano, metodi che lasciano un foro pulito ed evitano la rottura del materiale, cosa che avviene frequentemente se si usano chiodi e martello -parlo per esperienza...
Utilizzando del nastro isolante si richiudono i fori da ambo le parti in modo da rinforzare il paraspigoli e permetterci poi di inserire i led semplicemente forando con i piedini del diodo il nastro.
Per indirizzare meglio il flusso luminoso ho applicato sulla parte esterna del supporto una plastica riflettente ottenuta dall'incarto di un uovo di pasqua.
Per fissarla ho utilizzato uno strato di collante leggero (ovviamente il meno infiammabile possibile!); ed uno strato di nastro adesivo trasparente, che aumenta ulteriormente l'effetto riflettente.
Al termine delle precedenti operazioni si dovrebbe ottenere una stratificazione come quella riportata di seguito;
Ora non resta che perforare le plastiche in corrispondenza dei fori con i piedini dei led e di saldare le varie parti del circuito.
Si potrebbero fare delle piccole piazzole di mille fori, una per ogni led e resistenza, ma ho trovato più pratico saldare direttamente i fili ai singoli piedini dei componenti.
Per evitare di bruciare i supporti plastici ho utilizzato una pinza (coccodrillo) attaccata alla base di ogni piedino, per poi saldare il filo; in questo modo il calore viene dissipato dal coccodrillo stesso.
Come si evince dall'immagine i fili sono tutti più o meno alla stessa altezza dalla base proprio per l'applicazione di questo metodo.
Una volta completato e collaudato il circuito ho ricoperto tutti i collegamenti con uno strato di nastro isolante per precauzione.
Inoltre ho trovato comodo dividere la lampada in due parti, due strisce separate unite tramite dei connettori ricavati da quelli eliminati dall'alimentatore.
Conclusioni
In conclusione... Funziona!
Le lampade fanno il loro dovere e l'ingresso delle scale è debitamente illuminato.
In questo articolo ho mostrato come realizzare delle strisce di led ma, utilizzando lo stesso sistema e cambiando il supporto di base, si possono ottenere diversi tipi di lampade. Ad esempio si possono utilizzare come supporto i contenitori plastici che si trovano nelle uova di pasqua, cosi non si usa solo la carta. Con essi si possono ottenere delle lampade "simili" alle normali lampadine, che quindi emettono luce in ogni direzione... insomma non resta che divertirvi a riutilizzare tutti quei mille contenitori, non più inutili, e creare le vostre lampade!
Spero di inserire al più presto un articolo su come realizzare un alimentatore per 12, -12, 5 e -5 V da un alimentatore per computer, da me utilizzato per alimentare queste lampade.
E' vero, come ho detto all'inizio dell'articolo questi miei accrocchi non sono il massimo in fattore di sicurezza, e non sempre la loro realizzazione va a buon fine.
Ma, come dico io, "a volte devi rischiare un incertezza per avere una certezza".
Scontrino
100 Led da 5mm ................. 4,30 €
Paraspigoli .................... 3,00 €
Nastro isolante ................ 1,50 €
Nastro trasparente ............. 1,00 €
Incarto uovo di pasqua ......... Rimediato
Cavo telefonico ................ Rimediato
TOTALE ........................ 9,80 €
Articoli e post correlati
stringhe di led 1 - alimentazione con resistori di IsidoroKZ
Sulle unità di misura e Lumen di candela di admin
Alimentatore fai da te di TONYSTARK
Sistema di illuminazione solare per casa
Correzioni
Siria A.
Francesca S.

Elettrotecnica e non solo (admin)
Un gatto tra gli elettroni (IsidoroKZ)
Esperienza e simulazioni (g.schgor)
Moleskine di un idraulico (RenzoDF)
Il Blog di ElectroYou (webmaster)
Idee microcontrollate (TardoFreak)
PICcoli grandi PICMicro (Paolino)
Il blog elettrico di carloc (carloc)
DirtEYblooog (dirtydeeds)
Di tutto... un po' (jordan20)
AK47 (lillo)
Esperienze elettroniche (marco438)
Telecomunicazioni musicali (clavicordo)
Automazione ed Elettronica (gustavo)
Direttive per la sicurezza (ErnestoCappelletti)
EYnfo dall'Alaska (mir)
Apriamo il quadro! (attilio)
H7-25 (asdf)
Passione Elettrica (massimob)
Elettroni a spasso (guidob)
Bloguerra (guerra)



