In questo articolo descriverò i primissimi passi per poter installare il sistema di sviluppo MPLAB-IDE, il compilatore MPLAB-C18, il bootloader e verificare che il PIERIN funzioni correttamente e che si colleghi al bootloader tramite la USB. Una volta che tutto il sistema sarà funzionante si potrà poi passare a fare le prime esperienze di programmazione. Ovviamente è necessario conoscere il linguaggio C ma, diciamocelo chiaramente, per un microcontrollosta sapere il C è un dovere, quindi prima o poi bisognerà impararlo.
Indice |
Procurarsi il software
Due software sono essenziali per sviluppare con il PIERIN: MPLAB-IDE ed il compilatore MPLAB-C18. Ovviamente sono disponibili sul sito della Microchip quindi:
- Scaricare il Data Sheet del micro. Il Data Sheet è da considerarsi il Libro della Legge Sacra. Va tenuto stt' occhio di continuo, lo si consulta nei momenti di difficoltà e da esso si ottengono tutte le risposte. A volte contiene anche degli errori e quindi sarebbe buona cosa dare uno sguardo anche all' errata. Senza il Data Sheet non si va da nessuna parte e sopratutto NON SI IMPARA NIENTE.
- Scaricare MPLAB-IDE. E' un file .zip e la prima cosa da fare è decomprimerlo in una cartella.
- Scaricare MPLAB-C18 versione lite. E' importante scaricare la versione lite perché non ha limiti di tempo. Non ha un' ottimizzazione spinta come le versioni commerciali ma tutto il software della Microchip viene bene compilato e funziona altrettanto bene con la versione lite. E' necessaria una registrazione. Una volta registrati si può scaricare il software da questa pagina.
- Installare MPLAB-IDE facendo partire il programma Setup
- Installare il compilatore MPLAB-C18.
- Il software per utilizzare il bootloader (nella versione Windows) è allegato a questo articolo, estrarre tutti ifiles che devono rimanere nella stessa cartella dove si trova file HIDbootloader (Windows).exe . A questo punto suggerisco di spostare poi la cartella all' interno cartella di Microchip, creare un collegamento a HIDbootloader (Windows).exe e spostare questo collegamento sul desktop, ad esempio, per averlo sempre disponibile.
Accendiamo il PIERIN
Il PIERIN viene fornito con il bootloader già programmato. E' ovvio, altrimenti sarebbe inutilizzabile senza il Pickit3. Tuttavia per essere sicuri che funzioni viene fornito con un programma di demo già caricato in modo da non avere dubbi sul suo funzionamento. Infatti è sufficiente collegarlo alla USB per vedere i due LED lampeggiare alternativamente. Premendo uno dei due pulsanti (o tutti e due contemporaneamente) il lampeggio alternato si interrompe ed il LED corrispondente la tasto premuto inizia a lampeggiare con frequenza doppia fino a quando non viene rilasciato.
Per poi verificare che anche la USB funzioni è sufficiente premere il pulsante di RESET. Il LED rimarranno spenti ma si sentirà il suono del PC che indica che è stata inserita un dispositivo USB. Visto che si tratta di un dispositivo HID (Human Interface Device), la stessa classe di dispositivi come tastiera e mouse, non viene richiesto nessun driver. Non c'è nulla da installare, se si sente il suono vuol dire che tutto funziona.
Il video qui sotto fa vedere l' operazione.
Verifichiamo il bootloader
L' ultima verifica che dobbiamo fare è verificare che il bootloader veda la scheda. Una nota importante che riporto direttamente dalla documentazione della Microchip:
"Therefore, in order to use this program, you will need to have the .NET framework version 2.0 (higher version probably okay, although not tested) installed on your computer. If you do not have the .NET framework 2.0 installed, a non-descript error message will occur when trying to launch the executable, and the program will not open."
Quindi se non avete .NET framework version 2.0 lo dovete scaricare ed installare.
Se riuscite a lanciare HIDBootloader (Windows).exe vi comparirà questa finestrella.
Ora bisogna collegare il PIERIN alla USB. I LED incominceranno a lampeggiare. Premere quindi il pulsante di RESET, il PC emetterà il suono della USB e la finestra del bootloader cambierà diventando come in questa figura.
Siamo pronti!
Bene, se siamo arrivati a questo punto siamo pronti per iniziare a sperimentare con questa scheda. Possiamo quindi passare al prossimo articolo che illustra come creare un progetto a partire dal modello di base.
Non mi resta quindi che augurarvi BUONA SPERIMENTAZIONE!
Il software per il bootloader si può scaricare da questo link
Addendum
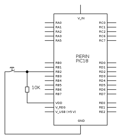
L' utente c1b8 mi ha fatto notare che il bootloader ha un funzionamento particolare che io non sapevo. In effetti mi sono limitato a caricare il bootloader della Microchip senza investigare più di tanto. Ebbene il bootloader funziona in questo modo:
- Utilizza il pin RB2 per far partire il bootloader.
- In caso di RESET con RB2 allo stato logico 1 (con un pull-up, per esempio) parte l' eventuale programma utente
- In caso di RESET con RB2 allo stato logico 0 (collegato a massa, per esempio) parte il bootloader
Quindi se si volgiono fare le cose per bene bisognerebbe realizzare questo circuito
A questo punto ho deciso di modificare il bootloader ed utilizzare il pulsante PL1 per selezionare se far partire il programma utente o il bootloader.
Oggi è il 23 Luglio 2013, da questo giorno in poi lo schedino si comporterà in questo modo: al RESET parte il programma utente. Se però trova il pulsante PL1 premuto parte il bootloader.
Questo video ne mostra il funzionamento
- All' inserzione della spina USB parte il programma utente (programma di demo)
- Tenendo premuto PL1 e premendo il pulsante di RESET parte il bootloader (lampeggio alternato più veloce del programma di demo)
- Resettando nuovamente la scheda parte il programma utente (programma di demo)
Il nuovo booloader è disponibile a questo link.

Elettrotecnica e non solo (admin)
Un gatto tra gli elettroni (IsidoroKZ)
Esperienza e simulazioni (g.schgor)
Moleskine di un idraulico (RenzoDF)
Il Blog di ElectroYou (webmaster)
Idee microcontrollate (TardoFreak)
PICcoli grandi PICMicro (Paolino)
Il blog elettrico di carloc (carloc)
DirtEYblooog (dirtydeeds)
Di tutto... un po' (jordan20)
AK47 (lillo)
Esperienze elettroniche (marco438)
Telecomunicazioni musicali (clavicordo)
Automazione ed Elettronica (gustavo)
Direttive per la sicurezza (ErnestoCappelletti)
EYnfo dall'Alaska (mir)
Apriamo il quadro! (attilio)
H7-25 (asdf)
Passione Elettrica (massimob)
Elettroni a spasso (guidob)
Bloguerra (guerra)
