- Gli ultimi articoli di mir
-
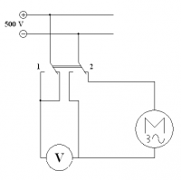
Intensità di correnti elettriche nei gas - prima parte
pubblicato 14 anni fa, 683 visualizzazioni

Durante la manovra di chiusura e di apertura di un interruttore che stabilisce rispettivamente la messa in servizio e di fuori servizio della parte di circuito elettrico ad esso interessato ed in qualsiasi condizioni di carico ed anche di sovraccarico assume particolare importanza il fenomeno dell’arco elettrico, ovvero il canale conduttore fortemente ionizzato e luminoso che si realizza dal passaggio di un’intensità di corrente elettrica in un gas, e le modalità in cui questo si sviluppa e lo si può estinguere condizionano fortemente le caratteristiche costruttive degli interruttori, e più in generale delle apparecchiature di manovra. In condizioni normali tanto i gas che l’aria in genere sono dei buoni isolanti; un generatore elettrico collegato alle armature di un condensatore il quale ha come dielettrico aria secca a temperatura e pressione normale, non si apprezza un passaggio di intensità di corrente, e la carica raggiunta dal condensatore si mantiene per un tempo lungo. Il dielettrico interposto fra le armature in questo caso l’aria mantiene le sue caratteristiche sin quando una causa esterna non renda l’aria “ionizzata”, ovvero una parte delle molecole che compongono l’aria si trovino ad uno stato positivo di “ ioni positivi” quindi non più elettricamente neutre ed in parte si trovino allo stato di “ioni negativi”. Nel dielettrico in questo caso una massa di gas sottoposto all’azione di un campo elettrico si realizza una “corrente di conduzione ionica” in genere di ordine piccolissimo (anche meno dei milliampere), ovvero un movimento di ioni positivi in un verso e di ioni negativi nel verso opposto.
[...] -
Il Contattore
pubblicato 14 anni fa, 58.077 visualizzazioni

Si tratta di un componente elettromeccanico, noto commercialmente anche con il termine tecnico improprio di teleruttore, presente in ogni impianto elettrico di automazione industriale e con il quale si ha a che fare spesso negli interventi manutentivi. Il componente si è trovato al centro di recenti discussioni nel forum di ElectroYou, cosicché ho rispolverato le nozioni delle sue caratteristiche, raccogliendo alcune informazioni utili (spero) su questo fondamentale componente.
Il contattore è un dispositivo elettromeccanico in quanto il suo funzionamento è legato a quello di un elettromagnete ed il suo utilizzo nei circuiti elettrici consiste nello stabilire contatti, cioè aprire e chiudere un circuito "sotto carico"; nella condizione di riposo, ad elettromagnete diseccitato, il contattore risulta aperto, ovvero i suoi contatti principali di potenza sono normalmente aperti (NO).
[...] -
Appunti sui condensatori
pubblicato 15 anni fa, 13.943 visualizzazioni

Il condensatore è un componente passivo in grado di accumulare energia elettrica mantenendo una separazione tra cariche elettriche positive e negative. E' costituito da due superfici metalliche denominate armature, fra le quali è interposto un mezzo isolante chiamato dielettrico. il quale non consente passaggio di corrente al suo interno. A ciascuna armatura è collegato un conduttore, che è il terminale utilizzato per la connessione del componente al circuito.
I condensatori, come i resistori, possono essere del tipo fisso o del tipo variabile. Per il primo tipo si possono classificare in funzione del dielettrico utilizzato per la loro realizzazione. Da questo punto di vista si hanno le seguenti tipologie di condensatori:
[...] -
Un pratico e semplice caricabatterie al NiCd
pubblicato 15 anni fa, 4.991 visualizzazioni

E’ stato rispolverato un apparato un tantinello datato dalle ottime caratteristiche per i suoi tempi, anzi un classico dell’epoca ed ancora perfettamente funzionante con il suo pacco batterie originali al NiCd. E già batterie al NiCd proprio questo è il punto; d’accordo son batterie ormai poco utilizzate, ma non volendo modificare nulla proprio per lasciare l’apparato nelle sue vesti originali, si è presentata la necessità di dover ricaricare il pacco batterie dall’autonomia ormai al limite della carica, ma ancora efficiente… così anziché acquistarne uno già pronto (troppo facile) si decide di realizzarne uno semplice (per le mie capacità elettroniche) con componenti di recupero dal cassetto portatutto….:-)
[...] -
Quando si saldano i contatti di un Contattore ?
pubblicato 15 anni fa, 2.920 visualizzazioni

Il contattore è un dispositivo il cui funzionamento è legato a quello di un elettromagnete, ed è costituito essenzialmente da due equipaggi, uno fisso ed uno mobile, quest'ultimo bilanciato da opportune molle antagoniste. Il contattore è destinato ad aprire e chiudere un circuito sotto carico, ed è caratterizzato da una sola posizione in cui può rimanere ad elettromagnete diseccitato.
-l'elettromagnete di comando, -contatti, la parte interessata al movimento che realizza o interrompe la continuità elettrica di un conduttore, e si distinguono in: --contatti fissi, ovvero quelli rigidamente fissati sul'incastellatura del contattore, --contatti mobili,quelli montati su un supporto comandato dalla parte mobile dell'elettromagnete, ovvero dall'equipaggio mobile del contattore. [...] -
L'alimentatore per antenna Tv.
pubblicato 15 anni fa, 16.202 visualizzazioni
L'alimentatore di un impianto di antenna Tv ,assolve il compito di alimentare l'amplificatore da palo fissato sul palo di sostegno isnieme agli altri elementi di antenna, e questo compito viene svolto attraverso il cavo coassaiale di discesa del segnale Tv realizzando così un sistema di "telealimentazione".
L'alimentatore è di tipo lineare, ovvero composto da un trasformatore-ponte raddrizzatore-condensatore elettrolitico-resistenza/diodo zener; quest'ultimo componente stabilizza la tensione di uscita al valore di 12 V, si trova successivamente una bobina di blocco per la componente RF: choke ( http://en.wikipedia.org/wiki/Choke_%28electronics%29) in serie al positivo di alimentazione (telealimentazione) per l'amplificatore, e dallo stesso positivo attraverso un altro condensatore ceramico si fornisce il segnale di uscita per il TV. Uno schema tipo :
[...] -
Info sul cavo per impianti tv.
pubblicato 15 anni fa, 5.600 visualizzazioni

Il collegamento fra i vari componenti (attivi e passivi) di un impianto di antenna tv,avviene utilizzando il cavo coassiale, spesso poco considerato se non come semplice conduttore al quale viene affidato il compito ( fondamentale ) di trasportare il segnale video,( e nel caso di elettroniche telealimentate anche la tensione di alimentazione ) per questo dovrà rispondere a determinate caratteristiche
elettriche al fine di garantire una minore attenuazione possibile oltre un’efficace protezione da eventuali perturbazioni esterne ; meccaniche , nella fase di installazione infatti può essere sottoposto a sollecitazioni che ne deformerebbero la sua struttura, nonché per preservare l’isolamento ed invecchiamento in eventuali installazioni in ambiente esterno. [...] -
Figure idonee ad eseguire lavori elettrici: CEI 11-27
pubblicato 15 anni fa, 6.496 visualizzazioni
Una breve descrizione di quanto la Normativa preveda per le attività di lavoro su impianti elettrici, fornendo le prescrizioni di sicurezza ed indicando le figure idonee a questo tipo di attività.
“Per lavoro elettrico si intende un intervento su impianti o apparecchi elettrici con accesso alle parti attive (sotto tensione o fuori tensione) nell’ambito del quale se non si adottano misure di sicurezza si è in presenza di rischio elettrico” 'CEI 11-27 art.3.8 Si ricorda che la presenza di una parte attiva in tensione nel caso di funzionamento regolare del sistema elettrico, o fuori tensione nel caso in cui si eseguano dei lavori, può determinare delle condizioni di rischio elettrico, condizione quest’ultima che può generare i principali infortuni dovuti a folgorazione e sviluppo dell’arco elettrico. Pertanto in caso di lavori manutentivi su impianti-macchine occorrerà garantire che per tutto il periodo dei lavori detta parte attiva sia messa in condizioni di sicurezza secondo le procedure del caso, come previsto dalle norme (CEI 11-27) dicasi altrettanto per i DPI (dispositivi di protezione individuale) da adottare caso per caso,al fine di garantire la sicurezza di chi svolge il lavoro elettrico.
[...] -
Resistenza di isolamento di un mat.
pubblicato 15 anni fa, 8.972 visualizzazioni

Negli impianti e/o macchine di automazione industriale, capita sovente che un guasto elettrico possa avere come oggetto il motore asincrono trifase, (brevemente mat) indiziato da possibili interventi delle relative protezioni magnetiche e/o termiche, o da indicazioni di stato di allarme del rispettivo inverter, o semplicemente per una verifica prima di una nuova installazione/sostituzione.
In queste condizioni, è buona norma eseguire dapprima delle verifiche a campo su eventuali condizioni di lavoro gravose (di natura meccanica) che abbiano portato il mat interessato a quel sistema , ad un lavoro straordinario al punto di portare lo stesso motore ad un'ulteriore richiesta di energia, (sovraccarico) tale da far intervenire le protezioni termiche, o ad allarmare il rispettivo inverter.
[...] -
Ripasso sulle lampade fluorescenti, con alimentazione convenzionale.
pubblicato 15 anni fa, 13.209 visualizzazioni

Prendendo spunto da un recente topic in cui si chiedevano delle informazioni sul funzionamento delle lampade fluorescenti a tubo, ho colto l'occasione per ripassare, e scrivere due righe, tenendo presente che, seppur le lampade fluorescenti a catodo caldo di tipo lineare, utilizzate per illuminare grandi ambienti, utilizzano maggiormente alimentatori elettronici, non è raro incontrarne alcune con alimentazione convenzionale.
Le lampade fluorescenti sfruttano le radiazioni luminose secondarie emesse da sostanze fluorescenti presenti sulla superficie interna del tubo e sottoposte all'eccitazione delle radiazioni prodotte da vapori di mercurio presenti in piccolissime quantità all'interno del tubo stesso, in un'atmosfera rarefatta di gas nobili. La luce emessa dalle lampade fluorescenti presenta una composizione cromatica in virtu' della sostanza fluorescente impiegata nel tubo, variandone la qualità di questa sostanza, si ottengono degli effetti di luce che si estendono dal bianco sino a differenti tonalità di colore.
[...]
Chi sono
I miei ultimi post dal forum
-
Quadri elettrici - scritte identificative
Nei quadri elettrici, in particolare quelli industriali, esiste una normativa specifica la quale attesta che le scritte posizionate sotto agli... 22:07
-
Compleanno
Auguri guzz :ok: 13:04
-
Auguri Massimo!
Auguri di Buon Compleanno MASSIMO-G :ok: 17:17
-
Contatto ausiliario aperto/chiuso e sganciato
Contatto segnalazione aperto/chiuso Schneider Contatto sganciato Schneider sono indicatori di stato (aperto o chiuso, intervenuta protezione)... 10:47
-
Buon Anno a tutto il forum
[FIDOCAD] FJC B 0.5 MC 36 28 0 0 300 MC 142 8 0 0 550 MC 90 50 0 0 070 MC 46 54 2 0 010 MC 145 77 0 0 040 MC 58 64 0 0 090 MC 55 72 0 0 200 MC 58... 22:47
-
Scatti estemporanei ..
Questa mattina presto .. il fascino dell'alba, il sole, le nuvole ed il mare ! 31 dic 25 alba.jpg 09:58
-
Buon Natale!
Buon Natale EY.jpg 09:22
-
Oggi auguri a...
arrivo tardi, ma ci tengo a farti i mie Auguri Pietro 21:26
-
Perizia per scoppio vetro lampada a incandescenza
Buongiorno, concordo con le ipotesi di Mike , ovvero shock termico indotto o per contatto con gocce di acqua o per il vapore presente... 11:41
-
m_dalpra
Una brutta notizia. :( Mi dispiace molto, RIP Marco. 19:47

Elettrotecnica e non solo (admin)
Un gatto tra gli elettroni (IsidoroKZ)
Esperienza e simulazioni (g.schgor)
Moleskine di un idraulico (RenzoDF)
Il Blog di ElectroYou (webmaster)
Idee microcontrollate (TardoFreak)
PICcoli grandi PICMicro (Paolino)
Il blog elettrico di carloc (carloc)
DirtEYblooog (dirtydeeds)
Di tutto... un po' (jordan20)
AK47 (lillo)
Esperienze elettroniche (marco438)
Telecomunicazioni musicali (clavicordo)
Automazione ed Elettronica (gustavo)
Direttive per la sicurezza (ErnestoCappelletti)
EYnfo dall'Alaska (mir)
Apriamo il quadro! (attilio)
H7-25 (asdf)
Passione Elettrica (massimob)
Elettroni a spasso (guidob)
Bloguerra (guerra)