- Gli ultimi articoli di WALTERmwp
-
Virus, Vaccini e pecore ...
pubblicato 9 anni fa, 1.003 visualizzazioni

Questo articolo non ha alcuna pretesa, si tratta d'un contributo un po' più esteso rispetto a quanto si scriverebbe in un post, potrebbe essere visto come la naturale contaminazione indotta da quel thread, un'infezione trasmessa dal forum al blog ... Forse può apparire come il tentativo di "alzare la voce" sopra quella degli altri, chissà, può darsi, anche se molto semplicemente (e forse in modo inadeguato) ho voluto mettere in fila alcuni aspetti colti lungo le pagine di quel confronto.
L'obbligo alla vaccinazione o la pratica della vaccinazione sono oggetto di discussione da tempo, la contrapposizione sul tema non è qualcosa di recente. Già alla fine del 1700, inizi del 1800, c'era chi denigrava quell'approccio, allora agli albori: si trattava più che altro di scetticismo e derisione. Per certi aspetti, con le obiezioni d'oggi giorno sollevate riguardo l'efficacia dell'immunizzazione, non si svela nulla di originale, si aggiunge piuttosto, a mio parere, la colpevole carenza d'una elementare conoscenza. Il fatto è che son trascorsi due secoli, dovrebbero risultare evidenti e indiscutibili i progressi compiuti dalla scienza medica, ma ciò nonostante correnti di pensiero trovano linfa nel gettare scredito sull'uso dei vaccini e sui vaccini in quanto tali: i pretesti sono i più disparati.
[...] -
Facciamoci un PC ...
pubblicato 10 anni fa, 1.193 visualizzazioni

No, no, no, non è l'esortazione all'illecito e ... no, nemmeno quello, se c'è qualcuno che si è attardato perché ha gusti particolari, no, ha frainteso, non si tratta nemmeno d'instaurare un rapporto interspecifico ma, semplicemente, di assemblare un PC ...
Attività banale e scontata, si ... forse, e alla portata di tutti, si, anche, quindi questo articolo viene buono per quei due o tre, me compreso, che restano esclusi dal sommario censimento perché pieni di dubbi sul come fare, con qualche incertezza che li frena.
Insomma, un articolo quasi inutile e pure privo di un disclaimer che invece dovrebbe invitare alcuni a non soffermarsi perché quanto contenuto è del tutto vago e prolisso, e che è vago e prolisso andrebbe scritto e segnalato qui e adesso, ma ...
[...] -
HD difettosi e ripristino degli OS
pubblicato 10 anni fa, 1.461 visualizzazioni

Questa breve disquisizione, qualche giorno fa, non l'ho iniziata come si presenta, stavo infatti impostando un thread da inserire nella sezione "PC e informatica" ma poi, mentre scrivevo, mi sono reso conto di quanto semplice e comune fosse l'argomento discusso: per questo avrebbe potuto interessare a prescindere dalle specifiche competenze. Così, trattando in modo generico di hardware e informatica, ho rivisto la scelta e deciso di inserirlo come articolo. Non v'era dunque la necessità d'una risposta ma l'opportunità per fornire un pro-memoria (oltre che a me stesso) a chi al momento non ci pensa o comunque non considera tale evenienza ( ... e non è per portare "rogna" ... ). L'auspicio è che possa contribuire a fare un po' di "prevenzione tecnologica", utile a evitare spiacevoli difficoltà. La questione "tocca" in modo trasversale: oltre a chi lavora "coi" computer, o "nei" computer ( ... chi ci lavora "dentro" poi ce lo spiega come fa ... ), quasi tutti utilizzano un PC come puro e semplice strumento di lavoro, quasi fosse un elettrodomestico.Ma di quale "evenienza" si sta scrivendo ?
[...] -
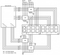
PierinPIC18, il display e il multiplexer
pubblicato 10 anni fa, 765 visualizzazioni

Un Saluto a tutti quanti ...
... L’intenzione era quella di realizzare un cronometro, con funzioni specifiche, particolari, così ho cominciato a cercare tra il materiale a disposizione. Intanto mi serviva qualcosa di adeguato per la visualizzazione del tempo (... se è un cronometro ! ...) ma la scelta era quasi obbligata, per la necessità, al fine di ottenere un buon effetto visivo, quindi mi sono deciso per l'utilizzo di piccoli displays; in tale circostanza infatti un lcd non si pone proprio come alternativa. Dal punto di vista estetico sono anche ben proporzionati e compatibili per un montaggio su circuito stampato. Poi, ovviamente, dovevo scegliere un microcontrollore "pronto" all'assolvimento del compito e qualche altro componente a complemento ma ... " ... mentre valuto tra quelli che “sedimentano” nel solito cassetto, mi accorgo del PierinPIC18 che già mi osservava dalla mensola, poi guardo il cassetto, poi ancora il Pierin, ... che nel frattempo dalla mensola non si è spostato ... e continua a guardare quindi, va beh, perché no ... intanto si può sviluppare impiegandolo come muletto, la sua agilità sta anche in questo per cui mettiamo giù del codice utilizzando lui, la scelta del microcontrollore si può rimandare ... "
[...] -
Quel giorno con Héctor Trinacria ...
pubblicato 11 anni fa, 852 visualizzazioni

... Mi disse " ... te la lascio, fanne quello che credi ma fai in modo che prima passino un po' di anni, tanti anni, se non vuoi avere o creare dei "problemi" ... lascia che trascorra un periodo sufficiente, penso ... poi, se qualcuno avrà modo di leggerla magari non ci crederà nemmeno, sai ... anche adesso sarebbe talmente sorprendente d'essere confusa con un delirio ... " ... ed io, allora, pur non comprendendone la "portata" accettai quel "dono" ma senza rinunciare ad una spiegazione, ad una motivazione ... " ... noi, tutto sommato ci conosciamo ... poco, anzi pochissimo, lei è passato in ufficio in due o tre circostanze, non ha consueti contatti con altri ufficiali e le poche volte che l'ho vista in caserma era sempre in "borghese" quindi ... non è che ci voglia molto per capire di cosa si occupa, dunque, perché a me, con tutte le persone che magari lei conosce ? ... " e senza esitazione mi rispose " perché ho visto come hai risposto a quell'ufficiale Maggiore, difficile sostenere la posizione con quel superiore, con quell'invasato, non mi sono mai piaciuti quei fanatici ... sai bene che passerai dei guai per aver eluso quell'ordine, per altro assurdo, quindi ... ho deciso, così, per istinto ... ", " solo per istinto ? ", gli domandai, e rispose " si, perché sono un nostalgico e non voglio che vada persa per sempre, perché sono generoso e la voglio lasciare a qualcuno, perché sono egoista e non voglio far correre dei rischi ai miei figli per una loro avventata divulgazione, perché io e te ci conosciamo ... poco, anzi pochissimo ... ". Non servì chiedere altro, traspariva considerazione dalla sua apparente impulsiva decisione e questo mi riempì d'orgoglio consolandomi per quei giorni di erre "regalati" e per quelli di licenza "bruciati" ...
[...] -
il "ragazzo" di Pontecchio, Mister Wireless
pubblicato 12 anni fa, 561 visualizzazioni

Il percorso dell’evoluzione scientifica e tecnologica è stato segnato da numerose vicende caratterizzate dall’antagonismo tra personaggi più o meno noti. La storia racconta di contrasti e “conflitti” iniziati per il mancato riconoscimento di un presunto merito o la paternità di un’invenzione ingiustamente attribuita. Che la dichiarazione per la meritoria attività venisse promulgata da un’istituzione piuttosto che dalla medesima persona, poco importa, e le cronache dell’epoca sono a testimoniarlo. Attori, consapevoli di svolgere un ruolo assegnatosi o, protagonisti loro malgrado, oggi conosciamo i loro nomi anche tramite la didattica delle specifiche discipline. Alcuni vengono ricordati per l’importanza delle loro invenzioni oppure per aver contributo in ambito teorico all’estensione della conoscenza. Alcuni, tale è stata la loro levatura, hanno lasciato un segno indelebile tanto da diventare delle icone nell’immaginario collettivo.
[...]
I miei ultimi post dal forum
-
COVID:Ora si.
E' venuto il momento, a mio parere di parlare di Covid o comunque di pandemia. perché ora? Ovviamente perché non siamo in emergenza e se ne può... 15:22
-
Nucleare vs altre fonti energetiche
[OT] (...) Il giornalismo è morto e c'è chi se ne approfitta per distribuire quella che è la sua fede. I proseliti con limitare capacità mentali... 18:21
-
Vajont, nuova idea per produrre energia senza usare la diga
(...) Cosa ne dite? (...) se è possibile e sostenibile il lavoro in caverna, perché no? Comprensibili eventuali perplessità legate... 09:53
-
Video giochi & IA
Il settore delle vendite dei video giochi continua ad avere un trend positivo, in contrasto rispetto alla tendenza che si registra tra gli... 10:30
-
IA e Forum
Per il momento almeno ho deciso di non fare questo esperimento. Sono molto incerto del suo esito e penso che non sarebbe accolto bene. Ad ogni... 10:32
-
Quanto chiedere per una valutazione del rischio da fulmine?
Fosse solo per il titolo verrebbe quasi da chiudere il thread. Un pochino di impegno, e magari anche di rispetto, così da rendere esplicite le... 16:18
-
IA e Forum
Su questo tema, non so se in questo 3D od in un altro, ho accennato ad un'idea che ho di iscrivere un utente fittizio che sia l'IA. Tale utente... 10:32
-
Referendum confermativo riforma della giustizia
per far propaganda al NO quasi basta lasciar parlare queste persone convinte di farla per il SI. E' vero anche l'inverso. I fautori del NO... 11:53
-
IA e Forum
(...)Per l'utente-"IA", non ho idea se sia possibile farlo senza iscriversi ad un "piano a pagamento", avete considerato... 10:32
-
Referendum confermativo riforma della giustizia
Se non che si tratta di una cosa seria, ci sarebbe da dar libera espressione al sarcasmo e all'ironia dopo le quotidiane esternazioni da parte di... 11:53

Elettrotecnica e non solo (admin)
Un gatto tra gli elettroni (IsidoroKZ)
Esperienza e simulazioni (g.schgor)
Moleskine di un idraulico (RenzoDF)
Il Blog di ElectroYou (webmaster)
Idee microcontrollate (TardoFreak)
PICcoli grandi PICMicro (Paolino)
Il blog elettrico di carloc (carloc)
DirtEYblooog (dirtydeeds)
Di tutto... un po' (jordan20)
AK47 (lillo)
Esperienze elettroniche (marco438)
Telecomunicazioni musicali (clavicordo)
Automazione ed Elettronica (gustavo)
Direttive per la sicurezza (ErnestoCappelletti)
EYnfo dall'Alaska (mir)
Apriamo il quadro! (attilio)
H7-25 (asdf)
Passione Elettrica (massimob)
Elettroni a spasso (guidob)
Bloguerra (guerra)