Presentazione
Il dispositivo che mi accingo a descrivere non mi venne commissionato per lavoro, né tanto meno lo realizzai per trarne profitti… cosa che in genere non mi riesce: mi imbarcai in quest’avventura per pura passione... per lo stesso motivo che spinge l'esploratore ad oltrepassare i confini noti e ad esplorare territori sconosciuti...nell'illusione di riuscire a comprendere i misteri... per il desiderio di imparare cose nuove.
Non mi muovo quindi in un ambito professionale, non ho conseguito studi universitari, opero in un laboratorio ricavato in una cantina 2x2 e allestito con strumentazione di fortuna in parte autocostruita di cui questo dispositivo fa parte.
Si capisce quindi come io sia costretto a barcamenarmi facendo bene i conti con tutti i miei limiti strumentali e intellettuali e questo, per alcuni versi, rende ancora più intriganti certe sfide.
Questo progetto va quindi inquadrato con l’ottica giusta: non lo propongo come una soluzione da utilizzare in ambito professionale, anche se i risultati ottenuti sono di tutto rispetto. E’ uno strumento più idoneo ad un livello amatoriale o al limite per scopi didattici.
Il progetto e la realizzazione mi impegnarono per buona parte del mio tempo libero per oltre un anno.
A cosa serve
Si tratta di uno strumento relativamente semplice ed economico che serve a visualizzare oscillogrammi di segnali ad alta frequenza sullo schermo di oscilloscopi di basse prestazioni.
Grazie a questo strumento si riesce con facilità a visualizzare forme d’onda di segnali con frequenza fino a 500Mhz su oscilloscopi con banda passante minima, anche solo di qualche decina di kHz.
Penso per questo che possa essere apprezzato in generale dagli appassionati di elettronica e in particolare dai radioamatori che con questo strumento potrebbero visualizzare sui loro oscilloscopi le forme d’onda dei segnali ad alta frequenza presenti nei circuiti dei loro apparati.
L'idea
L’idea ebbe origine alcuni anni fa osservando le eccellenti caratteristiche di alcuni prescaler in uso nei primi tuner TV equipaggiati con PLL.
Questi integrati a basso costo sono concepiti per eseguire la divisione della frequenza del segnale dell’oscillatore locale all'interno dei tuner TV per un fattore fisso in modo da generare in uscita un segnale che abbia come frequenza un sottomultiplo di quella dell’oscillatore locale, idoneo quindi per essere iniettato nei PLL che all’epoca non erano in grado di operare con segnali a frequenze alte fino alle UHF.
Questi prescaler sono equipaggiati con un amplificatore differenziale in ingresso che è in grado di gestire segnali di poche decine di mV fino alle UHF.
Queste peculiarità mi indussero a pensare che potessero essere anche utilizzabili per uno scopo diverso da quello per cui erano stati costruiti: gestire un campionatore veloce.
Il principio su cui si basa il funzionamento dello strumento e i limiti di utilizzo
Il funzionamento dello strumento in questione si basa quindi sulla tecnica del campionamento e pertanto lo strumento può essere utilizzato solo ed esclusivamente per visualizzare segnali periodici, non è quindi idoneo a visualizzare eventi singoli o comunque segnali non ripetitivi.
Non è certo una novità: tecniche basate sul campionamento sono utilizzate da sempre in alcuni tipi di oscilloscopi professionali, cioè molto sofisticati e costosi, per visualizzare l’andamento di segnali ad altissime frequenze.
Da quello che mi risulta è invece una novità l’uso di queste tecniche in un circuito semplice ed economico e soprattutto realizzabile con attrezzature non professionali anche da chi, come me, non è uno specialista.
Certamente la realizzazione non può essere affrontata da chi è alle prime armi: sono necessarie comunque una certa conoscenza dell’elettronica e una adeguata strumentazione.
L’oscilloscopio da utilizzare
L’oscilloscopio da utilizzare con quest’apparecchio deve avere almeno i seguenti requisiti minimi:
- Banda passante >0,1Mhz
- Accoppiamento DC dell’ingresso verticale
- Disponibilità dell’ingresso orizzontale con una frequenza di taglio inferiore minore di 10Hz o meglio se con accoppiamento in DC
- Sensibilità verticale 1V/div
- Sensibilità orizzontale compresa tra 0 ,01 e 0,8 V/div
- Impedenza di ingresso verticale ed orizzontale > 20 kohm
Come si può ben vedere qualsiasi oscilloscopio possiede sicuramente queste caratteristiche.
Caratteristiche dell’insieme strumento-oscilloscopio
Con l’aggiunta dello strumento in oggetto le caratteristiche dell’equipaggiamento diventano le seguenti:
- Banda passante (2,5dB)
2-500 MHz
- Sensibilità verticale (50 ohm)
5 mV/div.
15 mV/div.
50 mV/div.
150 mV/div.
- Base dei tempi
100 ns /div
50 ns /div
20 ns /div
10 ns /div
5 ns /div
2 ns /div
0,1 ns/div
0,5 ns/div
0,2 ns/div
Faccio notare che, nell’ultima portata della base dei tempi, si ha a disposizione sull’asse orizzontale una scala di ben 200 ps per ogni divisione, perciò un segnale con la frequenza di 500MHz appare in un solo periodo sullo schermo (dieci divisioni)
Nell'immagine che segue si vede in tutta la sua magnificenza, visualizzato sul mio vecchio oscilloscopio Philips da 50MHz, un solo periodo del segnale sinusoidale a 500MHz con la base dei tempi regolata per 200 ps/Div.
Stesso segnale con base dei tempi impostata a 0.5ns/Div
Stesso segnale con base dei tempi impostata a 1ns/Div
Questo è lo schema di un generatore di segnale ad onda quadra 64MHz ottenuto con un circuito ibrido quarzato del tipo in uso nei computer.
E' alimentato a 5V e genera un segnale TTL compatibile.
E' stato utilizzato come circuito test e sono stati rilevati i due oscillogrammi che seguono dove nel primo, con una impostazione della base dei tempi di 5ns/Div, sono visibili tre periodi del segnale e nel secondo, con una impostazione di 1ns/div, solo il fronte di salita.
Collegamenti e comandi
Lo strumento si collega all’oscilloscopio attraverso due cavetti schermati per BF agli ingressi X e Y. I comandi dell’oscilloscopio devono essere disposti in modo da escludere la base dei tempi ed attivare l’ingresso orizzontale da presa esterna X.
Sul pannello frontale dello strumento è previsto il connettore BNC per l’ingresso del segnale 2-500MHz 50ohm che attraverso un adatto cavo schermato si collega internamente all’attenuatore e da questo all’ingresso del circuito.
Sul pannello sono previsti inoltre i comandi dell’attenuatore d’ingresso costituito da due deviatori a levetta di cui il primo opera un’attenuazione di tre volte e l’altro di dieci volte (Le combinazioni delle posizioni di questi due deviatori determinano quindi le quattro portate di sensibilità verticale elencate sopra), i comandi del potenziometro per la regolazione della velocità di scansione, di quello della regolazione dell’ampiezza orizzontale, di quello per la regolazione della posizione orizzontale, e del commutatore a nove posizioni per la base dei tempi.
Questo è il pannello frontale dello strumento.
Descrizione del progetto
Per una migliore comprensione ho suddiviso la descrizione del progetto in quattro diversi livelli di dettaglio.
- Descrizione dell'idea basata sull'uso del prescaler
In questo primo livello espongo l'idea iniziale attorno alla quale orbita tutto il progetto
- Descrizione dello schema di principio dello strumento
In questo secondo livello spiego come si possa strutturare un circuito che sfrutti l'idea del prescaler
- Descrizione dello schema a blocchi
In questo terzo livello, dove si inizia a scendere nella vera struttura del circuito reale e dove comunque il livello di complessità non è ancora massimo, spiego il funzionamento del circuito abbastanza nel dettaglio.
- Descrizione dello schema elettrico
Qui ritengo non sia più necessaria una descrizione dettagliata che altrimenti sarebbe molto lunga e rischierebbe di diventare difficile da seguire. Il passaggio dalla precedente descrizione generale dello schema a blocchi a questa dello schema reale dovrebbe essere abbastanza intuitivo per chi ha un po’ di dimestichezza con i circuiti…questo però non significa che sia facile scendere nel dettaglio e descrivere lo schema in tutte le sue parti, ci sarebbe da scrivere veramente tanto e quindi per ora mi limito solo ad alcuni punti essenziali.
Ulteriori approfondimenti
Sono comunque disponibile su richiesta dei lettori interessati, se dovesse rendersi necessario, a scendere nel dettaglio per approfondire il funzionamento di altre parti del circuito.
Sono pure disponibile tramite MP, ovviamente a titolo gratuito, a fornire i disegni dei vari circuiti stampati con tutte le informazioni necessarie al cablaggio e alla taratura, a chi fosse interessato alla realizzazione dello strumento.
Non serve dire che rivendico la paternità di questo progetto in tutte le sue parti e non sarei disposto a tollerare che venisse utilizzato a scopo di lucro. Consento la divulgazione di questo progetto o di parti di esso solo se contestualmente viene citata chiaramente la fonte e il nome dell’autore.
Descrizione dell'idea basata sull'uso del prescaler
Un circuito semplice, almeno concettualmente, basato sull’uso del prescaler, che sia in grado di catturare il valore di tensione in un preciso punto del periodo del segnale in ingresso ad alta frequenza, è di seguito rappresentato.
Come si vede il segnale di ingresso segue due vie: quella in alto verso l’interruttore e il condensatore e quella in basso verso il prescaler ed il temporizzatore variabile.
L’uscita del prescaler cambia stato ogni trentadue periodi del segnale di ingresso e quindi ogni sessantaquattro periodi si ha un fronte di salita.
Il temporizzatore genera in uscita uno strettissimo impulso dopo un tempo regolabile dall’arrivo al suo ingresso di un fronte di salita del segnale in uscita al prescaler.
In sostanza lo stretto impulso “D” si presenta ogni sessantaquattro periodi del segnale di ingresso e risulta sfasato rispetto al suo passaggio per lo zero di un tempo “t” regolabile.
L’impulso “D” comanda la chiusura dell’interruttore che per ovvi motivi è elettronico e velocissimo.
La durata dell’impulso “D” deve essere molto più breve della durata del periodo del segnale di ingresso alla massima frequenza di lavoro e avendo scelto 500Mz come massima frequenza, il tempo di chiusura dell’interruttore credo non debba superare 100-200 ps al massimo e questo non è affatto uno scherzo. (ho scritto "credo" perchè quel valore è solo stimato: ai fini del funzionamento ritengo sia necessario un valore che non superi quell'ordine di grandezza e credo di essere riuscito ad ottenerlo ma non possiedo strumentazione idonea per misurarlo. Più avanti, nel paragrafo dedicato al campionatore, ritorno sulla questione)
Appare chiaro che, se il ritardo di “t” è fisso, l’interruttore si chiude sempre con la stessa fase rispetto al segnale di ingresso cioè si chiude sempre quando la tensione del segnale di ingresso passa per un certo valore e quindi a tale valore il condensatore tende a caricarsi.
La carica ha termine dopo un certo numero di chiusure che dipende dal valore del condensatore, dalla larghezza dell’impulso, dalla resistenza interna del dispositivo che genera il segnale di ingresso e dalla resistenza serie dell’interruttore.
In definitiva, dopo un certo numero di chiusure dell’interruttore, il valore della tensione continua “E” eguaglia il valore che attraversa il segnale di ingresso nel preciso istante in cui si chiude l’interruttore, istante che abbiamo visto essere in una certa fase dipendente da “t” rispetto al segnale di ingresso.
Se ora facessimo aumentare costantemente e molto lentamente “t”, ecco che andremmo a spostare progressivamente la fase dell’impulso rispetto al segnale di ingresso e, di conseguenza, la tensione “E” varierebbe lentamente e descriverebbe altrettanto lentamente nel tempo la stessa forma d’onda della tensione del segnale in ingresso.
Nei grafici ho cercato di rappresentare tre chiusure consecutive dell’interruttore mettendo in evidenza come varia la tensione sul condensatore per effetto dell’aumento di “t”.
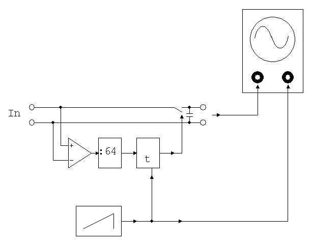
Descrizione dello schema di principio dello strumento
Analizziamo in questo paragrafo la struttura del circuito dello strumento nella sua forma essenziale.
Immaginiamo di far variare "t" tramite un segnale elettrico di comando a dente di sega e di applicare lo stesso segnale di comando anche all'ingresso orizzontale di un oscilloscopio, se la tensione catturata dal condensatore del campionatore la applichiamo poi all'ingresso verticale dello steso oscilloscopio come è rappresentato in figura, il gioco è fatto.
Lo spot è mosso orizzontalmente a velocità costante dal dente di sega (scansione orizzontale) e verticalmente dalla tensione proveniente dal condensatore del campionatore e quindi riproduce lentamente sullo schermo la forma d’onda del segnale ad alta frequenza.
La velocità con cui l’immagine viene riprodotta dallo spot dipende dalla velocità del segnale a dente di sega di scansione che può essere reso lento quanto si vuole.
In realtà non è neanche necessario che la forma d'onda del segnale di comando per lo slittamento della fase sia a dente di sega: in teoria andrebbe bene una forma qualsiasi. Basti pensare che ad una certa coordinata orizzontale dello spot sullo schermo, indipendentemente dalle modalità con cui è stata raggiunta, per come sono disposte le cose, corrisponde sempre la stessa coordinata verticale e quindi la forma rappresentata non dipende dalla forma d'onda del segnale di scansione.
In pratica però conviene una forma a dente di sega perchè altrimenti non sarebbe garantita una uniformità della luminosità dello spot orizzontalmente: la luminosità tenderebbe ad essere maggiore nelle zone in cui la velocità di scansione fosse più bassa perchè il pennello elettronico cederebbe più energia ai fosfori in quelle zone dello schermo.
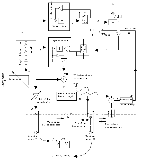
Descrizione dello schema a blocchi
Analizziamo ora la struttura reale del circuito e il suo funzionamento in tutte le sue parti senza però scendere nei dettagli circuitali.
Il segnale in ingresso transita attraverso l’attenuatore verso l’amplificatore che provvede ad un guadagno di circa 20dB verso l’uscita “B” e circa 26dB verso l’uscita F.
Il segnale dall’uscita F, attraverso un circuito inibitore visibile in figura, entra nel prescaler che provvede a dividerne la frequenza per 64.
Il segnale “G” ad onda quadra di frequenza 1/64 rispetto a quello di ingresso dall’ uscita del prescaler entra nell’ingresso di clock di un bistabile veloce di tipo D il cui ingresso D è connesso permanentemente a livello 1.
Il bistabile, resettato dal precedente ciclo, si setta sul fronte di salita del segnale “G” e quando questo avviene“H” commuta dal precedente livello 1 al livello 0 e si apre l’interruttore che teneva precedentemente cortocircuitato il condensatore visibile in figura.
In queste condizioni il condensatore inizia a caricarsi attraverso la sorgente di corrente e si genera così una rampa “I”.
Durante la fase di formazione della rampa ora descritta, cioè quando il bistabile è settato, un apposito circuito comandato dalle uscite del bistabile provvede ad inibire il prescaler: questo serve ad evitare interferenze tra i circuiti interni del prescaler, che altrimenti continuerebbero a commutare velocemente, e gli altri circuiti.
Quando la rampa raggiunge un valore di tensione pari a Vref il comparatore in basso commuta l’uscita “N” resettando e bloccando di nuovo il bistabile, il prescaler si sblocca ed il ciclo di formazione della rampa è pronto ad iniziare di nuovo al successivo fronte di salita del segnale “G”.
Grazie a questo meccanismo le rampe che si susseguono hanno inizio sempre in fase con il segnale “G” e quindi anche con il segnale di ingresso “A”.
A questo punto entra in scena l’altro comparatore: quello che genera il segnale L.
All’ingresso invertente di questo secondo comparatore giunge il lento segnale a dente di sega proveniente dall’attenuatore della base dei tempi. Il livello di questo segnale è sempre inferiore a Vref, quindi il segnale “L” commuta con un certo tempo di ritardo dall’inizio della rampa “I”dipendente dal livello di “M” e sempre prima che la rampa abbia termine.
Il fronte di salita del segnale “L”, la cui fase con il segnale di ingresso dipende dal livello di “M”, coincide quindi con l’istante in cui deve avvenire il campionamento del segnale di ingresso.
A questo scopo provvede il secondo bistabile veloce che, quando riceve il fronte di salita di “L” all’ingresso di clock, commuta le uscite e fa chiudere l’interruttore del campionatore per un tempo brevissimo.
Il segnale lentamente variabile ai capi del condensatore del campionatore, opportunamente amplificato e calibrato, giunge all’uscita Y dello strumento.
Il segnale a dente di sega “E” in uscita dall’oscillatore della base dei tempi, attraverso l’attenuatore a scatti, diventa il segnale “M” visto prima.
Dovrebbe essere abbastanza intuitivo il funzionamento di questa parte di circuito: quando l’attenuatore è impostato per la massima attenuazione il segnale “M” è molto basso e quindi lo slittamento di fase del segnale L rispetto al segnale di ingresso è minimo, siamo quindi nella portata più bassa, quella dei 200 picosecondi per ogni divisione orizzontale.
Viceversa, man mano che si fa aumentare l’ampiezza di “M”ruotando il commutatore dell’attenuatore, aumenta l’ampiezza dello slittamento di fase tra il segnale “L” e il segnale di ingresso e quindi si sale con la portata della base dei tempi.
L’oscillatore della base dei tempi provvede anche a generare un livello basso per l’eliminazione della rintraccia durante il ritorno in posizione dello spot luminoso.
A questo scopo, invece di intervenire sull’asse Z dell’oscilloscopio, che avrebbe comportato un ulteriore collegamento tra strumento e oscilloscopio, (ed inoltre non tutti gli oscilloscopi economici dispongono di un ingresso per l'accesso all'asse Z) ho preferito spostare il livello del segnale di uscita verso valori negativi durante la ritraccia così da spostare in basso fuori campo lo spot luminoso durante il ritorno in posizione.
Nello schema si occupano di realizzare questo funzionamento l’interruttore e il sommatore posizionati prima dell’amplificatore di uscita del segnale Y.
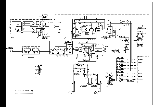
Descrizione dello schema elettrico
clicca qui per vedere lo schema elettrico completo ad alta risoluzione
In questo paragrafo, come ho già detto, una descrizione dettagliata sarebbe eccessivamente lunga ed evito di affrontarla.
Mi limito pertanto ad analizzare solo alcune parti del circuito: le più importanti.
L’attenuatore
L’attenuatore di ingresso deve essere in grado di attenuare il segnale correttamente e con una banda passante sufficientemente larga in modo da non ridurre quella dello strumento.
Per attenuare correttamente segnali fino a 500MHz, vanno prese alcune precauzioni.
Anche qui ho preferito una soluzione che consentisse di raggiungere lo scopo utilizzando materiale economico e di facile reperibilità: si fa uso di due normali deviatori doppi miniatura con attacchi per circuito stampato.
E’ importantissima la distanza tra i due commutatori, la corretta disposizione del piano di massa, la lunghezza dei terminali delle resistenze e la corretta connessione dei due cavetti schermati in ingresso e in uscita e la schermatura del corpo dei commutatori.
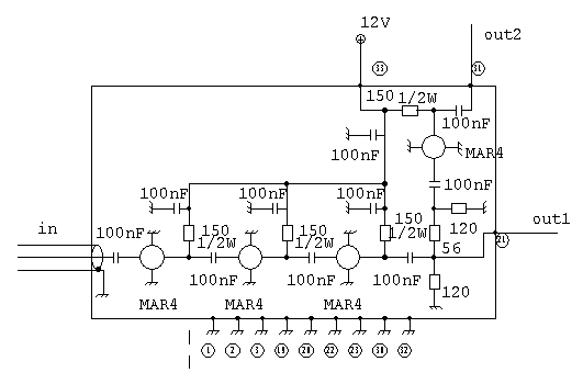
L’amplificatore RF
Grazie all’uso dei circuiti ibridi MAR-4 si riesce ad ottenere ottimi risultati di piattezza di banda con una certa facilità. Anche qui la disposizione dei componenti e il piano di massa svolgono un ruolo importante.
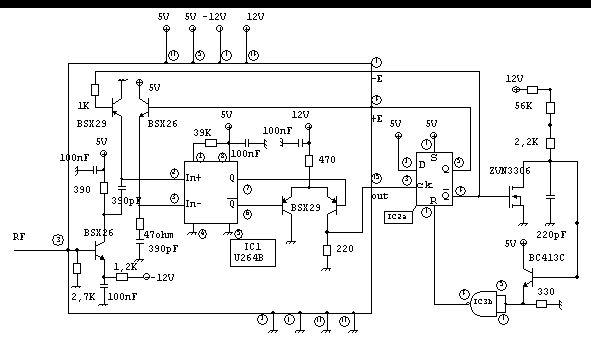
Il prescaler
Il circuito è costruito attorno all’integrato U264B che restituisce in uscita un segnale ad onda quadra la cui frequenza è 1/64 di quella del segnale in ingresso.
Essendo questi componenti progettati per i segnali degli oscillatori locali dei tuner TV accettano segnali in ingresso con frequenze comprese tra una trentina di MHz e 1200MHz ma in effetti il limite inferiore può essere notevolmente migliorato se si provvede a squadrare preventivamente il segnale.
A questo scopo nel circuito ho aggiunto un transistor BSX26 in ingresso che provvede a mantenere i fronti sufficientemente ripidi da riuscire a spingere verso il basso le prestazioni del prescaler fino a 2MHz.
Verso la parte alta della banda il transistor non è più in grado di amplificare, anzi attenua ma questo è ampiamente compensato dalla sensibilità dello stadio di ingresso del prescaler che a quelle frequenze è massima.
Altro difettuccio del prescaler: auto-oscilla se non è presente il segnale di ingresso.
Non è un difetto, anzi è un pregio in questa applicazione: in assenza di segnale, grazie all’autooscillazione, vengono comunque generate le rampe e comunque il campionatore lavora.
Come ho spiegato nella descrizione dello schema a blocchi è necessario bloccare il prescaler durante la formazione della rampa altrimenti si osservano delle deformazioni del segnale visualizzato dovute ad interferenze tra i componenti interni al prescaler durante le commutazioni e gli altri circuiti.
Purtroppo questi integrati non prevedono di poter essere bloccati e tutti i tentativi fatti per interporre in serie all’ingresso un interruttore sono falliti: gli accoppiamenti parassiti che comunque restano verso l’ingresso del prescaler anche ad interruttore aperto sono sufficienti a lasciar scappare una piccola parte di segnale e a farlo comunque commutare.
Per riuscire ad inibirlo durante la formazione della rampa ho dovuto polarizzare gli ingressi del differenziale con una forte tensione tramite i due transistor PNP e NPN come da schema. Non è certo una soluzione elegante, lo so, ma funziona e non ho trovato di meglio.
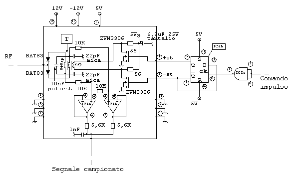
Il campionatore
Qui per forza di cose sono dovuto andare alla cieca: non dispongo assolutamente della strumentazione necessaria per eseguire misure attendibili dei tempi di chiusura dell’interruttore (centinaio di picosecondi) e quindi me la sono cavata escogitando una particolare configurazione circuitale per l’interruttore che fosse concettualmente la più veloce possibile che riuscissi ad immaginare e poi aggiustando il tiro sperimentalmente in più riprese fino ad ottenere il risultato voluto.
Devo dire che è stato più facile del previsto: ho ottenuto fin da subito risultati lusinghieri.
Nella riuscita dell’impresa è stato di fondamentale importanza disporre di uno strumento generatore di segnali per alta frequenza ben calibrato fino a 500MHz di cui posso fidarmi: è un vecchio Marconi TF2800 che ormai ha fatto il suo tempo ma che per i miei scopi è di vitale importanza.
Il circuito in questione è formato da due diodi schottky collegati al trasformatore per alte frequenze come si vede nello schema.
Quando il bistabile commuta i due mosfet invertono bruscamente il verso della corrente nel primario del trasformatore e questo provoca un rapidissimo impulso di tensione nei due secondari alternativamente prima in un verso e poi nell’altro.
In uno dei due versi i diodi entrano abbondantemente in conduzione perché il trasformatore è in salita e gli impulsi ai secondari, tenuto conto di tutto, hanno una ampiezza di circa 5V per parte.
La corrente derivante dalla conduzione dei diodi carica il condensatore da 10nF che in breve tempo raggiunge il valor massimo dei picchi.
Tra un picco e l’altro il condensatore tende a scaricarsi pochissimo grazie alla resistenza in parallelo da 10Mohm.
Questo, nelle intenzioni, dovrebbe garantire una notevole riduzione della larghezza dell’impulso di conduzione.
Cerco di spiegarne il motivo: se non vi fosse la resistenza da 10Mohm il condensatore si caricherebbe fino al valore massimo e i diodi smetterebbero completamente di condurre a carica completata, invece la presenza di una resistenza di valore elevato dovrebbe scaricare di pochissimo il condensatore tra un picco e l’altro e quindi il successivo rabbocco dovrebbe avvenire proprio all’apice del picco e per un tempo ridottissimo.
Il condizionale è d’obbligo: certamente per mancanza di mezzi di indagine appropriati non ho avuto e non ho modo di verificare quanto questo meccanismo determini l’effetto sperato a quelle frequenze o quanto invece cause per me imponderabili lo sminuiscano…fatto sta che i risultati sembrerebbero darmi ragione.
Da notare che il circuito dei diodi è isolato da tutto il resto per le componenti continue: dagli operazionali ci si deve aspettare una resistenza di ingresso praticamente infinita sia per il tipo che per la configurazione ad inseguitore.
L’unico punto di connessione verso altri componenti è il collegamento tra i due diodi che comunica anche con l’uscita dell’amplificatore RF dove è presente il segnale di ingresso amplificato ma, essendo i diodi per la maggior parte del tempo interdetti, solo durante il brevissimo impulso di conduzione quel punto si connette e possono circolare cariche tra l’uscita dell’amplificatore e i due condensatori da 22pF (che devono essere a bassissime perdite).
In questo modo si realizza l’interruttore veloce che si chiude tra l’uscita dell’amplificatore e i due condensatori da 22pF che sono quelli che memorizzano la tensione del segnale campionandolo nel breve tempo di durata della chiusura.
La tensione sui due condensatori è anche presente in uscita agli operazionali dove viene miscelata e dove la somma può essere prelevata con tranquillità (bassa impedenza).
Due parole vanno spese sul trasformatore di alta frequenza del campionatore: è avvolto su una barretta di ferrite per UHF della quale purtroppo non so dire altro, l’ho recuperata dal circuito di un vecchio demiscelatore Vhf-Uhf in uso negli impianti di antenna degli anni 70. Ho provato a cercare in rete ma non ho trovato informazioni utili. Le misure e gli altri dati per gli avvolgimenti sono riportati nello schema.
Per ora mi fermo qui. Sono ovviamente ben accetti consigli e critiche di tutti i tipi.
Varie
Questa è l'immagine del layout generale del circuito.
Clicca qui per vedere l'immagine ad alta risoluzione
Nella foto che segue si vede lo strumento prima di essere montato nel contenitore.
Come si nota ho preferito montare i circuiti dell’amplificatore, quello del prescaler e quello del campionatore su schede separate connesse alla scheda madre con dei connettori a pettine. I numeri cerchiati sullo schema in prossimità di quei circuiti si riferiscono ai pin di questi connettori.
Questo è il generatore Marconi TF2800: lo strumento utilizzato in tutte le fasi di messa a punto del progetto.

Elettrotecnica e non solo (admin)
Un gatto tra gli elettroni (IsidoroKZ)
Esperienza e simulazioni (g.schgor)
Moleskine di un idraulico (RenzoDF)
Il Blog di ElectroYou (webmaster)
Idee microcontrollate (TardoFreak)
PICcoli grandi PICMicro (Paolino)
Il blog elettrico di carloc (carloc)
DirtEYblooog (dirtydeeds)
Di tutto... un po' (jordan20)
AK47 (lillo)
Esperienze elettroniche (marco438)
Telecomunicazioni musicali (clavicordo)
Automazione ed Elettronica (gustavo)
Direttive per la sicurezza (ErnestoCappelletti)
EYnfo dall'Alaska (mir)
Apriamo il quadro! (attilio)
H7-25 (asdf)
Passione Elettrica (massimob)
Elettroni a spasso (guidob)
Bloguerra (guerra)