Dubbio condensatore cross-over
Moderatori:
carloc,
g.schgor,
BrunoValente,
IsidoroKZ
23 messaggi
• Pagina 2 di 3 • 1, 2, 3
0
voti
CR sta per un segnale che passa attraverso un condensatore in serie seguito da una resistenza in parallelo, ottenendo così un filtro passa alto che è il contrario di un circuito RC, dove ad una resistenza in serie segue un condensatore in parallelo ottenendo un filtro passa basso.
0
voti
Si, ma se si mette un tester ai morsetti di un tweeter si misura comunque un valore di resistenza, ecco perché sospetto che un filtro si viene comunque a creare, nonostante tutte le limitazioni del caso.
3
voti
belva87 ha scritto:L'altoparlante è un'induttore...
Ma forse anche no. Meglio vedere i modelli di Small/Thiele.
Per usare proficuamente un simulatore, bisogna sapere molta più elettronica di lui
Plug it in - it works better!
Il 555 sta all'elettronica come Arduino all'informatica! (entrambi loro malgrado)
Se volete risposte rispondete a tutte le mie domande
Plug it in - it works better!
Il 555 sta all'elettronica come Arduino all'informatica! (entrambi loro malgrado)
Se volete risposte rispondete a tutte le mie domande
0
voti
woodcat ha scritto: ...Un crossover dovrebbe essere realizzato con un passa-alto ed un passa-basso a 12dB/oct...

"Non farei mai parte di un club che accettasse la mia iscrizione" (G. Marx)
-

claudiocedrone
21,3k 4 7 9 - Master EY

- Messaggi: 15306
- Iscritto il: 18 gen 2012, 13:36
0
voti
Dopo dipende dal livello del crossover, giusto? Sto iniziando a "spulciare" articoli sulla rete. Questo mi sembra interessante, infatti dice che al tweeter si può mettere un condensatore:
http://digilander.libero.it/fastcarhifi/crossover.htm
ma se non sbaglio c'è anche un terzo livello e il taglio di frequenza viene anche chiamato per classe, Classe A o B (correggetemi se sbaglio)
http://digilander.libero.it/fastcarhifi/crossover.htm
ma se non sbaglio c'è anche un terzo livello e il taglio di frequenza viene anche chiamato per classe, Classe A o B (correggetemi se sbaglio)
3
voti
claudiocedrone ha scritto:Ci sono anche crossover da 18 dB/oct e se la cassa è a tre vie c'è anche il passa-banda
![]()
Giusto.
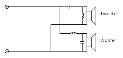
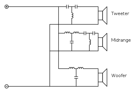
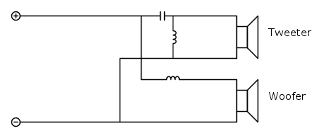
Dal mio libro sull'autocostruzione dei diffusori acustici, sezione filtri, si apprende che un condensatore in serie al tweeter (passa-alto) e/o un induttore in serie al woofer (passa-basso) filtrano con una pendenza di 6dB/oct (anche detti separatori di primo ordine):
La capacità C in Farad si calcola con
, date la frequenza di incrocio in Hertz (F) e l'impedenza in Ohm (Z); analogamente l'induttanza L in Henry si calcola con
, date la frequenza di incrocio in Hertz (F) e l'impedenza in Ohm (Z).Una combinazione di condensatore in serie seguito da induttore in parallelo (passa-alto) per il tweeter, induttore in serie seguito da condensatore in parallelo (passa-basso) per il woofer filtrano con una pendenza di 12dB/oct (anche detti separatori di secondo ordine):
La capacità C in Farad si calcola con
, date la frequenza di incrocio in Hertz (F) e l'impedenza in Ohm (Z); analogamente l'induttanza L in Henry si calcola con
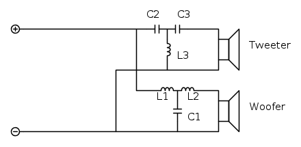
, date la frequenza di incrocio in Hertz (F) e l'impedenza in Ohm (Z).Poi vengono i filtri a 18dB/oct, o di terzo ordine, citati da
Per questi ultimi il calcolo è più complesso:






ovviamente con L in Henry, C in Farad e F in Hertz.
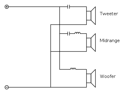
Se il sistema a 2 vie non ci soddisfa saremo costretti ad usare il passa-banda, che è una combinazione di passa-alto e passa-basso; esso permetterà al midrange di riprodurre le sole frequenze "medie" che reputiamo troppo alte per il woofer e troppo basse per il tweeter.
Un esempio tipico è il caso in cui si utilizzi un woofer di grosse dimensioni, la cui massa mobile ed escursione saranno assolutamente inadatte a farlo "salire" in frequenza ed un tweeter a cupola di piccolo diametro, che non avrà una buona risposta in basso.
In questo caso si utilizzerà un passa-banda del primo ordine,
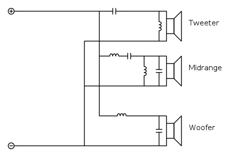
del secondo ordine:
o del terzo ordine:
Una combinazione che ho incontrato ed anche imitato è questa:
un crossover con passa-alto a 12dB/oct e passa-basso a 6dB/oct. Lo scopo del gioco è risparmiare qualche centesimo sul passa-basso, dato che il woofer ha comunque un taglio meccanico che non gli permette di riprodurre frequenze più alte di tanto, mentre il tweeter va protetto dai bassi che lo potrebbero surriscaldare e poi uccidere.
Poi ci sarebbe da considerare la fase; ad esempio nei filtri crossover a 2 vie e 12dB/oct si tende a collegare il tweeter in controfase per compensare lo sfasamento introdotto dal filtro stesso ma non vorrei dilungarmi eccessivamente e, quindi, concludo qui questo sproloquio sui filtri crossover passivi.
Dalle vigenti norme:
Non costruire, compra!
Non riparare, ricompra!
Non costruire, compra!
Non riparare, ricompra!
0
voti
IsidoroKZ ha scritto:Ma forse anche no. Meglio vedere i modelli di Small/Thiele.
Ho omesso "anche". Penso che se tiriamo fuori tutti i parametri di quei due signori qui finiscono pazzi.
Non farla troppo difficile, io ho scritto male.
23 messaggi
• Pagina 2 di 3 • 1, 2, 3
Chi c’è in linea
Visitano il forum: Nessuno e 84 ospiti

Elettrotecnica e non solo (admin)
Un gatto tra gli elettroni (IsidoroKZ)
Esperienza e simulazioni (g.schgor)
Moleskine di un idraulico (RenzoDF)
Il Blog di ElectroYou (webmaster)
Idee microcontrollate (TardoFreak)
PICcoli grandi PICMicro (Paolino)
Il blog elettrico di carloc (carloc)
DirtEYblooog (dirtydeeds)
Di tutto... un po' (jordan20)
AK47 (lillo)
Esperienze elettroniche (marco438)
Telecomunicazioni musicali (clavicordo)
Automazione ed Elettronica (gustavo)
Direttive per la sicurezza (ErnestoCappelletti)
EYnfo dall'Alaska (mir)
Apriamo il quadro! (attilio)
H7-25 (asdf)
Passione Elettrica (massimob)
Elettroni a spasso (guidob)
Bloguerra (guerra)













poso chiederti come si intitola il tuo libro? grazie