salve a tutti ho smontato un carica batterie da una centrale antifurto e vorrei utilizzarlo per ricaricare una bicicletta elettrica, il problema è che il carica batterie probabilmente ha un problema e funziona in maniera anomala.
Il carica batterie, serve per caricare batterie da 24 V e in assenza di carico (provando con un tester sul morsetto di uscita) la tensione di carica è pari a 27,5V e quindi tutto a posto.
Con carico collegato (batterie) la tensione scende improvvisamente a 15V e il carica batterie emette un sibilo continuo che probabilmente viene emesso da non so quale precisato componente.
Morale della favola le batterie scariche si caricano fino ad una tensione di 15V e non oltre.
Avete qualche idea sul componente che dovrei cambiare per ripristinare il funzionamento del caricabatterie ?????
Caricabatterie con funzionamento anomalo
Moderatori:
carloc,
g.schgor,
BrunoValente,
IsidoroKZ
47 messaggi
• Pagina 1 di 5 • 1, 2, 3, 4, 5
0
voti
calmo ha scritto:Avete qualche idea sul componente che dovrei cambiare per ripristinare il funzionamento del caricabatterie ?????
Non conoscendo marca/modello/tipo del caricatore, senza uno schema elettrico e solo con le tensioni di carica e' ben difficile dare risposta alla tua domanda. O credi che tutti i caricabatterie siano uguali?
Posso solo consigliarti di aprirlo e di ricavarne lo schema elettrico e, se non ne sei in grado, di fotografare la scheda (sopra e sotto), riportando poi a parte le sigle dei componenti piu' importanti.

marco
0
voti
in effetti hai ragione, ad ogni modo si tratta di un
BENTEL
MODELLO BAQ60T24
ingresso 230V, uscita 27,6V - 2,5A
il problema penso proprio provenga dal componente che determina quel sibilo/ronzio continuo che tende ad incrementarsi ancora di più a carico collegato, a vuoto tensione regolare come da dati di targa.
BENTEL
MODELLO BAQ60T24
ingresso 230V, uscita 27,6V - 2,5A
il problema penso proprio provenga dal componente che determina quel sibilo/ronzio continuo che tende ad incrementarsi ancora di più a carico collegato, a vuoto tensione regolare come da dati di targa.
0
voti
E' un alimentatore a commutazione o switching la cui riparazione richiede, oltre ad una certa attrezzatura di laboratorio, una certa esperienza di elettronica; inoltre il circuito lavora quasi escusivamente a tensione di rete, quindi e' estremamente pericoloso effettuare prove o tentativi per i non esperti.
Non e' detto poi che lo stesso caricatore (che poi in effetti e' un alimentatore) possa esserti utile per la ricarica di altre batterie con caratteristiche diverse.
Non e' detto poi che lo stesso caricatore (che poi in effetti e' un alimentatore) possa esserti utile per la ricarica di altre batterie con caratteristiche diverse.
marco
0
voti
le batterie sono le medesime utilizzate nella centrale antifurto, il problema rimane sempre lo stesso il ronzio continuo, ho notato che regolando la tensione in uscita con l'apposito regolatore il ronzio tende a sparire come si alza la tensione.
Volendo avrei anche un trasformatore raddrizzato e dotato di condensatore per abbassare l'onda della corrente raddrizzata, il fatto è che collegarlo direttamente alla batteria senza un regolatore di carica non saprei se risulta salutare ? non potrei aggiungere un regolatore di carica a questo trasformatore ? e se si come si potrebbe realizzare e/o da dove si potrebbe recuperare ?
avrei preferito utilizzare il primo alimentatore ma se hai ulteriori consigli ben venga grazie
Volendo avrei anche un trasformatore raddrizzato e dotato di condensatore per abbassare l'onda della corrente raddrizzata, il fatto è che collegarlo direttamente alla batteria senza un regolatore di carica non saprei se risulta salutare ? non potrei aggiungere un regolatore di carica a questo trasformatore ? e se si come si potrebbe realizzare e/o da dove si potrebbe recuperare ?
avrei preferito utilizzare il primo alimentatore ma se hai ulteriori consigli ben venga grazie
0
voti
calmo ha scritto:Volendo avrei anche un trasformatore raddrizzato e dotato di condensatore per abbassare l'onda della corrente raddrizzata.....
Suppongo tu stia parlando di un trasformatore cui e' stato collegato un ponte raddrizzatore ed un condensatore di livellamento; se e' cosi' scrivi le caratteristiche di questo trasformatore(tensione al secondario/potenza) e vediamo se se ne puo' ricavare qualcosa.
Serve anche sapere con precisione le caratteristiche delle batterie ( tensione/capacita') da ricaricare.
marco
0
voti
La tensione che eroga il caricabatteria dell'antifurto è 27,5V e serve per carica delle batterie in tampone, ossia per una carica a tempo indeterminato, senza sovraccaricare le batterie, finché non vengono chiamate ad erogare corrente. Se tu hai necessità di caricare le batterie a fondo in tempi relativamente brevi (10/14h, in funzione del loro stato di scarica) necessiti di caricabatterie con tensione di uscita di 28,8/29V e corrente limitata a 0,2/0,25C, dove C è la capacità delle batterie che si legge sulle batterie stesse (Ah) e che non mi pare tu abbia detto. Questa si chiama carica ciclica per distinguerla dalla carica in tampone. La carica ciclica necessita però di sorveglianza per evitare una sovraccarica della batteria che ne accorcerebbe la vita utile.
-

FedericoSibona
5.022 3 5 8 - Master

- Messaggi: 3951
- Iscritto il: 19 mar 2013, 11:43
0
voti
le batterie sono da due in serie ciascuna da 12V - 7Ah (10r..) tipo 6-DW-7
il trasofrmatore che possiedo è un 300VA tensione 230/24 V con raddrizzatore + condensatore
al momento stò provando a caricare le batterie con questo trasformare e dopo un ora di carica le batterie riescono a caricarsi, ma non vorrei che la corrente e la mancanza di un regolatore di carica mi fottessero le batterie.
quanto tempo mi consigliate di tenerle attaccate a questo trasformatore, devo verificare solo se riescono a tenere la carica ...........
a questo punto penso che rimanga solo da fare un regolatore di carica
il trasofrmatore che possiedo è un 300VA tensione 230/24 V con raddrizzatore + condensatore
al momento stò provando a caricare le batterie con questo trasformare e dopo un ora di carica le batterie riescono a caricarsi, ma non vorrei che la corrente e la mancanza di un regolatore di carica mi fottessero le batterie.
quanto tempo mi consigliate di tenerle attaccate a questo trasformatore, devo verificare solo se riescono a tenere la carica ...........
a questo punto penso che rimanga solo da fare un regolatore di carica
0
voti
calmo ha scritto:quanto tempo mi consigliate di tenerle attaccate a questo trasformatore, devo verificare solo se riescono a tenere la carica ...........
Nel post precedente
Devi considerare che in mancanza di un limitatore di corrente, quando colleghi le tua batterie a quel trasformatore, sulle stesse si scaricano la bellezza di circa 12A in modo continuativo e fino a quando le batterie non sono sazie; in tal modo la loro vita sara' estremamente breve.
In piu' io non vedo bene la ricarica di due batterie in serie e preferirei venissero ricaricate singolarmente (ma questa e' un'opinione personale).
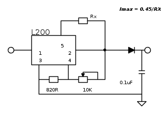
Tempo addietro Federico Sibona aveva postato uno schema che mi pare adatto allo scopo e che quindi ripropongo, nel caso tu lo voglia realizzare.
E' basato sul regolatore integrato L200 e permette il controllo della corrente tramite RX e quello della tensione mediante il potenziometro. Per il tuo caso, alcuni valori potrebbero essere da rivedere.
marco
0
voti
ok vedrò di fare il circuitino che mi hai postato.
Intanto vorrei fare una prova per vedere se le batterie si caricano e tengono la carica, quanto credi che possa tenere collegato il trasformatore con 15A per ricaricarle a pieno senza danneggiarle ?
Intanto vorrei fare una prova per vedere se le batterie si caricano e tengono la carica, quanto credi che possa tenere collegato il trasformatore con 15A per ricaricarle a pieno senza danneggiarle ?
47 messaggi
• Pagina 1 di 5 • 1, 2, 3, 4, 5
Chi c’è in linea
Visitano il forum: Nessuno e 51 ospiti

Elettrotecnica e non solo (admin)
Un gatto tra gli elettroni (IsidoroKZ)
Esperienza e simulazioni (g.schgor)
Moleskine di un idraulico (RenzoDF)
Il Blog di ElectroYou (webmaster)
Idee microcontrollate (TardoFreak)
PICcoli grandi PICMicro (Paolino)
Il blog elettrico di carloc (carloc)
DirtEYblooog (dirtydeeds)
Di tutto... un po' (jordan20)
AK47 (lillo)
Esperienze elettroniche (marco438)
Telecomunicazioni musicali (clavicordo)
Automazione ed Elettronica (gustavo)
Direttive per la sicurezza (ErnestoCappelletti)
EYnfo dall'Alaska (mir)
Apriamo il quadro! (attilio)
H7-25 (asdf)
Passione Elettrica (massimob)
Elettroni a spasso (guidob)
Bloguerra (guerra)



