Salve a tutti,
mi servirebbero le indicazioni per realizzare un circuito tale che un pulsante momentaneo si comporti come un interruttore.
sto realizzando il prototipo di una lampada da scrivania a led.
Il problema che mi si presenta è il seguente:
devo usare un pulsante perché dove vado ad inserirlo non ho spazio per metterci un interruttore.
Provvisoriamente sto usando un relè passo passo ma il problema è che fa rumore, mi serve un sistema totalmente silenzioso.
Quindi vorrei realizzare un circuito che possa essermi utile allo scopo.
Quello che mi servirebbe è semplicemente che ad una pressione del pulsante si accendano i led e ad una seconda pressione si spengano.
Io sono quasi totalmente a digiuno per quanto riguarda l'elettronica quindi vi chiedo aiuto.
I led sono da 12V, sono montati in parallelo.
Sto usando un alimentatore su cui è scritto:
AC/DC ADAPTER
model: zwb-1868
imput:100-240V
50/60Hz 0.3A
output:12V DC 1A
che in realtà non sono certo che sia adatto ai led che uso.
poi il tensione reale che mi segna il tester è di 12,35V
mentre se misuro gli ampere direttamente alla fine del connettore segna circa 1,77A
il che da profano mi fa strano.
L' assorbimento dei led misurato alla fine del circuito (dalla parte opposta a dove ricevono la corrente) è di 1.85A
Nel sito ho trovato discussione che forse può fare al mio caso ma non ne sono sicuro:
http://www.electroyou.it/forum/viewtopic.php?f=1&t=19886
Non so se servono altri dati per il progetto del circuito,
io sono munito di tester, saldatore a stagno, negozi dove cercare di reperire il materiale necessario e di tanta buona volontà.
Grazie in anticipo di qualsiasi aiuto.
Marco
Pulsante momentaneo usato come interruttore
20 messaggi
• Pagina 1 di 2 • 1, 2
0
voti
0
voti
mrcvaldo ha scritto: ... devo usare un pulsante perché dove vado ad inserirlo non ho spazio per metterci un interruttore...
Ma chi l'ha detto che un interruttore dovrebbe essere più grande di un pulsante ?
Spesso trovi le 2 soluzioni nella stessa soluzione meccanica.
Posta una foto così si capisce qual è il vero problema.
Altrimenti ti serve un Bistabile elettronico ... più o meno 100 possibili soluzioni differenti ...
Tanto per iniziare: se ti dico 4013 cosa ti viene in mente ?
Bye
Ser.Tom0
voti
A me viene in mente un CD ma non musicale 
MCSA Windows Server 2012 R2
Cisco CCNA R&S - Cisco CCNA Security - Cisco CCNA Cyber Ops
CompTia A+ - CompTia Linux+ - CompTIA Systems Support Specialist CSSS
CompTia Pentest+ LPIC-1 - VCP VMware - Cisco CCNP Enterprise
Cisco CCNA R&S - Cisco CCNA Security - Cisco CCNA Cyber Ops
CompTia A+ - CompTia Linux+ - CompTIA Systems Support Specialist CSSS
CompTia Pentest+ LPIC-1 - VCP VMware - Cisco CCNP Enterprise
0
voti
Ciao,
in realtà la scelta di usare il pulsante al posto di un interruttore è legata oltre al fattore spazio ad una scelta progettuale che ho fatto dopo aver preso in considerazione molti tipi di interruttori e pulsanti, cerco di spiegare:
il modo in cui si interagisce con un pulsante è diverso da un interruttore,
la risposta al dito è diversa,
spesso gli interruttori necessitano di una corsa relativamente ampia,
fanno rumore, necessitano di maggiore pressione…
Poi c'è anche un aspetto tecnico,
questo pulsante/interruttore deve "stare bene" con il resto della lampada,
nel caso in cui debba costruirlo io, un pulsante è più facile da realizzare o modificare.
Se mi dici 4013 ti dico Flip Flop (dopo aver guardato su google
) e mi sembra una bella strada...
Marco
in realtà la scelta di usare il pulsante al posto di un interruttore è legata oltre al fattore spazio ad una scelta progettuale che ho fatto dopo aver preso in considerazione molti tipi di interruttori e pulsanti, cerco di spiegare:
il modo in cui si interagisce con un pulsante è diverso da un interruttore,
la risposta al dito è diversa,
spesso gli interruttori necessitano di una corsa relativamente ampia,
fanno rumore, necessitano di maggiore pressione…
Poi c'è anche un aspetto tecnico,
questo pulsante/interruttore deve "stare bene" con il resto della lampada,
nel caso in cui debba costruirlo io, un pulsante è più facile da realizzare o modificare.
SerTom ha scritto:Tanto per iniziare: se ti dico 4013 cosa ti viene in mente ?
Se mi dici 4013 ti dico Flip Flop (dopo aver guardato su google
Marco
0
voti
mrcvaldo ha scritto:mentre se misuro gli ampere direttamente alla fine del connettore segna circa 1,77A
[...]
L' assorbimento dei LED misurato alla fine del circuito (dalla parte opposta a dove ricevono la corrente) è di 1.85A
come hai misurato queste correnti?
probabilmente hai misurato la corrente di cortocircuito dell'alimentatore, la corrente dipende dal carico
i led sarebbe preferibile non metterli in parallelo, se ci scrivi le caratteristiche di questi led, cerchiamo la soluzione migliore per alimentarli con il tuo alimentatore
-

SediciAmpere
4.187 5 5 8 - Master

- Messaggi: 4850
- Iscritto il: 31 ott 2013, 15:00
2
voti
mrcvaldo ha scritto:Se mi dici 4013 ti dico Flip Flop (dopo aver guardato su google) e mi sembra una bella strada...
Marco
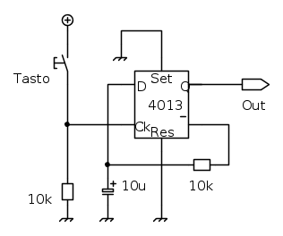
Allora inizia con questo schema:
Circuito semplice e molto affidabile. Salvo la corrente sull'uscita per il resto non consuma quasi nulla ed è facile alimentarlo con una pila (o supercap) ed ottenere lo stato stabile anche in mancanza di rete.
Bye
Ser.Tom0
voti
Grazie a tutti,
Dei led che uso, non so dirvi molto, so che sono a 12V e niente altro, posso provare a chiedere nel negozio dove li ho presi, ma non so se sapranno dirmi molto,
(quando li ho presi ho chiesto la temperatura colore e quanti lumen facessero, ma non hanno saputo dirmi nulla di preciso oltre al: sono freddi).
Posso dirvi che si possono usare a gruppetti di tre (come si evince dalla foto)
Cosa devo chiedere di preciso sui led?
Comunque, i led sono questi:
Dal basso della mia ignoranza in materia, immaginavo che non fosse corretto misurare gli ampere del trasformatore, visto che se non ci attacco nulla che assorbe energia.
Il fatto che mi fa strano è che sul trasformatore c'è scritto che in uscita arriva al max a 1A mentre quello che ho misurato io sui led è quasi il doppio.
Le misurazioni sono state fatte in questo modo (probabilmente sbagliato):
Chiedo scusa per eventuali errori nel linguaggio "tecnico".
Ancora grazie,
Marco.
SediciAmpere ha scritto:se ci scrivi le caratteristiche di questi LED
Dei led che uso, non so dirvi molto, so che sono a 12V e niente altro, posso provare a chiedere nel negozio dove li ho presi, ma non so se sapranno dirmi molto,
(quando li ho presi ho chiesto la temperatura colore e quanti lumen facessero, ma non hanno saputo dirmi nulla di preciso oltre al: sono freddi).
Posso dirvi che si possono usare a gruppetti di tre (come si evince dalla foto)
Cosa devo chiedere di preciso sui led?
Comunque, i led sono questi:
SediciAmpere ha scritto:come hai misurato queste correnti?
Dal basso della mia ignoranza in materia, immaginavo che non fosse corretto misurare gli ampere del trasformatore, visto che se non ci attacco nulla che assorbe energia.
Il fatto che mi fa strano è che sul trasformatore c'è scritto che in uscita arriva al max a 1A mentre quello che ho misurato io sui led è quasi il doppio.
Le misurazioni sono state fatte in questo modo (probabilmente sbagliato):
Chiedo scusa per eventuali errori nel linguaggio "tecnico".
Ancora grazie,
Marco.
0
voti
SerTom ha scritto:Allora inizia con questo schema:
se ho capito bene i componenti da prendere sono questi:
1 circuito integrato 4013
2 resistenze da 10K
1 condensatore da 10u (il simbolo mi sembra quello di un condensatore ma…?)
(millefori, pulsanti e cavetti li ho)
manca altro?
Domande sulla costruzione del circuito:
Connettere il circuito integrato 4013:
Sono corrette le seguenti corrispondenze dei pin?
Q = 1
⁻ = 2
Ck = 3
Res = 4
D = 5
Set = 6
Per quanto riguarda il circuito:
i led devo metterli con il positivo su "Out" ed il negativo a massa?
per alimentare il tutto, posso usare il mio alimentatore da 12V?
Grazie,
Marco
0
voti
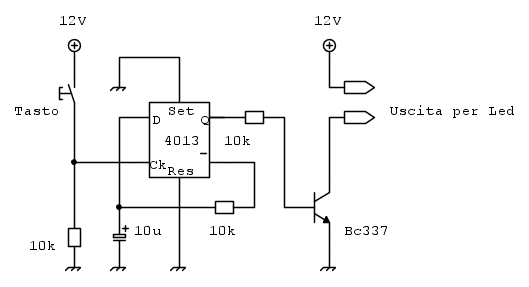
Arrivo un po' tardi, ma consiglio di guardare anche questo thread.
L'uscita a livello logico non può reggere tutta la corrente dei LED. Il modo più semplice è farle pilotare un MOSFET in grado di reggere la corrente adeguata.
Attenzione ai rimbalzi del pulsante.
L'uscita a livello logico non può reggere tutta la corrente dei LED. Il modo più semplice è farle pilotare un MOSFET in grado di reggere la corrente adeguata.
Attenzione ai rimbalzi del pulsante.
Big fan of ⋮ƎlectroYou! Ausili per disabili e anziani su ⋮ƎlectroYou
Caratteri utili: À È É Ì Ò Ó Ù α β γ δ ε η θ λ μ π ρ σ τ φ ω Ω º ª ² ³ √ ∛ ∜ ₀ ₁ ₂ ₃ ₄ ₅ ₆ ∃ ∄ ∆ ∈ ∉ ± ∓ ∾ ≃ ≈ ≠ ≤ ≥
Caratteri utili: À È É Ì Ò Ó Ù α β γ δ ε η θ λ μ π ρ σ τ φ ω Ω º ª ² ³ √ ∛ ∜ ₀ ₁ ₂ ₃ ₄ ₅ ₆ ∃ ∄ ∆ ∈ ∉ ± ∓ ∾ ≃ ≈ ≠ ≤ ≥
0
voti
Iniziamo dagli ultimi (dicono che saranno i primi)
Ovvero uno dei tanti circuiti adatti allo scopo. in genere uno vale l'altro. Quello che ho proposto mi pare semplice, molto stabile, e sopratutto ... non usa molti elettroni !
il condensatore da 10uF (confermo Microfarad) serve proprio per questo.
Torando al discordo di pilotare i led ... allora ti serve una piccola aggiunta all'uscita.
Per pilotare quella striscia a led basta un semplice transistor bipolare. Quello proposto è in grado di reggere 3-400mA; per la striscetta che ho visto direi che basta e avanza.
Infatti non mi convince la corrente che hai misurato ... non è che hai messo l'amperometro su quei due punti ?
Se si allora hai messo in corto la linea che arriva dall'alimentatore (per favore non chiamarlo solo "Trasformatore" non lo è) e che corre lungo tutta la striscia fino alla fine ... e serve per collegare una ulteriore striscia.
Se vuoi misurare la corrente, l'amperometro lo devi mettere in serie ad uno dei conduttori tra l'alimentatore e la striscia.
Si, ti confermo le connessioni del 4013.
L'integrato contiene 2 stadi identici, li puoi usare per fare 2 funzioni separate ... oppure se non lo usi la regola è: lascia libere le uscite (Q) e collega a massa gli ingressi. E Buona Sperimentazione
Bye
Ser.Tom
GuidoB ha scritto:... consiglio di guardare anche questo thread. ....
Ovvero uno dei tanti circuiti adatti allo scopo. in genere uno vale l'altro. Quello che ho proposto mi pare semplice, molto stabile, e sopratutto ... non usa molti elettroni !
GuidoB ha scritto:... Attenzione ai rimbalzi del pulsante... .
il condensatore da 10uF (confermo Microfarad) serve proprio per questo.
Torando al discordo di pilotare i led ... allora ti serve una piccola aggiunta all'uscita.
Per pilotare quella striscia a led basta un semplice transistor bipolare. Quello proposto è in grado di reggere 3-400mA; per la striscetta che ho visto direi che basta e avanza.
Infatti non mi convince la corrente che hai misurato ... non è che hai messo l'amperometro su quei due punti ?
Se si allora hai messo in corto la linea che arriva dall'alimentatore (per favore non chiamarlo solo "Trasformatore" non lo è) e che corre lungo tutta la striscia fino alla fine ... e serve per collegare una ulteriore striscia.
Se vuoi misurare la corrente, l'amperometro lo devi mettere in serie ad uno dei conduttori tra l'alimentatore e la striscia.
Si, ti confermo le connessioni del 4013.
L'integrato contiene 2 stadi identici, li puoi usare per fare 2 funzioni separate ... oppure se non lo usi la regola è: lascia libere le uscite (Q) e collega a massa gli ingressi. E Buona Sperimentazione
Bye
Ser.Tom
20 messaggi
• Pagina 1 di 2 • 1, 2
Torna a Costruzione, riparazione, riutilizzo
Chi c’è in linea
Visitano il forum: Nessuno e 10 ospiti

Elettrotecnica e non solo (admin)
Un gatto tra gli elettroni (IsidoroKZ)
Esperienza e simulazioni (g.schgor)
Moleskine di un idraulico (RenzoDF)
Il Blog di ElectroYou (webmaster)
Idee microcontrollate (TardoFreak)
PICcoli grandi PICMicro (Paolino)
Il blog elettrico di carloc (carloc)
DirtEYblooog (dirtydeeds)
Di tutto... un po' (jordan20)
AK47 (lillo)
Esperienze elettroniche (marco438)
Telecomunicazioni musicali (clavicordo)
Automazione ed Elettronica (gustavo)
Direttive per la sicurezza (ErnestoCappelletti)
EYnfo dall'Alaska (mir)
Apriamo il quadro! (attilio)
H7-25 (asdf)
Passione Elettrica (massimob)
Elettroni a spasso (guidob)
Bloguerra (guerra)






