Cos'è ElectroYou | Login Iscriviti

ElectroYou - la comunità dei professionisti del mondo elettrico

Veicoli elettrici: semplici circuiti di gestione integrata

Tutti gli argomenti relativi ai veicoli elettrici

Moderatore: Foto Utente6367

1
voti

[1] Veicoli elettrici: semplici circuiti di gestione integrata

Messaggioda Foto Utenterichiurci » 6 feb 2015, 0:38

Ciao a tutti.

In questi giorni sto cercando di riordinare un minimo le decine di fogli e foglietti scritti male nel box, durante i mille lavori grandi e piccoli fatti per ripristinare ed aggiornare la mia FIAT Seicento Elettra di cui parlo in altro 3d:
viewtopic.php?t=52354


Spesso mi vengono poste domande su come realizzare modifiche su veicoli elettrici; si tratta ovviamente, quasi sempre, di veicoli elettrici "vintage" come il mio oppure semplici (tipicamente scooter di origine cinese) e quindi privi di circuiti di controllo/monitoraggio batterie.

Uno dei motivi principali per tali interventi DIY è il passaggio da vecchie batterie al piombo alle più recenti e performanti batterie al litio.

Questo 3d potrebbe diventare un contenitore comune per fare domande e ricevere risposte (ovviamente spero anche più qualificate delle mie) su come effettuare semplici modifiche o realizzare circuiti ad hoc.

Voglio ricordare che il Codice della Strada vieta formalmente di effettuare modifiche sui veicoli omologati.
Quindi prima di effettuare qualsiasi modifica bisogna verificare che la stessa non vada a inficiare la rispondenza del veicolo al certificato di omologazione.
Alcune modifiche a mio avviso possono sicuramente essere effettuate, per esempio la modifica delle curve di ricarica del CB (che non interviene durante la marcia) o l'aggiunta di circuiti di allarmistica non previsti in origine.
Altre richiedono una specifica procedura per l' annotazione sul libretto di circolazione (es utilizzo di pneumatici di misura non più in commercio).
Altre ancora rendono il veicolo non più idoneo alla circolazione a meno di costose e improbabili procedure di reomologazione (es aumento della potenza) e possono essere attuate solo su veicoli sperimentali o destinati a competizioni/aree private.
Tutte le realizzazioni/modifiche presuppongono ovviamente che l'autore sia adeguatamente competente e cosciente dei limiti imposti dalla legge.


Comincio ora a inserire alcuni dei circuiti da me realizzati per la mia Elettra.
Il primo problema che ho dovuto affrontare è stato la modifica del caricabatterie (CB).

La curva di carica originale era la classica curva corrente costante - tensione costante - trickle charge per batterie al Pb riportata in figura:


La corrente e tensione massima vengono regolate in base alla temperatura letta da appositi sensori, secondo le curve seguenti:




Nel mio caso specifico la prima modifica, effettuata immediatamente dopo il ripristino, è stata la riduzione della corrente massima e di conseguenza della potenza assorbita da rete, sia per ridurre lo stress sul CB originale che per evitare il cambio di fornitura elettrica (classica bioraria da 3 kW)
Avatar utente
Foto Utenterichiurci
32,6k 7 11 13
G.Master EY
G.Master EY
 
Messaggi: 8801
Iscritto il: 2 apr 2013, 16:08

1
voti

[2] Re: Veicoli elettrici: semplici circuiti di gestione integra

Messaggioda Foto Utenterichiurci » 6 feb 2015, 14:45

Ecco una soluzione semplice, utilizzabile quando il CB "legge" la temperatura ambiente con un sensore, utilizzata per abbassare la potenza di ricarica assorbita da rete.

Le prime prove sono state eseguite con una semplice resistenza parallelata alla NTC "di serie":


Questa soluzione risentiva troppo della temperatura ambiente, e quindi il valore della resistenza andava modificato in base alla stagione.
Inoltre bastava una sosta al sole piuttosto che in ombra per alterare notevolmente la potenza assorbita.

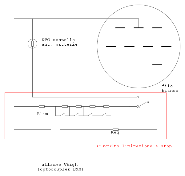
Alla prima occasione ho quindi intercettato il filo dal connettore ("filo bianco") e collegato un circuito comunque semplice ma molto più funzionale:


Il deviatore permette di scegliere tra ricarica "standard" o limitata; un microswitch permette di scegliere la potenza di ricarica tra 5 possibili assorbimenti (circa 1.2-1.5-1.8-2.1-2.4kW).
E' stato inoltre introdotto il collegamento agli opto dei circuiti di controllo delle celle "BMS" descritto qui:
viewtopic.php?f=53&t=44004

L'eventuale raggiungimento da parte di una o più celle della tensione massima stabilita rallenta la carica fino eventualmente a fermarla del tutto.
Avatar utente
Foto Utenterichiurci
32,6k 7 11 13
G.Master EY
G.Master EY
 
Messaggi: 8801
Iscritto il: 2 apr 2013, 16:08

2
voti

[3] Limitazione frenata rigenerativa

Messaggioda Foto Utenterichiurci » 30 giu 2015, 17:08

La frenata regen è uno dei pochi difetti della mia Eli; ha causato un paio di pericolosi testacoda con fondo stradale viscido perché troppo vigorosa e soprattutto perché agisce solo sulle ruote posteriori!

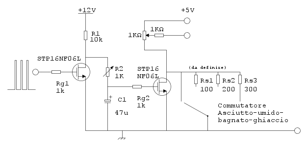
Ho quindi deciso a fine giugno 2015 di iniziare lo sviluppo di un semplice circuito per la regolazione della potenza di frenata rigenerativa per velocità > 25km/h circa.

L'idea è sfruttare la modulazione in frenata che si può già fare sfruttando gli ultimi mm di acceleratore e il segnale impulsivo di frequenza proporzionale alla velocità dell'auto.

Da uno dei tanti manuali d'officina l'acceleratore non sembra il "solito" 5K ma da 1K:



La prima idea sarebbe una delle mie, componenti ridotti all'osso e valori da ottimizzare sperimentalmente causa poche info sui segnali a bordo:


All'aumentare della velocità il 2o FET "apre" e viene inserita Rs in serie al potenziometro acceleratore, simulando un "filo di gas" e riducendo di conseguenza la frenata.
Avatar utente
Foto Utenterichiurci
32,6k 7 11 13
G.Master EY
G.Master EY
 
Messaggi: 8801
Iscritto il: 2 apr 2013, 16:08

1
voti

[4] Re: Veicoli elettrici: semplici circuiti di gestione integra

Messaggioda Foto Utenterichiurci » 3 lug 2015, 0:03

Avatar utente
Foto Utenterichiurci
32,6k 7 11 13
G.Master EY
G.Master EY
 
Messaggi: 8801
Iscritto il: 2 apr 2013, 16:08

1
voti

[5] Re: Veicoli elettrici: semplici circuiti di gestione integra

Messaggioda Foto Utenterichiurci » 14 lug 2015, 0:13

aggiorno. Mi piace quest'auto e voglio dare un'idea di quanto si può fare col "reverse engineering" se uno ha voglia di sperimentare e un'auto elettrica "vintage".

Le prime prove hanno evidenziato la necessità di dover usare valori resistivi ancora minori, sopra i 90 Ohm l'auto non frena per niente a nessuna velocità.

Per i miei colleghi "Elettristi" ho filmato le frenate regen e ricavato grafici (approssimativi) dell'intensità di frenata a varie velocità con i valori di Rs migliori


Invece non sono riuscito a sfruttare il segnale del tachimetro per attivare e disattivare il circuito. Visto che l'azione è molto fluida anche con Rs fissa (indipendente dalla velocità) e visto che avevo già accrocchiato su millefori il tutto, per non ricominciare (e per pigrizia) ho deciso di implementare semplicemente un ritardo all'accensione, in pratica per una 20ina di secondi il secondo FET è chiuso e l'auto può essere avviata; dopo va in conduzione il 1o FET, il 2o si apre e viene quindi ridotta la frenata rigenerativa:
Avatar utente
Foto Utenterichiurci
32,6k 7 11 13
G.Master EY
G.Master EY
 
Messaggi: 8801
Iscritto il: 2 apr 2013, 16:08

0
voti

[6] Re: Veicoli elettrici: semplici circuiti di gestione integra

Messaggioda Foto Utenterichiurci » 23 lug 2015, 22:56

video e qualche considerazione sulla frenata rigenerativa nella storia di Eli:

viewtopic.php?f=53&t=52354&start=30
Avatar utente
Foto Utenterichiurci
32,6k 7 11 13
G.Master EY
G.Master EY
 
Messaggi: 8801
Iscritto il: 2 apr 2013, 16:08

1
voti

[7] Re: Veicoli elettrici: semplici circuiti di gestione integra

Messaggioda Foto Utenterichiurci » 2 set 2016, 10:26

aggiorno questo 3d con un classico "errore di misura" che spesso spaventa i possessori di veicoli elettrici.

Quando usiamo i classici strumentini per pacchi batterie, tipo cell-log, usiamo n voltmetri, tipicamente 8 voltmetri collegati IN SERIE, quindi con 9 cavetti.
I voltmetri assorbono pochissimo, quindi non sono questi cavetti a contare ma il punto in cui li colleghiamo al pacco.
In particolare in molti pacchi batterie ci sono collegamenti di lunghezza diversa tra le celle: alcuni molto corti, altri lunghi (per esempio per passare da un cestello all'altro) o addirittura che includono un fusibile o altro.
In questo caso a seconda di dove colleghiamo il voltmetro avremo la misura di una delle due celle che include la tensione di caduta sul cavo, e quindi durante i picchi di corrente quella cella sembrerà "guasta" o meno prestazionale, ma in realtà non lo è:

In questa configurazione la tensione della cella n.4 risulta inferiore alle altre, durante i picchi di assorbimento del motore, a causa della caduta di tensione sul cavo


Spostando il punto di collegamento del cavetto del voltmetro la cella che include la tensione sul cavo diventa la n.3:


Nei momenti di frenata rigenerativa invece la caduta di tensione sul cavo si inverte, e la cella "sfortunata" risulta avere una tensione superiore alle altre.
Questo può aiutare a distinguere celle veramente sofferenti da casi di errore di misura.

Un tipico grafico da cell-log in marcia lo avevo messo qui:
http://www.electroyou.it/richiurci/wiki ... o-lifeypo4
Avatar utente
Foto Utenterichiurci
32,6k 7 11 13
G.Master EY
G.Master EY
 
Messaggi: 8801
Iscritto il: 2 apr 2013, 16:08


Torna a Veicoli elettrici

Chi c’è in linea

Visitano il forum: Nessuno e 9 ospiti