Luci a LED per acquario con alba e tramonto
Moderatori:
carloc,
g.schgor,
BrunoValente,
IsidoroKZ
33 messaggi
• Pagina 1 di 4 • 1, 2, 3, 4
0
voti
Vorrei realizzare un sistema d'illuminazione per un piccolo acquario, impiegando due gruppi di LED, uno bianco e l'altro blu (max 10 W per gruppo).
Quello che vorrei realizzare è una sorta di effetto alba-tramonto, dove, ad esempio, il tramonto preveda dapprima il graduale spegnimento dei LED bianchi, seguito, poco dopo, dal graduale spegnimento dei LED blu. La transizione tra acceso e spento potrebbe durare anche solo un minuto.
Per farmi capire meglio, ho graficato il tutto rappresentando sull'asse delle ordinate l'intensità luminosa e sulle ascisse il tempo (24 h).
Oppure una cosa del genere.
O ancora...
Tra le tre proposte, penso che l'ultima sia la più semplice da realizzare, considerando che dovrò fare tutto senza impiegare µC dal momento che sono completamente digiuno di programmazione. Credo che una possibile soluzione potrebbe essere questa.
Su eBay si possono trovare dei moduli timer digitali molto economici, che possono pilotare relè o fornire impulsi logici. Pensavo di impiegare uno di questi timer per accendere e spegnere i driver, che dovranno funzionare con soft-start per l'accensione e "soft-off" (non credo che il termine esista) per lo spegnimento.
So che esistono numerosi regolatori switching capaci di funzionare in soft-start, semplicemente sfruttando la carica di un condensatore connesso ad un apposito pin, ma non so se questi possono realizzare anche lo spegnimento graduale che vorrei ottenere. Dunque, la domanda è: come posso realizzare quest'effetto? Esistono circuiti integrati adatti allo scopo?
Ciao,
Niki
Quello che vorrei realizzare è una sorta di effetto alba-tramonto, dove, ad esempio, il tramonto preveda dapprima il graduale spegnimento dei LED bianchi, seguito, poco dopo, dal graduale spegnimento dei LED blu. La transizione tra acceso e spento potrebbe durare anche solo un minuto.
Per farmi capire meglio, ho graficato il tutto rappresentando sull'asse delle ordinate l'intensità luminosa e sulle ascisse il tempo (24 h).
Oppure una cosa del genere.
O ancora...
Tra le tre proposte, penso che l'ultima sia la più semplice da realizzare, considerando che dovrò fare tutto senza impiegare µC dal momento che sono completamente digiuno di programmazione. Credo che una possibile soluzione potrebbe essere questa.
Su eBay si possono trovare dei moduli timer digitali molto economici, che possono pilotare relè o fornire impulsi logici. Pensavo di impiegare uno di questi timer per accendere e spegnere i driver, che dovranno funzionare con soft-start per l'accensione e "soft-off" (non credo che il termine esista) per lo spegnimento.
So che esistono numerosi regolatori switching capaci di funzionare in soft-start, semplicemente sfruttando la carica di un condensatore connesso ad un apposito pin, ma non so se questi possono realizzare anche lo spegnimento graduale che vorrei ottenere. Dunque, la domanda è: come posso realizzare quest'effetto? Esistono circuiti integrati adatti allo scopo?
Ciao,
Niki
0
voti
Considera anche l'idea di imparare a programmare e fare il tutto a software.
Per usare proficuamente un simulatore, bisogna sapere molta più elettronica di lui
Plug it in - it works better!
Il 555 sta all'elettronica come Arduino all'informatica! (entrambi loro malgrado)
Se volete risposte rispondete a tutte le mie domande
Plug it in - it works better!
Il 555 sta all'elettronica come Arduino all'informatica! (entrambi loro malgrado)
Se volete risposte rispondete a tutte le mie domande
0
voti
Certo che si puo`, ma tipicamente richiede molto piu` materiale. E un'alba e tramonto che duri solo un minuto mi pare molto accelerata!
Per usare proficuamente un simulatore, bisogna sapere molta più elettronica di lui
Plug it in - it works better!
Il 555 sta all'elettronica come Arduino all'informatica! (entrambi loro malgrado)
Se volete risposte rispondete a tutte le mie domande
Plug it in - it works better!
Il 555 sta all'elettronica come Arduino all'informatica! (entrambi loro malgrado)
Se volete risposte rispondete a tutte le mie domande
0
voti
IsidoroKZ ha scritto:E un'alba e tramonto che duri solo un minuto mi pare molto accelerata!
Dici?
Ovviamente hai ragione, so che con le adeguate competenze in programmazione si farebbe tutto con un microcontrollore e pochi componenti esterni, ma visto che l'ignoranza si paga sempre, dovrò complicarmi la vita con circuiti puramente hardware.
Pensi si possa impiegare un LM317 come regolatore di corrente, controllando il pin ADJ con un BJT (pilotato dal timer) ed una rete RC per l'accensione e lo spegnimento graduali?
Ciao,
Niki
0
voti
10W di led possono essere una corrente che non riesci a gestire con un 317, e poi devi alimentarli in corrente non mi viene in mente un circuito semplice per cambiare la corrente a rampa.
Fai uno schema di come vuoi collegare i led, indicando le loro caratteristiche e l'alimentazione a disposizione, poi una rampa la si fa.
Fai uno schema di come vuoi collegare i led, indicando le loro caratteristiche e l'alimentazione a disposizione, poi una rampa la si fa.
Per usare proficuamente un simulatore, bisogna sapere molta più elettronica di lui
Plug it in - it works better!
Il 555 sta all'elettronica come Arduino all'informatica! (entrambi loro malgrado)
Se volete risposte rispondete a tutte le mie domande
Plug it in - it works better!
Il 555 sta all'elettronica come Arduino all'informatica! (entrambi loro malgrado)
Se volete risposte rispondete a tutte le mie domande
0
voti
Pensavo di costituire i due gruppi con tre led ciascuno, collegati in serie. Ciascun led è da circa 3 W, con una tensione diretta di 3,5 V ed una corrente di 700 mA.
Dovrei alimentare ciascun gruppo con una tensione 10,5 V ed una corrente massima di 700 mA, quindi penso si potrebbe impiegare un LM317. Che ne pensi?
L'alimentatore posso progettarlo appositamente, non ho particolari vincoli.
Ciao,
Niki
Dovrei alimentare ciascun gruppo con una tensione 10,5 V ed una corrente massima di 700 mA, quindi penso si potrebbe impiegare un LM317. Che ne pensi?
L'alimentatore posso progettarlo appositamente, non ho particolari vincoli.
Ciao,
Niki
0
voti
Come fai variare la corrente di un 317 in modo elettronico? Mi pare complicato anche perche' nella resistenza che fissa la corrente passa la corrente di uscita e 700mA sono tanti.
Si puo` fare credo con un po' di operazionali (quattro?) un paio di MOS con un dissipatorino e un alimentatore a 12V.
Serve all'ingresso un segnale che vada fra due tensioni definite quando e` ora di accendere e di spegnere.
Una curva tipo la terza che hai disegnato, anche con pendenze diverse in salita e discesa si dovrebbe riuscire a fare senza troppi problemi. Le altre due richiedono un ritardo da farsi con un monostabile o forse meglio un po' di porte logiche.
Il problema di tutti questi circuiti e` di ottenere dei tempi lunghi. Per avere tempi lunghi serve che il prodotto di resistenza per capacita` RC sia elevato, dell'ordine di grandezza del tempo di accensione e spegnimento che vuoi: ad esempio per avere accensione e spegnimento in 100s il prodotto RC deve essere dalle parti di 100s (in realta` anche solo 50s, e si puo` ancora scendere un po', ma si introducono degli errori).
Ora ci sono queste limitazioni. Se si usano operazionali normali, il valore delle resistenze non puo` salire oltre qualche megaohm e questo richiede condensatori dalle parti del centinaio di microfarad, ovvero elettrolitici. Ma i condensatori elettrolitici hanno delle correnti di perdita spettacolari, dalle parti di parecchi microampere, che piu` o meno sono anche le correnti che si hanno usando resistenze dell'ordine del megaohm. E quindi la cosa non va tanto bene.
L'altra possibilita` e` di usare dei condensatori a film, che hanno correnti di perdita molto basse. Pero`, anche pagandoli cari, si arriva al massimo alla decina di microfarad, sempre che si riescano a trovare facilmente (RS li ha). Questo richiede resistenze dell'ordine della decina di megaohm, che con gli operazionali bipolari sono troppo elevate (a meno di non essere fortunati e trovarne di quelli venuti bene). Servono per lo piu` degli operazionali con ingresso a MOS e tipo rail to rail.
Infine ci sono i condensatori ceramici, anche qui trovare delle decine di microfarad potrebbe non essere immediato, e sono abbastanza non lineari con la tensione applicata, oltre ad essere degli ottimi termometri.
Se hai in casa una R da 1Mohm o piu`, un condensatore da qualche decina di microfarad e oltre, un LM358 oppure un LM324, si puo` provare a fare un circuito al volo per vedere se la rampa e` ragionevole.
Si puo` fare credo con un po' di operazionali (quattro?) un paio di MOS con un dissipatorino e un alimentatore a 12V.
Serve all'ingresso un segnale che vada fra due tensioni definite quando e` ora di accendere e di spegnere.
Una curva tipo la terza che hai disegnato, anche con pendenze diverse in salita e discesa si dovrebbe riuscire a fare senza troppi problemi. Le altre due richiedono un ritardo da farsi con un monostabile o forse meglio un po' di porte logiche.
Il problema di tutti questi circuiti e` di ottenere dei tempi lunghi. Per avere tempi lunghi serve che il prodotto di resistenza per capacita` RC sia elevato, dell'ordine di grandezza del tempo di accensione e spegnimento che vuoi: ad esempio per avere accensione e spegnimento in 100s il prodotto RC deve essere dalle parti di 100s (in realta` anche solo 50s, e si puo` ancora scendere un po', ma si introducono degli errori).
Ora ci sono queste limitazioni. Se si usano operazionali normali, il valore delle resistenze non puo` salire oltre qualche megaohm e questo richiede condensatori dalle parti del centinaio di microfarad, ovvero elettrolitici. Ma i condensatori elettrolitici hanno delle correnti di perdita spettacolari, dalle parti di parecchi microampere, che piu` o meno sono anche le correnti che si hanno usando resistenze dell'ordine del megaohm. E quindi la cosa non va tanto bene.
L'altra possibilita` e` di usare dei condensatori a film, che hanno correnti di perdita molto basse. Pero`, anche pagandoli cari, si arriva al massimo alla decina di microfarad, sempre che si riescano a trovare facilmente (RS li ha). Questo richiede resistenze dell'ordine della decina di megaohm, che con gli operazionali bipolari sono troppo elevate (a meno di non essere fortunati e trovarne di quelli venuti bene). Servono per lo piu` degli operazionali con ingresso a MOS e tipo rail to rail.
Infine ci sono i condensatori ceramici, anche qui trovare delle decine di microfarad potrebbe non essere immediato, e sono abbastanza non lineari con la tensione applicata, oltre ad essere degli ottimi termometri.
Se hai in casa una R da 1Mohm o piu`, un condensatore da qualche decina di microfarad e oltre, un LM358 oppure un LM324, si puo` provare a fare un circuito al volo per vedere se la rampa e` ragionevole.
Per usare proficuamente un simulatore, bisogna sapere molta più elettronica di lui
Plug it in - it works better!
Il 555 sta all'elettronica come Arduino all'informatica! (entrambi loro malgrado)
Se volete risposte rispondete a tutte le mie domande
Plug it in - it works better!
Il 555 sta all'elettronica come Arduino all'informatica! (entrambi loro malgrado)
Se volete risposte rispondete a tutte le mie domande
0
voti
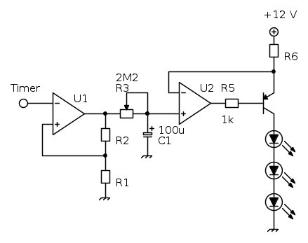
Non ho ben presente i regolatori di corrente con MOSFET, dunque ho provato a disegnarne uno a BJT, che mi è più familiare.
La massima costante di tempo R3*C1 è di circa 220 s (molto teoricamente). Gli elettrolitici al tantalio hanno perdite inferiori?
Se impiego per U2 un TL082, che ha una corrente di polarizzazione di soli 50 pA, credo che potrei già stare tranquillo. Che ne pensi?
In ogni modo, non so bene come realizzare un regolatore di corrente con un MOSFET (ho dato un'occhiata in giro, ma mi restano parecchi dubbi).
U1 realizza un trigger di Schmitt, anche qui non ho fissato la tensione a livello alto (è necessario fissarla?) per pilotare il regolatore di corrente. In caso, si potrebbe fare così?
Che ne pensi?
Grazie,
Niki
La massima costante di tempo R3*C1 è di circa 220 s (molto teoricamente). Gli elettrolitici al tantalio hanno perdite inferiori?
Se impiego per U2 un TL082, che ha una corrente di polarizzazione di soli 50 pA, credo che potrei già stare tranquillo. Che ne pensi?
In ogni modo, non so bene come realizzare un regolatore di corrente con un MOSFET (ho dato un'occhiata in giro, ma mi restano parecchi dubbi).
U1 realizza un trigger di Schmitt, anche qui non ho fissato la tensione a livello alto (è necessario fissarla?) per pilotare il regolatore di corrente. In caso, si potrebbe fare così?
Che ne pensi?
Grazie,
Niki
2
voti
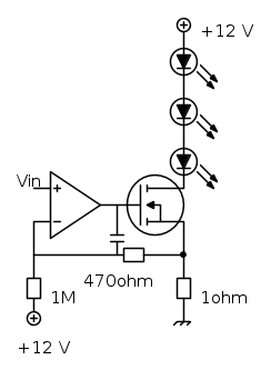
Il regolatore di corrente va quasi bene. Devi pero` considerare che pochissimi operazionali arrivano con l'uscita fino alla tensione di alimentazione positiva, solo i rail to rail. La resistenza di base sul transistore e` un po' troppo grande: se hai 700mA di corrente di collettore e un beta di 50 (possibile con un pnp ad elevata corrente) ti servono una quindicina di milliampere in base, e con 1 kohm e alimentazione a 12V non ce la fai.
Direi di passare a un generatore di corrente con npn oppure nmos, sono praticamente lo stesso schema. Con il MOS ho aggiunto due componenti per la compensazione, giusto per stare tranquilli.
Il secondo punto e` il range di tensione di ingresso nel convertitore tensione corrente. Dato che la tensione sulla resistenza di emettitore e` la stessa di quella di ingresso, se l'ingresso va ad esempio a 5V, anche su Re hai 5V, ed e` tutta dinamica che ti perdi. Per far funzionare il circuito servirebbero circa 11V per i led e il transistore, piu` 5V per la resistenza di emettitore fanno 16V almeno di alimentazione piu` un mare di potenza dissipata.
Direi che Vin al massimo possa andare a .7V, che con 10.5V dei led, se ci credi, potrebbero essere anche di piu`, lasciano circa .8V per il MOS, che bastano e avanzano. Anzi il MOS puo` lavorare anche con cadute di tensioni molto piu` basse, meno di 100mV prendendolo con una rdson di 50mohm-70mohm, in questo modo anche se i led hanno una caduta di tensione maggiore il tutto funziona lo stesso.
La caduta di tensione sulla resistenza di emettitore deve essere piccola per motivi di dinamica e potenza dissipata, ma non comunque molto maggiore della tensione di offset dell'operazionale, tipicamente di qualche millivolt. Una R da 1ohm (1W almeno, meglio anche 2W) dovrebbe andare bene.
Limitare questa tensione con uno zener (specie in parallelo al condensatore) non va bene perche' gli zener non sono precisi, cominciano a condurre quando uno non se lo aspetta, anche se poco e` sempre una corrente di perdita. Inoltre in parallelo al condensatore blocca la carica del condensatore mentre noi vogliamo andare su tempi lunghi, quindi meglio lasciarlo caricare quanto piu` e` possibile.
Per garantire lo spegnimento anche se il condensatore per motivi vari (corrente di bias) non si scarica fino a zero, per effetto della tensione di offset dell'operazionale, si puo` modificare il circuito cosi`, anche se non mi piace per nulla:
Sfruttando la rete di compensazione, si introduce un offset di 5mV circa che dovrebbe garantire lo spegnimento a causa della possibile tensione di offset dell'operazionale.
L'operazionale potrebbe essere un LM358A, che ha una corrente di bias (uscente) tipica dalle parti delle decine di nanoampere: questo vuol dire che se si mette in ingresso una resistenza da 1Mohm, si ha una caduta di tensione dell'ordine delle decine di millivolt, che si vanno ad aggiungere alla tensione di offset. In pratica in questo circuito ci sarebbero dei problemi:
I 50nA tipici di corrente di bias che escono dagli ingressi del 358A devono passare per la resistenza da 2.2Mohm e fa una caduta di tensione di 110mV, una enormita` rispetto ai 700mV della dinamica che abbiamo. Inoltre questa corrente uscente terrebbe sempre accesi i led, perche' l'operazionale che e` miope vede 110mV sul suo ingresso, non sa che li ha generati lui, e accende i led con 110mA.
Per risolvere questo problema si puo` usare un operazionale con ingresso jfet e singola alimentazione (il TL082 non va bene), oppure si puo` provare con la soluzione che mostro dopo.
Il circuito di prima ha anche il problema di ridurre il range di tensione del timer (supposto 12V) a 0.7V, ad esempio con un partitore, come in questi due schemi che NON vanno bene:
Nel primo il problema e` che il partitore e` un carico per il condensatore e la costante di tempo si accorcia di molto, a meno di non fare il partitore con resistenze da decine di megaohm, ma poi la corrente di bias da` problemi.
Il secondo non risolve il problema della corrente di bias attraverso la R elevata che da` la costante di tempo, e in piu` carica il condensatore a 0.7V che non mi piace tanto. La ragione e` la corrente di perdita del condensatore. Se fosse proporzionale alla tensione sarebbe ancora una cosa accettabile, ma potrebbe anche non esserlo, e quindi conviene stare il piu` alti possibile di tensione sul condensatore.
Un possibile schema che se il condensatore non ha tante perdite potrebbe andare, ma e` da provare, e` il seguente:
Anche in questo circuito il primo operazionale fa passare la sua corrente di bias nella resistenza da 2.2Mohm, ma in questo caso l'errore di tensione viene poi ridotto dal partitore di tensione che lo divide per 14 circa, e si va a sommare al possibile errore di offset del secondo stadio. Per questa ragione ho ridotto la resistenza che compensa questo errore da 1Mohm a 470kohm.
Purtroppo non e` sicuro che questi circuiti funzionino, in quanto la corrente di fuga dell'elettrolitico potrebbe essere troppo elevata. Anche gli elettrolitici al tantalio non si comportano meglio da questo punto di vista.
Se la corrente di perdita e` troppo elevata, bisogna andare su operazionali tipo AD824, o altri jfet/MOS rail to rail, usare condensatori a film e resistenze piu` elevate. In questo caso si possono anche fare degli integratori attivi, anche se una carica/scarica esponenziale mi pare che non sia una brutta cosa in questo contesto.
Per quello che ti avevo invitato a fare una prova con componenti "normali" per vedere se ci si stava dentro come correnti di perdita.
Direi di passare a un generatore di corrente con npn oppure nmos, sono praticamente lo stesso schema. Con il MOS ho aggiunto due componenti per la compensazione, giusto per stare tranquilli.
Il secondo punto e` il range di tensione di ingresso nel convertitore tensione corrente. Dato che la tensione sulla resistenza di emettitore e` la stessa di quella di ingresso, se l'ingresso va ad esempio a 5V, anche su Re hai 5V, ed e` tutta dinamica che ti perdi. Per far funzionare il circuito servirebbero circa 11V per i led e il transistore, piu` 5V per la resistenza di emettitore fanno 16V almeno di alimentazione piu` un mare di potenza dissipata.
Direi che Vin al massimo possa andare a .7V, che con 10.5V dei led, se ci credi, potrebbero essere anche di piu`, lasciano circa .8V per il MOS, che bastano e avanzano. Anzi il MOS puo` lavorare anche con cadute di tensioni molto piu` basse, meno di 100mV prendendolo con una rdson di 50mohm-70mohm, in questo modo anche se i led hanno una caduta di tensione maggiore il tutto funziona lo stesso.
La caduta di tensione sulla resistenza di emettitore deve essere piccola per motivi di dinamica e potenza dissipata, ma non comunque molto maggiore della tensione di offset dell'operazionale, tipicamente di qualche millivolt. Una R da 1ohm (1W almeno, meglio anche 2W) dovrebbe andare bene.
Limitare questa tensione con uno zener (specie in parallelo al condensatore) non va bene perche' gli zener non sono precisi, cominciano a condurre quando uno non se lo aspetta, anche se poco e` sempre una corrente di perdita. Inoltre in parallelo al condensatore blocca la carica del condensatore mentre noi vogliamo andare su tempi lunghi, quindi meglio lasciarlo caricare quanto piu` e` possibile.
Per garantire lo spegnimento anche se il condensatore per motivi vari (corrente di bias) non si scarica fino a zero, per effetto della tensione di offset dell'operazionale, si puo` modificare il circuito cosi`, anche se non mi piace per nulla:
Sfruttando la rete di compensazione, si introduce un offset di 5mV circa che dovrebbe garantire lo spegnimento a causa della possibile tensione di offset dell'operazionale.
L'operazionale potrebbe essere un LM358A, che ha una corrente di bias (uscente) tipica dalle parti delle decine di nanoampere: questo vuol dire che se si mette in ingresso una resistenza da 1Mohm, si ha una caduta di tensione dell'ordine delle decine di millivolt, che si vanno ad aggiungere alla tensione di offset. In pratica in questo circuito ci sarebbero dei problemi:
I 50nA tipici di corrente di bias che escono dagli ingressi del 358A devono passare per la resistenza da 2.2Mohm e fa una caduta di tensione di 110mV, una enormita` rispetto ai 700mV della dinamica che abbiamo. Inoltre questa corrente uscente terrebbe sempre accesi i led, perche' l'operazionale che e` miope vede 110mV sul suo ingresso, non sa che li ha generati lui, e accende i led con 110mA.
Per risolvere questo problema si puo` usare un operazionale con ingresso jfet e singola alimentazione (il TL082 non va bene), oppure si puo` provare con la soluzione che mostro dopo.
Il circuito di prima ha anche il problema di ridurre il range di tensione del timer (supposto 12V) a 0.7V, ad esempio con un partitore, come in questi due schemi che NON vanno bene:
Nel primo il problema e` che il partitore e` un carico per il condensatore e la costante di tempo si accorcia di molto, a meno di non fare il partitore con resistenze da decine di megaohm, ma poi la corrente di bias da` problemi.
Il secondo non risolve il problema della corrente di bias attraverso la R elevata che da` la costante di tempo, e in piu` carica il condensatore a 0.7V che non mi piace tanto. La ragione e` la corrente di perdita del condensatore. Se fosse proporzionale alla tensione sarebbe ancora una cosa accettabile, ma potrebbe anche non esserlo, e quindi conviene stare il piu` alti possibile di tensione sul condensatore.
Un possibile schema che se il condensatore non ha tante perdite potrebbe andare, ma e` da provare, e` il seguente:
Anche in questo circuito il primo operazionale fa passare la sua corrente di bias nella resistenza da 2.2Mohm, ma in questo caso l'errore di tensione viene poi ridotto dal partitore di tensione che lo divide per 14 circa, e si va a sommare al possibile errore di offset del secondo stadio. Per questa ragione ho ridotto la resistenza che compensa questo errore da 1Mohm a 470kohm.
Purtroppo non e` sicuro che questi circuiti funzionino, in quanto la corrente di fuga dell'elettrolitico potrebbe essere troppo elevata. Anche gli elettrolitici al tantalio non si comportano meglio da questo punto di vista.
Se la corrente di perdita e` troppo elevata, bisogna andare su operazionali tipo AD824, o altri jfet/MOS rail to rail, usare condensatori a film e resistenze piu` elevate. In questo caso si possono anche fare degli integratori attivi, anche se una carica/scarica esponenziale mi pare che non sia una brutta cosa in questo contesto.
Per quello che ti avevo invitato a fare una prova con componenti "normali" per vedere se ci si stava dentro come correnti di perdita.
Per usare proficuamente un simulatore, bisogna sapere molta più elettronica di lui
Plug it in - it works better!
Il 555 sta all'elettronica come Arduino all'informatica! (entrambi loro malgrado)
Se volete risposte rispondete a tutte le mie domande
Plug it in - it works better!
Il 555 sta all'elettronica come Arduino all'informatica! (entrambi loro malgrado)
Se volete risposte rispondete a tutte le mie domande
33 messaggi
• Pagina 1 di 4 • 1, 2, 3, 4
Chi c’è in linea
Visitano il forum: Nessuno e 47 ospiti

Elettrotecnica e non solo (admin)
Un gatto tra gli elettroni (IsidoroKZ)
Esperienza e simulazioni (g.schgor)
Moleskine di un idraulico (RenzoDF)
Il Blog di ElectroYou (webmaster)
Idee microcontrollate (TardoFreak)
PICcoli grandi PICMicro (Paolino)
Il blog elettrico di carloc (carloc)
DirtEYblooog (dirtydeeds)
Di tutto... un po' (jordan20)
AK47 (lillo)
Esperienze elettroniche (marco438)
Telecomunicazioni musicali (clavicordo)
Automazione ed Elettronica (gustavo)
Direttive per la sicurezza (ErnestoCappelletti)
EYnfo dall'Alaska (mir)
Apriamo il quadro! (attilio)
H7-25 (asdf)
Passione Elettrica (massimob)
Elettroni a spasso (guidob)
Bloguerra (guerra)














