Salve, volevo sapere come poter realizzare un circuitino che mi permetta di accendere, dopo lo start dell'orologio, 5 serie di led, con intervallo di circa 5/10 minuti a serie (plafo alimentata a 12V), stessa cosa al distacco dell'orologio ma in modo inverso.
Oppure è più semplice realizzare una specie di dimmer che in 30-45 minuti mi aumenti gradualmente la tensione dopo lo start dell'orologio e la riduca gradualmente dopo lo stop?
Vorrei anche poter integrare il tutto con una specie di protezione, in caso di black out, che permetta il funzionamento di una di queste serie a mo di luce d'emergenza (il tutto è collegato ad un gruppo di continuità).
Vi chiedo un aiuto perché non ne ho la minima idea su come realizzare il tutto...
idee su come realizzare un circuito per illuminazione a led
Moderatori:
carloc,
g.schgor,
BrunoValente,
IsidoroKZ
50 messaggi
• Pagina 1 di 5 • 1, 2, 3, 4, 5
0
voti
Il principio che può essere adottato
è illustrato in questo articolo.
Se sei d'accordo, possiamo vedere coma applicarlo al tuo caso
dopo che siano esattamente definite le caratteristiche
delle lampade e la sequenza di accensione).
è illustrato in questo articolo.
Se sei d'accordo, possiamo vedere coma applicarlo al tuo caso
dopo che siano esattamente definite le caratteristiche
delle lampade e la sequenza di accensione).
0
voti
Ti ringrazio per la risposta! mi sembra molto interessante come principio da utilizzare!
premetto che non sono un esperto di elettronica, mi sono affacciato a questo mondo di recente e mi sta affascinando sempre più! per questo mi sto appassionando e costruisco un po di tutto in casa...ovviamente cerco di copiare gli schemi di circuiti già realizzati, da altri che capiscono qualcosa più di me, su basette millefori!
La plafoniera che sto realizzando è per scopi acquaristici ed al suo interno ho 4 tipi diversi di led:
99 led cree bianchi da 3.5V, 350mA, 100 lumen; (33 paralleli costituiti da 3 led in serie+resistenza da 4.7ohm 1W)
50 led blu + 50 led verdi da 3.6V, 20mA, 12lumen (50 paralleli costituiti da 2 led in serie+resistenza da 270ohm 1/4W);
50 led rossi da 2.3V, 20mA, 7lumen (10 paralleli costituiti da 5 led in serie + resistenza da 27ohm 1/4W)
il tutto raffreddato da 3 ventole x PC 120x120mm.
Quel che vorrei si accendesse in sequenza sono i led bianchi...magari si può vedere di trovare il metodo migliore...ripeto, non son un esperto ma solo un principiante che si sta avvicinando a questo mondo a grandi passi...so saldar bene ed ottimizzare gli spazi...quindi qualche possibilità ce l'ho??
premetto che non sono un esperto di elettronica, mi sono affacciato a questo mondo di recente e mi sta affascinando sempre più! per questo mi sto appassionando e costruisco un po di tutto in casa...ovviamente cerco di copiare gli schemi di circuiti già realizzati, da altri che capiscono qualcosa più di me, su basette millefori!
La plafoniera che sto realizzando è per scopi acquaristici ed al suo interno ho 4 tipi diversi di led:
99 led cree bianchi da 3.5V, 350mA, 100 lumen; (33 paralleli costituiti da 3 led in serie+resistenza da 4.7ohm 1W)
50 led blu + 50 led verdi da 3.6V, 20mA, 12lumen (50 paralleli costituiti da 2 led in serie+resistenza da 270ohm 1/4W);
50 led rossi da 2.3V, 20mA, 7lumen (10 paralleli costituiti da 5 led in serie + resistenza da 27ohm 1/4W)
il tutto raffreddato da 3 ventole x PC 120x120mm.
Quel che vorrei si accendesse in sequenza sono i led bianchi...magari si può vedere di trovare il metodo migliore...ripeto, non son un esperto ma solo un principiante che si sta avvicinando a questo mondo a grandi passi...so saldar bene ed ottimizzare gli spazi...quindi qualche possibilità ce l'ho??
0
voti
crokman ha scritto:Quel che vorrei si accendesse in sequenza sono i led bianchi...
Bene la descrizione dei LED, ma non è definita la sequenza
(se ci sono 33 rami in parallelo tra loro, come distinguere
l'accensione?). Occorre stabilire quanti gruppi formare
e a che intervalli devono accendersi e poi spegnersi.
0
voti
ok ok! mi ero scordato quel passaggio 
Per quanto riguarda l'accensione, mi piacerebbe che si accendessero 3 rami alla volta con un intervallo tra loro di circa 5 minuti partendo da destra a sinistra (sono 11 rami a sx, 11 al centro e 11 a dx) per simulare il sole che sorge e x quanto riguarda lo spegnimento sempre da dx verso sx per simulare il tramonto...
Dimenticavo....se questi si potessero accendere gradualmente per non spaventare troppo i pesci sarebbe fantastico!!!
Per quanto riguarda l'accensione, mi piacerebbe che si accendessero 3 rami alla volta con un intervallo tra loro di circa 5 minuti partendo da destra a sinistra (sono 11 rami a sx, 11 al centro e 11 a dx) per simulare il sole che sorge e x quanto riguarda lo spegnimento sempre da dx verso sx per simulare il tramonto...
Dimenticavo....se questi si potessero accendere gradualmente per non spaventare troppo i pesci sarebbe fantastico!!!
0
voti
crokman ha scritto:.se questi si potessero accendere gradualmente..
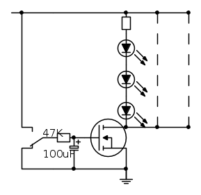
Cominciamo allora da qui. Dovresti trovare Mosfet da 60V 2A (tipo ad es
questo).
Per un effetto di dissolvenza dovresti poi provare
questo circuito (gruppo di 9 LED):
Se l'effetto è buono, possiamo poi passare ai comandi
in sequenza.
0
voti
ok, sono alla ricerca del mosfet... da 60V ne ho trovati tantissimi ma con amperaggi (correnti: è meglio ;-)) o da 0.2A o superiori a 7A, sino ad 80A.... sai mica dirmi la sigla precisa per il mosfet?
altra cosa, la resistenza da 47 kohm, che potenza deve avere?
ed il condensatore?
altra cosa, la resistenza da 47 kohm, che potenza deve avere?
ed il condensatore?
0
voti
In esempio di Mosfet te l'avevo dato (ma non è detto
che si trovi da qualsiasi fornitore): Va bene uno che
abbia le caratteristiche indicate (non deve essere per
correnti elevate)
La resistenza è da 1/4W, il condensatore minimo da 20VL.
che si trovi da qualsiasi fornitore): Va bene uno che
abbia le caratteristiche indicate (non deve essere per
correnti elevate)
La resistenza è da 1/4W, il condensatore minimo da 20VL.
0
voti
per ora non son riuscito a trovare il mosfet... riesci mica a spiegarlo "a parole" l'effetto? te ne sarei molto grato!
0
voti
La prova pratica consiste nel comandare l'accensione
e lo spegnimento del gruppo di 9 LED osservando
l'effetto di dissolvenza.
Questo è dato dalla resistenza e dal condensatore
che stanno sul Gate del Mosfet.
La carica e la scarica del condensatore creano infatti
una "chiusura" ed un' "apertura" graduale del Mosfet
La prova ha lo scopo di verificare se l'effetto di
dissolvenza così ottenuto è accettabile.
e lo spegnimento del gruppo di 9 LED osservando
l'effetto di dissolvenza.
Questo è dato dalla resistenza e dal condensatore
che stanno sul Gate del Mosfet.
La carica e la scarica del condensatore creano infatti
una "chiusura" ed un' "apertura" graduale del Mosfet
La prova ha lo scopo di verificare se l'effetto di
dissolvenza così ottenuto è accettabile.
50 messaggi
• Pagina 1 di 5 • 1, 2, 3, 4, 5
Chi c’è in linea
Visitano il forum: Google Adsense [Bot] e 37 ospiti

Elettrotecnica e non solo (admin)
Un gatto tra gli elettroni (IsidoroKZ)
Esperienza e simulazioni (g.schgor)
Moleskine di un idraulico (RenzoDF)
Il Blog di ElectroYou (webmaster)
Idee microcontrollate (TardoFreak)
PICcoli grandi PICMicro (Paolino)
Il blog elettrico di carloc (carloc)
DirtEYblooog (dirtydeeds)
Di tutto... un po' (jordan20)
AK47 (lillo)
Esperienze elettroniche (marco438)
Telecomunicazioni musicali (clavicordo)
Automazione ed Elettronica (gustavo)
Direttive per la sicurezza (ErnestoCappelletti)
EYnfo dall'Alaska (mir)
Apriamo il quadro! (attilio)
H7-25 (asdf)
Passione Elettrica (massimob)
Elettroni a spasso (guidob)
Bloguerra (guerra)


