Salve ragazzi, avrei bisogno di verificare il funzionamento del componente in oggetto. Ho provato a realizzare un paio di circuiti prendendo spunto da quello presente in datasheet ma (a meno di un malfunzionamento dell'scr stesso) ho sempre avuto esito negativo con scr in conduzione anche senza agire sul gate.
Potete aiutarmi a capire dove sbaglio?
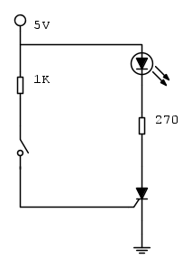
Questo è uno degli schemi con cui ho lavorato, adattato da uno trovato in rete.
Grazie
Ciao
TEST SCR CR02AM
Moderatori:
carloc,
g.schgor,
BrunoValente,
IsidoroKZ
8 messaggi
• Pagina 1 di 1
0
voti
dato che l'alimentazione è in corrente continua una volta chiuso l'interruttore per il comando del gate il componente non apre più il circuito.
Ultima modifica di
asdf il 19 mag 2012, 21:02, modificato 1 volta in totale.
Motivazione: Eliminata citazione integrale della risposta precedente. Per rispondere cliccare sul pulsante "Rispondi" e non sul pulsante "Cita".
Motivazione: Eliminata citazione integrale della risposta precedente. Per rispondere cliccare sul pulsante "Rispondi" e non sul pulsante "Cita".
L'esperienza Insegna.
http://www.genioincompreso.com
http://www.genioincompreso.com
0
voti
Romeo ha scritto:dato che l'alimentazione è in corrente continua una volta chiuso l'interruttore per il comando del gate il componente non apre più il circuito.
Il fatto è che io anche non chiudendo l'interruttore ottengo una situazione di conduzione....
-

rocknetman
0 2 - Messaggi: 17
- Iscritto il: 1 mag 2012, 18:20
0
voti
SCR è in corto circuito in quanto non funziona la porta di chiusura (gate)
L'esperienza Insegna.
http://www.genioincompreso.com
http://www.genioincompreso.com
1
voti
E' probabile che
Romeo abbia ragione e l'SCR in corto ma...
visto che si tratta di un SCR di piccolissima potenza e con un gate molto sensibile c'è anche la possibilità che il dv/dt del transitorio di accensione (quando colleghi l'alimentazione) tramite le capacità interne dell'SCR (Cag) sia in grado di dare una Ig sufficiente ad accendere l'SCR.
Oppure è anche possibile che lo stesso filo di collegamento tra G e interruttore raccolga in giro disturbi a sufficienza per innescare l'SCR...
In breve io proverei così per sicurezza..
visto che si tratta di un SCR di piccolissima potenza e con un gate molto sensibile c'è anche la possibilità che il dv/dt del transitorio di accensione (quando colleghi l'alimentazione) tramite le capacità interne dell'SCR (Cag) sia in grado di dare una Ig sufficiente ad accendere l'SCR.
Oppure è anche possibile che lo stesso filo di collegamento tra G e interruttore raccolga in giro disturbi a sufficienza per innescare l'SCR...
In breve io proverei così per sicurezza..
Se ti serve il valore di beta: hai sbagliato il progetto!
0
voti
Dunque componente fritto? In tal caso quali sarebbero i valori che devo tenere in considerazione per poterlo sostituire con uno equivalente?
Grazie
Grazie
-

rocknetman
0 2 - Messaggi: 17
- Iscritto il: 1 mag 2012, 18:20
0
voti
carloc ha scritto:E' probabile cheRomeo abbia ragione e l'SCR in corto ma...
visto che si tratta di un SCR di piccolissima potenza e con un gate molto sensibile c'è anche la possibilità che il dv/dt del transitorio di accensione (quando colleghi l'alimentazione) tramite le capacità interne dell'SCR (Cag) sia in grado di dare una Ig sufficiente ad accendere l'SCR.
Oppure è anche possibile che lo stesso filo di collegamento tra G e interruttore raccolga in giro disturbi a sufficienza per innescare l'SCR...
In breve io proverei così per sicurezza..
Scusami non avevo visto tua risposta. Effettuerò la prova. In questo caso la resistenza da 1K collegata a +Vcc non è superflua? O ha la funzione di limitare la corrente verso il gate? Grazie
-

rocknetman
0 2 - Messaggi: 17
- Iscritto il: 1 mag 2012, 18:20
8 messaggi
• Pagina 1 di 1
Chi c’è in linea
Visitano il forum: Nessuno e 78 ospiti

Elettrotecnica e non solo (admin)
Un gatto tra gli elettroni (IsidoroKZ)
Esperienza e simulazioni (g.schgor)
Moleskine di un idraulico (RenzoDF)
Il Blog di ElectroYou (webmaster)
Idee microcontrollate (TardoFreak)
PICcoli grandi PICMicro (Paolino)
Il blog elettrico di carloc (carloc)
DirtEYblooog (dirtydeeds)
Di tutto... un po' (jordan20)
AK47 (lillo)
Esperienze elettroniche (marco438)
Telecomunicazioni musicali (clavicordo)
Automazione ed Elettronica (gustavo)
Direttive per la sicurezza (ErnestoCappelletti)
EYnfo dall'Alaska (mir)
Apriamo il quadro! (attilio)
H7-25 (asdf)
Passione Elettrica (massimob)
Elettroni a spasso (guidob)
Bloguerra (guerra)





