Cos'è ElectroYou | Login Iscriviti

ElectroYou - la comunità dei professionisti del mondo elettrico

Problema con sovrapposizione effetti

Circuiti, campi elettromagnetici e teoria delle linee di trasmissione e distribuzione dell’energia elettrica

Moderatori: Foto Utenteg.schgor, Foto UtenteIsidoroKZ

0
voti

[1] Problema con sovrapposizione effetti

Messaggioda Foto Utentetab » 17 giu 2011, 19:56

Buona sera,
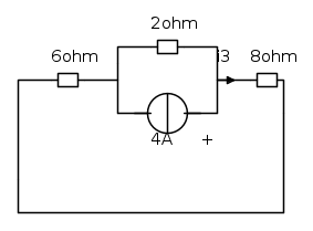
sto avendo difficoltà con il calcolo della corrente di queste circuito applicando la sovrapposizione degli effetti:

Cosi ho applicato la sovrapposizione degli effetti per avere
i = i_{1} + i_{2} + i_{3}
Primo effetto

i_{1} = 1A
Secondo effetto

i_{2} = 0.75 A
Terzo effetto

Con resisotre da 8Ω in serie a 6Ω. Quindi ottengo un circuito formato da un generatore di corrente con due resitori in parallelo (14Ω || 2Ω) a cui applico il partirore di corrente per ottenere
i_{3} = 3,5 A

Ma non esce.
Dove ho sbagliato?
Avatar utente
Foto Utentetab
-9 6
Frequentatore
Frequentatore
 
Messaggi: 108
Iscritto il: 18 gen 2011, 20:09

0
voti

[2] Re: Problema con sovrapposizione effetti

Messaggioda Foto UtenteDarwinNE » 17 giu 2011, 20:35

tab ha scritto:Secondo effetto

i_{2} = 0.75 A


Sicuro sicuro del segno?

tab ha scritto:Terzo effetto

Con resisotre da 8Ω in serie a 6Ω. Quindi ottengo un circuito formato da un generatore di corrente con due resitori in parallelo (14Ω || 2Ω) a cui applico il partirore di corrente per ottenere
i_{3} = 3,5 A


Sicuro di aver pescato il ramo giusto nell'applicazione del partitore?
Follow me on Mastodon: @davbucci@mastodon.sdf.org
Avatar utente
Foto UtenteDarwinNE
31,0k 7 11 13
G.Master EY
G.Master EY
 
Messaggi: 4420
Iscritto il: 18 apr 2010, 9:32
Località: Grenoble - France

0
voti

[3] Re: Problema con sovrapposizione effetti

Messaggioda Foto Utentetab » 18 giu 2011, 11:05

DarwinNE ha scritto:Sicuro sicuro del segno?

In effetti no :D Avevo applicato male la legge di Ohm: per cui i_{2} = - 0,75 A
Riguardo al 3° effetto, invece, avevi proprio ragione.
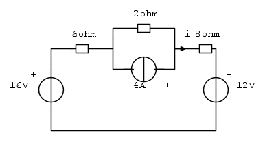
Considerando il circuito equivalente ottenuto:

ed applicando il partitore di corrente ottengo:
i_{y} \equiv i_{3} = \frac{2}{2+14} \cdot i = 0,5 A
Quindi: i = i_{1} + i_{2} + i_{3} = 1A - 0,75A + 0,5A = 0,75A

Grazie della dritta!
O_/
Avatar utente
Foto Utentetab
-9 6
Frequentatore
Frequentatore
 
Messaggi: 108
Iscritto il: 18 gen 2011, 20:09


Torna a Elettrotecnica generale

Chi c’è in linea

Visitano il forum: Nessuno e 34 ospiti