Partendo dall'articolo dedicato agli elementi principali di una filettatura, vogliamo ora con il seguente articolo effettuare una rassegna dei vari sistemi di filettature.
Poiché la trattazione è risultata un po' lunga, vi consiglio di spulciare l'indice , ( cliccando su Mostra indice, poco più in alto, a destra) se siete interessati ad un argomento in particolare.
Indice |
Introduzione
Gli elementi che caratterizzano ogni sistema di filettatura sono:
- forma del filetto;
- valori dei diametri scelti per la vite e madrevite;
- valori dei passi in relazione a vari diametri;
- tolleranze di lavorazione.
Inoltre in base, ad esempio, alla forma del filetto vi sono filettature a profilo triangolare, trapezoidale, a denti di sega, etc.
Oppure se si prende come riferimento la lunghezza del passo rapportata al diametro si hanno filettature a passo grosso e a passo fine.
I tipi di filetti unificati in campo nazionale ed internazionale sono:
- filettature metriche ISO;
- filettature Whitworth;
- filettature gas;
- filettature trapezie;
- filettature a dente di sega;
- filettature speciali.
Precisiamo inoltre quanto segue.
Per le filettature metriche, trapezie e a denti di sega le misure sono espresse generalmente in millimetri; per le filettature Whitworth e gas sono espresse in pollice e frazione di pollice.
L'angolo formato dai fianchi del filetto nelle viti triangolari è pari a :
- 60° nelle filettature metriche (triangolo generatore equilatero);
- 55° nelle filettature Whitworth e gas (triangolo generatore isoscele);
- 30° nelle filettature trapezie (triangolo generatore isoscele) e circa 30° nelle filettature a denti di sega (triangolo generatore rettangolo).
Filettature metriche ISO a profilo triangolare
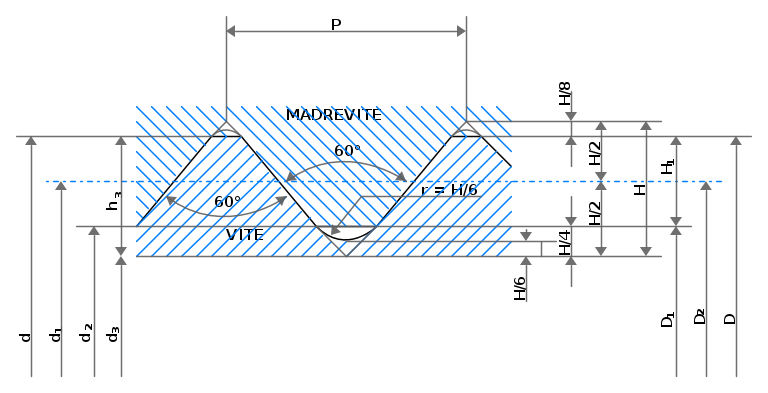
Da un triangolo equilatero con il lato uguale al passo e che ha la base parallela all'asse della filettatura, deriva il profilo base che i vertici troncati.
Il profilo nominale della madrevite è uguale a quello base, quello della vite è diverso giacché sul fondo i filetti presentano un arrotondamento con raggio r = H / 6 che si rende necessario sia per motivi di fabbricazione che per motivi legati alla resistenza della filettatura.
In sostanza le filettature presentano un profilo di esecuzione che si può scostare da quello nominale: le madreviti hanno anch'esse un arrotondamento sul fondo del filetto e le viti possono avere un diametro di nocciolo di poco maggiore con un raggio di arrotondamento diverso allo scopo di ridurre l'effetto di intaglio.
Vediamo a tal proposito le figure che seguono.
Nella figura che segue sono rappresentati i profili della filettatura simmetrica ISO a profilo triangolare per la madrevite. Esistono quattro tipi possibili di profili: ideale, base, nominale e d'esecuzione.
Nella figura che segue, invece, sono presentati i profili della dilettatura metrica ISO per la vite.
La filettatura ISO prevede un gioco tra la cresta del filetto della madrevite e il fondo del filetto della vite e quindi non assicura avvitamenti a tenuta stagna.
Le formule di proporzionamento di una filettatura metrica ISO sono espresse in funzione del passo:
in riferimento alla figura che segue che rappresenta gli elementi geometrici del profilo nominale per le filettature metriche ISO:
Il raggio di raccordo r sul fondo del filetto della vite riveste un'importanza notevole, infatti la precedente filettatura UNI con raggio di raccordo pari a H / 8 è stata rimossa perchéraggi di raccordo inferiori a fondo gola finivano per peggiorarne la resistenza.
Per designare le filettature metriche ISO bisogna tenere conto che si possono presentare i seguenti casi:
- la filettatura è tra quelle unificate a passo grosso. Ad ogni diametro nominale corrisponde un unico passo. Quindi vengono designate con il simbolo M seguito dal valore del diametro nominale.
- la filettatura è tra quelle unificate a passo fine: poiché in questo caso ad ogni diametro nominale corrisponde un passo diverso da quello grosso e talvolta corrispondono anche più passi allora si è deciso di designare tali filettature con il simbolo M seguito dal valore del diametro nominale, dal segno
di moltiplicazione e dal valore del passo.
- la filettatura è metrica non unificata. La si designa come segue: si indicano nell'ordine il diametro nominale, il segno
di moltiplicazione, il valore del passo e infine il simbolo M.
Talvolta occorrono altre precisazioni per completare l'indicazione della filettatura:
- se la filettatura ha più principi si indicherà il passo della filettatura (L) seguito dal passo del profilo (P);
- se la filettatura ha elica sinistra piuttosto che destra si aggiunge l'abbreviazione LH (Lef Hand); se coesistono filettature destra e sinistra anche le prime dovranno portare l'indicazione RH (Right Hand).
Le filettature a passo grosso sono maggiormente indicate per materiali con bassa resistenza a trazione (come ottone, alluminio e ghisa) grazie al fatto che presentano una maggiore resistenza del filetto.
Filettature Whitworth
Questo tipo di filettature è basato su un triangolo generatore con un angolo del profilo di 55°. Fondo e cresta del filetto sono arrotondati sia nella vite che nella madrevite.
La figura che segue rappresenta il profilo della filettatura Whitworth:
Le dimensioni sono espresse in frazioni di pollice. Il passo è definito in base al numero z di filetti presenti su una larghezza assiale di un pollice. Dato il numero z di filetti contenuti in un pollice, grazie alla seguente formula:
si ottiene il passo in millimetri.
Le altre formule utilizzate per il calcolo degli elementi geometrici sono:
Le filettature Whitworth sono designate indicando: il diametro nominale (espresso in pollici o frazioni di pollici), seguito dalla lettera W.
Qulaora la filettatura non fosse unificata, si indica nell'ordine: diametro nominale (in pollici), segno
di moltiplicazione, numero di filetti per pollice e alla fine il simbolo W.
Le filettature Whitworth sono la base di molti sistemi di filettature, sono state le prime ad essere unificate (nel 1841). Ora però sono in disuso, ma sono la base delle filettature gas.
Filettature gas
Esse, come detto prima, derivano dalle filettature Whitworth. Si differenziano da queste ultime per i passi che sono più fini. Il fatto che si chiamino filettature gas è dovuto al loro impiego iniziale nelle condutture di gas.
Esse trovano largo impiego nei collegamenti per tubazioni e apparecchiature atte al convogliamento dei fluidi.
La designazione della filettatura è convenzionale poiché si riferisce al diametro interno teorico del tubo su cui è usata la filettatura.
Le norme UNI ISO 228 e UNI ISO 7 (che hanno sostituito rispettivamente la UNI 338 e la UNI 339) distinguono le filettature gas in:
- filettature per tubazioni non a tenuta stagna: il collegamento avviene con una vite e madrevite cilindrica, in cui il numero maggiore di filetti per pollice rispetto alla Whitworth non garantisce l'ermeticità, che è affidata alla presenza delle guarnizioni;
- filettature per tubi a tenuta stagna: la tenuta stagna sul filetto si ottiene con l'accoppiamento di una vite conica in una madrevite cilindrica o conica.
La filettatura gas cilindrica per accoppiamenti non a tenuta stagna prevede due classi di tolleranza:
- A, più ristretta;
- B, più ampia.
Sono previste per le dimensioni limite del diametro esterno, del diametro medio e del diametro di nocciolo della vite.
La designazione è indicata dalla lettera G seguita dal valore (in pollici) del diametro nominale e dalla classi di tolleranza A o B di appartenenza.
La figura e la tabella che seguono mostrano il profilo, le zone di tolleranza e le formule di dimensionamento della filettatura gas non a tenuta stagna sul filetto.
| G | Filettatura di tubazioni per accoppiamento non a tenuta sul filetto |
| A | Classe più ristretta di tolleranza della filettatura esterna di tubazioni per accoppiamento non a tenuta sul filetto |
| B | Classe più ampia di tolleranza esterna di tubazioni per accoppiamento non a tenuta sul filetto |
| H | Altezza del triangolo generatore della filettatura |
| h | Altezza del profilo di filettatura tra creste e fondi arrotondati |
| r | Raggio degli arrotondamenti delle creste e dei fondi del filetto |
| P | Passo |
| D = d | Diametro esterno della filettatura |
| Diametro di nocciolo della filettatura esterna |
| Diametro di nocciolo della filettatura interna |
| Diametro medio della filettatura esterna |
| Diametro medio della filettatura interna |
| Td2 | Tolleranza sul diametro medio della filettatura esterna |
| TD2 | Tolleranza sul diametro medio della filettatura interna |
| Td | Tolleranza sul diametro esterno della filettatura esterna |
| TD1 | Tolleranza sul diametro di nocciolo della filettatura interna |
Per quanto riguarda invece le filettature coniche a tenuta stagna sul filetto, per determinare la geometria del profilo si ricorre ad un piano di misura prefissato a cui si riferiscono tutti i vari parametri geometrici, come possiamo vedere dalla seguente figura (che ho per motivi di spazio ho dovuto suddividere in varie figure che quindi vanno intese, spazialmente parlando, come un' unica figura).
La vecchia designazione UNI 339 indicava con Gj la filettatura cilindrica interna e con Gc la filettatura esterna conica, seguita dalla dimensione nominale espressa in pollici. La norma più recente, la UNI ISO 7, ha introdotto una nuova simbologia ed in particolare:
- la lettera R seguita dalla lettera p e dal valore del diametro nominale per le filettature interne cilindriche;
- la lettera R seguita dalla lettera c per le filettature interne coniche;
- la lettera R seguita dal valore del diametro nominale per le filettature esterne coniche.
Sono unificate (UNI 6125-74) filettature gas interne ed esterne coniche per tubi portacavi per gli impianti elettrici antideflagranti, e sono designate con la lettera Gk.
Filettature trapezoidali
Esse sono utilizzate per le viti di manovra, cioè quando ruotando la vite o la madrevite si vuole ottenere uno spostamento reciproco di due organi meccanici.
Nel profilo trapezoidale il gioco tra fondo del filetto della vite e la cresta del filetto della madrevite è relativamente grande.
Nella figura seguente è mostrata la filettatura trapezoidale, mentre la tabella riporta le formule di dimensionamento.
| ac: giuoco di fondo | |
| D4: diametro esterno di madrevite | d + 2ac |
| D2: diametro medio di madrevite; d2: diametro medio di vite |
|
| D1: diametro interno di madrevite |
|
| d: diametro esterno di vite (diametro nominale di filettatura) | |
| d3: diametro interno di vite |
|
| H1: altezza di avvitamento (ricoprimento) |
|
| H4: altezza del filetto della madrevite |
|
| h3: altezza del filetto della vite |
|
| P | passo del profilo |
|
|
|
|
| z |
|
Queste filettature non sono attualmente unificate. Si può indicativamente fare riferimento alle UNI ISO 2901-2904 ora ritirate.
La designazione di una filettatura trapezia si effettua indicando il simbolo Tr seguito dal diametro nominale, dal passo del profilo.
Qualora la vite avesse più filetti, dopo il diametro nominale si indica anche il passo dell'elica e poi tra parentesi il passo del profilo. Se, infine, la filettatura è sinistra si aggiunge LH (Left Hand).
Precedentemente ancora, le UNIM 124, 125 e 126 facevano riferimento ad una filettatura:
- trapezia normale TpN;
- trapezia fine TpF;
- trapezia grossa TpG.
Inoltre la normativa americana prevede una filettatura chiamata ACME e unificata in diverse forme.
Filettature a dente di sega
Il profilo a dente di sega, cioè trapezio asimmetrico, è usato nei collegamenti filettati tra tubi sottili soggetti a sforzi relativamente intensi nel solo senso assiale: il filetto infatti ha uno dei fianchi inclinato soltanto di 3° ed è questo fianco che reagisce meglio al carico.
La seguente figura ritrae la filettatura a dente di sega, mentre la tabella che segue presenta le formule di proporzionamento:
| h |
|
| f |
|
| f1 |
|
| c |
|
| e |
|
| b |
|
| r |
|
Tra la vite e la madrevite è previsto un forte gioco assiale ed un centraggio sul diametro esterno.
Le UNIM 127 e 128 ora ritirate, unificavano le filettature a dente di sega come:
- a dente di sega normale SgN;
- a dente di sega fine SgF.
La designazione veniva effettuata indicando il diametro nominale seguito da uno dei due simboli previsti. Qualora la vite avesse avuto più filetti o si avesse avuto una vite con elica sinistra si sarebbero dovute aggiungere anche le relativa indicazioni.
Ad esempio la scrittura:

indica una vite con diametro nominale pari ad 80 mm con due filetti con elica sinistra.
Infine va ricordato che vi sono anche filettature a dente di sega con angolo di 45° anziché di 30°: questo permette di migliorare in maniera notevole il comportamento meccanico del filetto e di ridurre l'effetto di intaglio.
Filettature speciali
Ci sono anche altre tipologie di filettature, oltre a quelle finora esaminate, e che sono destinate a degli impieghi particolari. Esse sono generalmente ricavate su componenti normalizzati e non sono invece eseguite su particolari meccanici come avviene spesso per le filettature triangolari.
Tra le filettature per impiego particolare, citiamo quelle per viti autofilettanti che sono largamente adoperate nell'industria automobilistica, ferroviaria, aeronautica e negli elettrodomestici: sono capaci di creare da sé la propria sede filettata.
Alcune delle altre filettature speciali che vogliamo ricordare sono le seguenti:
- Filettature per viti dal legno: sono unificate nella tabella UNI 699; si realizza la filettatura su di un gambo conico con un filetto piccolo rispetto al passo. Al fine di favorire una avvitamento facile nella parte superiore del gambo, l'elica media è meno inclinata rispetto alla parte inferiore. Tale peculiarità consente inoltre una forte resistenza allo svitamento. Esse vengono designate indicando il diametro nominale seguito dalla norma a cui si fa riferimento; ad esempio:

- Filettatura BA (British Association): differisce dalle filettature Whitworth poiché l'angolo è di 47°30', anziché di 55° ed è usata per diametri nominali da 0.25 mm a 6 mm.
- Filettatura UN (Unified Screw Thread): è simile alla filettatura metrica 8angolo del profilo pari a 60°) ma ha un diametro definito in pollici e passo stabilito in base al numero di filetti per pollice. Vi sono serie UNC (coarse), UNF (fine), UNEF (extrafine) con numero di filetti per pollice crescente e quindi una conseguente riduzione del passo. Il profilo di esecuzione può mostrare un arrotondamento al fondo del filetto sia nella vite che nella madrevite e sulla cresta del filetto della madrevite (serie UNR).
- Filettature Edison: sono filettature con un profilo generatore semicircolare e sono utilizzate per attacchi di lampade (E14, E27, etc..), o per rotabili ferroviari.
- Filettature metriche per accoppiamenti a tenuta stagna: furono unificate nel 1977 con la tabella UNI 7707; sono state studiate in modo che non vi sia giuoco tra la cresta e il fondo filetto in modo da evitare la via a spirale di fuga del fluido.
Bibliografia
Disegno tecnico industriale - Chirone, Tornincasa.

Elettrotecnica e non solo (admin)
Un gatto tra gli elettroni (IsidoroKZ)
Esperienza e simulazioni (g.schgor)
Moleskine di un idraulico (RenzoDF)
Il Blog di ElectroYou (webmaster)
Idee microcontrollate (TardoFreak)
PICcoli grandi PICMicro (Paolino)
Il blog elettrico di carloc (carloc)
DirtEYblooog (dirtydeeds)
Di tutto... un po' (jordan20)
AK47 (lillo)
Esperienze elettroniche (marco438)
Telecomunicazioni musicali (clavicordo)
Automazione ed Elettronica (gustavo)
Direttive per la sicurezza (ErnestoCappelletti)
EYnfo dall'Alaska (mir)
Apriamo il quadro! (attilio)
H7-25 (asdf)
Passione Elettrica (massimob)
Elettroni a spasso (guidob)
Bloguerra (guerra)










