Premessa
Con l’aiuto di Bruno (che credo non abbia bisogno di presentazioni), il sottoscritto (diversamente giovane ingegnere elettronico che prova da anni a capirci qualcosa di elettronica audio) ha voluto provare a riparare un vecchio preamplificatore della McIntosh modello C28 (anni 70) interamente a transistor, di proprietà di un amico.
Nel seguito, dopo una breve presentazione delle caratteristiche del preamplificatore descriviamo nel dettaglio il processo di riparazione e abbiamo voluto scrivere il presente articolo perché è, secondo noi, molto interessante l’analisi che abbiamo fatto sul rumore di BF (50 e 100Hz) presente sulla macchina (oltre a un rumore a bassissima frequenza, 2-5Hz, pensiamo anche originariamente presente quando il preamplificatore era nuovo) e tutti gli accorgimenti e modifiche che sono state intraprese per risolvere definitivamente questo tipo di problematiche.
Buona lettura!
Il preamplificatore
Di seguito le principali caratteristiche del preamplificatore, il cui Service Manual è facilmente reperibile in rete,
Il valore commerciale di questa macchina è significativo (d’altronde tutti i prodotti McIntosh sono considerati da molti audiofili il top della gamma) nonostante la sua età.
Descrizione del guasto e soluzione
I difetti segnalati dal proprietario consistevano in una elevata distorsione del preamplificatore appena si superava un certo volume.
Ecco come si presentava l’interno della macchina sul lato rame:
E sul lato componenti:
Come si puo’ vedere ci sono le 2 schede di preamplificazione (basso e alto livello), mentre per l’alimentatore è stata adottata una soluzione di cablaggio in aria senza circuito stampato, tipo quella utilizzata nei vecchi amplificatori a valvole.
Da notare i quattro cilindri di metallo che sono dei tubi di alluminio contenenti più condensatori elettrolitici (tecnica molto usata in
passato).
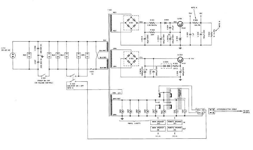
La prima operazione compiuta è stata la verifica, con il capacimetro, dei condensatori elettrolitici (dopo averli smontati uno aduno) dell’alimentatore il cui schema è il seguente
Le lettere A, B e C accanto ai condensatori elettrolitici, indicano a quale tubo i condensatori appartengono.
E’ stato rilevato che tutti i condensatori elettrolitici erano scarichi (circa 1/6 del valore nominale) e sono stati quindi sostituiti, scegliendo di posizionarli in aria (soluzione ritenuta più pratica e veloce) anziché aprire i tubi svuotarli e riempirli con i nuovi condensatori, soluzione più elegante ma molto più laboriosa.
Successivamente, dopo aver collegato un trasformatore di isolamento, un variac e una lampadina di protezione da cortocircuiti, si è alimentato il preamplificatore partendo da una tensione minima fino al valore di 230V e si sono andate a misurare le varie tensioni dell’alimentatore riscontrando alcune tensioni anomale, in particolare sulla base di Q301c’erano 11.0V anziché 75.6, mentre sull’emettitore 10.9V anziché 75.
E’ stato quindi smontato Q301 e si è fatto un controllo con il provadiodi di un multimetro FLUKE e tale controllo non ha rilevato guasti; si è allora testato il transistore con il prova componenti (di tipo economico che impiega un processore ATMega328) che nonostante rilevasse correttamente la piedinatura del transistor forniva un HFE=1.
E’ stata quindi fatta una misura a transistor scollegato e ora sul punto in cui era collegata la base, la tensione è salita a 73V.
Si è quindi deciso di sostituire il transistor ma, poiché i codici usati nello schema elettrico per i transistor non sono quelli corrispondenti ai transistor ma sono dei McIntosh Part Number, si è fatta una ricerca in rete sul sito di Audiokarma trovando la seguente tabella:
In effetti si poteva usare un qualunque transistor NPN che sopportasse le tensioni in gioco.
Si è quindi usato un TIP 50 che si è dovuto adattare sul radiatore disponibile come in foto:
Dopo la sostituzione dei condensatori e del transistor è stata fornita l’alimentazione riscontrando valori corretti delle tensioni fornite dall’alimentatore.
Si è inserito quindi una forma d’onda sinusoidale da 1Khz, con un generatore di funzioni SIGLENT, in uno degli ingressi e si è visualizzata la forma d’onda con un oscilloscopio (SIGLENT) sull’uscita casse rilevando il buon funzionamento della macchina fino al “clipping” della stessa.
Si è quindi passati alla prova audio verificando un bel suono gradevole e ben spaziato in frequenza; tuttavia si è notato che senza segnale audio in ingresso, ruotando al massimo il potenziometro del volume e quelli dei bassi si udiva sulle casse un discreto rumore BF di frequenza sia 50 che 100Hz (frequenza a valle del ponte di diodi), oltre a piccoli disturbi di minore importanza (ad esempio fastidioso clip all’accensione del preamplificatore, ecc.).
Facendo delle ricerche in rete si è verificato che questi inconvenienti sono comuni a questo tipo di preamplificatori causati ad esempio da dei rivetti i cui collegamenti con il tempo tendono a deteriorarsi.
Si è quindi proceduto all’analisi con l’oscilloscopio delle varie tensioni fra i vari punti di massa, riscontrando in effetti delle tensioni di rumore piuttosto consistenti in alcuni punti.
Analisi delle tensioni di rumore e implementazione della soluzione
Dopo un attento studio del cablaggio della macchina si è concluso che le tensioni di rumore fossero generate dal cablaggio in aria dell’alimentatore usato dal costruttore e in parte dai collegamenti realizzati per sostituire i condensatori elettrolitici. Infatti è fondamentale, per ridurre il ronzio in un qualunque preamplificatore, usare le seguenti direttive [cfr. riferimenti 1,2,3,4, 5 e vari interventi sul forum di electroyou] che consistono nell’evitare i cosiddetti “loop di massa”:
Il collegamento delle masse fra alimentatore e schede di preamplificazione, filtri, amplificazione, ecc. va effettuato secondo una tipologia denominata “Star Grounding”:
In caso contrario si otterranno loop di massa che genereranno ronzii indesiderati:
Si devono evitare collegamenti del cavetto schermato che possono essere fonti di ronzio; tali collegamenti dovranno essere effettuati quindi in questo modo:
Diversamente anche in questo caso si potranno generare ronzii:
Questi erano solo degli esempi; nei riferimenti indicati si possono trovare la maggior parte delle casistiche che si incontrano nella pratica. In quest’ottica è stato rivisto l’intero cablaggio dell’alimentatore, anche rispetto alla disposizione originale e solo il “Professore” Bruno poteva riuscire pienamente nell’intento. Oltre a rivedere alcuni collegamenti di massa dei rivetti, si sono opportunamente riposizionati i condensatori elettrolitici, cercando anche di diminuire, per quanto possibile, la lunghezza dei collegamenti.
Gli interventi di Bruno
Di seguito provo a scendere nel dettaglio su alcuni punti che ritengo interessanti della descrizione fatta da Gianfranco che mi ha coinvolto in quest'avventura alla quale ho partecipato con molto piacere non solo praticamente ma anche emotivamente vista la grande passione, davvero non comune, con la quale Gianfranco si dedica a questo hobby che ci accomuna.
Conosco il marchio McIntosh fin dai tempi della scuola (anni '70) ma finora non avevo avuto occasione di toccare con mano uno di quei così tanto blasonati apparecchi venduti allora come ancora oggi a peso d'oro e anche per questo ho colto al volo l'occasione offertami da Gianfranco che mi ha chiesto aiuto per la riparazione di questo preamplificatore.
Dopo la sostituzione degli elettrolitici e del transistor, come ha già detto Gianfranco, i valori delle tensioni sono tornati ad essere corretti e l'apparecchio ha iniziato a funzionare regolarmente.
Alla prova con un segnale audio si è però manifestata sin da subito la presenza di ronzio di fondo ben udibile già con gli ingressi ad alto livello e in modo molto più marcato con quelli a basso livello (phono e microfono) ed è stato qui che Gianfranco ha ritenuto necessario coinvolgermi.
Le mie impressioni
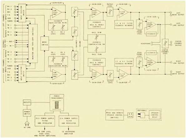
Devo dire che l'apparecchio, pur emanando un gran fascino per il suo stile vintage tipico degli anni '70 molto raffinato e al tempo stesso tecnologico, con un bellissimo schema a blocchi stampato e ben visibile sul coperchio superiore, per me è stata una delusione: dal punto di vista tecnico si sarebbe potuto fare di meglio, appare come un gran guazzabuglio di tecniche moderne (per quei tempi) e di tecniche arcaiche (sempre per quei tempi), inoltre contiene una miriade di commutatori e un andirivieni di segnali audio con tantissimi cavi schermati e tanti potenziometri di cui molti, secondo me, superflui.
Devo dire che invece ho molto apprezzato la qualità dei tanti commutatori e dei tanti potenziometri che dopo oltre cinquanta anni sono ancora perfettamente funzionanti, quando invece, come si sa, in genere sono i primi componenti a manifestare difetti derivanti dall'invecchiamento.
Sulla struttura dell'alimentatore di questo preamplificatore ci sarebbe tanto da dire perché alcune scelte di progetto appaiono a dir poco inappropriate; l'impressione che si ha è che l'alimentatore e i relativi cablaggi, a differenza del resto dei circuiti, siano stati progettati da gente con esperienza valvolare appartenente a scuole di pensiero di altri tempi rispetto all'epoca di costruzione dell'apparecchio.
La prima cosa che balza agli occhi è il sovradimensionamento del trasformatore che appare enorme rispetto alle reali necessità, potrebbe essere sufficiente per alimentare un finale di almeno 30W, per non parlare poi della stranezza delle tensioni prodotte: 150V dopo il ponte per poi scendere in cascata a 100V, a 75V e a 18V ed inoltre appare anche assurdo che un preamplificatore audio debba aver bisogno di 75V e di 18V per funzionare... si sarebbe potuto sicuramente evitare.
I criteri adottati per la regolazione e la stabilizzazione delle tensioni di alimentazione ricordano molto i circuiti valvolari, cioè regolazioni quasi inesistenti e riduzione del ripple a base di filtri passa basso con costanti di tempo abnormi, criteri giustificabili al tempo delle valvole dove una regolazione elettronica delle tensioni avrebbe comportato un notevole incremento del numero di valvole con conseguenti incrementi anche degli ingombri e dei costi.
E poi, dulcis in fundo, tutto l'alimentatore è cablato in aria con i componenti saldati sui tradizionali ancoraggi in bachelite tipici dei circuiti valvolari e con vari collegamenti di massa fatti sul fondale di lamiera del telaio proprio come si faceva con le valvole.
Tutti gli elettrolitici dell'alimentatore sono anch'essi vecchio stile, come ha già detto Gianfranco sono del tipo multiplo con il polo negativo in comune sul contenitore di alluminio, proprio come era in uso decenni prima con i circuiti a valvole, quando invece negli anni '70 erano già disponibili condensatori singoli assiali di dimensioni più piccole e adatti per essere montati su circuiti stampati.
Tutto il circuito di preamplificazione, invece, è realizzato su due schede a circuito stampato, in bachelite singola faccia, con uno stile appropriato per l'epoca.
I difetti
Dopo la sostituzione degli elettrolitici e del transistor Q301, come ho già detto, il difetto comparso è stato un eccessivo ronzio di fondo e, successivamente dopo prove più accurate, è emerso anche un secondo difetto: la comparsa di una oscillazione a bassissima frequenza solo con i comandi impostati secondo una particolare combinazione.
In ultima analisi entrambi i difetti sono da attribuire a cattiva progettazione dei circuiti di alimentazione: il ronzio di fondo, che pare sia un difetto piuttosto diffuso su questo tipo di preamplificatore, risulta causato dall'ossidazione di alcuni rivetti utilizzati come ancoraggi delle masse dei circuiti di alimentazione alla lamiera di fondo del telaio.
In rete si trovano varie testimonianze in proposito e pare si riesca in parte a risolvere ripristinando la conduzione tra i rivetti ossidati, cioè saldando un filo di rame tra di essi... ma in questo modo, a mio avviso non si risolve il problema, bensì lo si maschera soltanto.
Il problema del ronzio ha radici più profonde, pare proprio sia causato da un cablaggio mal progettato.
Se il cablaggio dei circuiti di alimentazione fosse stato progettato meglio, l'ossidazione dei rivetti non avrebbe provocato la comparsa del ronzio, inoltre credo che, sempre a causa del cablaggio mal progettato, anche inizialmente, quando i rivetti non erano ancora ossidati, una certa quota eccessiva di ronzio di fondo fosse già presente.
Il secondo difetto, quello dell'oscillazione a bassa frequenza, ritengo sia un difetto congenito perché non dipendente dall'invecchiamento dei componenti ed è da considerare sicuramente come difetto minore visto che si presenta solo in particolari condizioni lontane dall'operatività, cioè si presenta solo quando è selezionato uno dei due ingressi phono con il relativo ingresso scollegato dal giradischi, con il controllo dei toni regolato per la massima esaltazione dei bassi e con il volume audio regolato per il massimo.
Si sarebbe potuto soprassedere su questo difetto minore ma, trattandosi di un preamplificatore di gran pregio, mi sono comunque attivato per eliminarlo.
Passiamo di seguito in rassegna entrambi i difetti descrivendo nel dettaglio quale era l'origine e cosa è stato fatto per eliminarli.
Il ronzio negli amplificatori.
La presenza di ronzio, che si manifesta con il classico "mmm" o "rrrrr", è un difetto molto comune negli amplificatori, direi quasi la norma negli amplificatori valvolari di un tempo.
Le cause possono essere più d'una, alcune facilmente rimovibili, altre meno.
Ripple sulla linea di alimentazione
La causa più diffusa e in genere facilmente rimovibile, è il cosiddetto “ripple”[cfr. 7, pag.113], una tensione di forma grosso modo a dente di sega sovrapposta alla tensione continua di alimentazione che, negli amplificatori di un certo tipo, si può trasferire facilmente dalla linea di alimentazione a quella del segnale audio sovrapponendosi ad esso.
Il ripple è sempre presente in una certa misura sulla tensione continua di alimentazione dei vari stadi quando è ottenuta per raddrizzamento di quella alternata fornita dal o dai secondari del trasformatore il cui primario è collegato alla rete. La tensione di alimentazione dei vari stadi è ovviamente esente da ripple se è ottenuta da batteria.
Quanto ripple passa dalla linea di alimentazione a quella del segnale audio dipende in larga misura dalla tipologia dell'amplificatore, gli amplificatori operazionali sono i migliori perché al loro interno i circuiti sono studiati per essere in grado di lavorare correttamente indipendentemente dal valore della tensione di alimentazione entro ampi margini.
Il ripple in effetti altro non è che una rapida e relativamente piccola variazione, solitamente a 100Hz, della tensione di alimentazione.
A tal proposito, nei datasheet degli operazionali viene esposto un parametro che rende conto di questo: si tratta del PSRR (Power Supply Rejection Ratio [cfr. rif.6 pg.418]) che esprime il rapporto in dB tra l'ampiezza della tensione di ripple presente accidentalmente sulla linea di alimentazione e quella della conseguente tensione di ripple presente sulla linea di uscita del segnale nelle condizioni specificate.
In questi casi, quando il ripple sul segnale di uscita proviene da quello sulla tensione di alimentazione, per ridurlo si può agire sulla causa stabilizzando meglio la tensione di alimentazione, oppure modificando l'amplificatore per renderlo più immune dalla presenza del ripple sulla tensione di alimentazione.
Nel preamplificatore in questione, dove i vari stadi sono realizzati esclusivamente con componenti discreti e in classe A, il PSRR non può essere che basso, cioè i vari stadi sono molto sensibili alla presenza del ripple sull'alimentazione e per evitare che il trasferimento di esso sulla linea del segnale potesse risultare eccessivo, i progettisti hanno scelto di filtrare oltremodo le tensioni di alimentazione con costanti di tempo di 11s per i 75V e in cascata con 0.5s per i 18V.
loop di massa
Una causa molto più subdola del ronzio sono i così detti loop di massa, molto più insidiosi perché, per eliminarli, richiedono interventi invasivi con il rifacimento dei cablaggi.
Purtroppo il problema che ho incontrato è stato proprio questo e l'intervento ha richiesto un intero pomeriggio a scucire e ricucire diversamente i cablaggi delle alimentazioni che, a questo punto direi per fortuna, erano filati, se invece fossero stati realizzati con circuiti stampati sarebbe stato un dramma.
In generale in un alimentatore del tipo "ponte-condensatore" lo schema è il seguente (fig2), dove le due correnti hanno forme molto diverse.
I1 è una corrente impulsiva, si tratta di impulsi di corrente tanto più stretti quanto più è grande il primo condensatore e piccole le perdite nel secondario e nei diodi del ponte, invece I2 è una corrente continua con un residuo di ripple trascurabile.
Nella fig3 è messa in evidenza una configurazione diversa dove il negativo è preso nel punto A invece che in C e che in teoria appare identica alla precedente ma in pratica però, se si tiene conto della presenza della resistenza parassita del conduttore A-B, le cose potrebbero andare molto diversamente.
Il valore di picco della corrente I1 è molto maggiore del valore di I2: se ad esempio la larghezza dell'impulso fosse 1/10 del periodo, l'ampiezza del picco sarebbe 10 volte quella di I2, se I2 ad esempio valesse 1A, I1 varrebbe 10A.
Questo significa che ai capi del conduttore A-B potrebbe cadere un picco di tensione con la stessa forma della corrente I1 e con un'ampiezza non trascurabile anche se apparentemente il valore resistivo del conduttore A-B potrebbe sembrare trascurabile, quando invece, pur essendo piccolo, trascurabile non lo è affatto.
Ora dovrebbe essere chiaro che nel caso della fig.2 l'eventuale resistenza del conduttore A-B non modificherebbe la forma della tensione sul carico che rimarrebbe continua e che invece nella fig.3 alla tensione continua di uscita si sommerebbe la tensione di ripple che cade sul tratto di conduttore A-B.
Questo è quello che accadeva nel nostro preamplificatore dove il meno dei ponti raddrizzatori era direttamente collegato alla lamiera di fondo del telaio attraverso un rivetto e il meno di uscita per il carico era invece preso con un altro rivetto in un'altra zona della lamiera di fondo.
Ho cercato di schematizzare la situazione nella fig4, sperando che sia comprensibile.
In realtà la disposizione era più complicata di così, c'è di mezzo anche un secondo alimentatore per l'amplificatore della cuffia che pure era montato con il meno del ponte in conduzione con la lamiera di fondo tramite un altro rivetto ma in sostanza la situazione era quella descritta.
Eliminazione del ronzio
Per eliminare il ronzio quindi è stato necessario portare alle schede l'effettiva tensione di alimentazione presente ai capi dell'ultimo condensatore elettrolitico e non quella inquinata dalla tensione impulsiva presente tra i rivetti nelle varie zone della lamiera di fondo e lo scopo è stato raggiunto principalmente scollegando i negativi dei ponti dalla lamiera di fondo e collegandoli al meno degli elettrolitici tramite conduttori dedicati, in modo da sgravare completamente la lamiera di fondo dalla circolazione della corrente impulsiva uscente dai ponti (Fig5).
I rivetti utilizzati ora continuano ad essere gli stessi di prima tranne i due che collegavano i meno dei ponti alla lamiera di fondo, quindi quelli ora funzionanti sono ancora affetti da cattiva conduzione verso la lamiera per effetto dell'ossidazione che però ora non è più causa di problemi.
Dopo l'intervento quanto si è ridotto il ronzio?
Non sono state eseguite misure e non saprei quantizzare con i numeri ma per dare un'idea posso dire che, prima dell'intervento, con gli ingressi ad alto livello e con il volume al massimo senza segnale audio, il ronzio era evidente mentre dopo l'intervento non è più percepibile neanche in cuffia; con gli ingressi a basso livello, prima dell'intervento, era molto percepibile e sovrastava di gran lunga il fruscio del rumore termico, dopo l'intervento è appena percepibile solamente in cuffia ed è di gran lunga inferiore al rumore termico che tende a mascherarlo quasi completamente.
Oscillazione parassita
Questa oscillazione parassita, scoperta per caso durante le prove, che si innesca solo nelle particolari condizioni descritte, pare proprio sia congenita cioè presente da sempre.
Anch'essa dipende da cattiva progettazione dei circuiti di alimentazione, in particolare dei circuiti che producono la tensione di 18V con la quale, insieme alla tensione di 75V, vengono alimentati i primi stadi di amplificazione, cioè gli equalizzatori R.I.A.A. e il controllo attivo dei toni.
Lo schema di fig.6, che rappresenta la parte di circuito dove l'oscillazione parassita insorge, è stato tratto da quello presente sul manuale del preamplificatore escludendo alcune parti, come i commutatori e alcuni componenti non necessari ai fini della nostra discussione; si tratta quindi dello stesso schema ma ridotto di alcuni dettagli e riorganizzato per essere più comprensibile, inoltre in questo schema, a differenza dell'originale, per semplicità e per non appesantirlo inutilmente, è rappresentato un solo canale.
Le frecce indicano la fase del segnale sui transistor, il numero di frecce segnala indicativamente l'intensità della corrente di segnale in quei punti. Ovviamente la corrente di segnale di massima intensità è quella sul collettore dell'ultimo transistor della catena di amplificazione Q12 che appare essere in fase con il segnale di ingresso sulla base del primo transistor Q2 e questo essere in fase lascia intendere che possa essere sufficiente anche un minimo accoppiamento parassita tra di loro per innescare un'oscillazione. Ho verificato che il segnale a bassa frequenza dell'oscillazione, oltre ad essere presente in uscita dal preamplificatore, era anche presente sovrapposto alla tensione di alimentazione +18V che alimenta i primi stadi e che produce la tensione di polarizzazione della base di Q2 ed effettivamente la via di collegamento tra Q12 e Q2 è risultata essere proprio l'alimentazione 18V. L'alimentazione 18V è una via possibile per la retroazione parassita perché, a differenza dell'altra a 75V, non è a bassa impedenza uniformemente su tutta la banda di frequenze interessate: la tensione di alimentazione a 75V è fornita dall'emettitore di Q301 configurato ad inseguitore di tensione, quindi a bassa impedenza di uscita e perciò non crea problemi, mentre invece quella a 18V ha un'impedenza di uscita data dal parallelo tra il condensatore da 100uF e le due R da 15K e 9.1k, si tratta quindi sostanzialmente di un'impedenza che dipende inversamente dalla frequenza e che ad una certa frequenza (molto bassa) diventa troppo alta per garantire l'isolamento tra gli stadi alimentati a 18V.
Da notare che, quando l'ingresso del preamplificatore è scollegato dalla sorgente audio, il condensatore da 1uF in ingresso a Q2 non produce un evidente effetto filtrante sulla tensione di polarizzazione della base, che quindi risente fortemente delle eventuali variazioni della tensione di alimentazione 18V (quanto più le variazioni sono lente tanto più ne risente) mentre invece ha un evidente effetto filtrante quando l'ingresso è cortocircuitato o chiuso su una impedenza di valore molto inferiore a quello delle resistenze del partitore di base (Mohm), come nel caso in cui l'ingresso è collegato alla testina del giradischi (kohm) e questa differente azione filtrante nei due casi giustifica il fatto che l'oscillazione si innesca solamente con l'ingresso scollegato da sorgenti.
Eliminazione dell'oscillazione parassita
Per disaccoppiare gli stadi si sarebbe potuto realizzare un alimentatore più decente dell'originale, che detto tra noi non si può guardare, ma per non stravolgere il circuito ho scelto una via poco invasiva ma efficace: ho duplicato l'attenuatore che produceva la tensione 18V in uscita a Q301 in modo da poter alimentare lo stadio R.I.A.A. e quello del controllo toni con due tensioni indipendenti come da fig.7
In questo modo si è potuto anche razionalizzare il cablaggio della parte interessata: originariamente il partitore, costituito dalle due R e il condensatore da 100uF, era dislocato in una zona lontana dalle schede e il riferimento comune era collegato a massa sulla lamiera di fondo tramite uno dei famigerati rivetti, ora invece i due gruppi sono montati direttamente sulle piste posteriormente alla scheda interessata come si può vedere nella foto di insieme dei nuovi cablaggi.
Le scelte nel restauro
Quando intervengo su apparecchiature d'epoca, come in questo caso o più spesso nelle radio della mia collezione, mi trovo spesso a dover decidere fino a che punto spingermi con le modifiche perché mi capita di scontrarmi con soluzioni di progetto inappropriate dove sarebbe facile oggi, soprattutto grazie alla disponibilità di componenti nuovi e le possibili soluzioni tecnologiche un tempo impensabili, modificare radicalmente alcune parti dei circuiti per conferire all'apparecchiatura un funzionamento migliore e la tentazione di andare verso questa direzione è forte... ma poi mi chiedo se questo ha senso e succede sempre che alla fine, trattandosi di apparecchi d'epoca, decido di avere rispetto anche dei difetti perché durante il restauro mi affeziono anche ad essi che in qualche modo partecipano, come tutto il resto, a testimoniare il modo di fare di un'altra epoca, quindi alla fine decido di non cancellarli del tutto ma solamente di ridurli sufficientemente.
Conclusioni
In questo articolo si è cercato di descrivere il processo di riparazione di un vecchio e glorioso preamplificatore interamente a transistor (oggi purtroppo sono fatti tutti con complicati schemi elettrici in cui sono presenti molti circuiti integrati e processori su cui è praticamente impossibile metterci le mani, in molti casi nei microprocessori è presente un firmware praticamente impossibile da reperire).
Si sono inoltre indicate le direttive per ridurre le fonti di ronzio presenti in un qualsiasi amplificatore BF.
Ecco come si presenta il lato rame del preamplificatore dopo che sono state effettuate tutte le modifiche descritte nell’articolo, in cui è stata particolarmente curata la disposizione dei componenti secondo i principi indicati nell’articolo e riducendo al massimo la lunghezza dei collegamenti:
Le prove audio finali hanno mostrato la forte riduzione del ronzio con tutti gli ingressi (aux, tuner, phono, ecc.) e in particolare la prova condotta con ingresso phono (il più delicato dato il basso livello) senza segnale audio e con il massimo del volume e dei potenziometri dei bassi.
Si è inoltre constatato che la macchina, seppur datata, produce un suono brillante e pastoso e non ha nulla da invidiare (opinione ovviamente personale) ai più moderni sistemi audio.
Magari un giorno vi capiterà di avere fra le mani una di queste macchine dei tempi andati (che quando è accesa fa il suo effetto anche visivo e ha ancora adesso un valore commerciale significativo) che presenta lo stesso tipo di problematiche e in tale caso saprete come metterci le mani.
Ovviamente gli autori sono disponibili per ulteriori chiarimenti.
Riferimenti
1. McIntosh: C28 Preamplifier Service Information
2. Nuova Elettronica rivista 58-59 (1978): Eliminate ogni traccia di ronzio dal vostro preamplificatore
3. Nuova elettronica Audio Handbook (2000): Per eliminare il ronzio negli amplificatori
4. Bob Cordell: Designing Audio Power Amplifiers[2011]
5. G.Randy Slone: High Power Audio Amplifiers construction manual (1999)
6. Gray-Meyer Analysis and Design of Analog Integrated Circuits 5th (2009)
7. Millman Halkias - Integrated Electronics (1972)
TRANSLATE with x English ArabicHebrewPolish BulgarianHindiPortuguese CatalanHmong DawRomanian Chinese SimplifiedHungarianRussian Chinese TraditionalIndonesianSlovak CzechItalianSlovenian DanishJapaneseSpanish DutchKlingonSwedish EnglishKoreanThai EstonianLatvianTurkish FinnishLithuanianUkrainian FrenchMalayUrdu GermanMalteseVietnamese GreekNorwegianWelsh Haitian CreolePersian var LanguageMenu; var LanguageMenu_keys=["ar","bg","ca","zh-CHS","zh-CHT","cs","da","nl","en","et","fi","fr","de","el","ht","he","hi","mww","hu","id","it","ja","tlh","ko","lv","lt","ms","mt","no","fa","pl","pt","ro","ru","sk","sl","es","sv","th","tr","uk","ur","vi","cy"]; var LanguageMenu_values=["Arabic","Bulgarian","Catalan","Chinese Simplified","Chinese Traditional","Czech","Danish","Dutch","English","Estonian","Finnish","French","German","Greek","Haitian Creole","Hebrew","Hindi","Hmong Daw","Hungarian","Indonesian","Italian","Japanese","Klingon","Korean","Latvian","Lithuanian","Malay","Maltese","Norwegian","Persian","Polish","Portuguese","Romanian","Russian","Slovak","Slovenian","Spanish","Swedish","Thai","Turkish","Ukrainian","Urdu","Vietnamese","Welsh"]; var LanguageMenu_callback=function(){ }; var LanguageMenu_popupid='__LanguageMenu_popup'; TRANSLATE with COPY THE URL BELOW Back EMBED THE SNIPPET BELOW IN YOUR SITE Enable collaborative features and customize widget: Bing Webmaster Portal Back var intervalId = setInterval(function () { if (MtPopUpList) { LanguageMenu = new MtPopUpList(); var langMenu = document.getElementById(LanguageMenu_popupid); var origLangDiv = document.createElement("div"); origLangDiv.id = "OriginalLanguageDiv"; origLangDiv.innerHTML = "ORIGINAL: "; langMenu.appendChild(origLangDiv); LanguageMenu.Init('LanguageMenu', LanguageMenu_keys, LanguageMenu_values, LanguageMenu_callback, LanguageMenu_popupid); window["LanguageMenu"] = LanguageMenu; clearInterval(intervalId); } }, 1);

Elettrotecnica e non solo (admin)
Un gatto tra gli elettroni (IsidoroKZ)
Esperienza e simulazioni (g.schgor)
Moleskine di un idraulico (RenzoDF)
Il Blog di ElectroYou (webmaster)
Idee microcontrollate (TardoFreak)
PICcoli grandi PICMicro (Paolino)
Il blog elettrico di carloc (carloc)
DirtEYblooog (dirtydeeds)
Di tutto... un po' (jordan20)
AK47 (lillo)
Esperienze elettroniche (marco438)
Telecomunicazioni musicali (clavicordo)
Automazione ed Elettronica (gustavo)
Direttive per la sicurezza (ErnestoCappelletti)
EYnfo dall'Alaska (mir)
Apriamo il quadro! (attilio)
H7-25 (asdf)
Passione Elettrica (massimob)
Elettroni a spasso (guidob)
Bloguerra (guerra)






