salve, qualcuno può aiutarmi con questo esercizio????
1) Sia dato il campo vettoriale B=a(xyi +f(y)j).
trovare a) la funzione f(y) per la quale B può esprimere un campo di induzione magnetica; b) la densità di corrente J(x,y,z) che genera questo campo B.
esercizi di fisica2
Moderatori:
IsidoroKZ,
PietroBaima,
Ianero
13 messaggi
• Pagina 1 di 2 • 1, 2
1
voti
Ciao, la divB = 0 sempre (prima o seconda eq di Maxwell se non ricordo male) quindi basta che la calcoli tenendo f(y) come icognita, poni il risultato uguale a zero e da qui ricavi f(y).
Per il calcolo di j sai che rotB = µj (terza eq di Maxwell) quindi parti da qui.
Scusate le formule da nabbo è la mia prima risposta
Per il calcolo di j sai che rotB = µj (terza eq di Maxwell) quindi parti da qui.
Scusate le formule da nabbo è la mia prima risposta
0
voti
ti ringrazio spud 
Per angus:
non so come sei abituato tu ma a me sembra privo di logica far svolgere un esercizio ad un'altra persona senza nemmeno provarci...
Per angus:
non so come sei abituato tu ma a me sembra privo di logica far svolgere un esercizio ad un'altra persona senza nemmeno provarci...
0
voti
Appunto: visto che chiedi aiuto per un esercizio, dovresti prima proporre un abbozzo di soluzione spiegando dove ti impianti.
It's a sin to write
instead of
(Anonimo).
...'cos you know that
ain't
, right?
You won't get a sexy tan if you write
in lieu of
.
Take a log for a fireplace, but don't take
for
arithm.
instead of
(Anonimo)....'cos you know that
ain't
, right?You won't get a sexy tan if you write
in lieu of
.Take a log for a fireplace, but don't take
for
arithm.-

DirtyDeeds
55,9k 7 11 13 - G.Master EY

- Messaggi: 7012
- Iscritto il: 13 apr 2010, 16:13
- Località: Somewhere in nowhere
0
voti
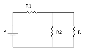
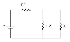
già che mi ci trovo vi posto un altro problema... lo schema elettrico di questo esercizio è il seguente: ho una batteria di f=4,5V che alimenta un circuito dove ho due resistenze R1 e R2 collegate in serie tra loro, dove però una resistenza R incognita è collegata in parallelo solo con R2. devo calcolare l'espressione della corrente erogata dalla batteria in funzione di R, e devo calcolare per quale valore di R la potenza dissipata in R è massima.
il mio svolgimento è il seguente:
avendo R e R2 collegate in parallelo, che a loro volta sono collegate in serie con R1 ottengo che
Req= (R(R1+R2)+R1R2))/(R+R2)
dalla legge di OHM V=Ri mi ricavo i in funzione di R
i(R)=f(R+R2)/(R(R1+R2)+R1R2))
ora, sapendo che la potenza P=Vi, e siccome V=f= costante, per trovare il valore di R per cui P è max ho derivato i(R) rispetto a R e l'ho uguagliato a zero per trovare appunto il massimo di tale funzione... però il risultato mi viene R2=0... non ha senso...!!! sapreste dirmi dov'è che ho sbagliato?
il mio svolgimento è il seguente:
avendo R e R2 collegate in parallelo, che a loro volta sono collegate in serie con R1 ottengo che
Req= (R(R1+R2)+R1R2))/(R+R2)
dalla legge di OHM V=Ri mi ricavo i in funzione di R
i(R)=f(R+R2)/(R(R1+R2)+R1R2))
ora, sapendo che la potenza P=Vi, e siccome V=f= costante, per trovare il valore di R per cui P è max ho derivato i(R) rispetto a R e l'ho uguagliato a zero per trovare appunto il massimo di tale funzione... però il risultato mi viene R2=0... non ha senso...!!! sapreste dirmi dov'è che ho sbagliato?
0
voti
0
voti
piranha ha scritto:sapreste dirmi dov'è che ho sbagliato?
non lo so perché non ho letto
fa un bello schema con fidocad e scrivi le formule con latex e magari qualcuno trova l'errore

EDIT: anticipato sul traguardo....
0
voti
lo schema elettrico di questo esercizio è il seguente:
devo calcolare l'espressione della corrente erogata dalla batteria in funzione di R, e devo calcolare per quale valore di R la potenza dissipata in R è massima.
il mio svolgimento è il seguente:
avendo R e R2 collegate in parallelo, che a loro volta sono collegate in serie con R1 ottengo che
dove Req è la resistenza equivalente
dalla legge di OHM (V=Ri) mi ricavo i in funzione di R

ora, sapendo che la potenza P=Vi, e siccome V=f= costante, per trovare il valore di R per cui P è max ho derivato i(R) rispetto a R e l'ho uguagliato a zero per trovare appunto il massimo di tale funzione... però il risultato mi viene R2=0... non ha senso...!!! sapreste dirmi dov'è che ho sbagliato?
devo calcolare l'espressione della corrente erogata dalla batteria in funzione di R, e devo calcolare per quale valore di R la potenza dissipata in R è massima.
il mio svolgimento è il seguente:
avendo R e R2 collegate in parallelo, che a loro volta sono collegate in serie con R1 ottengo che
dove Req è la resistenza equivalentedalla legge di OHM (V=Ri) mi ricavo i in funzione di R

ora, sapendo che la potenza P=Vi, e siccome V=f= costante, per trovare il valore di R per cui P è max ho derivato i(R) rispetto a R e l'ho uguagliato a zero per trovare appunto il massimo di tale funzione... però il risultato mi viene R2=0... non ha senso...!!! sapreste dirmi dov'è che ho sbagliato?
13 messaggi
• Pagina 1 di 2 • 1, 2
Chi c’è in linea
Visitano il forum: Nessuno e 3 ospiti

Elettrotecnica e non solo (admin)
Un gatto tra gli elettroni (IsidoroKZ)
Esperienza e simulazioni (g.schgor)
Moleskine di un idraulico (RenzoDF)
Il Blog di ElectroYou (webmaster)
Idee microcontrollate (TardoFreak)
PICcoli grandi PICMicro (Paolino)
Il blog elettrico di carloc (carloc)
DirtEYblooog (dirtydeeds)
Di tutto... un po' (jordan20)
AK47 (lillo)
Esperienze elettroniche (marco438)
Telecomunicazioni musicali (clavicordo)
Automazione ed Elettronica (gustavo)
Direttive per la sicurezza (ErnestoCappelletti)
EYnfo dall'Alaska (mir)
Apriamo il quadro! (attilio)
H7-25 (asdf)
Passione Elettrica (massimob)
Elettroni a spasso (guidob)
Bloguerra (guerra)





