Vorrei chiedere qualche info a livello generale sugli ingressi analogici dei Plc che non conosco particolarmente.
Ad esempio gli ingressi in standard 4-20mA sono galvanicamente isolati dalla elettronica di bordo ?
Nel caso di ingressi 0-5V immagino che non siano isolati.
Esistono degli standard circuitali con relativa manualistica a cui fare riferimento riguardo ai ricevitori per i loop di corrente 4-20mA?
Ciao
Interfacce ingresso analogico PLC standard 4-20 mA o 0-5 V
Moderatori:
dimaios,
carlomariamanenti
11 messaggi
• Pagina 1 di 2 • 1, 2
1
voti
Nei PLC gli ingressi analogici accettano due tipi di segnale elettrico; un segnale in tensione, variabile tra 0 e 10 V o tra 0 e 5 V, ed un segnale in corrente in genere 4 - 20 mA o 0 - 20 mA.
I segnali arrivano al PLC su i rispettivi morsetti di ingresso della scheda I/O analogica, con riferimento a 0 V (indicato con M o GND) ed il positivo al rispettivo ingresso (E0.0 - E0.1 ..etc).
Il segnale (tensione o corrente) applicato alla scheda di ingresso analogica, segue un percorso di conversione della grandezza analogica in digitale in ingresso ed in uscita ..
(by appunti vecchio corso siemens)
I segnali arrivano al PLC su i rispettivi morsetti di ingresso della scheda I/O analogica, con riferimento a 0 V (indicato con M o GND) ed il positivo al rispettivo ingresso (E0.0 - E0.1 ..etc).
Il segnale (tensione o corrente) applicato alla scheda di ingresso analogica, segue un percorso di conversione della grandezza analogica in digitale in ingresso ed in uscita ..
(by appunti vecchio corso siemens)
I circuiti sono controcorrente. Seguono sempre la massa
-Per rispondere utilizza il tasto [RISPONDI] e non il tasto [CITA], grazie.-
-Per rispondere utilizza il tasto [RISPONDI] e non il tasto [CITA], grazie.-
1
voti
Di solito viene messo un 250 ohm in parallelo all'ingresso 0-5 V. Alle volte ll resistore è già montato sulla scheda .
Se non espressamente dichiarato i singoli canali non sono singolarmente Galvanicamente isolati fra loro.
Ricordo dei moduli di isolamento galvanico della Adams.
Se non espressamente dichiarato i singoli canali non sono singolarmente Galvanicamente isolati fra loro.
Ricordo dei moduli di isolamento galvanico della Adams.
1
voti
MarcoD ha scritto:Se non espressamente dichiarato i singoli canali non sono singolarmente Galvanicamente isolati fra loro.
Attenzione a questo nei sistemi 4-20 mA
-

SediciAmpere
4.187 5 5 8 - Master

- Messaggi: 4847
- Iscritto il: 31 ott 2013, 15:00
0
voti
MarcoD ha scritto:Se non espressamente dichiarato i singoli canali non sono singolarmente Galvanicamente isolati fra loro.
È esattamente questo il punto che volevo verificare.
Mi hanno chiesto di misurare la corrente e la tensione della batteria che alimenta il PLC utilizzando due ingressi analogici.
Prima di fare disastri volevo appunto capire come procedere.
Ciao
600 Elettra
1
voti
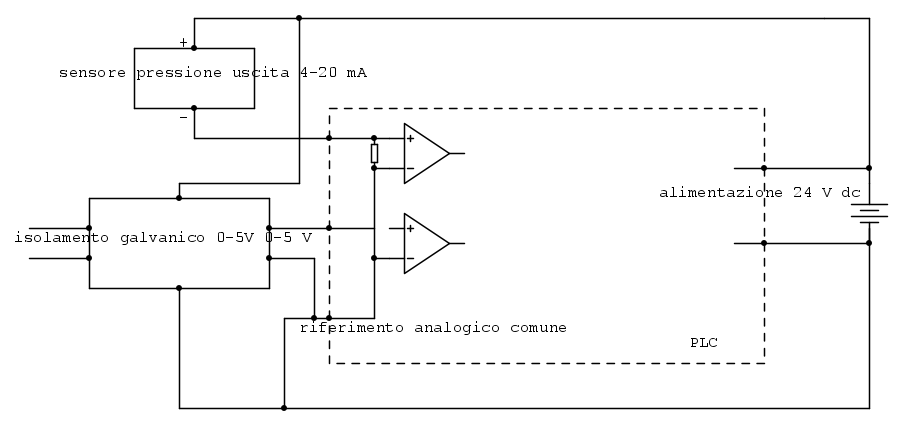
https://www.amazon.it/s?k=isolatore+gal ... bf805g21_p
Ti invio un esempio di modulo di isolamento galvanico, anche se non è a buon mercato.
Nel pomeriggio proverò a inviare uno schema in fidocad.
La tensione di alimentazione del PLC è 220 Vac o 24 V dc?
Se in DC il meno alimentazione è in comune con il riferimento dei canali analogici o è isolato ?
Per la misura della corrente, quanto è il fondo scala? e il valore della rersistenza di shunt?
Ti invio un esempio di modulo di isolamento galvanico, anche se non è a buon mercato.
Nel pomeriggio proverò a inviare uno schema in fidocad.
La tensione di alimentazione del PLC è 220 Vac o 24 V dc?
Se in DC il meno alimentazione è in comune con il riferimento dei canali analogici o è isolato ?
Per la misura della corrente, quanto è il fondo scala? e il valore della rersistenza di shunt?
1
voti
0
voti
Grazie
MarcoDper le idee e lo schema.
Al momento non sono in possesso del Plc né conosco le sue caratteristiche tecniche.
In linea di massima dovrebbe essere alimentato a 12Vcc (mi auguro).
Il problema come dicevo sta nel verificare prima di tutto cosa serve.
Inoltre occorre cercare di risparmiare sulla elettronica utilizzata perché la potenza disponibile è abbastanza limitata.
Forse la prossima settimana mi fanno vedere il tutto e poi posso eventualmente fare richieste più mirate.
Il punto che mi serviva avere come partenza è che gli ingressi non sono galvanicamente disaccoppiati tra loro.
Spero che almeno il comune sia collegato al negativo di alimentazione.
Ciao
Al momento non sono in possesso del Plc né conosco le sue caratteristiche tecniche.
In linea di massima dovrebbe essere alimentato a 12Vcc (mi auguro).
Il problema come dicevo sta nel verificare prima di tutto cosa serve.
Inoltre occorre cercare di risparmiare sulla elettronica utilizzata perché la potenza disponibile è abbastanza limitata.
Forse la prossima settimana mi fanno vedere il tutto e poi posso eventualmente fare richieste più mirate.
Il punto che mi serviva avere come partenza è che gli ingressi non sono galvanicamente disaccoppiati tra loro.
Spero che almeno il comune sia collegato al negativo di alimentazione.
Ciao
600 Elettra
1
voti
Vedo solo ora questo thread..
I costruttori di PLC in genere rendono disponibili anche i moduli di ingressi analogici isolati.
In ambito Siemens ci sono 4 tipologie di moduli:
Il tipo di ingresso (tensione/corrente 2 o 4 fili), range e funzioni di diagnostica si impostano direttamente (moduli per ET200SP) dall'ambiente di sviluppo.
I moduli HS e HF sono i più costosi e sono isolati, nel datasheet è indicato:
Sul manuale non c'è molto di più di questo schema a blocchi:
Per i moduli ST, sul datasheet c'è:
Sul manuale degli ST lo schema a blocchi diventa:
Infine, sul datasheet dei BA troviamo:
Sul relativo manuale di nuovo lo schema a blocchi:
I costruttori di PLC in genere rendono disponibili anche i moduli di ingressi analogici isolati.
In ambito Siemens ci sono 4 tipologie di moduli:
- BA: basic
- ST: standard
- HS: high speed
- HF: high features
Il tipo di ingresso (tensione/corrente 2 o 4 fili), range e funzioni di diagnostica si impostano direttamente (moduli per ET200SP) dall'ambiente di sviluppo.
I moduli HS e HF sono i più costosi e sono isolati, nel datasheet è indicato:
Sul manuale non c'è molto di più di questo schema a blocchi:
Per i moduli ST, sul datasheet c'è:
Sul manuale degli ST lo schema a blocchi diventa:
Infine, sul datasheet dei BA troviamo:
Sul relativo manuale di nuovo lo schema a blocchi:
11 messaggi
• Pagina 1 di 2 • 1, 2
Torna a Automazione industriale ed azionamenti
Chi c’è in linea
Visitano il forum: Nessuno e 9 ospiti

Elettrotecnica e non solo (admin)
Un gatto tra gli elettroni (IsidoroKZ)
Esperienza e simulazioni (g.schgor)
Moleskine di un idraulico (RenzoDF)
Il Blog di ElectroYou (webmaster)
Idee microcontrollate (TardoFreak)
PICcoli grandi PICMicro (Paolino)
Il blog elettrico di carloc (carloc)
DirtEYblooog (dirtydeeds)
Di tutto... un po' (jordan20)
AK47 (lillo)
Esperienze elettroniche (marco438)
Telecomunicazioni musicali (clavicordo)
Automazione ed Elettronica (gustavo)
Direttive per la sicurezza (ErnestoCappelletti)
EYnfo dall'Alaska (mir)
Apriamo il quadro! (attilio)
H7-25 (asdf)
Passione Elettrica (massimob)
Elettroni a spasso (guidob)
Bloguerra (guerra)







