Il Theremin
Il Theremin è uno strumento musicale inventato nei primi anni del 900 dal fisico sovietico Léon Theremin. La somiglianza con il Nickname "Theremino" e anche con il "Theremino System" non è casuale. Il sistema Theremino si occupa principalmente di InOut, con particolare accento sulle interfacce con gli umani e il Theremin è il primo dispositivo di questo genere mai costruito.
Niente di quello che è venuto dopo è stato altrettanto innovativo. Nei successivi cento anni solo due dispositivi gli si avvicinano, la Tastiera e il Mouse, i quali tra l'altro sono dispositivi di solo Input. Agli inizi del 1900 il Theremim era il massimo dell'Input Output che si potesse concepire. L'elettronica per una tastiera o un mouse sarebbero pesate centinaia di chili e nessuno dei due avrebbe avuto un significato dato che mancavano i computer per collegarli.
Quindi nello scegliere il nome per il Theremino System abbiamo voluto ricordare questo grande inventore sovietico, considerando anche che proprio in questi anni (2017) cade il centenario dai suoi primi esperimenti.
Suonare il Theremin
Il Theremin è considerato lo strumento musicale più difficile in assoluto. Suonarlo senza alcuna stonatura è quasi impossibile anche per i più grandi maestri. Probabilmente esiste una sola persona al mondo che è attualmente in grado di suonarlo in modo quasi perfetto: Pamelia Kurstin. E il video seguente è una delle sue esecuzioni migliori.
Prima di procedere nella lettura è essenziale avere una idea dello strumento di cui stiamo parlando, per cui dovete assolutamente guardare questo video fino alla fine e leggere i sottotitoli (o capire bene l'inglese). https://youtu.be/X-ywH1Vj8_U?t=140
Qualcuno potrebbe trovarlo noioso ma dovrebbe almeno ascoltare la parte in cui simula il contrabbasso (ci vogliono buone casse, un Tablet con i suoi altoparlantini non basta): https://youtu.be/X-ywH1Vj8_U?t=153
E anche leggere le parti con i sottotitoli o almeno la più importante: https://youtu.be/X-ywH1Vj8_U?t=634
Funzionamento di base
Lo strumento originale era basato su due oscillatori a valvole per ogni funzione (due per la nota e due per il volume). Gli oscillatori lavoravano a frequenza ultrasonica (circa 300 kHz). Il battimento tra i due oscillatori della nota produceva una frequenza udibile che il musicista poteva modificare variando leggermente le capacità di uno dei due circuiti oscillanti. Invece i due oscillatori del volume operavano in modo leggermente diverso, non producevano un battimento udibile ma una variazione delle caratteristiche del circuito amplificatore, regolando quindi la sua funzione di trasferimento in modo continuo tra una attenuazione molto alta (silenzio) e il massimo volume di uscita.
Avvicinando una mano a una cosiddetta antenna si variava la nota musicale, mentre avvicinando l'altra mano a una seconda antenna si variava il volume del suono. Ulteriori informazioni in questa voce di wikipedia
Nelle prossime pagine ci concentreremo sugli aspetti tecnici degli oscillatori e soprattutto su quelle che sono tradizionalmente chiamate "antenne" ma che, come vedremo, di antenna hanno ben poco.
Le prossime immagini non infrangono diritti d'autore perché se ne trovano innumerevoli copie in decine di siti. Gli schemi delle versioni più antiche hanno passato di molto gli anni di validità dei brevetti e gli schemi dei Moog Melodia e Etherwave sono stati distribuiti in migliaia di copie nei kit delle scatole di montaggio.
Questi schemi ci aiuteranno a discutere dei particolari tecnici che stanno alla base del buon funzionamento dei Theremin e che sono il motivo che mi ha portato a scrivere questo articolo.
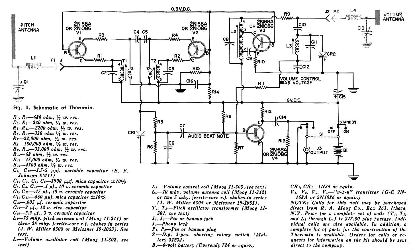
Il Theremin originale (1919)
Il primo Theremin era a valvole con uno schema simile ai successivi Theremin RCA e Theremin Moog. Nella prossima immagine si vede Leon Theremin che suona uno dei primi Theremin.
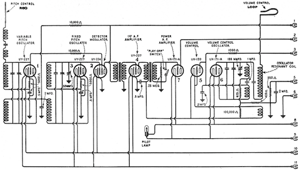
Il Theremin RCA (1929)
Negli anni trenta la RCA ha commercializzato una versione di Theremin a valvole. Ne vennero prodotti pochi (meno di 500) a causa dell'elevato prezzo di vendita e della crisi economica, per cui attualmente i pochi esemplari ancora funzionanti sono valutati cifre molto alte dai collezionisti (intorno ai 10'000 dollari). Non sono però da scegliere se si vuole utilizzarli per suonare in quanto sono meno stabili dei modelli a transistor e richiedono un periodo di preriscaldamento. Appena accesi le valvole vanno in temperatura per cui la nota continua a spostarsi e solo dopo alcuni minuti è possibile fare uno "zero beat" (gergo dei thereministi), che sia abbastanza stabile nel tempo. Hanno anche altri difetti, tra cui una risposta troppo lenta per i cambi di volume e il peso (30 kg) che li rende difficili da trasportare. Sono quindi più adatti ai musei che ai musicisti.
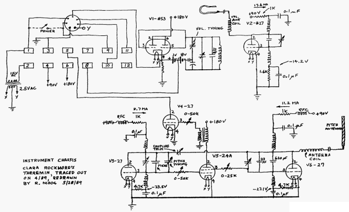
Theremin ridisegnati da Robert Moog (1950..1990)
L'ingegnere americano Robert Moog ha progettato varie versioni di Theremin a valvole, simili a quelli della RCA. E in seguito anche due modelli a transistor e in scatola di montaggio, chiamati "Melodia" e "Etherwave" che vedremo nella prossime pagine.
Il Moog Melodia (1961)
Questo è il primo modello a transistor progettato da Robert Moog e probabilmente è anche il primo Theremin in scatola di montaggio. E' uno schema molto semplice ma, come tutte le creazioni di Robert Moog, ben studiato e musicalmente valido. In questo schema si vede appieno la mano di "Bob", un grande progettista e per me anche un grande maestro che riusciva sempre a ottenere risultati validi con schemi semplicissimi. Il successivo modello "Etherwave", per quanto con migliori prestazioni, non avrà più il fascino di questo.
Soffermatevi un attimo su questo capolavoro. Sono solo quattro transistor e funziona meglio di quasi tutti i progetti che si trovano oggi sul web. Ha un suono classico, un timbro piacevole e una stabilità sufficiente per poterlo suonare davvero. Non contiene componenti critici e lo si può ricostruire da zero in mezza giornata. Lo si può anche costruire con componenti attuali (ad esempio quattro transistor BC548A al silicio al posto degli originali transistor al germanio) e funzionerà come l'originale del 1961. Il metodo utilizzato per regolare il volume è incredibilmente semplice ma efficace.
Bob ne era giustamente orgoglioso e questo modo di progettare ha condizionato tutto il mio modo di vedere l'elettronica.
Quindi fatemi un piacere, guardate questo video sul Moog Melodia fino alla fine. Contiene alcune leggere stonature ma anche virtuosismi eccezionali. Guardandolo si può capire quanto è difficile suonare il Theremin.
Questo schema è inedito ed è stato restaurato con molta pazienza. Sul web si trovano altre versioni ma sono incomplete, sporcate con annotazioni a penna o con i valori dei componenti illeggibili. Esistono anche versioni ridisegnate con i CAD moderni ma mancano del fascino della versione originale.
Note per lo schema elettrico: La indicazione uuF vuol dire picoFarad. Fare anche attenzione che i transistor V1 e V2 sono disegnati con l'emettitore in alto e questo può confondere. E' anche interessante notare che tre dei quattro transistor sono in configurazione con "base a massa", o meglio con la base a un potenziale di 0.3 volt, ma a massa per le "alte" frequenze. Questo elimina l'effetto Miller che con i transistor di allora avrebbe già dato fastidio. Oggi 300 kHz sono considerati come l'audio o la continua, ma nel 1961 erano già "alta frequenza".
Ecco qui il 2N168A - Un NPN al germanio con "Transition Frequency" di 3 MHz, mentre oggi un qualunque transistor general pourpose (BC548) ha una Ft di 300 MHz.
Nota storica: Nel 1961 avevo in casa una ventina di transistor in totale, apparecchi del laboratorio compresi. Ricordo che potevo contarli uno per uno ed ero felice quando se ne aggiungevano di nuovi. Uno dei contributi più sostanziosi lo dava la "radiolina a transistor" che ne aveva ben sette. Guardate questa parte del video sul Moog Melodia che parla del numero di transistor.
Il Moog Etherwave (1977)
Questo successore del "Moog Melodia" ha iniziato le vendite nel 1977 e ancora oggi (40 anni!) è acquistabile assemblato o in scatola di montaggio. Le tecniche usate sono più o meno le stesse delle radioline a transistor per le onde medie degli anni 1970. Si tratta di un progetto industriale standard e lo schema non ha più il fascino dei massimi capolavori di Robert Moog. Però questo Etherwave ha prestazioni notevolmente migliori del Melodia, soprattutto maggiore stabilità e una taratura più facile. Il Moog Etherwave è sicuramente il migliore Theremin (non digitale) che sia mai stato prodotto.
I Theremin meno conosciuti
Quelli prodotti da Moog sono veri strumenti musicali ma esistono anche decine di varianti poco conosciute e poco utilizzate dai musicisti, alcune molto complesse, altre un po' noiose ed altre veramente terribili.
Lo schema seguente mostra una delle soluzioni peggiori. Gli integrati CMOS sono progettati per commutare velocemente segnali logici per cui la stabilità del punto di scatto non è importante. Il punto di scatto dei trigger di Schmitt varia leggermente sia con la temperatura che con il rumore intrinseco dei CMOS (e in quantità minore a causa del rumore intrinseco dei resistori). Questo comporta derive di frequenza con andamento casuale (cioè rumore 1/f a frequenze molto basse) e variazioni di fase che si percepiscono come tremolii della nota (rumore ad alta frequenza). Nelle nostre prove i CMOS digitali usati come amplificatori analogici o negli oscillatori si sono dimostrati notevolmente più rumorosi dei transistor e dei FET.
Nei primi esperimenti per il Theremino Theremin provammo anche questa versione basata su trigger di Schmitt di tipo CMOS (con dei 40106) ma la abbiamo subito abbandonata perché la nota prodotta miagolava e tremolava in modo intollerabile. Un secondo difetto di questa versione è la forte dipendenza dalla temperatura che causa una lenta deriva e costringe il musicista a effettuare frequenti "zero beat" (cosa assai scomoda durante le esecuzioni dal vivo perché si deve indossare la cuffia, per evitare di far sentire l'operazione al pubblico).
In definitiva il cuore della qualità di un Theremin sono gli oscillatori che devono essere stabili sul lungo termine (rumore 1/f) ed a basso rumore (rumore nelle alte frequenze). Molti progetti di Theremin non tengono conto di questo e utilizzano componenti rumorosi e configurazioni circuitali inadatte. Suonare il Theremin è già molto difficile ma se la nota prodotta è instabile allora suonarlo diventa proprio impossibile. Mentre se l'oscillatore è rumoroso la nota musicale diventa meno pura e il timbro diventa rauco e fastidioso.
I migliori oscillatori in termini di stabilità a breve e a lungo termine li si ottengono con FET a basso rumore e isolando il circuito oscillante il più possibile dai componenti attivi. Questo si ottiene con configurazioni circuitali che comportano grandi capacità in parallelo alle capacità intrinseche dei transistor o FET. I radioamatori hanno effettuato decenni di prove e la selezione naturale ha stabilito che i migliori VFO (soprattutto per segnali SSB dove la stabilità è essenziale) sono quelli con FET in configurazione Colpitts.
Il "Moog Theremini" (2014)
Qui niente schema, non se ne trovano sul web e quindi probabilmente è soggetto a copyright. Robert Moog non c'è più e la Moog comincia ad avviarsi verso il declino. Nascondere informazioni per paura della concorrenza è il primo segnale di questa nuova direzione. Robert Moog aveva tutt'altra classe, pubblicava tutto (come facciamo noi nel sistema Theremino) e progettava così bene e così tanto che nessun concorrente riusciva a stargli dietro.
Da quel che si può capire dal manuale di istruzioni questo "Theremini" è mezzo analogico e mezzo digitale. Ci sono ancora gli oscillatori che lavorano in eterodina ma c'è anche un processore che modifica i suoni e si occupa della calibrazione e delle scale tonali. Il risultato è un "coso" tutto plastica, anche abbastanza costoso e con un display piccolo, lento e poco leggibile.
Eliminare hardware e firmware
Tutti i Theremin mostrati fino a qui erano completamente "embedded", per cui difficilmente migliorabili e aggiornabili. Invece il Theremino Theremin della prossima pagina, essendo prevalentemente software, viene migliorato con maggiore frequenza. Ma, ancora più importante, l'utente stesso può effettuare facilmente gli upgrade e anche modificare il proprio strumento con il fai da te.
Il Theremino Theremin è dunque un altro buon esempio di migrazione delle funzioni hardware e firmware verso il software, come spiegato con più particolari nell'articolo Eliminare hardware e firmware.
In quell'articolo la migrazione verso il software è ben spiegata, aggiungo solo che può portare con se delle preoccupazioni. Apparentemente c'è una perdita di controllo da parte dell'utente che considera un circuito con soli quattro transistor più facile da capire e da modificare. Ma attualmente i circuiti semplici sono sempre meno frequenti e quasi tutto viene incapsulato in microscopici e complicatissimi chip, impossibili da modificare, spesso con datasheet scritti solo in cinese e in gran parte anche con il firmware protetto da lettura.
Prendiamo ad esempio una stampante a getto di inchiostro, un mio amico voleva modificarla per stampare su oggetti di plastica. E ci sarebbe anche riuscito meccanicamente ma poi si è accorto che c'è un firmware ipertrofico che controlla ogni sensore e ogni temporizzazione. Per cui basta cambiare di un minimo la meccanica che si blocca tutto. Il colpo di grazia lo hanno dato le funzioni di protezione che servono alle ditte costruttrici per vendere le cartucce originali. Ho seguito un po' la cosa e mi sono reso conto (almeno in quel caso e non specificherò il costruttore) che nelle stampanti esistono procedure scritte apposta per bloccarle irrimediabilmente nel caso i taroccamenti superassero un certo livello. E quando succede questo non si riesce a resuscitarle nemmeno resettandole e premendo i loro tasti alla accensione con le sequenze più incredibili consigliate sul WEB.
Simili firmware ipertrofici ormai sono la regola per gli apparecchi commerciali, dai frullini ai monitor ai ricetrasmettitori e anche fino alle automobili. Non a caso i produttori amano tanto i firmware embedded che "controllano tutto".
E ricordate il periodo dei CD e dei DVD quando nei loro chip venivano incorporati algoritmi crittografici per bloccarli a seconda delle aree geografiche e dei diritti di autore degli MP3 e dei video? Fortunatamente poi hanno dovuto arrendersi, tutto si è trasferito nel software e il democratico libero scambio è stato ripristinato. Qualcuno non sarà d'accordo ma io sono assolutamente convinto che opere artistiche e conoscenze siano patrimonio della intera umanità (anzi di tutti gli esseri viventi) e quindi devono, senza nessuna eccezione, essere totalmente libere.
Considerato questo panorama si può vedere che spostare tutto il possibile verso il software non solo non rappresenta una chiusura ma è proprio il contrario. Naturalmente è essenziale che si tratti di software Open Source.
Democratizzazione delle tecnologie
Nel capitolo precedente abbiamo visto che è possibile semplificare hardware e firmware spostando quante più funzioni possibile verso il software. Qui aggiungeremo che il software può rendere disponibili a tutti (democratizzare) funzioni complesse e "difficili". Funzioni che nel secolo scorso si pensavano realizzabili solo con sistemi embedded prodotti con tecnologie esclusive e con firmware maneggiabili solo da specialisti.
Con il nuovo secolo si volta pagina e vari fattori concorrono nel rendere disponibile un nuovo paradigma.
- Il software si avvicina sempre più al linguaggio umano. Qui alcuni stanno remando contro e ci sarà ancora da combattere ma alla fine, inevitabilmente, arriveremo a un linguaggio quasi identico a quello parlato. Per questo motivo, e anche a costo di farci ridere dietro da coloro che si ritengono "veri programmatori", abbiamo scelto il linguaggio attualmente più simile al linguaggio umano, cioè il Visual Basic e quindi VbNet (grazie, Bill Gates, per aver continuato a sostenere questa visione contro tutto e tutti).
- Negli ultimi anni sono diventati disponibili Tablet e PC molto piccoli (pochi centimetri quadri e pochi grammi) dotati di un sistema operativo completo (Windows 10), estremamente potenti (quad core e due giga di ram), con consumi inferiori ai cinque watt e prezzi anche inferiori ai cinquanta euro. Questo permette di creare sistemi embedded dotati di un vero sistema operativo e programmabili per mezzo di software ad alto livello.
- Per affrettare la democratizzazione del software abbiamo progettato due linguaggi semplificati, Theremino Script e Theremino Automation. Quest'ultimo è veramente ultra semplice, tanto da poter essere utilizzato immediatamente anche da chi non conosce la programmazione. Sono linguaggi progettati per piccole applicazioni, ma alcuni utenti ci hanno stupito con le loro realizzazioni. Una ditta italiana (che purtroppo non ci ha dato il permesso di pubblicare) ha addirittura automatizzato una intera linea di verniciatura composta da numerose stazioni e bracci robotici. E costruttori cinesi usano regolarmente componenti del sistema Theremino nella produzione di filtri a cavità per le microonde.
- L'estrema semplificazione dell'hardware resa possibile scaricandolo da tutte le funzioni non essenziali, permette di recuperare il totale controllo e il genuino spirito del fai da te. Spirito che negli ultimi decenni si stava perdendo sempre più tra componenti microscopici, tecnologie impossibili, vincoli, certificazioni e inutili complicazioni. Intendiamoci, qui non si parla di sistemi per la sicurezza o per il supporto delle funzioni vitali ma solo di giocattoli per makers, artisti, chimici, geologi, fisici, ricercatori, musicisti, studenti e hobbisti in genere.
Per approfondire l'argomento del firmware come mezzo antidemocratico si possono leggere alcune pagine di questo libro. E sulla democratizzazione delle tecnologie in senso lato, questo articolo di Ben Jones in italiano
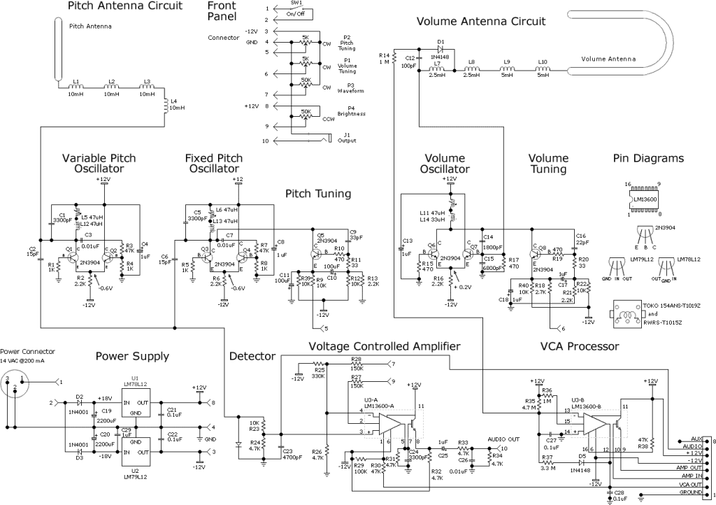
Il Theremino Theremin (2014)
Queste sono tre versioni del Theremino Theremin, una evoluzione sia nella elettronica che nel design del corpo e delle antenne. Qui non si vede ma nelle versioni più recenti le antenne sono piatte e larghe, simili a grandi foglie allungate.
Questo è il primo Theremin che abbiamo costruito, non si riesce a recuperare la data della immagine ma doveva essere più o meno la fine del 2011.
E questo è l'interno del prototipo
Il software che fa suonare il Theremin
A differenza di tutti i precedenti il Theremino Theremin è quasi completamente digitale e software. Nella immagine seguente si vede la applicazione che produce i suoni:
L'ultima versione della applicazione Theremino Theremin (attualmente la 6.5) si scarica da questa pagina. Funziona anche senza hardware e non c'è bisogno di installarla, scaricatela e provate immediatamente la qualità dei suoni.
Per chi non conoscesse il Theremino System consiglio questo articolo che spiega brevemente di cosa si tratta.
La applicazione Theremin come sintetizzatore
Nel Theremin i campioni audio sono generati uno per uno, 44100 volte al secondo, con calcoli matematici in virgola mobile, in Stereo. E ad ogni campione vengono applicati tutti i normali effetti di un synth: OSCILLATORI, ADSR, FILTRI, LFO, ECHO e CHORUS. Il risultato è un completo sintetizzatore polifonico in grado di suonare contemporaneamente fino a 128 note indipendenti. Quindi si può usare questa applicazione anche come tastiera polifonica.
Come ogni altra applicazione del sistema Theremino i dati provengono dagli Slot e quindi da qualunque dispositivo di input, ad esempio dei "ribbon" (potenziometri lineari che si premono con un dito), con i quali alcuni hanno costruito un "theremincello".
In questo video si vede uno strumento composito che non viene utilizzato come Theremin, ma per fare degli "scratch", dal tastierista dei "Vidra".
Oppure si possono utilizzare dei potenziometri o i "CapTouch", con i quali alcuni hanno costruito tastiere fatte di banane, bicchieri e vasi di fiori.
In questo video si vede una tastiera in cui i limoni conducono il segnale verso piastre metalliche situate in fori del tavolo.
I sintetizzatori venivano tradizionalmente costruiti in hardware, con integrati appositi, oppure con micro-controllori con firmware altamente ottimizzato (ad esempio usando le operazioni intere a virgola fissa e gli shift al posto delle moltiplicazioni e divisioni). Ma oggi i linguaggi ad alto livello (VbNet ad esempio) sono così efficienti che si possono scrivere queste operazioni in software e fare comodamente tutte le moltiplicazioni, divisioni, seni e coseni in virgola mobile che servono.
Conoscendo il gran numero di operazioni matematiche che vengono effettuate centomila volte al secondo è incredibile che il consumo di CPU sia basso. In effetti è talmente basso che su un normale PC si possono lanciare contemporaneamente più applicazioni Theremin, ciascuna suonata da un musicista diverso, ognuno su un Theremin o su una tastiera polifonica.
Video di esempio
Per chi non avesse tempo di provare la applicazione Theremin sono disponibili alcuni video nei quali si vede un thereminista in erba (l'autore) che cerca di imparare a suonare senza troppo successo.
https://www.youtube.com/watch?v=QW7XHh9nijo
https://www.youtube.com/watch?v=4uIpae-VMy8
https://www.youtube.com/watch?v=_oqZV6MOpUc
https://www.youtube.com/watch?v=dWiV80Rxf_E
https://www.youtube.com/watch?v=lh5faT4ucQ8
https://www.youtube.com/watch?v=OZmHHaj3nRM
https://www.youtube.com/watch?v=QjBFFxR0iWo
Il cuore del Theremino Theremin
Sempre per la serie "spostare tutto il possibile verso il software" i dodici componenti dello schema seguente sono gli unici componenti analogici del Theremino Theremin.
L'oscillatore del Theremino Theremin è un FET a basso rumore in configurazione Colpitts che oscilla intorno ai 2..3 MHz. Il segnale viene poi disaccoppiato con un transistor per mantenere l'oscillatore isolato dal micro-controllore e quindi aumentarne la stabilità.
Importante notare che la configurazione Colpitts permette di interrompere il cammino delle correnti di perdita collegandole galvanicamente a massa attraverso un induttore di basso valore induttivo. La "T" composta da due condensatori di piccola capacità e dall'induttore verso massa isola efficacemente il FET da tensioni anche notevoli. Abbiamo provato torture di ogni genere e il FET è sempre sopravvissuto. Quando qualcuno si preoccupa del fatto che un FET sia più fragile di un transistor gli facciamo vedere che collegando l'ingresso al 220 volt il FET sopravvive. Poi gli facciamo vedere gli schemi di altri Theremin famosi, che con questo test si distruggerebbero all'istante o prenderebbero fuoco.
Come ulteriore conferma ci sono migliaia di CapSensor in funzione da anni. Non abbiamo mai consigliato di maneggiarli con attenzione e nessuno è mai tornato indietro da riparare per colpa del FET. I pochi che sono tornati avevano componenti difettosi o difetti di fabbricazione del PCB o il led difettoso che non lampeggiava più, ma nessuno aveva il FET da sostituire.
Abbiamo fatto molte misure, log e grafici, dai quali è emerso che la stabilità della frequenza (sia a breve che a lungo termine) è determinata quasi totalmente dalla qualità dell'induttore L1. I condensatori (naturalmente NP0), il FET e le variazioni di temperatura non influiscono che in minima parte sulla stabilità. E il rumore è molto basso dato che si usa un FET a basso rumore, specificamente progettato per oscillatori sulle frequenze di alcuni megahertz.
Abbiamo quindi provato molti induttori e individuato un modello SMD prodotto da TDK che ha una stabilità addirittura superiore alle bobine in filo argentato avvolto su ceramica che provammo all'inizio. Si tratta di un induttore piccolissimo (pochi millimetri e basso valore induttivo, quindi poche spire) per cui, utilizzando materiali magnetici e resine adeguate, TDK produce un componente molto stabile. Induttori simili di altri costruttori sono risultati notevolmente peggiori.
Poter utilizzare un solo induttore con impedenza di soli 330 uH è una particolarità positiva che distingue questo schema da tutti gli altri Theremin i quali, anche per la loro frequenza di lavoro più bassa (300-600 KHz contro 2-3 MHz) contengono induttori da molti mH fino a 40 mH, inevitabilmente più instabili e costosi.
L'alta frequenza di lavoro elimina anche un problema tipico dei Theremin, i chirp o "cinguettii" provocati dai potenti trasmettitori broadcast che operano nelle gamme delle onde lunghe e medie (da 300 KHz a 1.8 MHz). Alcuni di questi trasmettitori emettono potenze esagerate, fino a centinaia di chilowatt e possono agganciare e spostare di frequenza l'oscillatore del Theremin se le due frequenze sono abbastanza vicine tra loro.
Tradizionalmente i Theremin operavano a 300 KHz perché ai tempi di Leon Theremin lavorare con "alte frequenze" era difficile. Ma ora si può salire anche di dieci o cento volte senza nessuna difficoltà. Per i CapSensor abbiamo scelto la banda dai 2 MHz ai 3 MHz perché è particolarmente silenziosa (rare trasmissioni navali di emergenza con segnali molto deboli), si può verificare questo con la applicazione Theremino SDR.
Infine il microprocessore misura la frequenza con un metodo studiato per ottenere la massima risoluzione possibile.
Firmware e software
La frequenza di oscillazione viene misurata con buona precisione. Ma più che la precisione è importante ottenere una alta risoluzione in quanto i gradini di quantizzazione in determinate condizioni (mano in lento movimento e lontana dalla antenna) vengono percepiti come piccoli gradini di intonazione. E questo è intollerabile, un buon Theremin deve suonare con transizione continua tra le note. Sono tollerabili imprecisioni di misura (tanto il musicista effettua continue correzioni) ma le discontinuità devono essere inudibili.
Anche il tempo di risposta è importante. I musicisti (elettronici) lo chiamano "Latenza" e lo misurano in millisecondi. Normalmente si considera ottima una Latenza inferiore ai 10 mS. Per le percussioni già 20 mS possono dare fastidio mentre per gli strumenti melodici (come le tastiere ad esempio) si potrebbe accettare anche una latenza fino a 50 mS. Il Theremin però è uno strumento particolare, apparentemente fa parte della classe degli strumenti melodici ma, non avendo punti di riferimento, richiede un continuo feedback tra il suono, l'orecchio del musicista e i suoi muscoli. Per cui già con soli 20 mS di latenza si iniziano a innescare fenomeni di dondolamento e overshoot del sistema musicista-strumento.
Quindi un buon Theremin deve avere una latenza molto bassa e una risoluzione molto alta. Queste due caratteristiche non sono ottenibili contemporaneamente. Per cui abbiamo studiato soluzioni che danno una latenza molto bassa (fino a circa 1 mS) quando serve, cioè quando il musicista muove la mano da una nota all'altra. Ma anche una risoluzione (virtuale) praticamente infinita, ben oltre i 24 bit, quando la mano è quasi ferma.
Non fatevi però ingannare dal "ben oltre i 24 bit" che appare non realistico. Qui si parla di risoluzione virtuale ottenuta con una interpolazione di tipo IIR che lavora con risoluzione altissima (numeri floating point), e non di precisione reale. Il rumore dell'oscillatore, la sua deriva a frequenze basse (dondolamenti casuali) e la sua deriva in temperatura, riducono la precisione a meno di 20 NFB (Noise Free Bits) e anche molto meno quando la mano si muove velocemente.
Come ottenere una risoluzione (virtuale) di 24 bit e oltre
Il microcontrollore non conta le oscillazioni a 2 MHz ma conta i clock del processore che sono sedici volte più frequenti (32 MHz) e ferma il conteggio in interrupt, quindi con grande precisione, dopo che l'oscillatore ha generato un numero di transizioni predefinito. Abbiamo curato la routine di interrupt con un lavoro certosino durato mesi e con successivi miglioramenti durati anni. La interrupt del conteggio è stata resa prioritaria e quindi il suo tempo di reazione non viene influenzato da altre parti del firmware. Infine le parti essenziali del firmware sono state scritte contando i cicli di clock di ogni singola istruzione assembler e bilanciando con precisione i percorsi per ottenere il massimo della rapidità e precisione.
In questo modo, e anche con l'aiuto di un successivo filtraggio digitale (nella applicazione HAL) e di uno schema a "latenza dinamica" studiato appositamente per questo firmware, siamo riusciti ad ottenere oltre 24 bit di risoluzione (virtuale) quando si muove la mano lentamente, e una risposta veloce fino a una frazione di millisecondo quando si muove la mano velocemente. Questo è facilmente verificabile con gli strumenti di test (valori numerici e grafici in tempo reale) messi a disposizione dalla applicazione Theremino HAL.
In questa immagine sono evidenziate le frequenze dei due CapSensor (Nota e Volume) che sono rispettivamente 2.46572 MHz e "2.54802 MHz (fare click sulla immagine per vedere anche la parte destra con i valori di test). Negli stessi due riquadri si vedono altre informazioni utili.
Partendo dall'alto:
- Raw = Valore grezzo del conteggio
- mS = Tempo di campionamento usato nell'ultimo campionamento. Questo tempo cambia se la mano viene mossa velocemente o lentamente (latenza dinamica).
- MHz = Frequenza dell'oscillatore
- C_tot = Capacità totale in parallelo all'induttore. Si calcola partendo dalla frequenza e dal valore dell'induttore che è 330 uH.
- C_in = Differenza di capacità provocata dalla mano rispetto al punto di calibrazione (simile alla tara delle bilance).
- mm = Distanza calcolata della mano dalla antenna.
- Norm = Valore normalizzato da 0 a 1000 (0 = mano lontana / 1000 = mano vicina). "Mano lontana" significa che è alla distanza MaxDist o oltre. Mentre "mano vicina" significa che è a "MinDist" o meno.
Non concentratevi su questi valori, non c'è niente da studiare o migliorare qui. Questa immagine è stata presa da una vecchia versione di HAL (3.41) mentre ora siamo alla versione 7.2. Da allora le formule sono state modificate più volte. L'immagine è solo indicativa per mostrare gli strumenti di test forniti dall'HAL. Chi realmente volesse fare dei test e contribuire al miglioramento del Theremin dovrebbe leggere gli ultimi capitoli di questo stesso articolo.
In questo video di YouTube si possono vedere i valori calcolati, che variano a seconda della posizione della mano.
Schema di quello che viene eseguito nel firmware del microcontrollore
- L'oscillatore oscilla a circa 3 MHz
- L'oscillatore viene immediatamente squadrato da uno Schmitt trigger e diviso da un contatore nel microcontrollore.
- Il divisore viene impostato su diversi valori da un algoritmo di risoluzione dinamica
- Dopo il divisore si ottengono periodi variabili tra 1 e 32 mS (tempi approssimativi che dipendono dalla effettiva frequenza di oscillazione la quale a sua volta dipende dall'area della antenna e altri fattori)
- Il clock del processore (32 MHz) viene contato per questo periodo, ottenendo conteggi da circa 32000 a oltre un milione.
Il continuo ritocco del tempo di integrazione permette di avere un compromesso variabile tra risoluzione e tempo di risposta. Abbiamo chiamato questo sistema "Latenza dinamica". Il principio della latenza dinamica si avvale del fatto che l'orecchio non distingue una variazione di frequenza a scalini durante veloci variazioni tra due frequenze lontane tra loro, mentre percepisce scalini anche molto piccoli quando la variazione di frequenza è lenta o quando il musicista tiene una nota quasi ferma. Nella tabella seguente si vedono i sei stati in cui viene continuamente commutato il divisore a seconda della velocità di movimento della mano del musicista.
- Risoluzione 1 parte su 1 048 576 / Frequenza 40 Hz / Tempo 32 mS / Numero di bit = 20
- Risoluzione 1 parte su 524 288 / Frequenza 80 Hz / Tempo 16 mS / Numero di bit = 19
- Risoluzione 1 parte su 262 144 / Frequenza 160 Hz / Tempo 8 mS / Numero di bit = 18
- Risoluzione 1 parte su 131 072 / Frequenza 320 Hz / Tempo 4 mS / Numero di bit = 17
- Risoluzione 1 parte su 65 536 / Frequenza 640 Hz / Tempo 2 mS / Numero di bit = 16
- Risoluzione 1 parte su 32 768 / Frequenza 1280 Hz / Tempo 1 mS / Numero di bit = 15
Fino a qui tutto avveniva nel firmware del Theremino Master perché erano operazioni da fare con precisione quarzata.
Ed ecco cosa viene eseguito nella applicazione Theremino HAL (Hardware Abstraction Layer)
- Si calcola la frequenza dell'oscillatore tenendo conto del valore di divisione usato nell'ultimo campionamento.
- Dalla frequenza, e conoscendo il valore di induttanza, si ricava la capacità parallela.
- Si sottrae la capacità che viene impostata durante la calibrazione (con mano lontana) e si ottiene la capacità aggiunta dalla mano.
- Si utilizza una formula di linearizzazione approssimativa che tiene conto dell'area dell'antenna e delle distanze minime e massime impostate dall'utente (Area mmq / DistMin mm / DistMax mm).
Alla fine dei calcoli si ottiene un valore normalizzato da 0 a 1000. Se la mano è vicina alla antenna (DistMin o meno) allora il valore normalizzato è mille. Se la mano è lontana (uguale o maggiore di DistMax) allora il valore normalizzato è zero. In tutti i casi intermedi si ottiene un valore in virgola mobile con altissima risoluzione ma che ancora risente della risoluzione del campionamento che, come abbiamo scritto in precedenza, non supera i 20 bit nelle migliori condizioni.
Questa risoluzione di 20 bit non è ancora sufficiente per soddisfare i musicisti. Muovendo la mano lentamente si possono udire piccoli scalini di intonazione della nota. Per superare questo si fa passare il valore normalizzato in un algoritmo di smoothing.
Lo smoothing utilizzato è un filtro IIR (Infinite Impulse Response) che fornisce una risoluzione (virtuale) altissima. Si superano facilmente i 24 bit, ma questo lo si ottiene a spese di un rallentamento nel raggiungere il valore finale e una continua imprecisione dei valori. Si tratta praticamente di un continuo "restare indietro" e un continuo inseguire il valore finale. Il valore si muove a gradini ma l'inseguimento avviene in modo morbido e con risoluzione molto alta, quasi un movimento analogico, che è proprio quello che vogliono i musicisti.
Un filtro FIR (Finite Impulse Response) avrebbe il vantaggio di arrivare esattamente al valore finale in un tempo finito ma purtroppo non andrebbe bene in questo caso perché produrrebbe gradini di intonazione ancora più udibili. Per cui ci dobbiamo accontentare dei filtri IIR che ci mettono un tempo "infinito" ad arrivare al valore finale... infinito? Si, in pratica un filtro IIR man mano che si approssima al valore finale rallenta sempre più (curva asintotica) e al valore finale non ci arriva mai.
Per chi ha familiarità con il comportamento dei filtri composti da resistenze e condensatori, un filtro IIR è esattamente come un RC, quindi un passa-basso a sei decibel per ottava che approssima il valore finale con curva asintotica.
Questo rallentamento nel raggiungere il valore finale (nel nostro caso la nota finale) può essere udibile e quindi fastidioso se si regola il filtro IIR per "ammorbidire" molto (parametro Speed basso). Si deve quindi regolare il filtro in modo adeguato per avere sia una buona risoluzione che una buona velocità di risposta.
Per adattare il filtro a diverse esigenze (più per automazione che per la musica) la applicazione HAL dispone di due tipi di filtri. Un normale smoothing IIR (che ad ogni passo aggiunge una frazione della differenza tra il valore precedente e quello nuovo) e un filtro IIR quadratico (che ad ogni passo aggiunge il quadrato della frazione della differenza).
Per chi fosse interessato ai particolari il firmware si trova nel modulo CapSensor V3, che si scarica da qui, e l'algoritmo di trasformazione da numeri grezzi a capacità e la successiva linearizzazione in una distanza approssimativa in millimetri si trova nelle funzioni "CapSensor", della classe "Pin", della applicazione Theremino HAL, che si scarica da qui. L'algoritmo di Smoothing si trova nella funzione "SmoothValue" della classe "Master".
Come funziona l'antenna di un Theremin
E finalmente arriviamo alle antenne. Tutti i capitoli precedenti erano una premessa per arrivare qui.
In questa immagine si vedono le antenne delle ultime versioni di Theremino-Theremin che non sono più costruite con tondini metallici ma con schede ramate di grande area. Le antenne hanno un connettore (la parte bianca) per sostituirle e sono rivestite in Kapton per isolarle da scariche elettrostatiche fino a molte migliaia di volt.
La cosiddetta "antenna" di un Theremin non funziona tramite emissione e ricezione di onde elettromagnetiche come invece fanno i trasmettitori e ricevitori radio (Nota 1), ma come un condensatore variabile, le cui armature sono: da un lato la "antenna" e dall'altro la mano del musicista. Quindi per fare un buon Theremin non dobbiamo dotarlo di una buona antenna, ma di un buon condensatore variabile. Poca lunghezza per minimizzare l'emissione elettromagnetica e grande area per massimizzare la capacità.
Una buona antenna ricetrasmittente, lunga decine di metri e perfettamente accordata, funzionerebbe malissimo per un Theremin, lo trasformerebbe in un rice-trasmettitore, farebbe arrabbiare la FCC e lo sintonizzerebbe con altri Theremin e ogni altro ricetrasmettitore nel raggio di chilometri. La presenza di più emittenti radio o più Theremin sulla stessa frequenza può creare effetti di trascinamento degli oscillatori che possono disturbare l'esecuzione. Si deve quindi, per quanto possibile, lavorare per capacità e minimizzare l'accoppiamento tramite onde elettromagnetiche.
(Nota 1) Per considerarle onde elettromagnetiche si dovrebbe essere ad almeno dieci volte la lunghezza d'onda. Ma qui siamo nemmeno a un cinquantesimo della lunghezza d'onda, e quindi nemmeno a un cinquecentesimo della condizione specificata. In queste condizioni la "antenna" è praticamente solo l'armatura di un condensatore variabile.
Orientamento e direzionalità delle antenne
Abbiamo verificato, sia con la teoria che con esperimenti, che l'orientamento delle antenne non ha alcuna importanza. Anche se tradizionalmente sono disposte ortogonali questo non aiuta a diminuire le interferenze. Le "antenne" del Theremin non sono direttive perché la loro lunghezza è oltre cinquecento volte minore della lunghezza d'onda, quindi la tensione è sempre quasi perfettamente in fase in ogni punto della antenna. Se non vi sono sfasamenti non si sviluppa nessuna direzionalità e il campo elettrico attorno alla "antenna" è praticamente sferico.
Fare misure precise di direzionalità con antenne reali comporterebbe di tenerle abbastanza lontane da oggetti conduttivi che potrebbero influenzare le misure. Si dovrebbe anche tenerle abbastanza lontane tra loro per minimizzare gli aumenti e diminuzioni di capacità tra di esse, che si producono a causa dell'avvicinarsi e allontanarsi dei loro elementi mentre le si ruotano. Le nostre misure sono quindi state molto approssimative e si riducono a un solo esperimento del 2012, che non ha evidenziato nessuna direzionalità.
Negli anni seguenti ho scritto una applicazione per ottimizzare le antenne e ho quindi acquistato un buon intuito sulle loro caratteristiche.
(fare click sulla immagine per vedere anche la parte destra)
Con la applicazione AntSym è facile verificare il comportamento delle figure di radiazione al variare della frequenza e delle dimensioni degli elementi di una antenna. Per cui abbiamo la certezza che la direzionalità è inesistente e non abbiamo più fatto esperimenti.
La applicazione AntSym è scaricabile da qui in Open Source e contiene numerosi esempi, dalle antenne a stilo ai dipoli, alle Yagi, alle parabole. Si tratta però ancora della versione originale scritta in VB6, quindi piuttosto rozza. Esiste anche una applicazione simile scritta da Aire Voors (un amico Svedese con cui abbiamo collaborato negli anni 2000-2002) che è molto più completa ma più lenta. Iniziammo insieme a scrivere le prime versioni poi lui è andato verso la completezza mentre noi siamo andati verso la velocità e abbiamo sviluppato tre diversi algoritmi di ottimizzazione (Climbing, Mutazioni e Popolazioni genetiche). Questi algoritmi si avvalgono della velocità di calcolo che siamo riusciti ad ottenere e possono ottimizzare una antenna complessa (ad esempio una classica Yagi a sette elementi) in tempi ragionevoli.
Stiamo preparando la applicazione definitiva "Theremino AntennaOptimizer" che sarà un pezzo importante del sistema Theremino, avrà un file di istruzioni e sarà scritta con la stessa qualità di tutte le altre applicazioni del sistema. La si potrà scaricare da questa pagina entro la primavera del 2017.
Concludendo, per ridurre l'accoppiamento tra due "antenne" di Theremin non si deve tener conto della loro direzionalità, ma agire sulla loro forma e posizione, in modo da diminuire la capacità elettrica tra di esse. Abbiamo anche verificato che mettendo a massa il corpo del Theremin si ottiene una efficace riduzione dell'accoppiamento tra le sue due antenne.
Accordare la antenna o non accordarla?
Altre importanti considerazioni riguardano le bobine in serie alla antenna che si vedono in quasi tutti i progetti di Theremin. Questi induttori adattano l'impedenza dell'oscillatore a quella della antenna e massimizzano il trasferimento di potenza, ma principalmente "accordano" la antenna sulla frequenza di lavoro. Avere una antenna accordata (quindi a banda stretta) crea due problemi, il primo è che si aumentano le possibilità di interferenze e il secondo è che si è costretti a lavorare in una zona molto stretta attorno al punto di accordo (frazione che è data dal fattore di merito) e quindi a sintonizzare con precisione l'oscillatore.
Nella prossima immagine si vedono le bobine di accordo di antenna di un Moog Etherwave. Sono ben 40 mH di induttanza, per cui sono composte da molte spire, divise in avvolgimenti separati per diminuire la capacità parallela. Queste bobine, date le loro dimensioni e il gran numero di spire, sono poco stabili rispetto alle variazioni di temperatura.
Le bobine di accordo e anche quelle dell'oscillatore emettono un "campo magnetico alternato" e possono anche esse provocare un accoppiamento tra Theremin vicini o tra i due oscillatori (nota e volume) dello stesso Theremin. Sembra comunque che questo accoppiamento provochi meno problemi dell'accoppiamento creato dei "campo elettrico alternato" prodotto e ricevuto dalle "antenne". Nelle nostre prove schermare magneticamente le bobine non ha prodotto cambiamenti significativi.
Dobbiamo anche considerare che un Theremin non è un trasmettitore per cui trasferire molta potenza all'antenna non è necessario e nemmeno desiderabile. Secondo i nostri calcoli un Moog Etherwave emette una potenza nell'ordine dei milliwatt (Nota 1) mentre un nostro CapSensor, non avendo la antenna accordata, emette potenza nel range dei microwatt. Inoltre il CapSensor, non avendo la antenna accordata, può lavorare in un ampio range di frequenze (da 2 a 3 MHz) senza variare le sue caratteristiche. Per cui non necessita di taratura, lo si costruisce e funziona.
Un ulteriore vantaggio di avere antenne NON accordate è la possibilità di sostituire la antenna con una di dimensioni (e quindi di capacità) notevolmente diverse. Per cui, ad esempio, su un grande palco si potrebbe utilizzare una antenna enorme e far suonare i bambini facendoli correre avanti e indietro, mentre in casa si potrebbe montare una antenna piccola. E in tutti i casi la calibrazione effettuata dal software prima di iniziare a suonare sarà sempre sufficiente, anche se la variazione di frequenza è notevole (fino a un MHz e più).
(Nota 1) Questa stima approssimativa di potenza inviata in antenna dal Moog Etherwave e di un CapSensor è stata ottenuta in tre modi: (1) Partendo dalla corrente consumata e dalla tensione abbiamo calcolato la potenza assorbita dall'oscillatore di un Moog Etherwave (24 volt * 5 mA = oltre 100 mW) e la abbiamo confrontata con quella assorbita dall'oscillatore del CapSensor (3.3 volt * 400 uA = poco più di un milliwatt). (2) Simulando i due oscillatori con LTSpice si ottengono valori comparabili con queste stime, sia per il consumo di corrente che per la potenza inviata alla antenna. (3) Misurando con un oscilloscopio e anche che nelle simulazioni, la tensione inviata alla antenna da un Etherwave è risultata di centinaia di volt picco picco (quasi 200 volt sia nelle simulazioni che nelle misure effettuate su un oscillatore campione). Questa tensione incredibilmente alta è prodotta dall'adattamento di impedenza effettuato dall'induttore da 40 mH che porta alla risonanza i circa 8 pF della antenna di un Etherwave. Ed è proprio questa tensione molto alta che permette di trasferire una potenza considerevole alla antenna, anche se la antenna è molto corta rispetto alla lunghezza d'onda. Detto in altre parole: Quando si porta alla risonanza (una antenna corta con un induttore in serie o una lunga con un condensatore) l'impedenza del sistema antenna-induttore (o condensatore) diventa puramente resistiva e con un valore basso. L'accoppiamento antenna-oscillatore diventa ottimale e tutta la potenza dell'oscillatore (tranne quella persa nei resistori) viene trasformata in energia elettromagnetica. In queste condizioni il Theremin diventa un buon ricetrasmettitore e questo è un effetto indesiderato.
Si possono trovare ulteriori informazioni su questo argomento nel thread Quanta potenza emettono gli oscillatori dei Theremin?
Linee guida per le antenne
Secondo il maestro Thomas Grillo... "Le antenne devono essere distaccabili e robuste. L'antenna del volume deve essere grande e molto lontana da quella della nota".
Secondo le nostre prove antenne corte, ma con grande area, aumentano l'influenza della posizione della mano sulla frequenza di oscillazione e quindi permettono una risposta più veloce e un funzionamento più stabile.
Antenna del volume con forma classica
- Deve essere abbastanza lunga, come suggerisce Grillo, e con molta area (intorno ai 15 x 5 cm = 75 cmq).
- Lontana il più possibile dalla antenna della nota (almeno 40 cm).
Antenna della nota con forma a petalo
- Gambo largo 2 cm e alto circa 5 cm in modo da diminuire la capacità elettrica verso il corpo del Theremin.
- Petalo largo in modo da aumentare al massimo l'area (con un petalo da 6 cm x 40 cm si arriva a circa 240 cmq).
Possibili miglioramenti
Ho scritto questo articolo con la speranza di raccogliere nuove idee. Quindi, per piacere, non distraiamoci cercando difetti dove non ci sono. La stabilità del punto di lavoro e la affidabilità dell'innesco della oscillazione sono fuori discussione, sono stati prodotti migliaia di CapSensor, alcuni sono in funzione da oltre sei anni, almeno la metà da più di due anni, e nessuno ha mai riscontrato difetti.
Ma per quanto gli utilizzatori ne siano soddisfatti, come progettista so che esistono due zone non sufficientemente esplorate.
1) Studiare maggiormente le interazioni tra antenna e posizione della mano.
Stiamo misurando capacità estremamente basse. Una frazione di millesimo di picofarad può spostare la nota in modo udibilmente fastidioso (stonatura). Per cui ogni miglioramento possibile in quest'area è sempre utile. Abbiamo già individuato che è bene aumentare l'area delle antenne e non la loro lunghezza, ma forse esistono altre considerazioni del genere a cui non abbiamo pensato?
Ho cercato di parlare di queste interazioni in questo thread ma ho usato parole approssimative e non ho esposto bene il problema. Spero ora di esserci riuscito meglio.
2) Migliorare l'algoritmo di linearizzazione.
Negli anni passati abbiamo fatto del nostro meglio per ottenere un valore di distanza dalla mano normalizzato da 0 a 1000 e abbastanza lineare. Un valore preciso non è ottenibile perché basta cambiare le dimensioni della mano, o tenerla a pugno, o allargare le dita, o anche spostare il corpo, per modificare il risultato notevolmente e non si possono introdurre queste compensazioni come costanti nella formula perché il musicista cambia più volte l'area della mano e la propria posizione (video di esempio). Comunque una precisione assoluta non è necessaria, basta ottenere una buona stabilità a breve termine e una ragionevole linearità.
La formula di linearizzazione attuale funziona abbastanza bene fino a che non si variano troppo i parametri (Centimetri quadri della antenna / Distanza minima / Distanza massima). Ma quando si impostano valori molto grandi o molto piccoli si ottengono risultati evidentemente sbagliati. Pertanto ho la certezza che nella formula manchino alcuni termini. Nel passato ho tentato più volte di completare la formula ma non ho ottenuto miglioramenti, forse a causa delle mie scarse capacità matematiche o forse perché non è proprio possibile fare di meglio.
Intendiamoci, non è facile come sembra, anche il matematico del nostro gruppo ci ha provato e le formule che mi ha fatto provare hanno funzionato anche peggio delle formule approssimate che usiamo ora. Esistono molte interazioni, non solo la capacità tra mano e antenna, ma anche la capacità tra mano e corpo del Theremin e la capacità tra mano e tavolo e quella tra tavolo e antenna. Mi si dirà che il tavolo è di legno... ma quando si parla di capacità e correnti così basse basta il minimo di umidità nel legno per farlo comportare quasi come un perfetto conduttore.
La affermazione precedente può apparire strana, quindi ora la spiego con un esempio. In una installazione multimediale di Ennio (l'artista che ha inventato il sistema Theremino) un CapSensor si trovava su una mensola di un grande armadio di legno in stile antico. L'idea era che avvicinando la mano a un vaso venissero pronunciate delle parole. Quindi è stata messa una piastra metallica sotto il vaso collegata all'ingresso di un CapSensor e il vaso riempito di acqua salata per renderlo conduttore. Il vaso ha funzionato perfettamente bastava avvicinare la mano e il computer reagiva come dovuto. Ma la sorpresa è stata che bastava avvicinare la mano a qualunque punto dell'armadio per ottenere quasi lo stesso segnale. La piastrina si accoppiava con qualche picofarad al liquido nel vaso passando il dielettrico isolante in ceramica spesso cinque millimetri. Ma si accoppiava ancora meglio con il legno umido dell'armadio essendo proprio a contatto con esso.
Successivi esperimenti hanno dimostrato che qualunque materiale leggermente conduttivo può estendere la antenna anche di molti metri. Questo effetto è stato usato in seguito per varie installazioni. Ad esempio è stato possibile rendere sensibili vasi di fiori e piante anche grandi, isolandole da terra con un vaso e mettendo nel vaso un elettrodo collegato al CapSensor. Non abbiamo video con le piante ma ci sono video con banane e limoni ad esempio questo.
Le variazioni di capacità su cui si lavora sono minime. Una mano che si sposta tra un metro e un centimetro cambia la capacità di 1 pF. Quando si sposta di un centimetro tra 99 cm e 100 cm la variazione è di molto inferiore al millesimo di picofarad. Praticamente impossibile fare calcoli, il modo migliore per vedere cosa succede è di usare i valori reali che vengono misurati con gli strumenti e i grafici messi a disposizione dalla applicazione Theremino HAL. Quindi prima di fare della teoria si deve provare, si devono vedere i numeri che cambiano e capire realmente cosa succede. E quel che succede è un tutt'uno composto da ogni oggetto intorno, nonché dal corpo del musicista e dal legno del Theremin stesso.
Fino al calcolo della capacità sono sicuro che è tutto a posto perché abbiamo provato con condensatori campione e le misure sono ragionevolmente giuste. Ed è importante ricordare che non stiamo costruendo un capacimetro, per cui non conta granché sbagliare anche di un +/-30% la misura, ma conta avere misure stabili di piccole variazioni di capacità.
Possibili miglioramenti - Ci vuole un piano
Quello che ci serve realmente non è il "dire", ma qualcuno intenda veramente "fare", cioè:
- Imparare a utilizzare le nostre applicazioni (come minimo Theremin, HAL e SlotViewer)
- Familiarizzarsi con il concetto di Slot, in modo da muoversi bene tra le nostre applicazioni.
- Utilizzare lui stesso il nostro Theremin per un certo tempo prima di iniziare a fare modifiche. In modo da acquistare la sensibilità necessaria a capire cosa si vuole ottenere. Sarebbe anche meglio se il Theremin lo costruisse lui stesso per conoscerlo nei particolari (noi naturalmente forniremmo i moduli hardware in regalo e tutto l'aiuto possibile).
- Installare DotNet in modo da poter provare di persona i parametri e le formule (naturalmente gli spiegheremmo come fare e daremmo tutto l'aiuto necessario via Desktop Remoto).
- Capire cosa dobbiamo ottenere, cioè un numero normalizzato da 0 a 1000 in base a C(pF), MinDist(mm), MaxDist(mm) e Area(mmq). Ma non capirlo in teoria, proprio toccare con mano, muovere la mano e vedere i numeri che escono, leggere i valori in picofarad, la capacità di base, la differenza di capacità data dal movimento, i valori in millimetri, i numeri finali normalizzati da 0 a 1000. Ed essere quindi in grado di capire da solo se le sue formule funzionano o no.
- Insistere nelle prove fino a che riesce ad ottenere risultati migliori di quelli attuali.
- Magari scoprire che stiamo sbagliando le domande, e che è questo che ci impedisce di trovare le risposte. O magari scoprire che non è possibile fare di meglio e che le imprecisioni che ancora rimangono dobbiamo per forza tenercele.
Vi prego quindi di non proporci esperimenti a distanza, si perde solo tempo. Se qualcuno vuole provare dovrà farlo di persona.
Un benvenuto ai commenti costruttivi
Ho scritto questo articolo con la speranza di raccogliere nuove idee sulle interazioni tra la cosiddetta "antenna" e l'oscillatore, che sono il cuore di un buon Theremin. Tengo molto a questo argomento e la possibilità di "mettere all'opera" le migliori menti dell'elettronica italiana è quasi irripetibile. Quindi, per piacere, evitate di scrivere commenti non costruttivi (Nota 1).
Ricordo anche che stiamo parlando di un semplice oscillatore e che quindi le proposte grandiose, come ad esempio utilizzare un FPGA da 100 dollari, o tubi a vuoto, o schemi inutilmente complessi, sono del tutto fuori tema.
E anche che noi progettiamo giocattoli. Sono giocattoli per ingegneri, giocattoli per chimici, giocattoli per musicisti... ma sempre e solo semplici giocattoli. Quindi niente matematica complessa o discorsi sulle certificazioni per i pacemaker, grazie.
(Nota 1) Un commento non costruttivo è un commento che evidenzia aspetti negativi senza proporre soluzioni migliori o almeno valide alternative. Un commento è poi particolarmente distruttivo se oltre ad essere negativo sposta l'attenzione su altri argomenti. Non ci sarebbe nulla di male nel divagare e nell'evidenziare errori e pericoli, ma il media limitato che stiamo utilizzando (commenti su una pagina web) ha regole tutte sue. Per cui i commenti negativi instaurano un clima polemico che spezza la sinergia costruttiva. Avviene quindi che chi ha buone idee, sentendosi a disagio e fuori luogo, evita di scriverle, e conseguentemente un'altra buona occasione viene perduta.

Elettrotecnica e non solo (admin)
Un gatto tra gli elettroni (IsidoroKZ)
Esperienza e simulazioni (g.schgor)
Moleskine di un idraulico (RenzoDF)
Il Blog di ElectroYou (webmaster)
Idee microcontrollate (TardoFreak)
PICcoli grandi PICMicro (Paolino)
Il blog elettrico di carloc (carloc)
DirtEYblooog (dirtydeeds)
Di tutto... un po' (jordan20)
AK47 (lillo)
Esperienze elettroniche (marco438)
Telecomunicazioni musicali (clavicordo)
Automazione ed Elettronica (gustavo)
Direttive per la sicurezza (ErnestoCappelletti)
EYnfo dall'Alaska (mir)
Apriamo il quadro! (attilio)
H7-25 (asdf)
Passione Elettrica (massimob)
Elettroni a spasso (guidob)
Bloguerra (guerra)