Indice |
Introduzione
Questo mini articolo, mi è venuto in mente dalla reclama di un apparecchio per illuminare l'ambiente retrostante un televisore o un monitor da computer.
La corretta illuminazione del compito visivo permette di affaticare meno la vista e conseguentemente di rendere più piacevole la visione dello schermo.
Al che ho detto... Jarvis ne voglio uno!
Come mai ci si affatica?
Il problema dell'affaticamento visivo, nel caso della visione di una schermo, nasce dall'elevato contrasto luminoso tra l'apparecchio e l'ambiente circostante solitamente buio o mal illuminato. Per capire meglio questo fenomeno basti pensare ai fari di un automobile che ci viene in contro; se ciò avviene di giorno in una giornata serena, riusciremo a mala pena a notare che i fari del veicolo sono accesi, in quanto la luce ambientale e quella dei fari sono praticamente di pari intensità.
Completamente differente sarà la nostra percezione di notte; la luce dei fari risulterà accecante ed un esposizione prolungata a tale luce ci da un forte senso di fastidio, questo perché il contrasto luminoso tra l'ambiente ed i fari è troppo elevata.
Ma bando alle ciance e vediamo come rimediare a tale effetto...
Progetto
Per illuminare l'ambiente ai lati e dietro lo schermo utilizzeremo delle strisce di led ad alta efficienza, possibilmente a luce calda.
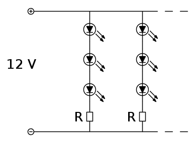
Il circuito sarà formato, come nel mio precedente articolo Lampade led fatte in casa, da serie di 3 led con una resistenza da 120 Ohm; poste tutte in parallelo tra loro ad una tensione di 12 V.
Per i conti e la teoria dietro al tutto vi rimando al mio articolo prima citato ed allo splendido articolo di IsidoroKZ, stringhe di led 1.
L'alimentazione può essere presa da un qualunque generatore a 12 V. Io ho collegato direttamente il tutto all'alimentatore ATX presente nel mio computer, visto che lo schermo da illuminare è quello del pc.
Nel caso non vi sia un computer a portata di mano, o meglio di schermo, è possibile utilizzare un alimentatore per portatili di quelli universali, o un ATX modificato come in alimentatore fai da te del quale però sconsiglio assolutamente la realizzazione ad un pubblico inesperto.
In fine è stato aggiunto un interruttore a leva per poter accendere e spegnere l'apparecchio a piacimento senza dover manipolare l'alimentazione.
In pratica
Per prima cosa ho preso un angolare di plastica da un centimetro e mezzo di lato, l'ho diviso in tre parti per essere alloggiato sui rispettivi lati dello schermo.
L'ho forato con una punta per creare degli alloggiamenti per i led; ed uno di dimensioni maggiori per l'interruttore.
Successivamente ho ricoperto il lato interno con del nastro isolante, per poi forarlo con i piedini dei led in corrispondenza dei buchi fatti in precedenza.
Una volta saldato tutto il circuito a dovere, ho utilizzato una morsettiera di quelle utilizzate all'interno delle alimentazioni da computer, in modo da poter prelevare i 12 V necessari direttamente dall'alimentatore del mio pc.
In fine ho applicato del nastro biadesivo sul bordo libero dell'angolare, per poter ancorare il tutto dietro al mio monitor.
Conclusioni
Non è di certo un apparecchio professionale, ma una volta nascosto alla vista dallo schermo fa il suo dovere, e devo dire che l'effetto si vede; e ve lo dico io che...
"Vedo ogni cosa... Questa è la mia maledizione"
Scontrino
- Led ad alta efficienza(100Pz).......4,30€
- Angolare in plastica................1€
- Interruttore........................Rimediato
- Cavi, stagno, ecc...................Rimediati
- TOTALE..............................<3€

Elettrotecnica e non solo (admin)
Un gatto tra gli elettroni (IsidoroKZ)
Esperienza e simulazioni (g.schgor)
Moleskine di un idraulico (RenzoDF)
Il Blog di ElectroYou (webmaster)
Idee microcontrollate (TardoFreak)
PICcoli grandi PICMicro (Paolino)
Il blog elettrico di carloc (carloc)
DirtEYblooog (dirtydeeds)
Di tutto... un po' (jordan20)
AK47 (lillo)
Esperienze elettroniche (marco438)
Telecomunicazioni musicali (clavicordo)
Automazione ed Elettronica (gustavo)
Direttive per la sicurezza (ErnestoCappelletti)
EYnfo dall'Alaska (mir)
Apriamo il quadro! (attilio)
H7-25 (asdf)
Passione Elettrica (massimob)
Elettroni a spasso (guidob)
Bloguerra (guerra)

