Premessa
Andare a guardare come sono fatti i circuiti, soprattutto i circuiti di un certo livello come quelli degli strumenti da laboratorio, è un esercizio utile per imparare l'elettronica e, se fatto con lo spirito giusto, anche dilettevole.
Nell'hardware l'ambiente, così diverso da quello software asettico e deterministico, è come una giungla, con insidie e trabocchetti d'ogni tipo ma a volte possono anche apparire panorami mozzafiato.
Anche avventurarsi in questa particolare giungla richiede un certo stomaco, una predisposizione, una gran passione, altrimenti si corre il rischio di venire sopraffatti dalle difficoltà, perciò sconsiglio vivamente a chi non fosse davvero fissato per l'elettronica di seguirci... e non aggiungo altro.
Esplorare il circuito di strumenti da laboratorio attuali, a causa della maggiore complessità ma anche a volte per la mancanza di documentazione, risulta spesso un'impresa ardua se non impossibile, invece con quelli datati è più facile ed è quello che io e Pietro Baima ci proponiamo di fare qui: un'escursione nel circuito di uno strumento di fine anni '80.
Io oramai, non più giovincello, sono abbastanza addestrato e vaccinato e in quell'ambiente mi riesco a muovere senza grosse difficoltà, farò quindi da guida per questa esplorazione descrivendo a braccio le cose che incontreremo così come le vedranno i miei occhi, né più né meno, senza preoccuparmi troppo se a volte saranno tratti in inganno, ci sarà Pietro Baima, che si è offerto di mettere a disposizione i suoi sofisticati e preziosi strumenti di indagine, a darmi una mano nella parte più complicata.
chi rimarrà con noi fino alla fine, se durante il percorso saprà sintonizzarsi sulla giusta lunghezza d'onda, forse poi potrà dire di aver visto qualcosa di nuovo.
Lo strumento
Ci inoltreremo nei circuiti del multimetro digitale ad alta risoluzione Schlumberger 7150Plus.
La scelta è caduta su questo strumento in seguito ad una discussione sul forum ma anche e soprattutto perché è davvero speciale.
E' uno strumento di notevole precisione: consente una risoluzione di 1/1.999.999 del fondo scala ed è quindi realizzato con tecniche sofisticate che, con le osservazioni che andremo a fare, tenteremo di comprendere.
Multimetri digitali
Non occorre spiegare cosa siano, diciamo solo che all'interno, a grandi linee, sono sempre costituiti da uno stadio di ingresso che condiziona i segnali da misurare e li adegua per lo stadio successivo che è un convertitore analogico digitale, seguito da un display per la lettura del valore misurato.
All'interno dei multimetri digitali la sezione più importante è il voltmetro per tensione continua che costituisce il cuore dello strumento, attorno al quale si estendono le altre funzioni che sono comunque delle appendici di secondaria importanza: La grandezza di ingresso selezionata dai comandi a pannello, qualsiasi essa sia, viene sempre convertita in una tensione continua e poi data in pasto al voltmetro, a questo servono i circuiti di condizionamento che quindi sono disposti all'interno dello strumento tra gli ingressi e il voltmetro e selezionati, uno alla volta, dai comandi a pannello quando si va ad impostare il tipo di grandezza da misurare.
Lo strumento in questione, oltre alla misura di tensione, effettua anche quelle di corrente e di resistenza, a 2 e a 4 fili e, anche qui, tutto orbita attorno alla sezione voltmetro che è la più importante e che determina in gran parte le caratteristiche principali dello strumento, come la precisione e la risoluzione.
Noi, nella nostra esplorazione, siamo quindi maggiormente interessati al voltmetro e in particolare al convertitore analogico digitale che è la parte più interessante di tutto il circuito.
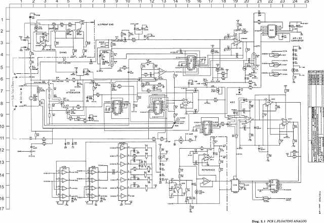
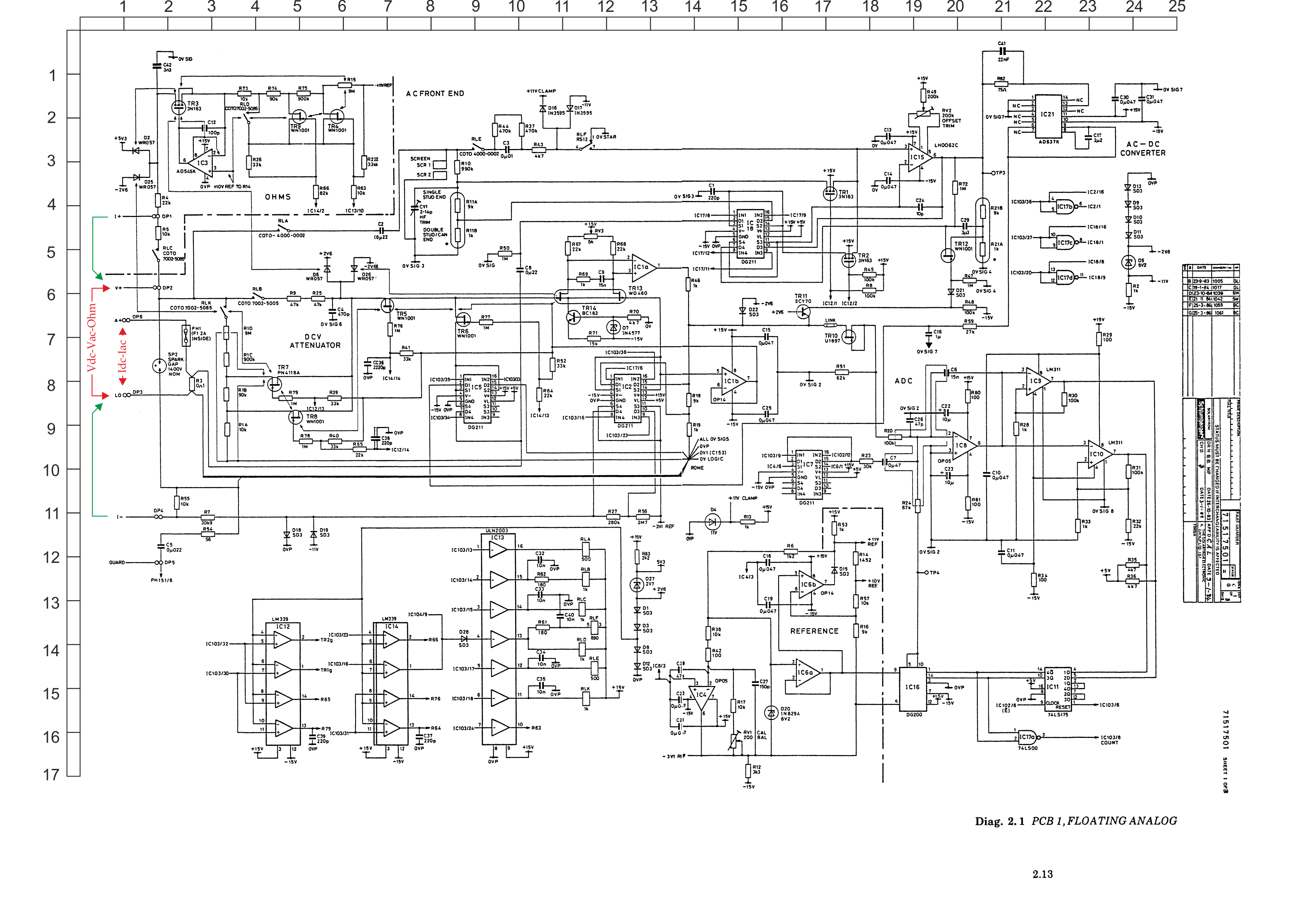
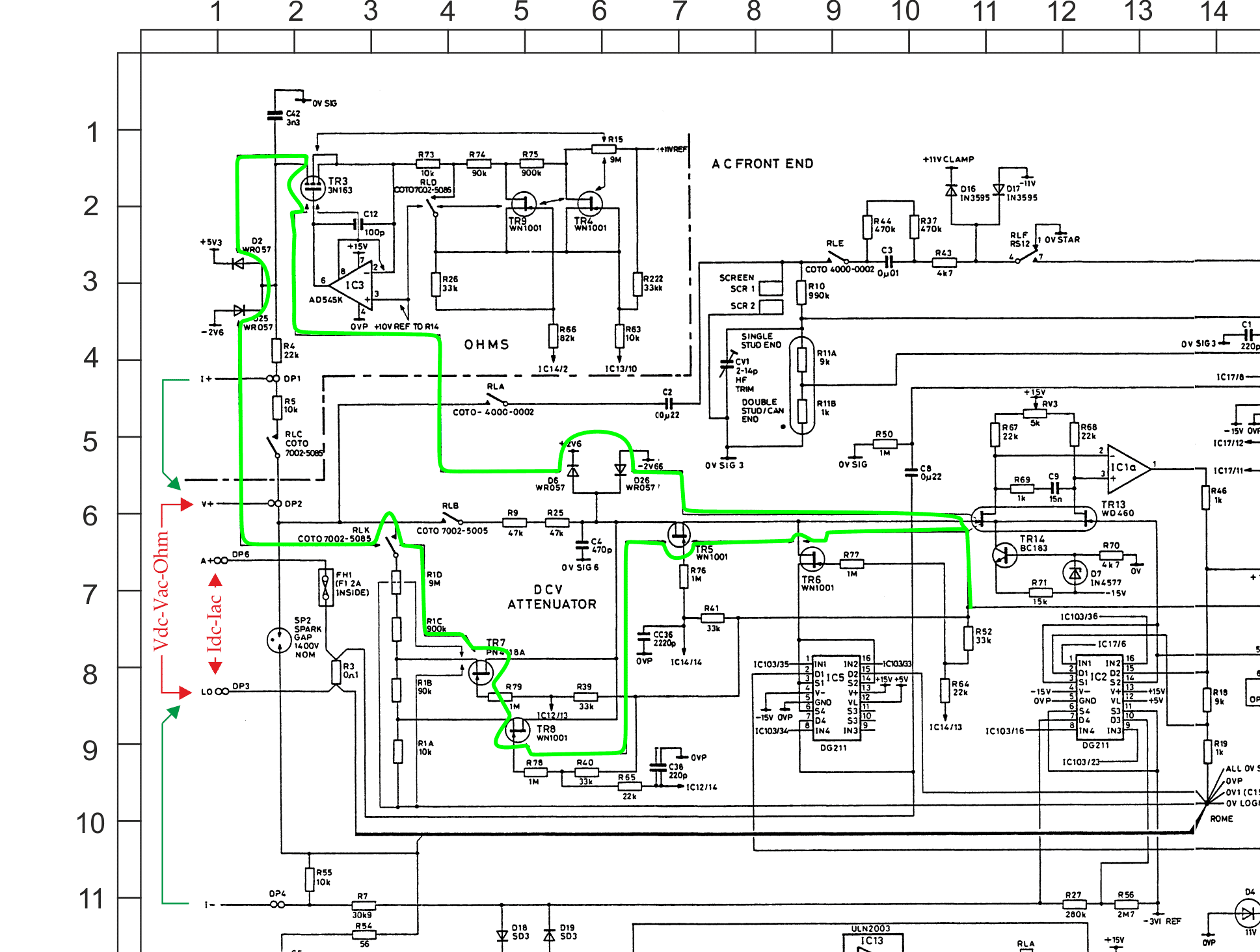
Schema elettrico
Lo schema non è disegnato nel migliore dei modi: spesso, come in questo caso, gli schemi dei circuiti risultano leggibili con una certa difficoltà, la disposizione dei componenti non appare ben organizzata, sembrano essere più che altro dei promemoria utili a chi ha redatto il progetto, piuttosto che degli strumenti per la comprensione del funzionamento destinati a chi il progetto non lo conosce... ma questo è quanto... capita anche spesso che siano peggiori di questo.
Comunque, nonostante tutto, alla fine quasi sempre si riesce a trovare il filo logico che lega tutto e qui noi questo tenteremo di fare.
Nello schema ho aggiunto le coordinate che spero risulteranno utili quando avrò bisogno di indicare un componente localizzandolo: quando scriverò qualcosa del tipo [5-15] vorrà dire che vorrò localizzare tutto quello che si trova grosso modo nella zona di incrocio tra la riga 5 e la colonna 15 che in questo caso individua IC18.
In questo schema, addirittura, non era evidente quali fossero i morsetti di accesso per le misure, ho quindi provveduto ad aggiungere anche qualche indicazione.
A questo punto consiglierei a chi è interessato a continuare con la lettura di stampare lo schema elettrico su carta, altrimenti dove sarà fatto riferimento a zone o a componenti diverrebbe difficile seguire.
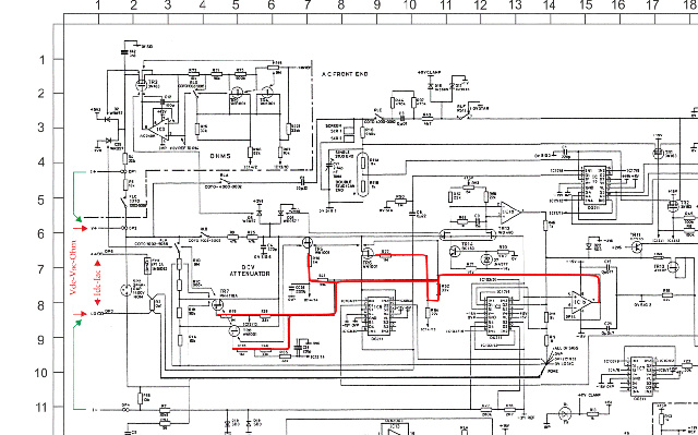
A sinistra dello schema, Il morsetto LO[8-1] è comune per tutte le misure e all'interno dello strumento è collegato al riferimento comune dei circuiti, la coppia di morsetti V+ [6-1] e LO [8-1] serve per le misure di tensione continua, tensione alternata e di resistenza, mentre la coppia di morsetti A+ [7-1] e LO [8-1] serve per la misura di corrente continua e alternata.
I due morsetti I+ [4-1] e I- [11-1] non sono di ingresso ma di uscita, servono per la misura di resistenza a 4 fili.
I circuiti di condizionamento dei segnali di ingresso
Prima di avventurarci nella zona del convertitore AD diamo uno sguardo ai circuiti di condizionamento dei segnali di ingresso.
Per ora diciamo solo che il campo utile di tensione di ingresso del convertitore AD va da -2V a +2V e che il convertitore è preceduto da un amplificatore [6-11], che può assumere due valori di guadagno, 1 o 10, pertanto il campo utile di tensione all'ingresso dell'amplificatore va da -2V a +2V quando è selezionato un guadagno pari a 1 e da -0.2V a +0.2V quando è selezionato un guadagno pari a 10.
I vari circuiti di condizionamento confluiscono tutti all'amplificatore di ingresso del convertitore AD.
Misura di tensione continua
I morsetti di accesso per questo tipo di misura sono V+ [6-1]e LO [8-1].
Essi sono comuni anche alle misure di tensione alternata e di resistenza, perciò subito dopo il morsetto V+ [6-1] troviamo un punto di smistamento costituito da alcuni contatti di relè che servono appunto ad indirizzare il segnale in relazione al tipo di misura impostata a pannello.
Troviamo il contatti del relè RLC [5-2] che si attiva solo per la misura di resistenza, il contatto del relè RLA [4-5] che si attiva solo per la misura di tensione alternata, il contatto dei relè RLB [4-6] che si attiva per le due portate più basse nella misura di tensione continua e di resistenza e il contatto dei relè RLK [4-6] che si attiva solo per la misura di tensione continua per le portate dalla terza a salire.
Per la misura di tensione continua, quindi, i relè chiamati in causa sono RLB [4-6] e RLK [4-6].
RLB [4-6], quando si chiude, stabilisce un collegamento diretto tra il morsetto V+ [6-1] e l'ingresso ad alta impedenza dell'amplificatore di ingresso del convertitore AD e si chiude quando è selezionata una delle due portate più basse.
La scelta tra le due portate più basse, quella da -2V a +2V oppure quella da -0.2V a +0.2V, è poi ottenuta selezionando il valore del guadagno dell'amplificatore di ingresso del convertitore AD rispettivamente a 1 oppure a 10.
Per queste due portate il valore di resistenza di ingresso dello strumento, non essendo presente per la corrente continua alcuna via di scorrimento verso il riferimento, coincide con quello della resistenza di ingresso dell'amplificatore del convertitore AD, che è quella che si vede guardando nel gate del JFET di sinistra di TR13 [6-11] che è pressoché infinito.
Le altre portate si ottengono con l'apertura di RLB [4-6] e la chiusura di RLK [4-6] e quindi con l'inserimento tra l'ingresso dello strumento e quello dell'amplificatore di ingresso del convertitore AD, del partitore costituito da R1A, R1B, R1C, R1D [9-3][7-3].
Quando il partitore è inserito, ovvero quando sono impostate le portate 20V, 200V e 1000V, ovviamente il valore della resistenza di ingresso dello strumento scende e diventa pari alla somma di quelli dei resistori che compongono il partitore, cioè pari a 10M.
TR5 [6-7], TR6 [6-9], TR7[8-5] e TR8[9-5] sono JFET utilizzati come interruttori, altri 4 interruttori sono contenuti dentro IC5[8-9].
TR7[8-5], se acceso, attiva la partizione 1/100, TR8[9-5], se acceso, attiva la partizione 1/1000, TR7[8-5] è acceso sempre e solo durante la misura di tensione continua e di resistenza, TR6 [6-9], e gli interruttori contenuti in IC5 [8-9] si accendono per le altre misure.
Combinando opportunamente le accensioni dei JFET TR7[8-5] eTR8[9-5] e il valore del guadagno dell'amplificatore di ingresso del convertitore AD, 1 o 10, si ottengono tutte le portate per la misura di tensioni continue.
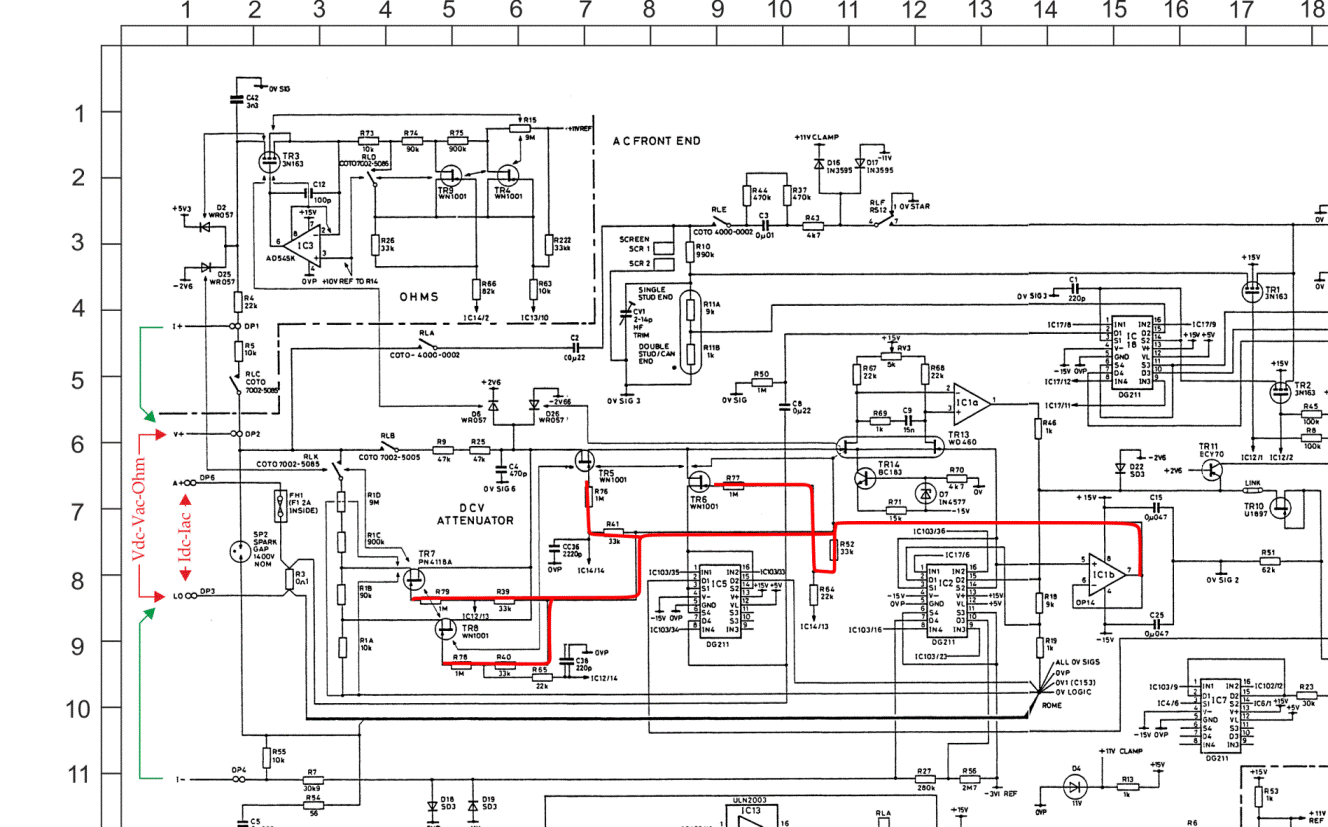
i JFET da TR5 a TR8 sono comandati da varie uscite di IC12 [15-4] e IC14 [15-7] che sono a collettore aperto è qui appare un dettaglio degno di nota che vale la pena approfondire ma per comprenderlo dobbiamo prima guardare come è fatto l'amplificatore di ingresso del convertitore AD.
L' amplificatore di ingresso del convertitore AD, costituito da TR13 e IC1a [6-11] [6-12], ha il partitore di controreazione costituito da R18 [8-14] e R19 [9-14] e il collegamento della controreazione all'ingresso invertente (gate di destra di TR13 [6-12]) è ottenuto tramite due degli interruttori contenuti in IC2 [8-13], precisamente D2-S2 per ottenere un guadagno pari a 1 e D1-S1 per ottenere un guadagno pari a 10.
L'escursione della tensione di segnale, sia all'ingresso che all'uscita dell'amplificatore, è tosata al valore di sicurezza di circa -3.2V e +3.2V, in ingresso dai diodi D6 e D26 [6-6] e in uscita dal diodo D22 [6-15] e dal diodo della giunzione BE di TR11 [6-16] e questo giustifica la presenza di R9 e R25 [6-5] in serie all'ingresso e di R46 [6-14] in serie all'uscita ma il resistore R46 [6-14], a differenza di come potrebbe sembrare a prima vista, non influisce sul guadagno perché è all'interno dell'anello di controreazione.
Da notare lo strano partitore costituito dalla Ron di TR10 [7-17] e R51 [8-17] tra l'uscita dell'amplificatore e l'ingresso del convertitore, a cui non riesco a dare un senso, sarà forse qualche sorta di compensazione termica?...
Detto ciò, notiamo la presenza di IC1b [8-15], un inseguitore di tensione con l'ingresso collegato insieme all'ingresso invertente dell'amplificatore di ingresso del convertitore AD, alla cui uscita fa capo il gate di ognuno dei JFET descritti sopra.
Questa connessione tra l'uscita di IC1b [8-15] e il gate di ogni JFET, il dettaglio degno di nota a cui accennavo sopra, è una bella trovata che serve ad evitare che la corrente di comando dei JFET possa alterare il segnale, soprattutto quando è selezionata una delle due portate più basse dove, essendo elevatissimo il valore della resistenza di ingresso, la misura risulterebbe maggiormente falsata.
Di seguito in fig.1 la porzione di schema in questione
In (B) il circuito come è, in (A) invece come sarebbe stato se gli interruttore a JFET fossero stati comandati senza alcuna precauzione, cioè senza fare uso dell'inseguitore IC1b.
In (A) è evidente che la corrente nei resistori da 33k di polarizzazione del gate dei JFET, quando sono spenti, scorre tutta nell'impedenza di ingresso dell'amplificatore generando una tensione di errore ad essa proporzionale.
In (B), quando uno dei JFET è acceso, cioè quando il corrispondente transistor di comando è spento, indipendentemente dall'ampiezza del segnale di misura, il gate si trova sempre allo stesso potenziale del source proprio come se il resistore di polarizzazione fosse connesso al source invece che all'uscita di IC1b, che appunto è la condizione necessaria affinché il JFET sia acceso; questo avviene perché il guadagno netto tra l'ingresso dell'amplificatore (JFET di sinistra di TR13 [6-11]) e l'uscita dell'inseguitore [8-15] è sempre perfettamente unitario, indipendentemente dal guadagno che assume l'amplificatore di ingresso del convertitore Ad.
Quando invece i JFET sono spenti, cioè quando i transistor di comando sono in conduzione, il gate si trova ad un potenziale molto più basso di quello a cui si trova il source ma la corrente nel resistore di polarizzazione da 33k, provenendo dall'inseguitore e non dal source, non circola nell'impedenza di ingresso dell'amplificatore quindi non genera alcuna tensione di errore.
Altra cosa degna di nota è quello strano collegamento che si vede in prossimità del gate di sinistra di TR13: non avendo a disposizione lo strumento, ho difficoltà a capire con precisione cosa possa essere ma credo sia il punto di connessione tra l'uscita di IC1b [8-15] e una sorta di schermo o più probabilmente un anello di guardia sul circuito stampato che grosso modo avvolge e racchiude tutta la zona del circuito del condizionamento dei segnali Vdc che qui di seguito è evidenziata in verde.
Dovrebbe servire a ridurre le correnti di perdita e i loro effetti negativi quando è selezionata una delle due portate più basse.
Quando è selezionata una delle due portate più basse, cioè quando la resistenza di ingresso dello strumento è di valore elevatissimo, qualsiasi corrente anche minima che dovesse scorrere tra la linea di segnale ed altri punti del circuito produrrebbe una tensione all'ingresso dell'amplificatore che falserebbe vistosamente la misura.
Con l'anello di guardia, che grazie all'inseguitore IC1b[8-15] è allo stesso potenziale della linea di segnale di ingresso, anche in presenza di resistenze di perdita, nessuna corrente potrebbe scorrere ed eventuali correnti di perdita verso altre parti esterne all'anello scorrerebbero solo tra quelle parti e l'anello, quindi senza effetti sulla misura.
Misura di resistenza
La misura di resistenza, in generale, può essere facilmente ricondotta ad una misura di tensione: basta misurare la tensione che cade sul resistore sotto test facendovi scorrere una corrente nota.
Come già detto i morsetti di ingresso da utilizzare per la misura di resistenza sono ancora gli stessi, quindi per effettuare questo tipo di misura il resistore va collegata tra i morsetti V+ [6-1] e LO [8-1].
Predisponendo lo strumento per la misura di resistenza, si chiude il contatto del relè RLC [5-2], quindi il morsetto di ingresso V+ [6-1] si connette con il circuito costituito da IC3 [3-3] e TR3 [2-2] che è una precisa sorgente di corrente: in questo modo la corrente di valore noto generata da TR3 [2-2] scorre nel resistore da misurare e genera su di esso una tensione proporzionale al valore della sua resistenza.
Il cambio di portata si realizza cambiando il valore della corrente generata ed è effettuato da RLD [2-4], TR9 [2-5]eTR4 [2-6] che, chiudendosi o aprendosi in sequenza la fanno aumentare o diminuire.
E' evidentissimo un errore fatto dal disegnatore... che forse all'epoca, dopo tante ore al tecnigrafo, ha fatto tilt...ma noi lo perdoniamo: gate e source di TR4 [2-6] risultano cortocircuitati.
La linea orizzontale che collega tra loro i source dei due JFET, invece di terminare verso destra con una connessione al gate di TR4, avrebbe dovuto continuare ancora verso destra e arrivare a connettersi alla linea +11V REF.
Il funzionamento del generatore di corrente è evidente: La serie R73, R74, R75, R15 è connessa verso destra alla tensione di riferimento di 11V e verso sinistra all'ingresso invertente dell'operazionale; l'ingresso non invertente dell'operazionale è invece connesso alla tensione di riferimento di 10V, quindi l'uscita dell'operazionale comanda il gate di TR9 in modo che sulla serie dei resistori cada la differenza tra le due tensioni di riferimento, cioè 1V.
Il valore della corrente emessa dal MOSFET è dato quindi dal rapporto tra il valore di quella tensione (1V) e il valore della resistenza complessiva della serie dei resistori che dipende a sua volta dallo stato degli interruttori.
Da notare che qui, nel circuito di comando dei JFET, non è stata presa alcuna precauzione in quanto, essendo i source connessi al riferimento 11V, la corrente nel resistore di polarizzazione del gate non comporta alcun errore.
Da notare inoltre che anche qui c'è un anello di guardia o qualcosa di simile, quello in viola qui sotto, che ha lo scopo di ridurre gli effetti indesiderati dovuti ad eventuali correnti di perdita tra le parti ad alta resistenza e zone del circuito a potenziale molto diverso.
L'anello, o quello che è, è connesso alla tensione di riferimento di 10V e al case dell'operazionale, avvolge la serie dei resistori e il circuito di ingresso del MOSFET, praticamente riduce ad 1V la massima tensione tra i punti sensibili ed elimina ogni possibile corrente di perdita tra i punti sensibili e punti esterni all'anello.
La corrente emessa da questo circuito quindi, attraverso R4 R5 e RLC raggiunge il morsetto V+ [6-1] e il resistore sotto test richiudendosi sul morsetto LO [8-1].
La tensione che cade ai capi del resistore sotto test è ovviamente proporzionale al suo valore ed è misurata dal voltmetro.
Misura di resistenza a 4 fili
Per la misura di resistenze di basso valore, come è noto, la resistenza parassita dei puntali che è vista dallo strumento in serie con quella da misurare, introduce un errore che può essere eliminato utilizzando 4 cavi di collegamento al resistore da testare invece che 2.
La corrente viene portata al resistore con due cavi separati da quelli di misura della tensione, in questo modo non scorre più alcuna corrente nei cavi di misura della tensione che sono quelli sensibili al problema.
In questo strumento si utilizzano i morsetti I+[4-1] e I-[11-1] attraverso i quali, con l'aggiunta di due cavi di collegamento ausiliari, è possibile far giungere la corrente al resistore sotto test per un'altra via, cioè senza coinvolgere i cavi di misura e quindi senza generare cadute di tensione sulla loro resistenza parassita.
Ma non va trascurato un dettaglio: il cavo collegato a I- non può connettersi al riferimento dentro allo strumento, altrimenti la corrente di ritorno continuerebbe in parte ancora a scorrere anche attraverso il cavo di misura collegato al morsetto LO.
Occorre quindi che internamente allo strumento tra i due morsetti I- e LO non vi sia bassa resistenza e a questo scopo nel circuito compare il resistore R55 [11-2] che, non a caso, ha lo stesso valore di R5[4-2] ed inoltre occorre che la caduta su R55 sia uguale a quella su R5, perché solo così si annulla la corrente nel cavo di misura connesso a LO.
A rendere uguali le cadute di tensione su R55 e R5 provvedono R7 [11-3], R27 [11-12] e R56 [11-13] in serie tra loro e connesse a sinistra al morsetto I- e a destra al riferimento -3V [11-13].
Il resistore R56 è inoltre connesso in parallelo all'interruttore D3-S3 di IC2 [8-13] e la serie R27-R56 è connessa in parallelo all'interruttore D4-S4 di IC2 [8-13].
Faccio notare che la seguente relazione tra i valori dei resistori e delle tensioni che sono in ballo nella zona dove ci troviamo ora non è casuale e che manifesta una simmetria nascosta del circuito rispetto al riferimento: si tratta infatti di un ponte all'equilibrio.
Forse ridisegnato come in fig.2 è più evidente.
Misura di corrente continua
Nella misura di corrente si utilizzano i morsetti A+[7-1] e LO[8-1] in parallelo ai quali, dentro allo strumento, c'è R3 [8-3] il cui valore è pari a 0.1ohm.
La misura di corrente si riduce quindi ad una misura di tensione, quella che cade ai capi di R3.
La tensione che cade ai capi di R3, che da un lato è connessa al riferimento, giunge senza alcuna partizione all'amplificatore di ingresso del convertitore AD tramite l'interruttore D4-S4 contenuto in IC5[9-9] e il JFET TR6 [7-9]
Il guadagno dell'amplificatore di ingresso del convertitore AD per questa misura è impostato a 10, per cui il valore visualizzato dal display corrisponde al valore di corrente che scorre in R3.
Misura di tensione alternata
La tensione alternata ai morsetti V+ [6-1] e LO [8-1] superato il contatto del relè RLA [5-5] che durante la misura di tensione alternata è sempre chiuso, può raggiungere direttamente l'ingresso dell'amplificatore IC15[3-19] se i contatti dei relè RLE [3-9] e RLF [3-11] sono chiusi, oppure può raggiungerlo attraverso il partitore formato da R10, R11A e R11B [4-9] se i contatti dei relè RLE [3-9] e RLF [3-11]sono aperti e se è chiuso TR1[4-17]oppure TR2 [5-17] e D2-S2 di IC18 [4-15], a seconda della portata scelta.
L'amplificatore IC15 [3-19] può assumere guadagni di valore 1 o 10, similmente a quello di ingresso del convertitore AD ma con la differenza che il partitore di controreazione R21B, R21A [5-21] è accoppiato all'ingresso invertente solo peri segnali alternati: l'accoppiamento è ottenuto grazie a C29 [5-20] la cui capacità vale 3.3uF.
TR1 e TR2 sono dei MOSFET e non so spiegarmi il motivo per cui in questa zona abbiano utilizzato dei MOSFET per gli interruttore e non dei JFET come hanno fatto altrove o viceversa, che avrebbe semplificato qualcosa..
L'uscita dell'amplificatore è connessa con l'ingresso di IC21 pin 13 [2-22] che è un convertitore da RMS a DC utilizzato proprio come da datasheet, senza alcuna particolarità.
L'uscita di IC21 pin 6 torna verso IC5 pin2 [8-9] dove l'interruttore D1-S1 insieme a TR6 stabiliscono il collegamento verso l'amplificatore di ingresso del convertitore AD.
Vale la pena notare una stranezza: quando TR12 [5-20] si chiude cortocircuita C29 e TR12 si chiude quando il segnale in ingresso al convertitore AD è troppo ampio e sfora i limiti e proprio a questo scopo c'è TR11 che lo comanda.
Appare evidente che, se non vi fosse stato questo strano meccanismo, non vi sarebbe stata ragione della presenza di TR11 e al suo posto sarebbe bastato un diodo.
A cosa serva tutto questo a me è poco chiaro, però posso azzardare una ipotesi che mi pare possa avere senso ma c'è da chiedersi anzitutto come si giustifica la presenza di C29,
L'amplificatore IC15 [3-19] avrebbe funzionato ugualmente anche senza C29, però, a pensarci bene, con un'unica differenza: se l'accoppiamento del partitore fosse stato in continua, l'offset in uscita sarebbe dipeso dal guadagno ed evidentemente avrebbe generato un errore dipendente dalla portata scelta, che quelli di Schlumberger avranno voluto evitare.
Poi evidentemente, per mantenere il guadagno inalterato fino a frequenze molto basse, hanno scelto un valore relativamente grande per C29 che infatti con R72 dà una costante di tempo di ben 3.3s
Evidentemente, con una costante di tempo così grande, se non vi fosse stato questo meccanismo di scarica rapida del condensatore, sarebbe potuto capitare che, in certe condizioni, ad esempio all'accensione per causa dei transitori, oppure per errori di impostazione delle portate, quel condensatore sarebbe potuto arrivare a caricarsi ben oltre i limiti e che poi, prima che la tensione fosse rientrata nei limiti si sarebbe dovuto aspettare un secolo.
Il fatto che quel meccanismo sia comandato da TR11, quindi che sia sensibile solo a sovratensioni positive in ingresso al convertitore AD, avvalora l'ipotesi fatta: di mezzo c'è il convertitore da RMS a DC che genera solo tensioni positive.
Misura di corrente alternata
Come accade con la misura di corrente continua, anche per misurare la corrente alternata viene in effetti misurata la caduta di tensione sul resistore R3 il cui valore di resistenza è pari a 0.1ohm ma qui l'interruttore D4-S4 di IC5 [9-9], che per la misura di corrente continua abbiamo visto essere chiuso, ora è aperto e la tensione alternata, attraverso C8[6-10], attraverso D1-S1 di IC18 [4-15] e ancora attraverso TR2 [5-18], giunge all'ingresso dell'amplificatore di tensioni alternate IC15[3-19] e da lì in avanti, fino all'amplificatore di ingresso del convertitore AD, segue lo stesso percorso visto per la misura di tensione alternata.
Il guadagno dell'amplificatore di ingresso del convertitore AD, che per la misura di corrente continua abbiamo visto essere impostato a 10, per questa misura invece è impostato a 1, ma è impostato a 10 il guadagno dell'amplificatore per tensioni alternate IC15 [3-19] , per cui anche nella misura di corrente alternata il valore visualizzato dal display corrisponde al valore di corrente che scorre in R3.
Convertitore AD
Quanto visto finora, anche se variegato e anche se con qualche sorpresa, rientra comunque in un quadro di normale amministrazione senza nessuna grossa novità.
Quello che abbiamo di fronte adesso invece appare come qualcosa di veramente nuovo o almeno a me così è apparso ma una conferma arriva anche da una piccola indagine fatta, sembrerebbe proprio non appartenere a nessuna delle tipologie note, pare non sia menzionato sui sacri testi, come se fosse nato e morto dentro a questo strumento ormai passato di moda, senza che nessuno se ne sia mai accorto.
E' un circuito di una semplicità sconcertante ma, al tempo stesso, dal funzionamento complicato e poco intuitivo che però, una volta compreso, lascia intravvedere tutta la forza che nasconde.
E' essenziale, intrinsecamente preciso, tanto semplice quanto poco comprensibile, insomma davvero geniale.
Converte la tensione continua di ingresso in un segnale PWM e la frequenza dell'onda quadra è forzata da quella di un clock esterno:"Nulla di nuovo!" obbietterà qualcuno, ma qui il bello è che la precisione non dipende dal valore dei condensatori, come invece sarebbe accaduto con qualsiasi altro circuito che avesse fatto la stessa cosa, almeno con quelli che conosco io.
Prima di andare ad analizzarlo nel circuito del multimetro dove si mimetizza bene nella complessità circuitale, per comprenderne il funzionamento, conviene ridisegnarlo in una forma più essenziale.
Come si vede in fig. 3 tutto orbita intorno ad un integratore, un comparatore e tre deviatori.
Nel disegno i deviatori sono rappresentati nella posizione che assumono quando il comando è a livello basso.
Il segnale di forzatura è un'onda quadra simmetrica a 300 Hz proveniente dalla logica e ottenuto per divisioni dal clock principale ad alta frequenza.
L'ampiezza del segnale di forzatura è rigenerata da S1 e portata ai livelli di +Vref, -Vref.
Questa rigenerazione dell'ampiezza in realtà non è essenziale, la precisione della conversione non dipende affatto da quell'ampiezza, è invece essenziale che il segnale non contenga rumore.
Il segnale di forzatura contiene senz'altro del rumore sovrapposto derivante dalle commutazioni a frequenze più alte indotto dai circuiti contatori da cui proviene, questo perché il riferimento dei circuiti di logica, che per forza di cose è distante dal riferimento del convertitore AD, riceve le correnti impulsive di ritorno dai circuiti dei contatori.
La rigenerazione tramite gli interruttori è efficace soprattutto perché, oltre all'ampiezza, rigenera anche il riferimento che diventa quello del convertitore AD.
Questi aspetti della questione lasciano intendere quali e quante precauzioni Schlumberger avrà dovuto prendere nella cura dei cablaggi e soprattutto nella scelta dei punti di connessione al riferimento dei vari componenti del convertitore e dei circuiti che generano le tensioni di riferimento, nonché delle schermature e degli anelli di guardia in questa zona del circuito.
Basti guardare ad esempio sullo schema originale come è disegnato il collegamento al riferimento del pin 3 di IC4 [15-14]: non c'è scritto che è connesso al riferimento, c'è scritto invece che è connesso al pin 3 di IC8[10-20], ma IC8 è l'integratore e il suo pin3, guarda caso, è connesso al riferimento...
Tornando al nostro schema di principio del convertitore AD notiamo subito la presenza di C1 in serie al segnale di clock: serve ad annullare completamente qualsiasi componente continua che dovesse essere contenuta nel segnale, ad esempio a causa di una non perfetta uguaglianza tra i valori assoluti di +Vref e -Vref, o di una non perfetta simmetria dell'onda quadra o di una non perfetta uguaglianza tra le resistenze interne dei due contatti di S1.
Grazie a C1, quindi, nessuna imprecisione del segnale di clock può influire sulla precisione finale.
Come è noto, un integratore realizzato con un amplificatore operazionale non avrebbe modo di funzionare senza un meccanismo di retroazione in aggiunta al condensatore, questo perché per le componenti continue, dove la capacità non dà effetti, sarebbe un amplificatore con grande guadagno ad anello aperto, quindi con l'uscita che di certo deriverebbe verso la saturazione con un verso imprevedibile, così come sarebbe imprevedibile il verso di caduta di una sedia in equilibrio su due zampe.
Dipende da quale parte pendono le imprecisioni che nella sedia sono le correnti d'aria, le asperità del pavimento ecc. e che nell'integratore sono la tensione di offset, la eventuale componente continua che dovesse provenire dall'esterno verso l'ingresso non invertente, la asimmetria della corrente di bias, le correnti di perdita ecc.
Consideriamo il nostro circuito di principio in una forma ridotta.
Immaginiamo di togliere R2 e R3 lasciando R1 al suo posto come rappresentato in Fig. 4: così solo la corrente ad onda quadra proveniente dal clock tramite R1 e C1, che supponiamo di impedenza piccola rispetto a R1, agirebbe in ingresso e, trattandosi di un integratore puro, produrrebbe in uscita un segnale ad onda triangolare che, per quanto detto sopra, sarebbe centrato sullo 0V solo inizialmente e che lentamente e imprevedibilmente si sposterebbe verso valori positivi o negativi con una certa velocità anch'essa difficilmente prevedibile.
Solitamente la retroazione si fa con un resistore di opportuno valore messo tra uscita e ingresso invertente ma qui non tornerebbe utile ai nostri scopi.
Cerchiamo ora di vedere cosa capita rimettendo R2 al suo posto come in fig. 5.
Il resistore R2 commutato alternativamente tra +Vref e -Vref dall'uscita del comparatore che guarda la tensione di uscita dell'integratore, si comporta a tutti gli effetti come un meccanismo di retroazione.
Lo scopo di S2 è quello di rigenerare i livelli del segnale di uscita del comparatore che qui è importante che siano pari a +Vref e -Vref con precisione estrema.
Affinché il circuito possa funzionare in questo nuovo assetto c'è però una condizione da rispettare che riguarda valori di R1 e R2: occorre che il valore di R2 sia maggiore di quello di R1.
E' evidente che, se questa condizione è rispettata, il verso della corrente in ingresso all'integratore, quindi il verso della rampa in uscita, dipende solo da quale parte è posizionato S1 e non da quale parte è posizionato S2, cioè:
1) Se S1 è commutato verso +Vref allora la rampa in uscita dall'integratore è in discesa verso valori negativi indipendentemente dalla posizione di S2 che, se è anch'esso commutato verso +Vref, ne aumenta la pendenza, viceversa, se è commutato verso -Vref, la riduce.
2) Se S1 è commutato verso -Vref allora la rampa in uscita dall'integratore è in salita verso valori positivi indipendentemente dalla posizione di S2 che, se è anch'esso commutato verso -Vref, ne aumenta la pendenza, viceversa, se è commutato verso +Vref, la riduce.
Si deduce facilmente che la condizione imposta ai valori di R1 e R2 ci garantisce che all'uscita dell'integratore, dopo l'aggiunta di R2, sia presente come prima un segnale periodico con la stessa frequenza di quello di clock ma, ovviamente, non più triangolare perché ogni volta che il comparatore commuta le rampe cambiano pendenza.
Il resistore R2, il comparatore e il commutatore S2, formano a tutti gli effetti un meccanismo di retroazione stabilizzante che elimina la deriva del segnale di uscita e che lo tiene centrato intorno allo 0V.
Questo fatto si comprende facilmente guardando cosa capiterebbe se il segnale di uscita derivasse.
In condizioni di segnale di uscita dall'integratore centrato rispetto 0V, la forma d'onda dopo l'aggiunta di R2 non è più triangolare ma è comunque simmetrica, quindi il segnale di uscita dal comparatore che comanda S2 continua ad essere un'onda quadra perfettamente simmetrica, questo significa che in queste condizioni la corrente media che nell'arco di tempo di un periodo entra nell'ingresso dell'integratore ad opera di R2 è nulla.
Cerchiamo ora di vedere cosa capiterebbe se la tensione di uscita derivasse ad esempio verso valori positivi.
Come è mostrato in fig. 6 capiterebbe che l'onda quadra all'uscita del comparatore non sarebbe più simmetrica: la durata delle semionde positive diverrebbe minore della durata di quelle negative, quindi il tempo di permanenza di S2 verso -Vref diverrebbe inferiore al tempo di permanenza verso +Vref, perciò la corrente media che da R2 va verso l'ingresso dell'integratore non sarebbe più nulla ma diverrebbe positiva.
Una corrente media positiva in ingresso all'integratore provocherebbe però una discesa della tensione di uscita, quindi l'effetto si contrapporrebbe alla causa che l'ha generato, pertanto questo, a tutti gli effetti, è un meccanismo di controreazione.
Rimettiamo ora anche R3 al suo posto.
R3 ci permette di applicare una tensione continua, quindi di far giungere una corrente ad essa proporzionale all'ingresso invertente.
Con l'aggiunta di R3 la condizione tra i valori di R1 e R2 va rivista perché bisogna tener conto anche di R3, dobbiamo cioè ancora garantire che il verso della rampa, in tutte le condizioni, per qualsiasi corrente proveniente da R3, sia dipendente solo dalla posizione di S1, non da quella di S2 e ora nemmeno dal valore della corrente proveniente da R3.
Dobbiamo quindi garantire che il massimo valore che può assumere la somma delle correnti in R2 e R3 sia inferiore alla corrente in R1
Abbiamo bisogno anzitutto di stabilire un valore massimo per la tensione di ingresso che applichiamo ad R3 che chiamiamo Vinmax e di conseguenza
Quindi
Significa che il valore del parallelo tra R2 e la resistenza equivalente a R3 Vref/VINmax deve essere maggiore di quello di R1.
Applichiamo ora una tensione continua Vi in ingresso: una corrente continua inizia a scorrere in R3 verso l'integratore.
Questa corrente fa derivare la tensione di uscita che, se non fosse presente R2, continuerebbe a derivare fino alla saturazione.
Con R2 presente invece la deriva ad un certo punto smette e il circuito trova un nuovo equilibrio senza saturare, questo perché il meccanismo di retroazione visto prima interviene.
E' facile vedere che se la tensione di uscita, nonostante la corrente continua che transita in ingresso attraverso R3, smette di derivare, allora la corrente media totale entrante nell'integratore è nulla e che lo è con grande precisione, quindi che la corrente media del segnale che transita verso l'ingresso dell'integratore attraverso R2 è sicuramente di valore uguale e opposto a quello della corrente continua in R3, con grande precisione.
Questo significa che l'onda quadra in uscita dal comparatore è un segnale PWM il cui rapporto tra la larghezza dell'impulso e il periodo è proporzionale alla corrente in R3, quindi alla tensione di ingresso, ancora con grande precisione.
I diagrammi in figura si riferiscono a tre diversi valori della tensione di ingresso Vin: verde con tensione di ingresso positiva, rosso con tensione di ingresso nulla e blu con tensione di ingresso negativa.
Da quanto detto appare evidente che il rapporto tra la larghezza dell'impulso e il periodo del segnale PWM in uscita dal comparatore dipende solo dai valori delle tensioni di riferimento, da quello della tensione di ingresso, da quello di R2 e da quello di R3, mentre invece non dipende affatto da quello di entrambi i condensatori e di R1, né dall'ampiezza e né dalla forma eventualmente imprecisa dell'onda quadra del segnale di clock.
In particolare il valore del condensatore C1, che in prima battuta abbiamo supposto essere alto, in realtà, se non lo fosse, non influirebbe sulla precisione ma solo sulla forma d'onda del segnale in uscita dall'integratore: le rampe si incurverebbero ma il segnale PWM in uscita dal comparatore non sarebbe affatto diverso.
Non avrebbe alcun effetto sul segnale PWM neanche l'eventuale tensione di offset in ingresso al comparatore che se ci fosse, essendo all'interno dell'anello, verrebbe rincorsa e completamente compensata dal segnale di uscita dall'integratore.
I valori dei condensatori e di R1 comunque non possono essere scelti a caso, vanno invece scelti opportunamente perché, anche se non hanno effetti sulla precisione, da essi comunque dipende l'ampiezza del segnale all'uscita dell'integratore, ampiezza che non deve superare certi limiti altrimenti l'integratore saturerebbe e che non deve essere troppo piccola altrimenti l'incertezza di commutazione del comparatore diverrebbe apprezzabile e probabilmente le cifre meno significative del display ballerebbero.
Una volta disponibile un segnale PWM estremamente preciso il gioco è fatto..o quasi: come già accennato, per generare il valore a display basta eseguire misure di durata degli impulsi mediante un clock ad alta frequenza e dei contatori.
Ora andiamo a ritrovare quanto detto fin qui nello schema dello strumento in questione.
Lo schema originale in questa zona è davvero poco leggibile e ho provveduto a ridisegnarlo in fig. 8 organizzandolo in modo che ci si possa ragionare meglio.
Va detto subito che nello schema originale del convertitore a me pare ci sia un errore madornale che ho riportato anche in questo di fig. 8 senza correggerlo: a meno di un abbaglio da parte mia, nel qual caso tutto quello che ho raccontato fin qui sarebbe un mare di frottole, nello schema mi pare ci sia una reazione positiva.
Evidentemente il nostro amico al tecnigrafo deve aver invertito i piedini 10 e 14 di IC11, oppure i piedini 1 e 14 di IC16 oppure i piedini 9 e 6 di IC16... sarebbe bello poter verificare ma occorrerebbe disporre dello strumento.
Qui in fig. 8, diversamente che nel precedente schema di principio di fig. 3, i comparatori sono due, lavorano con soglie leggermente diverse e ciascuno con una piccola isteresi di circa 50mV, di conseguenza le due onde quadre all'uscita dovrebbero non essere identiche, ossia non con i fronti perfettamente sovrapposti.
Ma la differenza più evidente rispetto allo schema di fig. 3 è la presenza dei due shift register a due bit inseriti tra l'uscita dei comparatori e il comando del commutatore IC16 che nello schema di principio era S2.
Da qui in poi quello che scriverò è una mia interpretazione del funzionamento non più a braccio ma proprio a ruota libera, quindi non va presa per oro colato.
i dati di ingresso agli shift register sono i segnali non perfettamente coincidenti di uscita dei due comparatori che in prima battuta possiamo invece considerare come se lo fossero.
Il fatto che i fronti siano leggermente asincroni non mi pare porti conseguenze sulla precisione, credo abbiano utilizzato due comparatori solo per riuscire a generare il breve impulso per il conteggio.
il clock che fa spostare i dati in avanti negli shift register è quello del processore, quindi ad alta frequenza che mi pare sia 1.2288MHz, ed essendo gli shift register a 2 bit, la commutazione degli interruttori interni a IC16 dovrebbe avvenire con un ritardo pari a due cicli del segnale di clock del processore.
Se il conteggio per generare il valore a display venisse eseguito ad ogni ciclo del segnale PWM, cioè 300 volte al secondo, il circuito dei contatori risulterebbe semplice e lo shift register non servirebbe, ma per raggiungere la risoluzione di 1/1.999.999, cioè per incrementare il contatore di 1.999.999 impulsi 300 volte al secondo, occorrerebbe incrementarlo con una velocità superiore a 1GHz.
Per ovviare a questo, cioè per riuscire a farlo con una velocità inferiore, mi pare di capire che, invece di contare tutto entro un ciclo del segnale PWM, abbiano scelto di cumulare il valore contato ad ogni ciclo per un certo numero di cicli.
Questo però porterebbe una riduzione della risoluzione perché ad ogni ciclo del segnale PWM i decimali andrebbero persi, invece con quegli shift register inseriti tra i comparatori e il comando degli interruttori interni a IC16 mi pare vengano recuperati.
Con la presenza degli shift register, essendo questi comandati dal clock ad alta frequenza, il tempo di durata dell'impulso di commutazione degli interruttori interni a IC16 dovrebbe non essere più perfettamente sincrono con quello di uscita dei comparatori ma diventerebbe un multiplo intero approssimato per eccesso del tempo di ciclo del segnale di clock ad alta frequenza, costringendo così il convertitore ad un piccolo errore in eccesso.
Questo piccolo allungamento dell'impulso genererebbe ai capi del condensatore dell'integratore un piccolo incremento della tensione corrispondente ai decimali che altrimenti andrebbero persi, che ad ogni ciclo si accumulerebbe fino a quando, dopo un certo numero di cicli, raggiungerebbe un valore sufficientemente alto da far scattare un bit, così il conteggio varierebbe di una unità in difetto recuperando l'errore, poi tornerebbe di nuovo in eccesso e così via.
Questo meccanismo, se lo shift register fosse ad un solo bit, provocherebbe il pendolamento di una unità della cifra meno significativa del display, siccome invece è a due bit, il pendolamento dovrebbe essere di mezza unità, quindi mascherato: ecco spiegato perché lo shift register è a 2 bit...chissà se è proprio così?
Correzione automatica della deriva
il convertitore AD è però affetto da un errore di zero principalmente a causa delle tensioni di offset degli operazionali utilizzati nell'integratore e nell'amplificatore di ingresso del convertitore AD, ma anche altre piccole tensioni di errore si generano per effetti temici e si aggiungono a quella di offset.
La tensione di errore risultante, sfortunatamente, non è costante, altrimenti sarebbe stato semplice compensarla una volta per tutte, invece varia lentamente nel tempo e produce un effetto di deriva del valore misurato per cui, se nessun provvedimento venisse attuato, il valore mostrato dal display con tensione nulla in ingresso non sarebbe costantemente zero ma varierebbe intorno al valore zero lentamente nel tempo.
Il meccanismo di correzione automatica della deriva, tramite lo spegnimento di TR5 [6-7] e l'accensione di TR6 [7-8] e di D2-S2 di IC5 [8-9], provvede ad isolare l'ingresso dell'amplificatore del convertitore AD dai circuiti di condizionamento e a connetterlo al riferimento per un breve tempo, in modo da assicurare durante questo tempo una tensione nulla all'amplificatore.
Il valore letto dallo strumento in quel breve tempo corrisponde all'errore e il software provvede a memorizzarlo.
Ogni 10 secondi la manovra viene automaticamente ripetuta e quindi il valore dell'errore memorizzato è sempre aggiornato agli ultimi 10 secondi.
Il valore mostrato a display è costantemente pari alla differenza tra il valore letto realmente e l'errore in memoria.
Tensioni di riferimento
Per concludere torniamo un attimo alle cose semplici e diamo uno sguardo a quella importante zona del circuito dove vengono generate le tensioni di riferimento.
Le quattro tensioni di riferimento +11V, +10V, +3.1V e -3.1V vengono generate da IC4 [15-14], IC6a [15-16] e IC6b [13-16]
Derivano tutte da un'unica tensione, quella ai capi del diodo zener D20 [16-15] che ha un valore di 6.2V.
La tensione ai capi di D20 è perfettamente bilanciata rispetto al riferimento, cioè il catodo di D20 si trova perfettamente a +3.1V rispetto al riferimento e l'anodo si trova a - 3.1V rispetto al riferimento.
Questo bilanciamento è ottenuto ad opera di IC4 che ha il partitore di controreazione dimensionato con resistori di identico valore e con un piccolo trimmer da 200 ohm da un lato per la calibrazione.
Le due tensioni di riferimento di +3.1V e -3.1V derivanti da questo bilanciamento sono quelle utilizzate nel convertitore AD e un eventuale sbilanciamento produrrebbe un errore "a sommare", quindi una tensione di offset nel convertitore e perciò poco importante perché mascherato dal meccanismo automatico di correzione della deriva, mentre un errore nel valore somma delle due tensioni di riferimento, che è quello della tensione ai capi dello zener (6.2V), produrrebbe un errore "a moltiplicare", quindi una vera perdita di taratura dello strumento.
E'quindi necessario che il diodo zener produca una tensione precisa e con una bassa deriva termica e allo scopo è stato scelto il modello 1N829A che ha queste caratteristiche.
IC6a è un inseguitore utilizzato come buffer per il riferimento di +3V1REF, quindi offre bassa impedenza al carico, IC6b invece è utilizzato come amplificatore per generare le altre due tensioni di riferimento di +11VREF e di +10VREF.
IC6b vede in ingresso direttamente la tensione di 6.2V che cade ai capi di D20 e i resistori R14, R57 e R16 conferiscono il guadagno necessario.
Non è difficile risalire alle relazione tra i valori di questi resistori, la tensione ai capi del diodo zener D20 e le tensioni di riferimento generate da IC6b:
Le tensioni di riferimento di +11V e di +10V sono utilizzate solo nella sezione del generatore di corrente che abbiamo visto descrivendo la misura di resistenza.
La tensione di +11V alimenta il partitore resistivo [1-7] quella di +10V [3-4] l'ingresso non invertente di IC3 che è ad alta impedenza: questo spiega il motivo per cui non sia stato necessario utilizzare un buffer per la tensione di +10V, nonostante sia prodotta da un semplice partitore resistivo.
La tensioni di riferimento di +11V é fornita direttamente dall'uscita di IC6b [13-17] ma proprio in prossimità dell'uscita c'è una apparente stranezza: a cosa servono R53 [11-17] e D15 [13-17]?
Il resistore R53 [11-17] serve in parte ad alleviare le sofferenze di IC6b aiutandolo con un po' di corrente, dall'altra a far partire il circuito nella giusta direzione.
Se non vi fossero stati R53 [11-17] e D15 [13-17], tutta la corrente di alimentazione necessaria al diodo zener D20 sarebbe provenuta dall'uscita di IC6b e siccome il circuito, così come è fatto, non ha un solo punto di lavoro ma ne ha 2, all'accensione sarebbe potuto capitare che IC6b, invece di far salire la tensione di uscita verso valori positivi fino a raggiungere +11V, avrebbe potuto sbagliare strada andando in direzione opposta verso valori negativi e strada facendo avrebbe trovato il secondo punto di lavoro dove si sarebbe fermato, a conti fatti, a circa -1V e di conseguenza anche tutte le altre tensioni di riferimento sarebbero state di valore sballato, nonché di segno opposto, : -0.3V al poso di +3.1V, +0.3V al posto di -3.1V e -0.97V al posto di +10V
Il secondo punto di stabilità del circuito è quello con il diodo zener D20 polarizzato al contrario, quindi con una caduta diretta di circa 0.6V e i valori anomali scritti sopra si ottengono dalle le stesse relazioni precedenti con il valore di VD20 di -0.6V invece di +6.2V.
Per questo quelli di Schlumberger, che evidentemente non erano degli sprovveduti, hanno aggiunto anzitutto D15 che non permette all'uscita di avere effetti sul resto dei circuiti quando è a tensione negativa, poi hanno aggiunto R53 che all'accensione, fornendo una corrente iniziale che polarizza correttamente lo zener, forza IC6b verso la giusta direzione.
la struttura di questo circuito, che a prima vista appare insolita, ha un solo punto di collegamento al riferimento: quello del pin 3 di IC4 [16-14] di cui abbiamo già discusso in parte.
Al pin 3 di IC4 sono agganciate tutte le tensioni generate: se la tensione al pin 3 di IC4 variasse, tutte le altre la inseguirebbero mantenendo fissa la distanza da essa.
Il pin 3 di IC4 è l'ingresso non invertente dell'operazionale e quindi è ad alta impedenza: vuol dire che nel collegamento tra il pin 3 e il riferimento scorre una corrente molto bassa, in pratica la sola corrente di bias che per l'OP5 è inferiore ad 1nA e questo consente di poter utilizzare per questo collegamento anche un percorso relativamente lungo senza che le cadute di tensione ai suoi capi diventino apprezzabili; cadute di tensione che, se fossero state apprezzabili, si sarebbero ritrovate sommate alle tensioni di riferimento che invece occorre che siano estremamente precise.
Una analisi del convertitore AD (di Pietro Baima)
In questo thread Bruno proponeva di usare il convertitore AD di questo voltmetro come circuito adatto per modificare la frequenza di un segnale PWM, conservandone intatto il duty cycle.
Questo era il circuito proposto:
In pratica si tratta del circuito del convertitore AD, utilizzato in modo estramemente astuto. Purtroppo il circuito proposto da Bruno è complessivamente non lineare, tempo variante, dinamico (!) In pratica si tratta di una piccola sfida di analisi circuitale.
Per analizzarlo è possibile effettuare il seguente ragionamento.
E' possibile estrarre dal circuito una parte LTI: l'integratore, a cui è possibile affidare la tempo varianza introducendo dei generatori, come dal seguente schema:
I generatori hanno quel particolare valore di tensione di ingresso per simulare i deviatori. A questo punto è possibile assegnare tre bit che rappresentano il clock, lo stato del comparatore, il PWM di ingresso. (0= deviatore in alto, 1= deviatore in basso).
C rappresenta il clock Q rappresenta lo stato del comparatore di uscita P rappresenta il PWM di ingresso
Essendo il sistema LTI è possibile L-trasformare la rete e cercare una sua funzione di trasferimento.
Riscrivendo meglio la funzione di trasferimento e considerando la prima ipotesi data da Bruno (C1>>C2), è possibile arrivare a scrivere la seguente:
Si può quindi scrivere una specie di tavola della verità:
Dalla quale si vede, come aveva ovviamente predetto correttamente Bruno, che il clock ruota la fase della funzione di trasferimento e R2>2R1 è una scelta del progettista per fare in modo che la resistenza equivalente non diventi arbitrariamente grande (R2=2R1) o negativa (R2<2R1) e la pendenza della retta in uscita dall'integratore sia variabile in funzione dei vari stati.
Conclusione
L'esplorazione è terminata, per altri dettagli i manuali del multimetro sono reperibili in rete.
Spero di essere riuscito a non raccontare troppe fesserie, nel qual caso sarei molto grato a chi volesse farmele notare, e inoltre spero vivamente anche di essere riuscito in qualche modo ad aiutare chi sta cercando di prendere dimestichezza con l'elettronica circuitale e ad infondere un po' di passione, visto che per star dietro all'elettronica ne occorre davvero tanta, e di non aver annoiato con cose che possono interessare solo a pochi.
Ci tenevo a far conoscere questo affascinante circuito passato in sordina, mi riferisco al convertitore AD, più che altro per rendere onore all'anonimo genio che lo ha concepito, che potrebbe essere stato un tecnico di Schlumberger.
Non è escluso che in un futuro, direi piuttosto remoto, questo articolo possa avere un seguito: mi sono ripromesso di provare a costruire un voltmetro digitale "casereccio" equipaggiato con un convertitore AD di questo tipo ma realizzato con componenti più moderni, per verificare fin dove si riesca ad arrivare con la risoluzione.
Ringrazio Pietro per il suo prezioso contributo e IsidoroKZ per i suoi consigli e per aver trovato un errore che mi era scappato in uno dei grafici.

Elettrotecnica e non solo (admin)
Un gatto tra gli elettroni (IsidoroKZ)
Esperienza e simulazioni (g.schgor)
Moleskine di un idraulico (RenzoDF)
Il Blog di ElectroYou (webmaster)
Idee microcontrollate (TardoFreak)
PICcoli grandi PICMicro (Paolino)
Il blog elettrico di carloc (carloc)
DirtEYblooog (dirtydeeds)
Di tutto... un po' (jordan20)
AK47 (lillo)
Esperienze elettroniche (marco438)
Telecomunicazioni musicali (clavicordo)
Automazione ed Elettronica (gustavo)
Direttive per la sicurezza (ErnestoCappelletti)
EYnfo dall'Alaska (mir)
Apriamo il quadro! (attilio)
H7-25 (asdf)
Passione Elettrica (massimob)
Elettroni a spasso (guidob)
Bloguerra (guerra)














