Indice |
Introduzione
Direi che anche se poco noto ai più -in effetti si studia solo a Pisa- questo teorema sia uno strumento tutto sommato semplice per lo studio rigoroso di sistemi reazionati.
In effetti la teoria classica della reazione fa parte del bagaglio di conoscenze di ogni studente, o per lo meno dovrebbe :( , e fornisce risultati che definirei intuitivi su molti aspetti del comportamento di un circuito così considerato ma si basa sull'ipotesi della unidirezionalità dei blocchi che lo costituiscono.
Invece è facile verificare che molto spesso anche il più semplice dei circuiti che si possa considerare non rispetta questa ipotesi ed i risultati delle varie approssimazioni che si possono fare sono piuttosto imprevedibili.
Il teorema di scomposizione ha come obbiettivo il rendere rigorosa un'analisi che tuttavia continui a parlare la lingua nota della teoria della reazione.
Teorema di scomposizione
Vediamo allora come tagliare la nostra rete per aprire l'anello di reazione ma senza modificarne il comportamento, facendo cioè in modo che le reti prima e dopo il taglio siano equivalenti. Mi rifarò a Considerations on feedback theory in bibliografia che è liberamente scaricabile.
In realtà una nuova versione Improved feedback theory -anch'essa in bibliografia- è stata un po' generalizzata ma purtroppo non è liberamente scaricabile quindi mi atterrò alla prima che comunque è sostanzialmente uguale -e aggiungerei- forse anche più semplice come primo approccio.
Dopo lunga e tormentata riflessione ho deciso di mantenere il più possibile la notazione originale dell'autore e attenermi quindi alla schematizzazione con nodo di confronto "somma" anche se il più comununemente usato confronto "differenza" avrebbe il pregio di evidenziare più intuitivamente la presenza di una reazione negativa; se avessimo reazione positiva usciremmo ben presto dalla linearità vanificando qualsiasi analisi fatta nell'approssimazione di rete lineare. D'altra parte niente cambia nella sostanza, un "segno meno" ci vuole, in questo caso lo mettiamo al guadagno della catena diretta o al coefficiente di reazione, altrimenti sarebbe sul nodo confronto.
Inoltre, e per lo stesso motivo, indicherò con i caratteri maiuscoli le grandezze che andremo a considerare rappresentando con questo indifferentemente grandezze continue, fasori o nel dominio di s.
Prendiamo una generica rete lineare N
poi definiamo due coppie di nodi come ingresso Vs ed uscita Vu e poi consideriamo altri due nodi a piacere su cui eseguiremo il taglio, t e q con i relativi rami che ne dipartono nello schema di Fig. 1.
Ora preciserei che a piacere significa che abbiamo libertà di scelta, ma ovviamente alcune di queste scelte saranno sensate ed utili altre meno. Più avanti ci costruiremo gli strumenti che ci permettono di capire che cosa sia un taglio utile ed agire di conseguenza.
Andiamo ora a tagliare la rete per ottenere N'
Vediamo che abbiamo diviso in due il nodo q, alcuni dei rami che vi confluivano restano su q, altri vanno ora su q'. Anche in questo caso la scelta è a piacere ma valgono le stesse considerazioni di prima sull'utilità di una particolare scelta.
Abbiamo poi inserito una impedenza prova ZP ed un generatore prova VP. Per il momento considereremo i due generatori indipendenti.
Definiamo alcune funzioni di rete, ma prima introdurrei questo diagramma a blocchi
che per quanto incompleto rispetto quello che andremo a scrivere secondo me aiuta a capire il perchè di certe definizioni
Iniziamo con il primo gruppo, definito con VS disattivato:
quello che nella teoria classica reazione sarebbe il guadagno della catena diretta.
anche questo un classico, il fattore di reazione.
quì invece ci addentriamo più sul circuitale lasciando un attimo da parte la teoria classica, ovviamente rappresenta l'impedenza vista da VP con VS disattivato.
Passiamo poi a disattivare VP e definiamo
questa è invece una novità, rappresenta il leackage tra ingresso ed uscita con l'amplificatore A della catena diretta disattivato, direi che in un certo senso tiene di conto della non unidirezionalità del blocco β e del sommatore come definiti nella teoria classica della reazione.
quì invece consideriamo semplicemente quello che c'è tra l'ingresso della rete ed il nodo di confronto.
ed infine la non unidirezionalità dell'amplificatore A.
Ora guardando le Fig. 1 e 2 direi che la condizione necessaria all'equivalenza delle due reti sia
d'altra parte sovrapponendo gli effetti dei due generatori per le tensioni si può scrivere usando (5), (1) e (2)
che data in pasto alla (7) e risolta per VP ci da
Che è la condizione da rispettare per il generatore per avere l'equivalenza delle due reti.
Per le correnti invece sovrapponendo (6) e (3) si ha
che divisa per VP diventa
poi dalle (7) ed (8) si ha che
, inoltre il rapporto
è già noto dalla (9) quindi sostituendo si ha
che è la condizione da rispettare per ZP per avere le due reti equivalenti.
In queste condizioni il guadagno della rete nel suo complesso si può scrivere utilizzando (9), (1) e (4) come
Quello che abbiamo appena visto sono le condizioni necessarie all'equivalenza delle reti, saranno anche sufficienti?
In effetti scrivendo le matrici del metodo nodale sulle due reti -tensioni su ogni nodo rispetto ad esempio "t"- ci si accorge che l'equazione al nodo "q" della rete originale è uguale alla somma delle equazioni ai nodi "q" e "q' " di quella tagliata, inoltre usando (7) ed (8) si vede che tutte le altre equazioni non variano per cui le due reti sono governate dalla stessa matrice e quindi equivalenti.
Duale ed altre variazioni
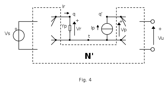
Rifacendosi alla rete originale N di Fig. 1 quando ci fosse più comodo è anche possibile eseguire il taglio in maniera duale: inserendo una ammettenza di prova YP ed un generatore di corrente IP come quì sotto in Fig. 4
tutto quello visto sopra non cambierà con le ovvie modifiche nelle funzioni di rete.
(questa è invariata)
si nota che pur cambiando anche dimensionalmente -e.g.
- le loro combinazioni sono ancora congrue -e.g. [βA] = 1 - e si arriva a due espressioni equivalenti a quelle già trovate:
mentre, visto dall'esterno non ci sono proprio variazioni e ritroviamo la (11)
Infine ci possiamo anche spingere oltre nelle variazioni sul tema e definire come ingresso ed uscita della rete una qualsiasi tensione o corrente a secondo di come ci è più comodo vedere la rete -e.g. amplificatore di corrente, a transresistenza o transconduttanza- e definire le funzioni di rete in queste ipotesi ottenendo ancora unità di misura diverse ma ancora congrue.
Cui prodest ?
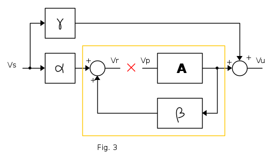
Analizziamo la (11) appena trovata, la riconosciamo simile alla classica espressione del guadagno di un sistema reazionato trattato con la teoria classica, con blocchi unidirezionali.
In effetti riprendendo il diagramma a blocchi di Fig. 3 -quì riportato per comodità- si nota che:
- i termini β e A sono appunto gli equivalenti degli omonimi, si dimostra che sono utilizzabili -al più con alcune blande ipotesi sulla posizione dei poli di α e γ - esattamente come gli omonimi, per calcolare guadagno di anello, stabilità. In pratica abbiamo mantenuto un approccio consolidato allo studio della reazione.
poi ci sono alcune correzioni:
- il fattore α può essere semplicemente visto come una pre-attenuazione del segnale, niente di strano ne difficoltoso da trattare direi.
- anche il termine γ , che rappresenta il leackage, tipicamente via rete di reazione, tra ingresso ed uscita nel caso di "guasto" della catena diretta ed è comunque normalmante semplice da trattare.
Ma il punto veramente importante appare un po' nascosto: una analisi approssimata si farebbe considerando l'impedenza vista all'uscita del nodo di confronto verso A valere Zi. Noi invece siamo giunti ad un'espressione - ZP - che considera anche gli effetti delle non unidirezionalità e ci da una soluzione esatta della rete.
Ora però non è che sia tutto oro...
Rivediamo la (10)
abbiamo che ZP dipende da tutte le altre funzioni di rete, ma -in generale- pare abbastanza ovvio che α , β , ρ, A a loro volta dipenderanno da ZP. Ci troviamo un bel problema, per nessuna di queste quantità riusciamo a scrivere un numero, solo espressioni, ovviamente è possibile scrivere un sistema di equazioni ed ottenere i risultati che ci servono ma, a parte la difficoltà di conti che lievitano velocemente, si perde l'immediatezza e la bassa entropia di questo metodo.
Soluzione: si deve scegliere un taglio tale che ρ = 0.
Questo è secondo me il vero risultato importante: ci viene dato un modo oggettivo per scegliere il taglio giusto che ci permette poi, insieme alle due semplici correzioni α e γ , di risolvere esattamente la rete mantenedo però la visione generale della teoria della reazione classica.
Per concludere questo parafgrafo vorrei solo notare che in generale il guadagno di anello non è una funzione unica della rete, tagli diversi potrebbero dare risultati diversi a conferma che in fondo la reazione non è una caratteristica della rete ma piuttosto un modo per leggerne il funzionamento.
Si potrebbe infatti studiarla anche senza conoscere nessuna teoria della reazione con un qualsiasi metodo di analisi delle reti lineari per giungere ovviamente agli stessi risultati.
Immettenze
Di tutte le possibili estensioni, corollari, quello che permette di calcolare le impedenze o ammettenze viste mi pare quello più utile ed interessante.
Per farlo in maniera diretta, semplice, si deve scegliere un taglio particolare, ci sono due possibiltà, nei documenti originali vengono divisi come calcolo dell'impedenza o dell'ammettenza viste ad una delle porte della rete. A mio parere sarebbe tuttavia più corretto dire che secondo della topologia della rete considerata -nella teoria classica si direbbe confronto serie o parallelo- si riesce ad applicare un metodo oppure l'altro.
Le stesse considerazioni si applicano anche al calcolo delle immettenze di uscita, si deve solo tagliare in modo opportuno, considerare il tipo di prelievo invece del confronto e -naturalmente- spostare il generatore di test sull'uscita.
In entrambi i casi si deve prestare attenzione al tipo di generatore che si utilizza -corrente o tensione- come è noto scegliendo quello sbagliato si va a modificare la rete cambiandone il comportamento -e.g. un generatore di tensione su un nodo di confronto parallelo uccide la reazione- ma questo non ha niente a che vedere con il teorema di scomposizione, è piuttosto un fatto comune a qualsiasi metodo di analisi della rete.
Impedenza
Colleghiamo un generatore di tensione di test VS e facciamo coincidere il nodo "q" con l'ingresso della rete e far poi confluire tutti gli altri rami -eccetto quindi il solo collegamento a VS- sul nodo "q' ".
ora in questa configurazione si ha IS = Ir e quindi
ma ricordando dalla (7) che VP = Vr ed usando la (9)
si arriva a
che avendo già calcolato le funzioni di rete è già una soluzione, ma si può fare anche di meglio, sempre nell'ottica di arrivare ad una trattazione rigorosa ma intuitiva, legata alla teoria classica.
Se rivediamo come è definito α in (5) si deve disattivare VP e trovare Vr in funzione di VS, si può pensare allo schema di Fig. 6
Se si chiama l'impedenza vista tra i nodi "t" e "k" -con VS aperto- Zt,k = Zb è immediato applicare la formula del partitore di tensione per trovare Vr e cioè
che sostituita nella (12) da
come dire:
l'impedenza di ingresso vista con la l'amplificatore di catena diretta disabilitato
viene "aumentata" di un fattore
in accordo con la trattazione classica.
Ammettenza
Dualmente a quanto appena fatto se possiamo far coincidere i nodi di ingresso "j" e "k" rispettivamente con "q" e "t" -stavolta la divisione dei rami tra "q" e "q' " è invece libera- e colleghiamo un generatore test di corrente IS
con passaggi del tutto analoghi si arriva ad esprimere l'ammettenza di ingresso come
poi si ha che in questo caso
dove si è applicato il partitore di corrente tra l'ammettenza
e
cioè quella vista tra "j" e "k" (o equivalentemente "q" e "t") con IP aperto e senza ovviamente considerare YP stesso.
Infine sostituendo si arriva a
ancora in accordo alla teoria classica, con il confronto in parallelo l'ammettenza di ingresso aumenta di un fattore
.
Parentele
In effetti non è che questo teorema sia l'unica via per trattare la reazione in modo rigoroso, anche il forse più noto Metodo di Rosenstark definisce un leakage tra ingresso ed uscita anche se poi utilizza invece un guadagno asintotico definito come quello che avrebbe la rete avrebbe se catena diretta tendesse ad amplificare infinitamente -un po' come con la virtual ground usata con gli opamp-.
Poi anche The dissection theorem e The general feedback theorem del compianto Middlebrook sono indubbiamente variazioni sullo stesso tema. Quì non si taglia niente ma invece si inserisce una nuova eccitazione della rete nella forma di un generatore indipendente, un po' come la VP del teorema di scomposizione.
Sarebbe interessante una cronologia per capire un po' come si è evoluta e diffusa questa "scuola di pensiero", tuttavia come spesso accade non è improbabile che ognuno sia andato per la sua strada ignorando completamente i lavori degli altri.
Conclusioni
E' un buon teorema? E' utile? Mah io non sono nella posizione adatta per rispondere in modo imparziale. Mi hanno allevato e cresciuto con questo teorema, a me pare semplice ed utile anche se il fatto che non sia studiato al di fuori di Pisa lascia un po' pensare.
Comunque dopo questa breve carrellata sugli aspetti principali seguirà una prova comparativa per chiarire praticamente, con degli esempi, l'utilizzo del teorema di scomposizione.
Bibliografia:
Considerations on feedback theory B. Pellegrini
Improved feedback theory B. Pellegrini
Feedback amplifiers principles S. Rosenstark

Elettrotecnica e non solo (admin)
Un gatto tra gli elettroni (IsidoroKZ)
Esperienza e simulazioni (g.schgor)
Moleskine di un idraulico (RenzoDF)
Il Blog di ElectroYou (webmaster)
Idee microcontrollate (TardoFreak)
PICcoli grandi PICMicro (Paolino)
Il blog elettrico di carloc (carloc)
DirtEYblooog (dirtydeeds)
Di tutto... un po' (jordan20)
AK47 (lillo)
Esperienze elettroniche (marco438)
Telecomunicazioni musicali (clavicordo)
Automazione ed Elettronica (gustavo)
Direttive per la sicurezza (ErnestoCappelletti)
EYnfo dall'Alaska (mir)
Apriamo il quadro! (attilio)
H7-25 (asdf)
Passione Elettrica (massimob)
Elettroni a spasso (guidob)
Bloguerra (guerra)






