Salve a tutti, ho un problema con la risoluzione di questo esercizio.
Vedendo che ci sono due generatori di tensione inizialmente pensavo di spegnerne prima uno e rimanere "acceso" l'altro e poi viceversa e applicando poi alla fine la sovrapposizione degli effetti....ma anche in questo caso vado in blocco a causa delle resistenze R2-R3-R4 e non so come procedere.
Qualcuno sa darmi un aiuto o dirmi se sto sbagliando tutto?
Grazie in anticipo.
Esercizio rete in corrente continua
Moderatori:
g.schgor,
IsidoroKZ
11 messaggi
• Pagina 1 di 2 • 1, 2
0
voti
Ultima modifica di
admin il 12 mag 2016, 19:34, modificato 2 volte in totale.
Motivazione: Rimoso link ad immagine su server esterno
Motivazione: Rimoso link ad immagine su server esterno
-

angelofde4th
20 3 - Messaggi: 23
- Iscritto il: 11 mag 2016, 10:24
0
voti
Le immagini postate tramite server esterni non sono gradite, come da regole del forum
Per quanto riguarda il tuo esercizio, l'immagine è troppo piccola per leggere bene i simboli dei componenti, ti conviene rifarlo con FidoCadJ
Per quanto riguarda il tuo esercizio, l'immagine è troppo piccola per leggere bene i simboli dei componenti, ti conviene rifarlo con FidoCadJ
1
voti
La sovrapposizione degli effetti va bene.
I generatori non sono di tensione, ma di corrente.
Quale sia il blocco che ti provocano le resistenze non è possibile capirlo.
---
Puoi anche trasformare in un generatore reale di tensione il parallelo di ciascun generatore di corrente con le due resistenze ottenendo questo semplice circuito
I generatori non sono di tensione, ma di corrente.
Quale sia il blocco che ti provocano le resistenze non è possibile capirlo.
---
Puoi anche trasformare in un generatore reale di tensione il parallelo di ciascun generatore di corrente con le due resistenze ottenendo questo semplice circuito
0
voti
@ Alev, scusa non ne ero a conoscenza
@Admin
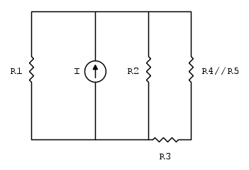
Allora, mettiamo il caso spenga il generatore di corrente J per applicare la sovrapposizione degli effetti.
Tenendo conto che R4 è parallelo a R5 e "tolto" il generatore J mi viene un circuito di questo genere (scusate è la prima volta che utilizzo fidocadJ):
Mi sembra di capire che le resistenze R2-R3 e R4//R5 siano a stella e da qui in poi mi blocco cioè non so più come procedere
grazie.
@Admin
Allora, mettiamo il caso spenga il generatore di corrente J per applicare la sovrapposizione degli effetti.
Tenendo conto che R4 è parallelo a R5 e "tolto" il generatore J mi viene un circuito di questo genere (scusate è la prima volta che utilizzo fidocadJ):
Mi sembra di capire che le resistenze R2-R3 e R4//R5 siano a stella e da qui in poi mi blocco cioè non so più come procedere
grazie.
-

angelofde4th
20 3 - Messaggi: 23
- Iscritto il: 11 mag 2016, 10:24
0
voti
Nello schema iniziale le tre resistenze R2, R3 ed R4 sono connesse a triangolo; se fai la conversione stella-triangolo secondo me ti dovrebbe riuscire molto più facile risolverlo.
Su internet o sui testi troverai le equazioni per la conversione stella-triangolo.
Su internet o sui testi troverai le equazioni per la conversione stella-triangolo.
-

harpefalcata
326 1 3 6 - Stabilizzato

- Messaggi: 422
- Iscritto il: 28 lug 2015, 21:03
0
voti
Scusate l' intromissione ma interessa anche me, si puo disegnare anche cosi se aiuta giusto?
0
voti
Scusate volevo dire stella non triangolo.
Provo a fare la conversione in stella e vedo che ne esce fuori...
Scusa la mia ignoranza g.schgor, posso considerare in parallelo R1 e R2 nonostante ci sia tra le due un generatore di corrente?
grazie
Provo a fare la conversione in stella e vedo che ne esce fuori...
Scusa la mia ignoranza g.schgor, posso considerare in parallelo R1 e R2 nonostante ci sia tra le due un generatore di corrente?
grazie
-

angelofde4th
20 3 - Messaggi: 23
- Iscritto il: 11 mag 2016, 10:24
0
voti
Io mi riferivo al circuito del post[4], applicando
la sovrapposizione degli effetti. Ma perché non segui
il consiglio di
admin che semplificherebbe
di molto i calcoli?
la sovrapposizione degli effetti. Ma perché non segui
il consiglio di
di molto i calcoli?
1
voti
angelofde4th ha scritto:posso considerare in parallelo R1 e R2 nonostante ci sia tra le due un generatore di corrente?
Visto che insisti a non seguire i consigli di chi ti ha risposto, guarda il disegno qua sotto
se ti è chiaro, la risposta puoi dartela da solo
11 messaggi
• Pagina 1 di 2 • 1, 2
Torna a Elettrotecnica generale
Chi c’è in linea
Visitano il forum: Nessuno e 35 ospiti

Elettrotecnica e non solo (admin)
Un gatto tra gli elettroni (IsidoroKZ)
Esperienza e simulazioni (g.schgor)
Moleskine di un idraulico (RenzoDF)
Il Blog di ElectroYou (webmaster)
Idee microcontrollate (TardoFreak)
PICcoli grandi PICMicro (Paolino)
Il blog elettrico di carloc (carloc)
DirtEYblooog (dirtydeeds)
Di tutto... un po' (jordan20)
AK47 (lillo)
Esperienze elettroniche (marco438)
Telecomunicazioni musicali (clavicordo)
Automazione ed Elettronica (gustavo)
Direttive per la sicurezza (ErnestoCappelletti)
EYnfo dall'Alaska (mir)
Apriamo il quadro! (attilio)
H7-25 (asdf)
Passione Elettrica (massimob)
Elettroni a spasso (guidob)
Bloguerra (guerra)









