La panoramica delle risposte di un esponente del forum che ogni tanto propongo dovrebbe svolgere la funzione dei trailer. Alcune risposte (o spezzoni di risposta), intervallate da brevi commenti, per invogliare la visione del film integrale che le contiene. Spero di riuscirci, perché anche il film che nel forum coniene le risposte di Carloc merita di essere visto.
Carloc è, ad ogni modo, già uno dei blogger principali di Electroyou e si presenta nel sito circa un anno e mezzo fa, proprio lì, con un articolo sulla scomposizione in serie di Fourier. Non è stato difficile capirne il valore, che si sarebbe manifestato quasi subito ed ampiamente nei suoi interventi nel forum.
Una delle prime risposte la dà alla seguente domanda:
Indice |
domanda
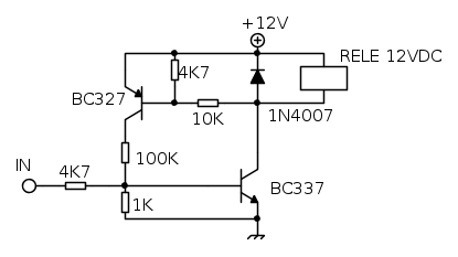
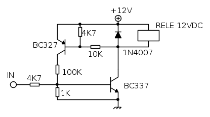
Ho una scheda che mi dà in uscita una tensione variabile da 0 a 12 V con la quale vorrei alimentare un relè per attivare un'accensione. Il problema è che essendo variabile la tensione il relè vibra prima di attivare o disattivare. Vorrei che non vibrasse ovvero rendere questa tensione a due livelli uno di on e uno di off
risposta
... molto semplicemente serve un trigger di Smith, un circuito che introduca dell'isteresi nella commutazione, io non scomoderei neanche un IC. La classica implementazione ha però lo svantaggio di invertire il funzionamento (e.g. ingresso alto => relè OFF). Invece questi 2 transistor introducono l'isteresi necessaria mantendo "il verso" giusto dell'azionamento. Due veloci calcoli "a spanne" indicherebbero che il relè si ecciterà con circa 3.4V in ingresso per poi staccare solo se arriviamo sotto i 2.7V.
La risposta riceve subito i complimenti di IsidoroKZ, il cui fiuto elettronico è arcinoto, e non solo ai visitatori di EY.
Ma vediamo cosa riesce a tirar fuori da una
osservazione di Piercarlo
Allora, visto che ci date dentro, vi aggiungo un quesituccio (di cui NON conosco la soluzione perché non mi son messo a cercarla): sappiamo che in un normale giradischi, con braccio non tangenziale ma incentrato su un perno, il braccio introduce un certo errore di tangenza rispetto al solco(di cui si teneva conto, per compensarlo sia nella fattura del braccio sia in quello della puntina). La domanda è: tenendo conto che all'atto dell'incisione la macchina che incide l'originale NON introduce tale errore, questo in riproduduzione si traduceva anche in un errore di sincronismo temporale con il segnale inciso o no? E se sì di quanto per un disco a 33 giri e 1/3 al minuto? Tale errore temporale veniva o no compensato dagli artifici geometrici con cui era costruito a questo fine il braccio di lettura?
risposta: parte prima
...provo a scrivere qualche sciocchezza anche riguardo a questo :-) ....
intanto partirei da
Ri è il raggio della traccia più interna e Rf di quella più esterna, il disco è stato inciso con una testina che ha seguito il segmento Ri-Rf e questo sarebbe proprio il luogo dove leggere il disco senza distorsioni...
poi un po' di assunzioni varie....
Il disco viene letto con un braccio lungo B incernierato nel pivot P situato sull'asse del segmento Ri-Rf (NON sò se è la "migliore" configurazione possibile :( , ma vorrei scrivere qualcosa di semplice :mrgreen: ...).
La distanza di P dal punto medio è tale che l'errore temporale sia nullo su Ri e Rf (idem).
Allora i disco viene letto sull'arco di cerchio Ri-Rf... guardando un po' più nel dettaglio
intanto
e considerando l'angolo "molto piccolo" (approssimerò pesantemante chè voglio solo un ordine di grandezza della cosa :-) ...)
e poi ancora
che sostituita
ora
con K tale che Δx(Ri) = Δx(Rf) = Δx(ΔR) = 0 cioè
in sostanza l'arco di cerchio è "diventato" un arco di parabola ;-) .....
ora strettamente parlando non che ci interessi molto Δx :( ... i solchi sono archi, non segmenti perpendicolari al raggio... ma di nuovo approssimiamo...
"confonderemo" l'arco XZ con il segmento XY ;-)
una cosa però non ce la possiamo lasciare dietro :? .... il disco ruota con velocità angolare costante (33 1/3 rpm) quindi la velocità periferica dipende dal raggio e quindi anche la conversione ritardo nello spazio => ritardo nel tempo dipenderà dal raggio...
e se troviamo il suo massimo
e quella buona è
Dire che è ora di mettere due numeri.... con lo stesso disco di prima abbiamo
,
e quindi
e
quindi 1.13 cm "più verso il centro" rispetto la metà del disco avremo il massimo ritardo temporale dell'audio (BTW 1.13cm rispetto 7cm di corsa totale ci dicono che non considerare la dipendenza dal raggio non sarebbe stata una buona idea :-) )
per calcolare il ritardo ci serve
e poi la lunghezza B, in mancanza di dati prendo B = 2ΔR (ad occhiometro è pressapoco così in un piatto che ho in casa...) e insomma...
considerato che questo ritardo viene "raggiunto" in circa 10 minuti (una faccia di un LP dura una ventina di minuti) direi sia veramente difficile da ascoltare... anche pensando di sentire un CD ed un LP con lo stesso identico pezzo in contemporanea direi che gli altri errori ( istante di attacco del pezzo e tolleranza sulla velocità di rotazione) saranno senz'altro maggiori....
Da un punto di vista psico-uditivo non sò... ma a me comunque gli LP piacevano :D
Quello che accade è che -prima di Δr0 - mentre la traccia "passa" sotto la puntina questa si "allontana" dal segmento
dove Δt = 0 e la velocità relativa è minore di quella nominale, cioè il tono (il pitch) del brano sarà più basso di quello che dovrebbe essere...
questo continua fino a raggiungere il ritardo di circa 57 ms....
poi il ritardo viene recuperato con un tono più alto del dovuto nella seconda metà (circa) dell'LP quando la puntina si riavvicina al segmento Δt = 0 e la velocità relativa è sopra la nominale.
....si potrebbe derivare e cercare la velocità istantanea...e poi c'è la storia dell'errore di tangenza (peggiora la separazione dei canali più che altro??)... ma ora mi arrendo :mrgreen:
Potrebbe bastare, ma la seconda parte non è a meno della prima ed è tutta da vedere
risposta, parte seconda
Beh ormai mi sono infognato nella "dissezione" di un LP :roll: ... più che altro è che le informazioni che ricordo risalgono a qualche decennio fa... quando -giovane pischello- avevo la tendenza a credere a quello che leggevo :mrgreen: ... ora con qualche strumento critico in più mi vorrei fare un'idea personale delle cose... e mi sà che vi toccherà sorbirvi i miei deliri...(salvo pulsante "indietro" del browser :D )
Pensavo alla tangenza ed alla separazione dei canali :-M .... questo rappresenta un tratto di solco, pianta e sezione
e
sono i due versori normali alle superfici destra e sinistra del solco, le quali si "sposteranno" lungo questi versori in accordo al segnale da rappresentare su ciascun canale
il cerchio ciano invece rappresenta la puntina disassata di un angolo τ rispetto l'asse del solco.
Assumerò che la lettura avvenga tramite prodotto scalare con altri due versori
e
solidali alla puntina e se τ = 0 paralleli ai rispettivi sul solco... si avrebbe cioè
e
e chiamando S e D le informazioni nel solco e vs e vd le tensioni in uscita
per il canale sinistro e
per il destro
essendo i versori
paralleli e unitari per uno stesso canale...
e mutuamente ortogonali altrimenti
separazione ideale (ovviamente trascurando praticamente qualsiasi cosa rispetto il reale comportamento della testina :mrgreen: )
Vediamo ora che succede se ruotiamo la testina di un angolo τ intorno a l'asse x2 (BTW nel disegno è rappresentato un τ < 0 ) :-M ...
la matrice di rotazione (salvo errori :cry: ) è
e le nuova "puntina" sinistra -ne faccio una sola, l'altra è la stessa zuppa-
e la nuova tensione sul canale sinistro....
...vediamo cosa è venuto fuori... intanto se
ritroviamo la separazione perfetta di prima :ok: ... ma nel caso più generale vediamo che non c'è solo la componente desiderata S ma anche un po' della D :(
direi che potremmo definire il crosstalk c come
dove poi approssimare
e anche
con le notazioni del mio post precedente...ed ottenere i</fidocad>nfine
che con i numeri -ancora dal post precedente- vale al massimo in Ri e Rf -all'inzio ed alla fine del disco-
circa 24 dB di isolamento tra i canali :shock: :shock: ... non male eh :mrgreen: ... e dire che mi potevo risparmiare tutti stì conti ...
Di una rischiesta di Scorpio92
riporto solo una delle tante pirotecniche risposte
Domanda
Sto cercando di realizzare un circuito, da collegare all'uscita audio di un organo digitale, in grado di simulare il suono riprodotto da un sistema di altoparlanti Leslie
Risposta
Direi di ragionare pensando ad un'alimentazione di +/-4.5V rispetto la massa virtuale Vref e di misurare tutte le tensioni rispetto quest'ultima...
Come accennato U1b è un trigger di Schmitt (invertente)
le soglie si calcolano semplicemente applicando il partitore R5/R6 alla tensione di saturazione in uscita all'opamp, supponiamo anche -per semplicità- che questa saturazione sia simmetrica e valga in modulo Vo... le tensioni di soglia varranno allora
e
queste soglie saranno tra l'altro il valore di picco del triangolo in uscita, numericamente si ha che con i valori del circuito originale (supponiamo Vo=3V)
quindi avremo un triangolo di 1.4 Vpp "centrato" intorno a Vref, cioè intorno a 4.5V. Sarebbe opportuno ora verificare di rientrare nel range di tensioni in modo comune permesse... ma direi che non ci dovrebbero essere problemi.
Vediamo l'integratore U1a
il MOS è schematizzato come un interruttore, il circuito si deve studiare nelle due condizioni, MOS on e MOS off, partiamo da quest'ultima e vediamo che corrente scorre nel condensatore.....
Nelle solite ipotesi di idealità dell'opamp le tensioni agli ingressi dell'opamp saranno le stesse e si può scrivere
se invece chiudamo il MOS alla corrente appena calcolata si aggiungerà quella in R4....
ora dato che vogliamo un'onda triangolare simmetrica dovranno essere le due correnti -di carica e di scarica- uguali in modulo ma di verso opposto....
da cui con le abbondandi semplificazioni...
rispettando questa relazione la corrente nel condensatore si può scrivere...
coming soon: calcolo frequenza, mettiamo due valori e chiudiamo l'anello....
Ma per apprezzare tutto interamente meglio leggere l'intero thread
Elettrostatica
Propongo ora la sua soluzione ad un quesito di elettrostatica posto da RenzoDF.
Mi sento obbligato, visto lo svolgersi del thread, ad aprire una parentesi sulle baruffe virtuali.
L'elettrostatica è uno dei temi che le innescano, a quanto pare. Non è una delle micce più frequenti, ma è già la seconda volta che in EY fa divampare un simbolico incendio (anche se il piromane in fondo era sempre lo stesso).
Ci sono altri temi molto più "vivaci", diciamo così, da questo punto di vista, che attraggono frotte di adepti in difesa di verità che forze misteriose e cricche di potere, (di cui EY fa parte :|), vogliono tenere nascoste.
Sono la
- free energy di cui molti santoni predicano l'esistenza, coinvolgendo scienziati che non possono più intervenire, come il povero Tesla;
- i magneti permanenti che con una disposizione geometrica particolare farebbero da ponte tra il nostro mondo affamato di energia ed un altro universo disposto a farla fluire gratis verso il nostro
- l'audiofilia valvolare, per cui le valvole non sono semplici componenti elettronici dotati del fascino delle cose "antiche" (l'antico, in elettronica, fa presto ad arrivare), ma sono degli interpreti musicali che sanno riprodurre il suono di un'orchestra con tutti i particolari che l'uomo gradisce, specie per chi dispone di orecchie d'oro.
- la politica ovviamente; ma qui si entra in un campo più vaso, dove i temi per baruffare sono tanti ma, per restare in ambito scientifico tecnico, vale la pena ricordare le scelte di politica energetica: nucleari si o no, per esempio. Ma torniamo al nostro
Problema di Elettrostatica
Siano assegnate quattro piastre circolari conduttrici coassiali e parallele, di raggio R=20 cm e spessore 1 cm. Inizialmente le piastre sono disposte come nella figura a sinistra. Le piastre interne, cioè, sono a contatto e le piastre più esterne distano da quelle interne d1=0,5 cm. Alla piastra a destra è applicata una f.e.m. di f=500 V mentre la lastra di sinistra è collegata a terra. Calcolare la capacità del sistema e la carica complessivamente accumulata sulle armature. Dire inoltre quanto vale la carica su ciascuna faccia delle piastre. Successivamente, la f.e.m. viene scollegata e le due lastre interne sono allontanate di d2=0,5 cm (mentre quelle esterne restano ferme). Calcolare la differenza di potenziale tra le armature e la capacità del sistema nella nuova configurazione. Dire inoltre quanto vale la carica su ciascuna faccia delle piastre. Infine, calcolare il lavoro che occorre compiere per spostare le lastre
La risposta di carloc
Condizione iniziale...
carica +Q e -Q sulle facce come da disegno, per la simmetria alle piastre centrali il potenziale sarà
, la capacità dei 2 condensatori sarà
e la carica
In effetti in un certo senso è come se le piastre centrali non ci fossero ed avessi un condensatore con armature distanti 2d1
dopo la cura....
la carica totale su ciascuna piastra non cambia, inoltre dato che su quella all'estrema destra ho ancora +Q, e dato che comunque all'interno della seconda da destra il campo deve essere nullo allora anche sulla faccia destra di quest'ultima devo avere -Q, idem dall'altro lato e la configurazione delle cariche resta come da figura. Tra le due centrali non ho ddp ne campo elettrico.
La distanza tra le piastre laterali diventa
e quindi la capacità dei condensatori laterali 2C0.
La carica non è cambiata, allora la ddp sui condensatori dimezza, da sinistra 0..125..125..250V
Ancora una volta è come se avessi un condesatore con due sole armature (la prima e l'ultima) e le avessi avvicinate.
Il lavoro lo trovo dalla differenza di energia nei 2 casi:
all'inizio ho
alla fine invece
negativo, cioè devo "frenare" le piastre mentre le allontano, l'attrazione elttrostatica 1-2 e 3-4 "vince" su quella 2-3
Gli amanti delle battaglie virtuali potranno ovviamente seguire gli sviluppi di quella accesa dalla soluzione di Carloc nel thread.
Le
trivellazioni elettroniche
che il titolo attribuisce a Carloc derivano in particolare da suoi articoli sul TBA820 e da un topic da lui aperto, dove rispondeva ad un quesito posto da IsidoroKZ
Quando si impiega un integrato non sono molti quelli che ne analizzano lo schema interno fornito nel data sheet. La maggioranza ne considera i parametri e si affida alle Application notes per gli schemi fondamentali. Carloc è uno che che va a curiosare anche nello schema interno dell'integrato come si può vedere negli articoli nel suo blog.
Inoltre è tra coloro che non si fidano ciecamente dei simulatori nella progettazione. Nel topic che ho citato, Carlo lo dimostra.
Riporterò qui la sua conclusione, ma chi desidera apprezzarla appieno è bene che legga i due thread che l'hanno originata.
Così, dopo aver proposto l'analisi della la simulazione di LTSPice
Beh concluderei il discorso...
KCL all'opamp lascia un po' perplessi, lasciando pure perdere le decine di pA negli ingressi (corrente di saturazione inversa dei gate dei JFET all'ingresso) si notano circa 5.8 mA che entrano dal piedino di alimentazione positiva (3) ed escono praticamente identici dal piedino di alimentazione negativa (4)... sì ok ma l'opamp sta fornendo 12mA al carico :shock: da dove vengono?
Certamente non abbiamo violato qualche legge fisica... semplicemente il circuito che stiamo simulando non modella la realtà come ci aspettiamo. In particolare molti modelli di opamp generano l'uscita con un generatore dipendente di tensione o corrente riferito al nodo comune, il famoso nodo 0 dei simulatori.
Semplificando al massimo lo stadio di uscita è qualcosa del genere (insieme ai due LED del circuito originale)
Vediamo che in questo caso la corrente dei LED si "richiude" via nodo 0 senza provocare cadute sulle resistenze del riferimento Vcc/2 e quindi senza essere da loro limitata o sballare l'anello di reazione.
Abbiamo cioè un operazionale con 6 piedini, non cinque come credevamo :( Inutile dire che anche cercare di stimare il consumo di corrente dall'alimentazione con un modello simile è pura utopia.
Once more
...per usare un simulatore si deve sapere più elettronica di lui...(IsidoroKZ]
Conclusione
La conclusione non può che essere quella di DarwinNE, unitamente al mio invito solito a viaggiare tra le risposte di Carloc, oltre che nel suo blog per gustare un po' di Elettronica ed anche qualcosa d'altro.

Elettrotecnica e non solo (admin)
Un gatto tra gli elettroni (IsidoroKZ)
Esperienza e simulazioni (g.schgor)
Moleskine di un idraulico (RenzoDF)
Il Blog di ElectroYou (webmaster)
Idee microcontrollate (TardoFreak)
PICcoli grandi PICMicro (Paolino)
Il blog elettrico di carloc (carloc)
DirtEYblooog (dirtydeeds)
Di tutto... un po' (jordan20)
AK47 (lillo)
Esperienze elettroniche (marco438)
Telecomunicazioni musicali (clavicordo)
Automazione ed Elettronica (gustavo)
Direttive per la sicurezza (ErnestoCappelletti)
EYnfo dall'Alaska (mir)
Apriamo il quadro! (attilio)
H7-25 (asdf)
Passione Elettrica (massimob)
Elettroni a spasso (guidob)
Bloguerra (guerra)











