Il dado è un elemento con un foro assiale filettato, dotato di un dispositivo di trascinamento avvitato su di una vite o su di un prigioniero, al fine di realizzare un collegamento a pressione.
I tipi unificati di dado
Riportiamo ora la seguente tabella che passa in rassegna i vari tipi unificati di dado, di cui riportiamo denominazione e rappresentazione.
| Denominazione | Rappresentazione |
|---|---|
| Dadi esagonali alti | |
| Dadi esagonali tipo 1 - Dadi esagonali normali | |
| Dadi esagonali tipo 2 | |
| Dadi esagonali bassi | |
| Dadi esagonali bassi non smussati | |
| Dadi esagonali normali ad intagli | |
| Dadi esagonali larghi ad alta resistenza per carpenteria | |
| Dadi quadri sottili | |
| Dadi quadri normali | |
| Dadi cilindrici a due fori | |
| Dadi cilindri a fori a croce | |
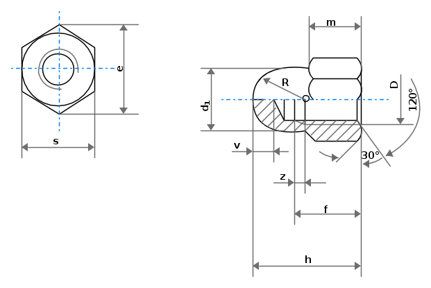
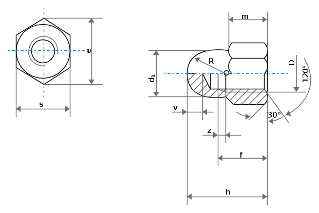
| Dadi esagonali ciechi con calotta sferica | |
| Dadi cilindrici ad impronta | |
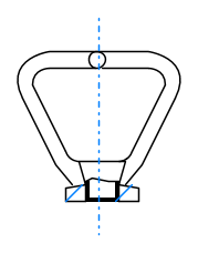
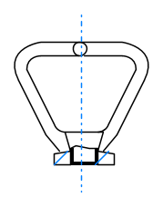
| Dadi a corna | |
| Dadi zigrinati | |
| Dadi zigrinati ridotti, con avanforo | |
| Dadi zigrinati con colletto | |
| Dadi ad alette | |
| Dadi a maniglia | |
| Golfari ad occhio allungato |
Di seguito invece sono proposte alcune immagini relative ad alcuni dei tipi di dadi elencati nella tabella di cui sopra:
|
Una breve descrizione
I tipi più comuni di dadi sono quelli esagonali:
nei quali il rapporto tra la lunghezza assiale e il diametro di filettatura, variabile da 1 per i dadi alti a 0.4 per i dadi bassi, conferma il fatto che lunghezze di avvitamento elevate non sono necessarie. I dadi normali sono quelli più utilizzati, i dadi alti sono utilizzati in casi eccezionali e i dadi bassi sono utilizzati per sforzi limitati e per ingombri ridotti.
I dadi quadri sono usati generalmente in costruzioni pesanti che presentano un rischio minore di arrotondamento degli spigoli, che si può verificare qualora ci siano numerosi cicli di avvitamento e svitamento:
I dadi ciechi proteggono le estremità sporgenti delle viti e in certi casi rispondono anche a determinate esigenze estetiche:
Vi sono poi anche dadi, o madreviti normalizzate, per il cui serraggio devono essere adoperate chiavi o attrezzi appositi o una semplice azione manuale. E' il caso, ad esempio, dei dadi cilindrici con intagli o fori per l'inserzione di chiavi a dentini, usati nell'industria elettrica e dei dadi per serraggio a mano, zigrinati, ad alette o galletti e ad impronta.
La suddivisione dei dadi esagonali in alti, normali e bassi nelle nuove norme europee ha lasciato il posto a tipi diversi le cui dimensioni esatte possono essere ricavate dalla consultazione delle tabelle normative.
Nel rielaborare le norme degli elementi di collegamento filettati sono state fatte anche delle considerazioni relativamente a fattori di progettazione. Infatti sono state valutate:
- l'area della faccia di appoggio sugli elementi da collegare, influente sullo sforzo di compressione;
- la sezione di nocciolo delle parti filettate, influente sulla forza di serraggio.
I dadi cilindrici con dimensioni diametrali ampie rispetto alla lunghezza assiale sono detti ghiere.
Bibliografia
Disegno tecnico industriale - Chirone, Tornincasa.

Elettrotecnica e non solo (admin)
Un gatto tra gli elettroni (IsidoroKZ)
Esperienza e simulazioni (g.schgor)
Moleskine di un idraulico (RenzoDF)
Il Blog di ElectroYou (webmaster)
Idee microcontrollate (TardoFreak)
PICcoli grandi PICMicro (Paolino)
Il blog elettrico di carloc (carloc)
DirtEYblooog (dirtydeeds)
Di tutto... un po' (jordan20)
AK47 (lillo)
Esperienze elettroniche (marco438)
Telecomunicazioni musicali (clavicordo)
Automazione ed Elettronica (gustavo)
Direttive per la sicurezza (ErnestoCappelletti)
EYnfo dall'Alaska (mir)
Apriamo il quadro! (attilio)
H7-25 (asdf)
Passione Elettrica (massimob)
Elettroni a spasso (guidob)
Bloguerra (guerra)






















