Introduzione
In questo articolo descrivo il restauro di un oscilloscopio Tektronix 454 che ho eseguito recentemente.
E' stata un'operazione particolarmente complessa, un sovrapporsi di vari guasti individuati in successione e l'ultimo, particolarmente grave e apparentemente insolubile, mi ha indotto ad escogitare una soluzione estrema su cui nessuno, me compreso, ci avrebbe scommesso un centesimo e che invece si è rivelata vincente. Grazie ad essa ora l'oscilloscopio funziona egregiamente ed ha potuto evitare l'unica sorte a cui altrimenti sarebbe stato destinato: la discarica.
Era da tempo che aspettavo l'occasione giusta per acquistare un Tek 454 a prezzo abbordabile, non che mi servisse un oscilloscopio, ho già altri Tektronix di caratteristiche migliori acquistati in passato, sempre d'occasione e poi restaurati ma questo ha la particolarità di essere fatto ancora con soli transistor, quasi tutti di tipo commerciale e con alcuni triodi di nuova generazione per quell'epoca chiamati nuvistor, quindi senza alcun integrato strano e introvabile come purtroppo invece è stato per gli oscilloscopi prodotti successivamente da Tektronix.
Si tratta di uno strumento della fine degli anni '60 di buone caratteristiche con una banda passante di 150MHz che, essendo tutto a transistor e con qualche valvola, è facilmente indagabile, comprensibile e modificabile in tutti i suoi meandri ed è proprio per questo che lo desideravo: per studiarlo, per provare a modificarlo/migliorarlo e per sperimentare soluzioni che ho in mente da tempo, insomma con lo scopo di utilizzarlo come muletto per giocarci e divertirmi a fare elettronica.
Recentemente l'occasione si è presentata su Ebay e l'ho acquistato. Nell'inserzione il venditore lo ha descritto così: "si accende ma mancano i coperchi" Poco male per me, visto l'uso che ne avrei fatto.
Dopo qualche giorno è arrivato, si presentava bene, evidentemente era stato utilizzato poco: le manopole ancora lucide il frontale senza un graffio... non immaginavo quanti problemi e che tipo di difetti potesse nascondere!
Primo difetto
All'accensione si è manifestato il primo difetto: nessuna traccia è apparsa sullo schermo.
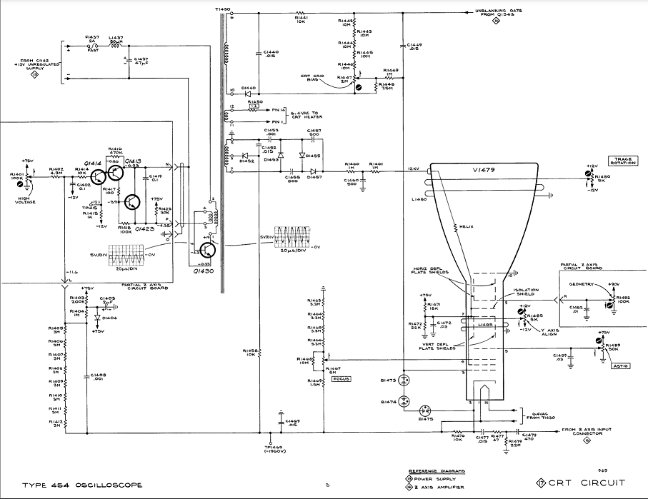
Il valore della tensione anodica del tubo catodico, che normalmente dovrebbe essere 12kV, era invece molto più basso, dalle parti di 1kV, il circuito implicato era quello che genera le varie tensioni di polarizzazione del tubo catodico.
Il circuito che genera le tensioni di polarizzazione del tubo catodico di questo oscilloscopio, se confrontato con quelli dei modelli prodotti successivamente da Tektronix, è relativamente semplice: il primario del trasformatore è alimentato dal transistor di potenza Q1430 che è un 2N3055 in configurazione auto-oscillante in classe C, il primo secondario in alto, tramite un raddrizzatore a singola semionda, fornisce la tensione di alimentazione della griglia controllo, il secondo secondario alimenta direttamente il filamento del tubo a 6.4Vac, il terzo secondario, tramite un triplicatore di tensione fatto con diodi e condensatori, alimenta l'anodo del tubo a 12kVdc e con un raddrizzatore a singola semionda alimenta il catodo del tubo con una tensione negativa di -1960Vdc.
I vari componenti collegati ai secondari, che sono tutti soggetti ad alte tensioni, risultavano tutti integri al tester, inoltre ho provato ad alimentare i singoli circuiti con un generatore di funzioni in grado di fornire segnali di una decina di volt e pure sembrava che tutti funzionassero correttamente, compreso il triplicatore, quindi sembrava che il difetto fosse da ricercare nel trasformatore o nel circuito che alimenta il primario.
Funzionamento del circuito di regolazione delle tensioni di polarizzazione del tubo catodico
serve a garantire che i valori delle tensioni di polarizzazione siano costanti, indipendenti da variazioni di altri parametri e dipendenti solo da una tensione di riferimento impostabile con R1401.
Il circuito che alimenta il primario del trasformatore di alta tensione, come ho già detto, è un oscillatore di potenza in classe C costituito da Q1430 che è un 2N3055.
Nello schema non si capisce ma l'emettitore di Q1430 è collegato al riferimento 0V, per vederlo bisogna guardare lo schema dell'alimentatore che per non appesantire non l'ho riportato. In realtà in serie all'emettitore c'è un resistore da 0.3ohm che però possiamo trascurare.
Il trasformatore è risonante: le induttanze degli avvolgimenti risuonano con le capacità parassite ad una frequenza non critica compresa tra 40 e 60kHz, per questo motivo le tensioni ai capi degli avvolgimenti sono sinusoidali nonostante il primario venga alimentato con corrente impulsiva dal transistor che lavora in classe C.
La potenza fornita al trasformatore dipende dall'angolo di conduzione del transistor, quindi, variando l'angolo, variano i valori delle tensioni fornite dai secondari ai carichi.
l'angolo di conduzione di Q1430, semplificando un po' le cose, dipende dal valore di tensione continua ai capi di C1419: all'aumentare della tensione l'angolo si riduce.
La tensione ai capi di C1419 è fatta variare da Q1423 che è l'ultimo transistor dell'amplificatore di errore costituito da Q1414, Q1413 eQ1423.
In ingresso all'amplificatore di errore, cioè nella base di Q1414, giungono due correnti: quella proveniente da R1402, che dipende dalla tensione di riferimento impostata con R1401 e quella di segno opposto proveniente dal partitore R1405---R1412 che dipende dalla tensione continua che alimenta il catodo del tubo, che a sua volta proviene dal raddrizzatore a singola semionda alimentato dal terzo secondario.
Il circuito dell'amplificatore di errore è quindi controreazionato dalla tensione di alimentazione del catodo e l'anello va in equilibrio quando le due correnti menzionate sopra, che sono di segno opposto, si annullano quasi, cioè quando il loro contributo alla corrente di base di Q1414 è minimo ma non nullo.
In questo modo la tensione catodica del tubo è regolata e la si può aggiustare per portarla a 1960V, che è il valore ottimale, agendo su R1402.
Di conseguenza sono regolate anche tutte le altre tensioni di polarizzazione del tubo perché sono in un certo rapporto con quella catodica, rapporto che a sua volta dipende dal rapporto spire dei secondari del trasformatore. Solo quella che alimenta la griglia controllo del tubo è ulteriormente aggiustabile attraverso R1447, l'ulteriore aggiustamento è necessario perché il suo valore ottimale va adeguato alle caratteristiche del tubo che possono variare leggermente da un esemplare all'altro.
Cause del difetto
Nell'oscilloscopio in questione tutte le tensioni fornite al tubo erano ampiamente insufficienti e la tensione su C1419 era bassissima, quasi nulla.
Da questo si deduce che: se le tensioni ai secondari restavano basse nonostante l'angolo di conduzione di Q1430, fosse molto grande (tensione su C1419 quasi nulla), cioè se restavano basse nonostante la potenza fornita al trasformatore fosse tanta, voleva dire che da qualche parte c'era qualcosa che assorbiva molta energia dal trasformatore.
Poteva essere dovuto a una perdita di isolamento tra alcune spire del trasformatore stesso ma questo, quanto meno, avrebbe fatto variare molto la frequenza che invece, grosso modo, era corretta.
Poteva anche dipendere da anomale conduzioni interne ai condensatori solo oltre certe tensioni a causa di un deterioramento del dielettrico, qualcosa di simile poteva anche accadere nei diodi e questo effettivamente avrebbe giustificato l'apparente buon funzionamento dei diodi e dei condensatori a bassa tensione.
Per farla breve D1440, D1452, C1452 si sono rivelati guasti nonostante apparissero funzionanti al tester e al generatore di funzioni... ma ci sono voluti un paio di giorni per capirlo.
Secondo difetto
Sostituiti i condensatori e i diodi difettosi con altri simili si è manifestato l'effetto opposto: tutte le tensioni continue di polarizzazione del tubo sono diventate troppo alte, quasi il doppio del normale.
Il partitore di controreazione R1405---R1412 non risultava interrotto e l'amplificatore di errore non risultava guasto.
A quel punto mi sono ricordato di una discussione sul nostro forum di elettronica dove l'amico banjoman, esperto di oscilloscopi Tektronix, scrisse che i moderni 2N3055 sono diversi dai loro antenati degli anni '60 che montava Tektronix e che non sono idonei per rimpiazzarli.
In effetti, osservando bene, ho potuto constatare che il 2N3055 era stato sostituito e quindi probabilmente l'alta tensione eccessiva poteva dipendere da questo.
Evidentemente in passato quel transistor deve essersi rotto e chi lo ha sostituito, ignaro dei problemi connessi a quella sostituzione, ha acceso l'oscilloscopio impunemente causando la rottura dei componenti in uscita dal trasformatore.
Ho potuto constatare che il mancato funzionamento della regolazione era dovuto al fatto che la tensione di segnale sulla base del 2N3055 faceva superare alla giunzione BE il valore di massima tensione inversa, quindi succedeva che la giunzione BE andava in conduzione non solo al superamento dello zero volt dei picchi positivi del segnale ma anche in prossimità dei picchi negativi e questo, come effetto indesiderato, impediva che C1419 potesse continuare a caricarsi oltre un certo valore.
Con C1419 che non riusciva a caricarsi oltre un certo valore succedeva che, anche se l'amplificatore di errore allentava completamente la presa, l'angolo di conduzione non scendeva a sufficienza e di conseguenza le tensioni ai secondari continuavano a rimanere eccessivamente alte.
Il valore di massima tensione inversa per la giunzione BE dei 2N3055 moderni dichiarato nei datasheet è dalle parti di -7V che è ampiamente incompatibile con il funzionamento del circuito in questione, infatti, osservando l'oscillogramma della tensione di base riportato sullo schema nel manuale dell'oscilloscopio, si può vedere chiaramente che le creste negative del segnale raggiungono -10V, quindi, l'unica spiegazione che so dare, è che i vecchi transistor degli anni '60-'70 sopportassero valori di tensione inversa della giunzione BE maggiori degli attuali.
E' stato sufficiente aggiungere un diodo in serie alla base di Q1430, in modo da evitare la conduzione inversa della giunzione BE, per ripristinare il funzionamento corretto.
terzo difetto
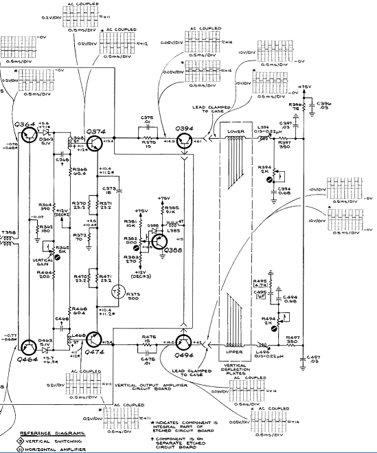
Ed ecco che è apparsa una sottospecie di traccia sfocata sullo schermo ma l'entusiasmo è durato poco perché sono bastate alcune misure con il tester per capire che nell'amplificatore verticale i transistor Q394, Q494, Q 374, Q474 e Q388, nonché il trimmer R382 erano andati.
Il trimmer l'ho sostituito con un più moderno multigiri, per rimpiazzare Q388, che è un transistor fesso adibito a generare la tensione continua di polarizzazione delle basi dei finali, ho utilizzato un BC556 che va alla grande, per rimpiazzare i finali 2N3866 ho utilizzato dei 2SC3953 che hanno caratteristiche simili e per i piloti 2N4251 ho utilizzato dei BFQ18A che hanno una FT molto più alta e che per questo temevo qualche auto-oscillazione e invece tutto è filato liscio. Non ho ancora controllato come si è modificata la risposta in frequenza del verticale, lo farò più in là.
Quarto difetto
Ed ecco finalmente apparire una traccia bellissima, molto luminosa e sottile, fuoco e astigmatismo si correggevano perfettamente, gli attenuatori di ingresso funzionavano, la base dei tempi pure ma.... nella parte bassa dello schermo l'oscillogramma appariva compresso e scendendo ancora, prima di raggiungere la riga più bassa della griglia, la traccia si oscurava, come se all'interno del tubo in basso ci fosse stato qualcosa a fare ombra sullo schermo.
L'ipotesi più sensata, che poi si è rivelata corretta, era che qualcosa dentro al tubo si fosse deformato/spostato a causa di un forte urto che lo strumento avrebbe subìto in passato o durante il trasporto, ipotesi peraltro confermata anche dal nostro amico banjoman che ovviamente ho interpellato.
Che fare? discarica o cosa?
Prima di decidere ho cercato di capire cosa nel tubo si sarebbe potuto deformare/spostare per produrre quegli effetti.
Come si manifestava il difetto nei dettagli
con un segnale triangolare applicato all'ingresso dell'oscilloscopio l'oscillogramma, ampio circa due divisioni, appariva compresso in prossimità delle punte inferiori solo se era posizionato nella metà inferiore dello schermo. Tale compressione si accentuava man mano che con il potenziometro di posizione verticale portavo l'oscillogramma verso il basso dello schermo, fino a che, tra la prima e la seconda riga in basso del reticolo, le creste inferiori del segnale cominciavano a scomparire.
Questo comportamento lasciava intendere che ad essere deformate o spostate non potevano essere le placche di deflessione verticale ma qualcos'altro a valle delle placche perché, se fossero state le placche, si sarebbe giustificato l'oscuramento ma non la compressione.
Le placche di deflessione orizzontale, che sono posizionate subito a valle di quelle di deflessione verticale, ho ritenuto che non potessero essere responsabili del difetto perché, per la loro forma e disposizione non avrebbero potuto produrre quell'oscuramento distribuito orizzontalmente e uniformemente nella parte bassa dello schermo.
L'eventuale ostacolo all'interno del tubo doveva quindi trovarsi per forza di cose a valle di tutte le placche di deflessione, nella parte bassa del tubo e inoltre doveva essere costituito da materiale conduttore ed essere sottoposto ad un potenziale inferiore a quello delle placche di deflessione: solo così si sarebbe giustificata anche la compressione quando il fascio lambiva l'ostacolo oltre che l'oscuramento quando invece lo intercettava.
Altro effetto osservato molto importante
Senza alcun segnale applicato agli ingressi, portando la traccia orizzontale molto in basso ma poco prima che scomparisse, (cioè poco al di sopra della prima riga in basso del reticolo) ed inoltre inclinando al massimo la traccia rispetto alle righe orizzontali del reticolo tramite l'apposito comando "TRACE ROTATION", si notava che essa, nella parte più bassa, poteva superare la zona di oscuramento senza scomparire.
Questo significava che l'eventuale ostacolo doveva trovarsi per forza di cose a monte della bobina di rotazione della traccia, se fosse stato a valle la parte più bassa della traccia sarebbe sparita ugualmente.
Ricapitolando:
L'eventuale ostacolo doveva trovarsi in una zona all'interno del tubo compresa tra le placche di deflessione e la bobina di rotazione della traccia.
Individuazione dell'oggetto fuori posizione nel tubo
All'interno del tubo l'unico oggetto che si trova da quelle parti è un pannellino metallico ortogonale all'asse del tubo avente un'apertura rettangolare attraverso la quale transita il fascio elettronico.
L'apertura rettangolare del pannellino dovrebbe avere i confini posizionati oltre l'area di passaggio del fascio, in modo che il fascio, attraversando l'apertura, non possa mai interferire con la parte metallica del pannellino per qualsiasi angolo di deflessione verticale e/o orizzontale.
Se ho interpretato bene la rappresentazione del tubo nello schema elettrico, quel pannellino dovrebbe essere collegato a 0V attraverso il piedino 10 del tubo, quindi a circa -50V rispetto alle placche di deflessione orizzontale e questo coincideva con l'ipotesi fatta che avrebbe giustificato la compressione della parte bassa dell'onda triangolare se il fascio fosse arrivato a lambire i bordi dell'apertura rettangolare sul pannellino.
Questa cosa si comprende meglio se si osserva la distribuzione delle linee di forza del campo elettrico che si genera tra il pannellino metallico che si trova a 0V e le placche di deflessione orizzontale che si trovano a circa +50V.
Andamento del campo elettrico tra le placche di deflessione e il pannellino metallico
Le linee di forza all'interno della finestra di passaggio del fascio elettronico attraverso il pannellino, lontano dai bordi della finestra, sono parallele all'asse del tubo e molto rade, quindi il fascio quando attraversa la finestra non subisce variazioni significative di direzione.
Se invece il pannellino è decentrato verso l'alto, il fascio, transitando attraverso la finestra, può avvicinarsi troppo al bordo inferiore dove le linee di forza sono incurvate attorno al bordo e quindi subisce una forza verso l'alto che ne varia la direzione provocando la compressione osservata.
Perché in prossimità dei bordi della finestra le linee di forza sono incurvate?
Come è noto le linee di forza che fuoriescono da un oggetto metallico sono sempre ortogonali alla superficie, quindi in prossimità del sottile bordo interno della finestra, proprio sul taglio, le linee di forza escono per un breve tratto tutt'altro che parallele all'asse del tubo, bensì escono ortogonali all'asse.
La forza che si genera è diretta verso l'alto perché il pannellino si trova ad un potenziale inferiore a quello delle placche di deflessione, di conseguenza gli elettroni in transito vedono il pannellino carico negativamente e per questo la forza che il pannellino esercita su di essi è repulsiva.
Verifica delle ipotesi
Osservando il tubo in trasparenza attraverso una luce, si riusciva a scorgere il pannellino che effettivamente appariva decentrato verso l'alto e non ortogonale rispetto all'asse del tubo, quindi le ipotesi fatte sembravano avere un riscontro.
Nell'immagine che segue si riesce a scorgere il pannellino nella zona cerchiata che appare leggermente spostato verso l'alto e inclinato
Non si riusciva a scorgere lo staffaggio del pannellino perché si trova in una zona del tubo dove il vetro non è trasparente ma a quel punto era sensato supporre che, a causa di un forte urto della parte superiore dello strumento con un oggetto , lo staffaggio del pannellino si sarebbe potuto piegare irreversibilmente verso l'alto e che per conseguenza il pannellino si sarebbe potuto spostare permanentemente verso l'alto.
Cosa fare per riportare il pannellino in posizione?
La risposta era ovvia: a mali estremi estremi rimedi! Ovvero far prendere al tubo uno o più urti in direzione opposta all'urto che aveva causato la deformazione permanente dello staffaggio del pannellino.
Quindi, se il pannellino risultava decentrato verso l'alto significava che l'oscilloscopio in passato o durante il trasporto, partendo verticalmente a gran velocità, ha urtato il soffitto... oppure, molto più realisticamente, che cadendo da un tavolo o dal camion ha urtato il pavimento o la strada a testa in giù.
Occorreva quindi provocare uno o più urti in direzione opposta, cioè occorreva imprimere al tubo una velocità verso il basso e provocare un urto per arrestarlo rapidamente.
Questo, nelle intenzioni, avrebbe dovuto provocare una nuova deformazione alle staffe del pannellino in direzione opposta a quella avvenuta in passato, quindi nella speranza di riuscire in questo modo a riportare il pannellino nella posizione originale.
Secondo le specifiche lo strumento è in grado di sopportare una accelerazione di 30g che può sembrare tanto ma in realtà è un valore facilmente raggiungibile, ad esempio se cadesse da una altezza di 3cm e si arrestasse con una decelerazione costante nello spazio di 1mm si raggiungerebbe quel valore ma evidentemente Tektronix nel manuale dichiara un valore molto conservativo e credo che per fare danni in realtà occorra molto di più di 30g.
Preparazione del tubo catodico all'intervento
Ho quindi smontato il tubo e l'ho fatto funzionare fuori dall'oscilloscopio, le placche di deflessione orizzontale e l'anodo li ho collegate ai circuiti con delle prolunghe in modo da far apparire la traccia orizzontale, le placche di deflessione verticale invece le ho collegate ad un circuito provvisorio fatto con un potenziometro e un deviatore per polarizzarle correttamente e per tenere facilmente sotto controllo gli effetti degli urti.
Con il potenziometro a inizio corsa le placche si sarebbero dovute polarizzare entrambe a circa 40V che è lo stesso valore fornito dall'amplificatore verticale per avere la traccia centrata verticalmente.
Ruotando il potenziometro le tensioni sulle placche sarebbero variate in versi opposti provocando la deflessione del fascio in una direzione e mantenendo la media tra le due tensioni fissa a 40V.
Intervenendo sul deviatore si sarebbe potuta invertire la tensione tra le placche provocando una deflessione della stessa entità ma in direzione opposta. In questo modo sarebbe stato facile verificare ogni volta la linearità e la simmetria della deflessione rispetto al centro dello schermo.
L'intervento
Ho provocato varie serie di 3-4 urti ciascuna.
Tra una serie e la successiva ogni volta ho montato e smontato il tubo nell'allestimento provvisorio per verificare gli effetti prodotti, in modo da riuscire a dosare al meglio il numero e l'intensità degli urti successivi.
Sono stati necessari 16 urti per riportare il pannellino in posizione.
L'immagine che segue è la stessa di prima ma dopo l'intervento e si può notare come il pannellino ora sia centrato e non inclinato rispetto all'asse del tubo
Di seguito gli oscillogrammi nelle stesse condizioni ma dopo l'intervento

Elettrotecnica e non solo (admin)
Un gatto tra gli elettroni (IsidoroKZ)
Esperienza e simulazioni (g.schgor)
Moleskine di un idraulico (RenzoDF)
Il Blog di ElectroYou (webmaster)
Idee microcontrollate (TardoFreak)
PICcoli grandi PICMicro (Paolino)
Il blog elettrico di carloc (carloc)
DirtEYblooog (dirtydeeds)
Di tutto... un po' (jordan20)
AK47 (lillo)
Esperienze elettroniche (marco438)
Telecomunicazioni musicali (clavicordo)
Automazione ed Elettronica (gustavo)
Direttive per la sicurezza (ErnestoCappelletti)
EYnfo dall'Alaska (mir)
Apriamo il quadro! (attilio)
H7-25 (asdf)
Passione Elettrica (massimob)
Elettroni a spasso (guidob)
Bloguerra (guerra)

