Diversi modi per compensare la potenza reattiva
Per rifasare un carico sono possibili diverse soluzioni. In tutti i casi si dovra' fornire una certa quantita' di potenza reattiva, la cui unita' di misura e' il var (voltampere reattivo, scritto tutto in minuscolo, con i multipli kvar e Mvar). Per carichi stabili nel tempo si puo' mettere semplicemente in parallelo al carico un certo numero di condensatori inseriti in modo permanente. Se il carico e' variabile lentamente si consiglia di usare un rifasatore automatico a gradini, che varia di tanto in tanto la capacita' totale collegata al carico. Ovviamente un rifasatore a gradini non potra' mai effettuare una compensazione perfetta, sia per la regolazione grossolana che per il tempo necessario ad effettuare la compensazione. Per le situazioni che esigono una compensazione molto veloce, con tempi di risposta inferiori a 20 ms in una rete a 50 Hz, diventa indispensabile utilizzate un sistema di compensazione dotato di elettronica di potenza. Le due tipologie piu' usate per questo scopo sono gli SVC e gli STATCOM.
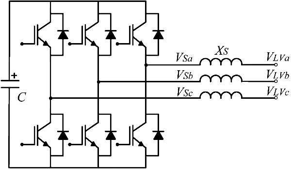
Compensatori var sincroni STATCOM e compensatori SVC
Gli SVC (Static Var Compensator) e gli STATCOM (la sigla deriva da "Static synchronous compensators") sono apparecchiature con funzioni simili; gli STATCOM usano la sola elettronica di potenza senza condensatori come elemento per rifasare, invece dell'elettronica di potenza con condensatori impiegata negli SVC. Quando uno STATCOM deve compensare carichi sia capacitivi che induttivi, non e' dotato di condensatori; se invece i carichi da compensare sono prevalentemente induttivi, allo STATCOM possono essere aggiunti eventualmente dei condensatori, oppure dei gruppi LC per compensare anche alcune armoniche.
I condensatori degli SVC non sono sovraccaricabili, quindi gli STATCOM si comportano meglio degli SVC a tensioni basse in quanto le loro prestazioni variano linearmente al variare della tensione. Durante un buco di tensione transitorio al 50% della tensione nominale, un SVC eroga solo il 22% delle sue prestazioni a tensione nominale mentre uno STATCOM fornisce il 50%. Per questo gli STATCOM sono molto piu' validi degli SVC quando ci sono forti abbassamenti di tensione e aiutano a prevenire situazioni rischiose per il mantenimento della funzionalita' della rete.
Gli STATCOM fanno parte della famiglia dei FACTS (Flexible AC Transmission System). Gli STATCOM prodotti dalla tedesca Freqcon utilizzano IGBT come dispositivi di commutazione veloci, e sfruttano un tipo di costruzione molto collaudata negli anni su diverse migliaia di apparecchiature prodotte su progetto di Freqcon. Un vantaggio della soluzione offerta da Freqcon e' la possibilita' di usare lo stesso convertitore per effettuare sia la compensazione della potenza reattiva che l'iniezione di potenza attiva durante un breve buco di rete, prelevando la potenza da supercondensatori o da batterie. Questi STATCOM sono disponibili per potenze reattive da 500 kvar in su, in container fino a molti Mvar; per ulteriori informazioni si puo' visitare https://www.axu.it/fq. Gli STATCOM rappresentano la soluzione piu' funzionale per sostenere la tensione sulle smart grid, che per la loro configurazione sono piu' soggette ad improvvisi abbassamenti di tensione. Spesso usando uno STATCOM si riesce a sostenere la rete intelligente mantenendola attiva, mentre se nelle stesse condizioni ci fosse stato un SVC ci sarebbe potuto essere un black-out, a causa della minore efficazia degli SVC quando la tensione e' bassa.

Elettrotecnica e non solo (admin)
Un gatto tra gli elettroni (IsidoroKZ)
Esperienza e simulazioni (g.schgor)
Moleskine di un idraulico (RenzoDF)
Il Blog di ElectroYou (webmaster)
Idee microcontrollate (TardoFreak)
PICcoli grandi PICMicro (Paolino)
Il blog elettrico di carloc (carloc)
DirtEYblooog (dirtydeeds)
Di tutto... un po' (jordan20)
AK47 (lillo)
Esperienze elettroniche (marco438)
Telecomunicazioni musicali (clavicordo)
Automazione ed Elettronica (gustavo)
Direttive per la sicurezza (ErnestoCappelletti)
EYnfo dall'Alaska (mir)
Apriamo il quadro! (attilio)
H7-25 (asdf)
Passione Elettrica (massimob)
Elettroni a spasso (guidob)
Bloguerra (guerra)