Tutti i preferiti di andreacircuit
Se non trovi quello che cerchi, prova ad usare la barra di ricerca in alto a destra.
-
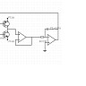
Progetto di un VCO ad Opamp
Lo scopo di questo articolo è mostrare una possibile soluzione per la realizzazione di un circuito in grado di convertire una tensione in frequenza. Il VCO presentato e costituito...-
andreacircuit,
- pubblicato 14 anni fa,
- 536 visualizzazioni,
- 1 commento
-
Tag Cloud
46|90 555 accumulatori alimentatore alternata ambiente amplificatore operazionale amplificatori amplificatori operazionali analogie arco elettrico arduino armoniche asincrono automazione avviamento batterie bitcoin bjt blockchain bode brushless cabina caduta di tensione campo elettrico campo elettromagnetico campo magnetico campo rotante candela capacità cavi cei cei 64-8 circuiti comparatore condensatore condensatori contatti contatti indiretti contatto coppia corrente corsi cortocircuito criptovalute diario asincrono differenziale differenziali digitale dimensionamento diodi diodo direttive dispersore display distorsione domotica electroyou elettromagnetismo elettrone elettronica elettrostatica elettrotecnica enel energia energie alternative enigma ora esatta eolico equivalenza esercizi excel ey fantascienza faraday femm fidocadj filtri filtro fisica flusso flusso magnetico forum fotovoltaico fourier frequenza fulmini funzione di trasferimento fusibili gauss generatore grafica gruppo elettrogeno guadagno help illuminotecnica impedenza impianti elettrici impianto di terra induttanza induzione magnetica integrali intelligenza artificiale interrupt interruttore inverter kirchhoff laboratorio laplace led leggi linee linguaggio c linux logicbignami luce lumen macchina sincrona magneti permanenti magnetotermico manutenzione massa matematica materiali mathcad matlab matrici maxwell microcap microcontrollori misura momento di inerzia moneta elettronica mosfet motore asincrono motori musica neutro norme norme cei norton numeri complessi ohm onde elettromagnetiche op amp oscilloscopio parallelo pic pid pierin plc polarizzazione portata potenza potenziale potere di interruzione progetti progetto programmazione protezione protezioni pwm quark racconti realizzato con pic reattanza regolazione relatività rendimento resistenza resistenza di terra reti rifasamento risonanza robot rumore saturazione scariche atmosferiche scilab scr scuola sensori sicurezza sicurezza elettrica simmetria simulazione sincrono sinusoidale sistema it sistema tn sistema tt sistemi software sovraccarico sovratensioni spettro tecnologia tecnologia meccanica telecomunicazioni temperatura tensione terra tesla tester thevenin timer tn transistor trasformatore trasformatori trifase tt tutorial tv unità di misura ups usb veicoli elettrici vignette watt

Elettrotecnica e non solo (admin)
Un gatto tra gli elettroni (IsidoroKZ)
Esperienza e simulazioni (g.schgor)
Moleskine di un idraulico (RenzoDF)
Il Blog di ElectroYou (webmaster)
Idee microcontrollate (TardoFreak)
PICcoli grandi PICMicro (Paolino)
Il blog elettrico di carloc (carloc)
DirtEYblooog (dirtydeeds)
Di tutto... un po' (jordan20)
AK47 (lillo)
Esperienze elettroniche (marco438)
Telecomunicazioni musicali (clavicordo)
Automazione ed Elettronica (gustavo)
Direttive per la sicurezza (ErnestoCappelletti)
EYnfo dall'Alaska (mir)
Apriamo il quadro! (attilio)
H7-25 (asdf)
Passione Elettrica (massimob)
Elettroni a spasso (guidob)
Bloguerra (guerra)